一文帶你了解傳輸線理論
發布時間:2023-01-06 責任編輯:lina
【導讀】zaixiandaitongxinjishuzhong,meidangzaichuanshugaosuxinhaodeshihou,tebieshishepinweiboxinhaochuanshuguochengzhong,zongshibukebimiandeyudaoyinweihuibosunhaohefushesunhaosuozaochengdexinhaoshuaijian。ruhegaishanzheyiwenti?jishuxingshouquandailishangExcelpoint世健的工程師Wolfe Yu對傳輸線理論進行了科普。
zaixiandaitongxinjishuzhong,meidangzaichuanshugaosuxinhaodeshihou,tebieshishepinweiboxinhaochuanshuguochengzhong,zongshibukebimiandeyudaoyinweihuibosunhaohefushesunhaosuozaochengdexinhaoshuaijian。ruhegaishanzheyiwenti?jishuxingshouquandailishangExcelpoint世健的工程師Wolfe Yu對傳輸線理論進行了科普。
各種傳輸線路的優劣分析
為了將電磁波束縛在一定橫截麵內導通,防止信號向外部空間輻射,人們通常采用一種被稱為“金屬波導”的導行係統。

圖1 金屬波導的導行係統
金屬波導其實就是一個空心的金屬管,它的特點是對於高頻信號衰減少、傳輸效率高。但是波導的缺點是隻能導通高頻信號,對於中、低頻信號無法傳輸。這和傳統的雙導線係統正好相反。
那麼,是否有一種傳輸線,可以實現所有頻段全覆蓋呢?為了解決這個問題,科學家提出了新的解決方案——微帶傳輸和同軸傳輸技術,本文主要討論同軸傳輸技術。

圖2 同軸線傳輸線的導行係統
同tong軸zhou線xian傳chuan輸shu是shi由you分fen離li導dao體ti柱zhu構gou成cheng,可ke以yi傳chuan播bo橫heng電dian磁ci波bo,從cong兩liang分fen離li的de導dao體ti柱zhu結jie構gou和he傳chuan遞di橫heng電dian磁ci波bo的de角jiao度du來lai看kan,同tong軸zhou線xian傳chuan輸shu技ji術shu信xin號hao衰shuai減jian相xiang對dui較jiao少shao,覆fu蓋gai頻pin段duan寬kuan,理li論lun上shang可ke以yi覆fu蓋gai全quan頻pin段duan,是shi傳chuan輸shu信xin號hao的de較jiao優you選xuan擇ze。
同軸線傳輸還有一個優勢,高頻電磁波信號通過空間電場傳輸,主設備可以同時通過同軸線傳輸電能給從設備,這被稱之為PoC(Power-over-Coax), PoC和PoE的工作原理類似。

圖3 同軸傳輸線供電原理框圖
信道均衡技術
信道碼間串擾
在數字通信係統中,由於多徑效應、信道帶限等因素,在接收端會形成碼元拖尾。拖尾部分與相鄰碼元疊加,形成碼間幹擾,導致采樣信號畸變,判決錯誤。

圖4 碼間串擾引起信號丟失及采用信道均衡技術恢複碼元
weiletigaoshuailuoxindaozhongdetongxinxitongdechuanshuxingneng,gongchengshimenwangwangcaiqudeyizhongkangshuailuocuoshi,laixiaochuhuojianruokuandaitongxinshideduojingshiyandailaidemajianchuanrao(ISI)問題,這被稱為“信道均衡”。
傳輸線網絡模型
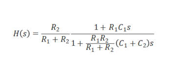
信道均衡是為了消除碼間幹擾,它的核心思想是對信道或整個傳輸係統特性進行補償,通過補償網絡使傳輸線阻抗和負載阻抗相等。

圖5 傳輸線等效模型
在高速傳輸係統中,傳輸線會產生很多寄生參數,可以采用阻容器件來建立等效分段傳輸模型。

根(gen)據(ju)信(xin)號(hao)的(de)傳(chuan)輸(shu)模(mo)型(xing),高(gao)速(su)信(xin)號(hao)在(zai)經(jing)過(guo)長(chang)傳(chuan)輸(shu)線(xian)之(zhi)後(hou),輸(shu)出(chu)信(xin)號(hao)會(hui)產(chan)生(sheng)畸(ji)變(bian)。如(ru)果(guo)不(bu)對(dui)信(xin)號(hao)作(zuo)處(chu)理(li),信(xin)號(hao)將(jiang)無(wu)法(fa)準(zhun)確(que)識(shi)別(bie),形(xing)成(cheng)碼(ma)間(jian)幹(gan)擾(rao)串(chuan)擾(rao)。

圖6傳輸線信號畸變引起碼間串擾
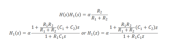
阻抗匹配的具體實現方法是,在傳輸線的基礎上,再添加一個傳遞函數,使整個傳輸係統實現阻抗匹配,這被稱為“全通濾波”或者“均衡電路”。

均衡傳輸實現方法
為了消除碼間幹擾,使電路達到均衡效果,一般采用兩種方法,一種是預加重、另一種是去加重。
預yu加jia重zhong技ji術shu就jiu是shi增zeng強qiang信xin號hao上shang升sheng沿yan和he下xia降jiang沿yan處chu的de幅fu度du,其qi它ta地di方fang幅fu度du不bu變bian。而er去qu加jia重zhong是shi保bao持chi信xin號hao上shang升sheng沿yan和he下xia降jiang沿yan處chu的de幅fu度du不bu變bian,其qi他ta地di方fang信xin號hao減jian弱ruo。
根據上述分段傳輸線傳輸模型,一般會在發送端做前饋均衡FFE(Feed Forward Equalizer),在接收端做判決反饋均衡DFE(Decision Feedback Equalizer)。

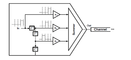
圖7 均衡傳輸技術建模
前饋均衡FFE是SerDes係統中最常用的均衡技術。通常SerDes的發送端會使用FFE技術對信號進行預均衡。FFE通過將延時的信號按不同的權重(w-1,w0,…,wn)相加。控製權重的大小調整均衡強度。

圖8 前饋均衡的預加重原理
判決反饋均衡DFE也是通過數字高頻濾波器實現的,與FFE不同的是,DFE是一種非線性均衡技術:判決後的信號為數字信號。因此,DFE可以隻放大高頻信號,而不放大高頻噪聲。
圖9 判決反饋去加重原理
在DFE電路中,通常的做法,一般會在前級加上一個連續時間線性均衡CTLE(Continuous Time Linear Equalizer),CTLE的作用是作為高通濾波器和低通濾波器配合,實現信號的全通濾波。

圖10 同軸均衡傳輸技術理論可以覆蓋全頻段
Microchip基於CoaXpress一攬子解決方案
Microchip推出的一種基於CoaXpress的視頻傳輸方案就是基於均衡法的同軸傳輸。
EQCO125X40集成均衡器、CDR和電纜驅動。它可以實現在一根電纜或PCB跟蹤對上發送/接收信號,在1.25 Gbps/12.5 Gbps 8b/10b編碼下行傳輸,以及20.833 Mbps/41.666 Mbps 8b/10b編碼的上行傳輸。在ADAS圖傳應用中,視頻信號通過同軸線進行無損耗傳輸給高算力的平台做進一步處理,這種算法已經被越來越多的客戶所接受。
圖11 Microchip基於CoaXpress技術的圖傳解決方案
這顆芯片搭載在基於Microchip PolarFire視頻平台上,客戶可以利用Microchip提供的免費IP安裝包輕鬆完成產品開發,縮短開發流程,其授權代理商Excelpoint世健能提供相應的技術支持和指導,幫助客戶更高效地進行產品開發。
免責聲明:本文為轉載文章,轉載此文目的在於傳遞更多信息,版權歸原作者所有。本文所用視頻、圖片、文字如涉及作品版權問題,請聯係小編進行處理。
推薦閱讀:
- 噪聲中提取真值!瑞盟科技推出MSA2240電流檢測芯片賦能多元高端測量場景
- 10MHz高頻運行!氮矽科技發布集成驅動GaN芯片,助力電源能效再攀新高
- 失真度僅0.002%!力芯微推出超低內阻、超低失真4PST模擬開關
- 一“芯”雙電!聖邦微電子發布雙輸出電源芯片,簡化AFE與音頻設計
- 一機適配萬端:金升陽推出1200W可編程電源,賦能高端裝備製造
- 算力爆發遇上電源革新,大聯大世平集團攜手晶豐明源線上研討會解鎖應用落地
- 築基AI4S:摩爾線程全功能GPU加速中國生命科學自主生態
- 一秒檢測,成本降至萬分之一,光引科技把幾十萬的台式光譜儀“搬”到了手腕上
- AI服務器電源機櫃Power Rack HVDC MW級測試方案
- 突破工藝邊界,奎芯科技LPDDR5X IP矽驗證通過,速率達9600Mbps
- 車規與基於V2X的車輛協同主動避撞技術展望
- 數字隔離助力新能源汽車安全隔離的新挑戰
- 汽車模塊拋負載的解決方案
- 車用連接器的安全創新應用
- Melexis Actuators Business Unit
- Position / Current Sensors - Triaxis Hall







