差分振蕩器與普通晶體振蕩器的區別
發布時間:2022-12-28 責任編輯:lina
【導讀】差分信號輸出,信號類型主要為LVDS、LVPECL等信號。優點是抗幹擾能力強,可實現低功耗,缺點是布線需謹慎,且價格相對較高。
差分振蕩器與普通晶體振蕩器在高速信號傳輸中的差異對比
晶振小課堂之技術篇
在高速信號傳輸中,差分振蕩器與普通晶體振蕩器的差異如下:
普通晶體振蕩器
單端信號輸出,信號類型主要為CMOS或TTL。在高速信號傳輸中,其表現如下:
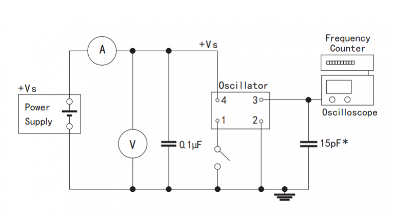
測試電路:
1、電平幅度大,信號高低電平之間的轉換時間長,不適用於傳輸頻率達到100MHZ以上的信號。
2、輸出信號為單端信號(一條線),傳輸路徑易受到幹擾,不利於長線傳輸。
3、功耗大,如TTL器件的靜態功耗較大,即使靜態功耗小的CMOS器件,由於電平擺幅寬,其動態功耗也偏大。
差分振蕩器
差分信號輸出,信號類型主要為LVDS、LVPECL等信號。優點是抗幹擾能力強,可實現低功耗,缺點是布線需謹慎,且價格相對較高。
測試電路:
差分振蕩器工作原理及優勢特點如下:差分信號是由二條線傳輸,會輸出一組振幅相同、相位相反的信號,而接收端則會根據兩個信號的電壓差值來判斷邏輯狀態。所以在高速通信中,差分信號的抗幹擾特性明顯優於單端信號。
免責聲明:本文為轉載文章,轉載此文目的在於傳遞更多信息,版權歸原作者所有。本文所用視頻、圖片、文字如涉及作品版權問題,請聯係小編進行處理。
推薦閱讀:
擴大40年期電源電壓範圍,從<300uA到3A無電阻電流檢測解決方案
- 噪聲中提取真值!瑞盟科技推出MSA2240電流檢測芯片賦能多元高端測量場景
- 10MHz高頻運行!氮矽科技發布集成驅動GaN芯片,助力電源能效再攀新高
- 失真度僅0.002%!力芯微推出超低內阻、超低失真4PST模擬開關
- 一“芯”雙電!聖邦微電子發布雙輸出電源芯片,簡化AFE與音頻設計
- 一機適配萬端:金升陽推出1200W可編程電源,賦能高端裝備製造
- 貿澤EIT係列新一期,探索AI如何重塑日常科技與用戶體驗
- 算力爆發遇上電源革新,大聯大世平集團攜手晶豐明源線上研討會解鎖應用落地
- 創新不止,創芯不已:第六屆ICDIA創芯展8月南京盛大啟幕!
- AI時代,為什麼存儲基礎設施的可靠性決定數據中心的經濟效益
- 矽典微ONELAB開發係列:為毫米波算法開發者打造的全棧工具鏈
- 車規與基於V2X的車輛協同主動避撞技術展望
- 數字隔離助力新能源汽車安全隔離的新挑戰
- 汽車模塊拋負載的解決方案
- 車用連接器的安全創新應用
- Melexis Actuators Business Unit
- Position / Current Sensors - Triaxis Hall



