ADALM2000實驗:BJT差分對
發布時間:2021-08-02 來源:Antoniu Miclaus 和 Doug Mercer 責任編輯:wenwei
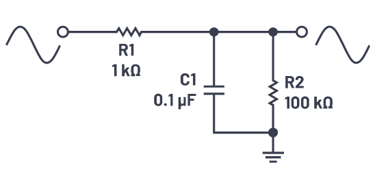
【導讀】本次實驗旨在研究一個使用NPN晶體管的簡單差分放大器。首先,我們需要做一些關於硬件限製問題的筆記。ADALM2000 係xi統tong中zhong的de波bo形xing發fa生sheng器qi具ju有you高gao輸shu出chu帶dai寬kuan,該gai高gao帶dai寬kuan帶dai來lai了le寬kuan帶dai噪zao聲sheng。由you於yu差cha分fen放fang大da器qi的de增zeng益yi,本ben次ci實shi驗yan中zhong測ce量liang所suo需xu的de輸shu入ru信xin號hao電dian平ping相xiang當dang小xiao。如ru果guo直zhi接jie使shi用yong波bo形xing發fa生sheng器qi輸shu出chu,則ze其qi輸shu出chu的de信xin噪zao比bi將jiang不bu夠gou高gao。通tong過guo提ti高gao信xin號hao電dian平ping,然ran後hou在zai波bo形xing發fa生sheng器qi輸shu出chu和he電dian路lu輸shu入ru之zhi間jian放fang置zhi衰shuai減jian器qi和he濾lv波bo器qi(圖1),可以改善信噪比。本次實驗需要如下材料:
● 兩個100 Ω電阻
● 兩個1 kΩ電阻
● 兩個0.1 μF電容(標記為104)

圖1.11:1衰減器和濾波器
本次實驗的所有部分都會使用該衰減器和濾波器。
帶尾電阻的差分對
材料
● ADALM2000主動學習模塊
● 無焊麵包板
● 跳線
● 兩個10 kΩ電阻
● 一個15 kΩ電阻(將10 kΩ電阻和4.7 kΩ電阻串聯)
● 兩個小信號NPN晶體管(2N3904或SSM2212 NPN匹配對)
說明
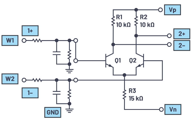
麵包板連接如圖3所示。Q1和Q2應從您可用的且VBE匹配最佳的晶體管中選擇。Q1和Q2的發射極與R3的一端共享一個連接。R3的另一端連接到Vn (-5V),提供尾電流。Q1的基極連接到第一個任意波形發生器的輸出,Q2的基極連接到第二個任意波形發生器的輸出。兩個集電極負載電阻R1和R2分別連接在Q1和Q2的集電極與正電源Vp (5V)之間。差分示波器輸入(2+和2-)用於測量兩個10 kΩ負載電阻上的差分輸出。

圖2.帶尾電阻的差分對
硬件設置
第一個波形發生器配置為200 Hz三角波,峰峰值幅度為4 V,偏移為0。第二個波形發生器配置為200 Hz三角波,峰峰值幅度為4 V,偏移為0 V,但相位為180°。電阻分壓器將Q1和Q2的基極處的信號幅度降低到略小於200 mV。示波器的通道1應與1+連接到第一個波形發生器W1的輸出,與1-連接到W2的輸出。通道2應連接到顯示2+和2-,並設置為每格1 V。

圖3.帶尾電阻的差分對麵包板電路
程序步驟
應獲取如下數據:x軸是任意波形發生器的輸出,y軸是使用2+和2-輸入的示波器通道2。通過改變R3的值,探索尾電流電平對電路增益的影響(觀察通過原點的直線的斜率)和he對dui線xian性xing輸shu入ru範fan圍wei的de影ying響xiang,以yi及ji當dang電dian路lu飽bao和he時shi,觀guan察cha增zeng益yi非fei線xian性xing下xia降jiang的de形xing狀zhuang。然ran後hou在zai基ji本ben電dian路lu上shang增zeng加jia點dian小xiao元yuan件jian,例li如ru發fa射she極ji退tui化hua電dian阻zu,探tan索suo擴kuo展zhan和he線xian性xing化hua輸shu入ru擺bai幅fu範fan圍wei的de技ji術shu及ji其qi對dui電dian路lu增zeng益yi的de影ying響xiang。
配置示波器以捕獲所測量的兩個信號的多個周期。xy圖示例如圖4所示。

圖4.帶尾電阻的差分對xy圖
電流源用作尾電流
使用簡單電阻作為尾電流具有局限性。應探索構建電流源來偏置差分對的方法。這可以由幾個額外的晶體管和電阻構成,如之前的ADALM2000實驗 "穩定電流源"所示。
附加材料
● 兩個小信號NPN晶體管(Q3、Q4 = 2N3904或SSM2212)
說明
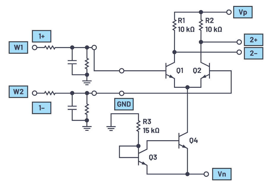
麵包板連接如圖6所示。

圖5.帶尾電流源的差分對
硬件設置
第一個波形發生器配置為200 Hz三角波,峰峰值幅度為4 V,偏移為0。第二個波形發生器也應配置為200 Hz三角波,峰峰值幅度為4 V,偏移為0 V,但相位為180°。電阻分壓器將Q1和Q2的基極處的信號幅度降低到略小於200 mV。示波器的通道1應與1+連接到第一個波形發生器W1的輸出,與1-連接到W2的輸出。通道2應連接到顯示2+和2-,並設置為每格1 V。

圖6.帶尾電流源的差分對麵包板電路
程序步驟
配置示波器以捕獲所測量的兩個信號的多個周期。xy圖示例如圖7所示。

圖7.帶尾電流源的差分對xy圖
測量共模增益

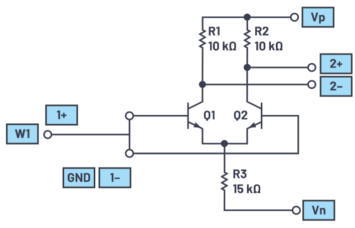
圖8.共模增益配置
共模抑製是差分放大器的一個關鍵方麵。CMR可以通過將兩個晶體管Q1和Q2的基極連接到同一輸入源來測量。圖10中的曲線顯示了當W1的共模電壓從+2.9 V掃描至-4.5 V時(shi),電(dian)阻(zu)偏(pian)置(zhi)差(cha)分(fen)對(dui)和(he)電(dian)流(liu)源(yuan)偏(pian)置(zhi)差(cha)分(fen)對(dui)的(de)差(cha)分(fen)輸(shu)出(chu)。輸(shu)入(ru)上(shang)的(de)最(zui)大(da)正(zheng)擺(bai)幅(fu)以(yi)晶(jing)體(ti)管(guan)的(de)基(ji)極(ji)電(dian)壓(ya)超(chao)過(guo)集(ji)電(dian)極(ji)電(dian)壓(ya)和(he)晶(jing)體(ti)管(guan)飽(bao)和(he)電(dian)壓(ya)的(de)點(dian)為(wei)限(xian)。這(zhe)可(ke)以(yi)通(tong)過(guo)觀(guan)察(cha)晶(jing)體(ti)管(guan)的(de)集(ji)電(dian)極(ji)電(dian)壓(ya)相(xiang)對(dui)於(yu)地(di)為(wei)單(dan)端(duan)(即將2-示波器輸入接地)來檢查。
硬件設置
波形發生器配置為100 Hz正弦波,峰峰值幅度為8 V,偏移為0。示波器的通道1應與1+連接到第一個波形發生器W1的輸出,與1-連接到地。通道2應連接到顯示2+和2-,並設置為每格1 V。

圖9.共模增益麵包板電路
程序步驟
配置示波器以捕獲所測量的兩個信號的多個周期。產生的波形如圖10所示。

圖10.共模增益波形
問題:
對於圖8中的電路,如果將晶體管Q1的基極視為輸入,該晶體管放大器對於輸出2+和2-而言是反相還是同相?
對於同一電路,說明當輸入電壓(W1)增加時,每個輸出電壓(2+和2-)會發生什麼。另外請說明,當輸入電壓減小時會發生什麼。
您可以在學子專區博客上找到問題答案。
免責聲明:本文為轉載文章,轉載此文目的在於傳遞更多信息,版權歸原作者所有。本文所用視頻、圖片、文字如涉及作品版權問題,請聯係小編進行處理。
推薦閱讀:
特別推薦
- 噪聲中提取真值!瑞盟科技推出MSA2240電流檢測芯片賦能多元高端測量場景
- 10MHz高頻運行!氮矽科技發布集成驅動GaN芯片,助力電源能效再攀新高
- 失真度僅0.002%!力芯微推出超低內阻、超低失真4PST模擬開關
- 一“芯”雙電!聖邦微電子發布雙輸出電源芯片,簡化AFE與音頻設計
- 一機適配萬端:金升陽推出1200W可編程電源,賦能高端裝備製造
技術文章更多>>
- 算力爆發遇上電源革新,大聯大世平集團攜手晶豐明源線上研討會解鎖應用落地
- 築基AI4S:摩爾線程全功能GPU加速中國生命科學自主生態
- 一秒檢測,成本降至萬分之一,光引科技把幾十萬的台式光譜儀“搬”到了手腕上
- AI服務器電源機櫃Power Rack HVDC MW級測試方案
- 突破工藝邊界,奎芯科技LPDDR5X IP矽驗證通過,速率達9600Mbps
技術白皮書下載更多>>
- 車規與基於V2X的車輛協同主動避撞技術展望
- 數字隔離助力新能源汽車安全隔離的新挑戰
- 汽車模塊拋負載的解決方案
- 車用連接器的安全創新應用
- Melexis Actuators Business Unit
- Position / Current Sensors - Triaxis Hall
熱門搜索
微波功率管
微波開關
微波連接器
微波器件
微波三極管
微波振蕩器
微電機
微調電容
微動開關
微蜂窩
位置傳感器
溫度保險絲
溫度傳感器
溫控開關
溫控可控矽
聞泰
穩壓電源
穩壓二極管
穩壓管
無焊端子
無線充電
無線監控
無源濾波器
五金工具
物聯網
顯示模塊
顯微鏡結構
線圈
線繞電位器
線繞電阻




