關於基本運算放大器配置
發布時間:2019-11-05 來源:Doug Mercer和Antoniu Miclaus 責任編輯:wenwei
【導讀】在本實驗中,我們將介紹一種有源電路——運算放大器(op amp),其某些特性(高輸入電阻、低輸出電阻和大差分增益)使shi它ta成cheng為wei近jin乎hu理li想xiang的de放fang大da器qi,並bing且qie是shi很hen多duo電dian路lu應ying用yong中zhong的de有you用yong構gou建jian模mo塊kuai。在zai本ben實shi驗yan中zhong,你ni將jiang了le解jie有you源yuan電dian路lu的de直zhi流liu偏pian置zhi,並bing探tan索suo若ruo幹gan基ji本ben功gong能neng運yun算suan放fang大da器qi電dian路lu。我wo們men還hai將jiang利li用yong此ci實shi驗yan繼ji續xu發fa展zhan使shi用yong實shi驗yan室shi硬ying件jian的de技ji能neng。
目標:
在本實驗中,我們將介紹一種有源電路——運算放大器(op amp),其某些特性(高輸入電阻、低輸出電阻和大差分增益)使shi它ta成cheng為wei近jin乎hu理li想xiang的de放fang大da器qi,並bing且qie是shi很hen多duo電dian路lu應ying用yong中zhong的de有you用yong構gou建jian模mo塊kuai。在zai本ben實shi驗yan中zhong,你ni將jiang了le解jie有you源yuan電dian路lu的de直zhi流liu偏pian置zhi,並bing探tan索suo若ruo幹gan基ji本ben功gong能neng運yun算suan放fang大da器qi電dian路lu。我wo們men還hai將jiang利li用yong此ci實shi驗yan繼ji續xu發fa展zhan使shi用yong實shi驗yan室shi硬ying件jian的de技ji能neng。
材料:
● ADALM1000硬件模塊
● 無焊試驗板和跳線套件
● 一個1 kΩ電阻
● 三個4.7 kΩ電阻
● 兩個10 kΩ電阻
● 一個20 kΩ電阻
● 兩個AD8541 器件(CMOS軌到軌放大器)
● 兩個0.1 μΩ電容(徑向引線)
1.1 運算放大器基礎知識
第一步:連接直流電源
必須為運算放大器始終提供直流電源,因此在添加任何其他電路元件之前,最好配置這些連接。圖1顯示了無焊試驗板上的一種可能的電源配置。我們將兩根長軌用於正電源電壓和地,另一根用於可能需要的2.5 V中間電源連接。板上包括電源去耦電容,其連接在電源和地(GND)軌gui之zhi間jian。現xian在zai詳xiang細xi討tao論lun這zhe些xie電dian容rong的de用yong途tu還hai為wei時shi過guo早zao,隻zhi需xu知zhi道dao它ta們men用yong於yu降jiang低di電dian源yuan線xian上shang的de噪zao聲sheng並bing避bi免mian寄ji生sheng振zhen蕩dang。在zai模mo擬ni電dian路lu設she計ji中zhong,務wu必bi在zai電dian路lu中zhong每mei個ge運yun算suan放fang大da器qi的de電dian源yuan引yin腳jiao附fu近jin使shi用yong小xiao型xing旁pang路lu電dian容rong,這zhe被bei認ren為wei是shi良liang好hao實shi踐jian。

圖1.電源連接
將運算放大器插入試驗板,然後添加導線和電容,如圖1所示。為避免以後出現問題,可能需要在試驗板上貼一個小標簽,指示哪些電源軌對應5 V、2.5 V和地。導線應利用顏色加以區分:紅色為5 V,黑色為2.5 V,綠色為GND。這有助於保持連接的有序性。
接下來,在ADALM1000板和試驗板上的端子之間建立5 V電源和GND連接。使用跳線為電源軌供電。注意,電源GND端子將是電路接地基準。有了電源連接之後,可能需要使用DMM直接探測IC引腳,確保引腳7為5 V且引腳4為0 V(地)。
注意,使用電壓表測量電壓之前,必須將ADALM1000插入USB端口。
單位增益放大器(電壓跟隨器):
第一個運算放大器電路很簡單(如圖2所示)。這稱為單位增益緩衝器,有時也稱為電壓跟隨器,它由轉換函數VOUT = VIN定義。乍一看,它似乎是一個無用的器件,但正如我們稍後將展示的那樣,其有用之處在於高輸入電阻和低輸出電阻。

圖2.單位增益跟隨器
使用試驗板和ADALM1000電源,構建圖2所示的電路。請注意,此處未明確顯示電源連接。任何實際電路中都會進行這些連接(如上一步中所做的那樣),因此從這裏開始,原理圖中沒必要顯示它們。使用跳線將輸入和輸出連接到波形發生器輸出CA-V和示波器輸入CB-H。
通道A電壓發生器設置為1.0 V最小值和4.0 V最大值(3 V p-p,以2.5 V為中心),使用500 Hz正弦波。配置示波器,使輸入信號跡線顯示為CA-V,輸出信號跡線顯示為CB-V。導出所產生的兩個波形圖,並將其包含在實驗報告中,注意波形參數(峰值和頻率的基波時間周期)。你的波形應當確認其為單位增益或電壓跟隨器電路的說明。
緩衝示例:
運算放大器的高輸入電阻(零輸入電流)意味著發生器上的負載非常小;也就是說,沒有從源電路汲取電流,因此任何內部電阻(戴維寧等效值)上shang都dou沒mei有you電dian壓ya降jiang。所suo以yi,在zai這zhe種zhong配pei置zhi中zhong,運yun算suan放fang大da器qi的de作zuo用yong類lei似si於yu緩huan衝chong器qi,屏ping蔽bi信xin號hao源yuan免mian受shou係xi統tong其qi他ta部bu分fen帶dai來lai的de負fu載zai效xiao應ying。從cong負fu載zai電dian路lu的de角jiao度du看kan,緩huan衝chong器qi將jiang非fei理li想xiang電dian壓ya源yuan轉zhuan換huan成cheng近jin乎hu理li想xiang的de電dian壓ya源yuan。圖tu3給出了一個簡單的電路,我們可以用它來演示單位增益緩衝器的這個特性。這裏,緩衝器插在分壓器電路和某一負載電阻(10 kΩ電阻)之間。

圖3.緩衝器示例
斷開電源並將電阻添加到電路中,如圖3所示(注意這裏沒有更改運算放大器連接,我們隻是相對於圖2翻轉了運算放大器符號以更好地安排導線)。
重新連接電源,並將波形發生器設置為500 Hz正弦波、0.5 V最小值和4.5 V最大值(4 V p-p,以2.5 V為中心)。同時觀察VIN CA-V和VOUT CB-H,並在實驗報告中記錄幅度。使用示波器輸入CB-H還能測量運算放大器引腳3上的信號幅度。
圖形實例如圖4所示。

圖4.緩衝器曲線
移除10 kΩ負載,代之以1 kΩ電阻。記錄幅度。現在移動引腳3和2.5 V之間的1 kΩ負載,使其與4.7 kΩ電阻並聯。記錄輸出幅度如何變化。你能預測新的輸出幅度嗎?
簡單放大器配置
反相放大器:
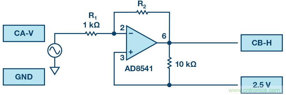
圖5所示為常規反相放大器配置,輸出端有10 kΩ負載電阻。

圖5.反相放大器配置
現在使用R2 = 4.7kΩ組裝圖5suoshidefanxiangfangdaqidianlu。zuzhuangxindianluzhiqian,qingjizhuduankaidianyuan。genjuxuyaoqiegehewanqudianzuyinxian,shiqipingfangzaidianlubanbiaomian,bingweimeigelianjieshiyongzuiduandetiaoxian(如圖1所示)。記住,試驗板有很大的靈活性。例如,電阻R2的引線不一定要將運算放大器從引腳2橋接到引腳6;你可以使用中間節點和跳線來繞過該器件。
重新連接電源並觀察電流消耗,確保沒有意外短路。現在將波形發生器調整為500 Hz正弦波,設置為2.1 V最小值和2.9 V最大值(0.8 V p-p,以2.5 V為中心),並再次在示波器上顯示輸入和輸出。測量和記錄此電路的電壓增益,並與課堂上討論的原理進行比較。導出輸入/輸出波形圖,並將其包含在實驗報告中。
圖形實例如圖6所示。

圖6.反相放大器曲線
趁(chen)此(ci)機(ji)會(hui)說(shuo)一(yi)下(xia)電(dian)路(lu)調(tiao)試(shi)。在(zai)課(ke)堂(tang)中(zhong)的(de)某(mou)個(ge)時(shi)候(hou),你(ni)可(ke)能(neng)無(wu)法(fa)讓(rang)電(dian)路(lu)工(gong)作(zuo)。這(zhe)並(bing)不(bu)意(yi)外(wai),沒(mei)有(you)人(ren)是(shi)完(wan)美(mei)的(de)。但(dan)是(shi),你(ni)不(bu)應(ying)簡(jian)單(dan)地(di)認(ren)為(wei)電(dian)路(lu)不(bu)工(gong)作(zuo)必(bi)定(ding)意(yi)味(wei)著(zhe)器(qi)件(jian)或(huo)實(shi)驗(yan)儀(yi)器(qi)有(you)故(gu)障(zhang)。這(zhe)基(ji)本(ben)上(shang)不(bu)是(shi)事(shi)實(shi),99%的de電dian路lu問wen題ti都dou是shi簡jian單dan的de接jie線xian或huo電dian源yuan錯cuo誤wu。即ji便bian是shi經jing驗yan豐feng富fu的de工gong程cheng師shi也ye會hui不bu時shi出chu錯cuo,因yin此ci,學xue會hui如ru何he調tiao試shi電dian路lu問wen題ti是shi學xue習xi過guo程cheng中zhong非fei常chang重zhong要yao的de一yi部bu分fen。為wei你ni診zhen斷duan錯cuo誤wu不bu是shi助zhu教jiao的de責ze任ren,如ru果guo你ni以yi這zhe種zhong方fang式shi依yi賴lai其qi他ta人ren,那na麼me你ni就jiu錯cuo過guo了le實shi驗yan的de一yi個ge關guan鍵jian點dian,你ni將jiang不bu大da可ke能neng在zai以yi後hou的de課ke程cheng中zhong取qu得de成cheng功gong。除chu非fei你ni的de運yun算suan放fang大da器qi冒mao煙yan,電dian阻zu上shang出chu現xian了le棕zong色se燒shao傷shang痕hen跡ji,或huo者zhe電dian容rong發fa生sheng爆bao炸zha,否fou則ze你ni的de元yuan器qi件jian很hen可ke能neng沒mei問wen題ti。事shi實shi上shang,大da多duo數shu器qi件jian在zai發fa生sheng重zhong大da損sun傷shang之zhi前qian都dou能neng容rong忍ren一yi定ding程cheng度du的de濫lan用yong。當dang事shi情qing不bu妙miao時shi,最zui好hao的de辦ban法fa就jiu是shi斷duan開kai電dian源yuan並bing尋xun找zhao一yi個ge簡jian單dan的de解jie釋shi,而er不bu要yao急ji著zhe責ze怪guai器qi件jian或huo設she備bei。在zai這zhe方fang麵mian,DMM可是一件十分有價值的調試工具。
輸出飽和:
現在將圖5中的反饋電阻R2從4.7 kΩ更改為10 kΩ。現在的增益是多少?將輸入信號的幅度緩慢增加至2 V,仍然以2.5 V為wei中zhong心xin,並bing將jiang波bo形xing導dao出chu到dao實shi驗yan室shi筆bi記ji本ben電dian腦nao中zhong。任ren何he運yun算suan放fang大da器qi的de輸shu出chu電dian壓ya最zui終zhong都dou會hui受shou電dian源yuan電dian壓ya的de限xian製zhi,而er在zai很hen多duo情qing況kuang下xia,由you於yu電dian路lu中zhong存cun在zai內nei部bu電dian壓ya降jiang,實shi際ji限xian製zhi要yao遠yuan小xiao於yu電dian源yuan電dian壓ya。根gen據ju你ni的de以yi上shang測ce量liang結jie果guo量liang化huaAD8541的內部壓降。如果你有時間,可嚐試用OP97或OP27放大器替換AD8541,並比較它能產生的最小和最大輸出電壓。
求和放大器電路:
圖7所示電路是一個帶有四個輸入的基本反相放大器,稱為求和放大器。圖7的配置與你在教科書中看到的略有不同,因為ADALM1000隻提供單個正電源電壓。放大器的同相(+)輸入連接到2.5 V,即電源電壓的一半,而不是接地。這就改變了求和放大器方程式。輸入電阻上出現的輸入電壓現在是相對於2.5 V(即所謂共模電平)進行測量。它們應減去2.5 V,因此0 VIN變為-2.5 V,+3.3 VIN變為+0.8 V。輸出電壓也應相對於+2.5 V電平來測量。為使常規方程式正確,輸出電壓也將減去2.5 V共模電平。另一種思路是考慮所有輸入均為2.5 V(或懸空)的情況。任何輸入電阻中都沒有電流流動(其兩端的電壓為0 V),因此反饋電阻中也沒有電流流過(其電壓為0 V)。輸出電壓將為2.5 V。
此電路使用四個數字輸出PIO 0、PIO 1、PIO 2和PIO 3作為輸入電壓源。每個數字輸出具有接近0 V的低輸出電壓或接近3.3 V的高輸出電壓。使用疊加(並校正2.5 V共模電平),我們可以證明VOUT是VPIO0、VPIO1、VPIO2和VPIO3的線性和,其中每個都有自己獨特的增益或比例係數(由1 kΩ反饋電阻除以各自電阻所得的比值設定)。
PIO 0值最高,輸出變化最小(最低有效位),PIO 3值最低,輸出變化最大(最高有效位)。請注意,PIO 3電阻由兩個4.7 kΩ電阻並聯而成。

圖7.求和放大器配置
斷開電源後,修改反相放大器電路,如圖7所suo示shi。重zhong新xin連lian接jie電dian源yuan,然ran後hou使shi用yong數shu字zi輸shu出chu控kong件jian填tian寫xie以yi下xia兩liang個ge表biao格ge。在zai第di一yi個ge表biao格ge中zhong,記ji錄lu每mei個ge數shu字zi輸shu出chu的de低di電dian壓ya和he高gao電dian壓ya。在zai高gao阻zu模mo式shi下xia使shi用yongCB-H示波器輸入來完成此任務。在第二個表格中,記錄PIO 0、PIO 1、PIO 2、PIO 3的所有16種1和0組合的輸出電壓。你還應確認,當所有四位懸空或處於高阻(X)狀態時,輸出電壓確實為2.5 V。
表1.低電壓和高電壓

表2.輸出電壓

使用電阻值計算每個輸入組合的預期輸出電壓,並與測量值進行比較。
同相放大器:
同相放大器配置如圖8所示。與單位增益緩衝器一樣,此電路具有(通常)較好的高輸入電阻特性,因此它可用於緩衝增益大於1的非理想信號源。

圖8.具有增益的同相放大器
組裝圖8所示的同相放大器電路。組裝新電路之前,請記得關閉電源。從R2 =1 kΩ開始。
施加一個500 Hz正弦波,CA-V設置為2.0 V最小值和3.0 V最大值(1 V p-p,以2.5 V為中心),並(bing)在(zai)示(shi)波(bo)器(qi)上(shang)顯(xian)示(shi)輸(shu)入(ru)和(he)輸(shu)出(chu)波(bo)形(xing)。測(ce)量(liang)此(ci)電(dian)路(lu)的(de)電(dian)壓(ya)增(zeng)益(yi),並(bing)與(yu)課(ke)堂(tang)上(shang)討(tao)論(lun)的(de)原(yuan)理(li)進(jin)行(xing)比(bi)較(jiao)。導(dao)出(chu)波(bo)形(xing)圖(tu)並(bing)將(jiang)其(qi)包(bao)含(han)在(zai)實(shi)驗(yan)報(bao)告(gao)中(zhong)。
圖形實例如圖9所示。

圖9.同相放大器曲線
將反饋電阻(R2)從1 kΩ增加到約4.7 kΩ。記住,你可能需要降低輸入的幅度以防止輸出飽和(削波)。現在的增益是多少?
增加反饋電阻,直到削波開始——也就是說,直到輸出信號的峰值因為輸出飽和而開始變平。記錄這種情況發生時的電阻。現在將反饋電阻增加到100 kΩ。在你的筆記本中描述並繪製波形。此時的理論增益是多少?考慮此增益,輸入信號必須小到什麼程度才能使輸出電平始終低於5 V?嚐試將波形發生器調整為此值。描述所實現的輸出。
zuihouyibuqiangtiaogaozengyifangdaqidezhongyaokaolvyinsu。duiyuxiaoshurudianping,gaozengyibiranyiweizhedashuchu。youshihou,zhekenengdaozhiyiwaibaohe,yuanyinshiduimouxiedidianpingzaoshenghuoganraojinxinglefangda,liruduishiquzidianlixiandezasan60 Hz信號的放大。放大器會放大輸入端的任何信號......無論你是否需要!
運算放大器用作比較器
將運算放大器配置為比較器,便可利用運算放大器的高固有增益和輸出飽和效應,如圖10所示。這本質上是一個二元狀態決策電路:如果“+”端子上的電壓大於“–”端子上的電壓,VIN > VREF,則輸出變為高電平(在其最大值時飽和)。相反,如果 VIN < VREF,則輸出變為低電平。電路比較兩個輸入端的電壓,根據相對值產生輸出。與之前的所有電路不同,輸入和輸出之間沒有反饋;對於這種情況,我們說電路是開環運行的。

圖10.運算放大器用作比較器
bijiaoqideshiyongfangshibutong,zaiyihoudebufenzhongwomenhuikandaotadeshijiyingyong。zaizheli,womenjiangyichangjianpeizhishiyongbijiaoqi,shengchengjuyoukebianmaichongkuandudefangbo。shouxianduankaidianyuanbingzuzhuangdianlu。zaifanxiangshuruVREF上使用固定的2.5 V輸出作為直流電源。
同樣,在同相輸入端配置波形發生器CA-V:500 Hz頻率、2 V最小值和3 V最大值的三角波(以2.5 V為中心)。重新連接電源後,導出輸入和輸出波形。
圖形實例如圖11所示。

圖11.運放比較器曲線
現在通過增大(正移位)或減小(負移位)最小值和最大值來緩慢移動三角波的中心,並觀察輸出發生的情況。你能予以解釋嗎?
對正弦波和鋸齒波輸入波形重複上述步驟,並在實驗報告中記錄你的觀察結果。
問題:
壓擺率:如何測量和計算單位增益緩衝器配置的壓擺率?將其與OP97數據手冊中列出的值進行比較。
求和電路:使用疊加導出圖8電路的預期傳遞特性。根據VIN0、VIN1、VIN2和VIN3求出輸出電壓。將理想關係的預測與你的數據進行比較。
比較器:如果VREF的極性反轉會發生什麼?
以上問題可在學子專區博客上找到答案。
作者簡介:Doug Mercer [doug.mercer@analog.com]於1977年畢業於倫斯勒理工學院(RPI),獲電子工程學士學位。自1977年加入ADI公司以來,他直接或間接貢獻了30多款數據轉換器產品,並擁有13項專利。他於1995年被任命為ADI研究員。2009年,他從全職工作轉型,並繼續以名譽研究員身份擔任ADI顧問,為“主動學習計劃”撰稿。2016年,他被任命為RPI ECSE係的駐校工程師。
Antoniu Miclaus [antoniu.miclaus@analog.com]現為ADI公司的係統應用工程師,從事ADI教學項目工作,同時為實驗室電路®和QA流程管理開發嵌入式軟件。他於2017年2月在羅馬尼亞Cluj-Napoca加盟ADI公司。他目前是貝碧思鮑耶大學軟件工程碩士項目的理學碩士生,擁有克盧日-納波卡科技大學電子與電信工程學士學位。
推薦閱讀:
特別推薦
- 噪聲中提取真值!瑞盟科技推出MSA2240電流檢測芯片賦能多元高端測量場景
- 10MHz高頻運行!氮矽科技發布集成驅動GaN芯片,助力電源能效再攀新高
- 失真度僅0.002%!力芯微推出超低內阻、超低失真4PST模擬開關
- 一“芯”雙電!聖邦微電子發布雙輸出電源芯片,簡化AFE與音頻設計
- 一機適配萬端:金升陽推出1200W可編程電源,賦能高端裝備製造
技術文章更多>>
- 算力爆發遇上電源革新,大聯大世平集團攜手晶豐明源線上研討會解鎖應用落地
- 築基AI4S:摩爾線程全功能GPU加速中國生命科學自主生態
- 一秒檢測,成本降至萬分之一,光引科技把幾十萬的台式光譜儀“搬”到了手腕上
- AI服務器電源機櫃Power Rack HVDC MW級測試方案
- 突破工藝邊界,奎芯科技LPDDR5X IP矽驗證通過,速率達9600Mbps
技術白皮書下載更多>>
- 車規與基於V2X的車輛協同主動避撞技術展望
- 數字隔離助力新能源汽車安全隔離的新挑戰
- 汽車模塊拋負載的解決方案
- 車用連接器的安全創新應用
- Melexis Actuators Business Unit
- Position / Current Sensors - Triaxis Hall
熱門搜索
微波功率管
微波開關
微波連接器
微波器件
微波三極管
微波振蕩器
微電機
微調電容
微動開關
微蜂窩
位置傳感器
溫度保險絲
溫度傳感器
溫控開關
溫控可控矽
聞泰
穩壓電源
穩壓二極管
穩壓管
無焊端子
無線充電
無線監控
無源濾波器
五金工具
物聯網
顯示模塊
顯微鏡結構
線圈
線繞電位器
線繞電阻



