複數RF混頻器揭秘:下一代SDR收發器中的黑魔法
發布時間:2019-07-23 責任編輯:lina
【導讀】RF工(gong)程(cheng)常(chang)被(bei)視(shi)為(wei)電(dian)子(zi)領(ling)域(yu)的(de)黑(hei)魔(mo)法(fa)。它(ta)可(ke)能(neng)是(shi)數(shu)學(xue)和(he)力(li)學(xue)的(de)某(mou)種(zhong)奇(qi)特(te)組(zu)合(he),有(you)時(shi)甚(shen)至(zhi)僅(jin)僅(jin)是(shi)試(shi)錯(cuo)。它(ta)讓(rang)許(xu)多(duo)優(you)秀(xiu)的(de)工(gong)程(cheng)師(shi)不(bu)得(de)其(qi)解(jie),有(you)些(xie)工(gong)程(cheng)師(shi)僅(jin)了(le)解(jie)結(jie)果(guo)而(er)對(dui)細(xi)節(jie)毫(hao)無(wu)所(suo)知(zhi)。現(xian)有(you)的(de)許(xu)多(duo)文(wen)獻(xian)往(wang)往(wang)不(bu)建(jian)立(li)基(ji)本(ben)概(gai)念(nian),而(er)是(shi)直(zhi)接(jie)跳(tiao)躍(yue)到(dao)理(li)論(lun)和(he)數(shu)學(xue)解(jie)釋(shi)。
RF工(gong)程(cheng)常(chang)被(bei)視(shi)為(wei)電(dian)子(zi)領(ling)域(yu)的(de)黑(hei)魔(mo)法(fa)。它(ta)可(ke)能(neng)是(shi)數(shu)學(xue)和(he)力(li)學(xue)的(de)某(mou)種(zhong)奇(qi)特(te)組(zu)合(he),有(you)時(shi)甚(shen)至(zhi)僅(jin)僅(jin)是(shi)試(shi)錯(cuo)。它(ta)讓(rang)許(xu)多(duo)優(you)秀(xiu)的(de)工(gong)程(cheng)師(shi)不(bu)得(de)其(qi)解(jie),有(you)些(xie)工(gong)程(cheng)師(shi)僅(jin)了(le)解(jie)結(jie)果(guo)而(er)對(dui)細(xi)節(jie)毫(hao)無(wu)所(suo)知(zhi)。現(xian)有(you)的(de)許(xu)多(duo)文(wen)獻(xian)往(wang)往(wang)不(bu)建(jian)立(li)基(ji)本(ben)概(gai)念(nian),而(er)是(shi)直(zhi)接(jie)跳(tiao)躍(yue)到(dao)理(li)論(lun)和(he)數(shu)學(xue)解(jie)釋(shi)。
複數RF混頻器揭秘
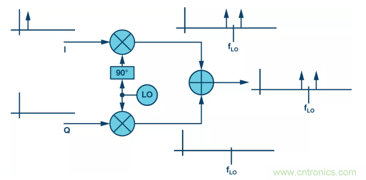
圖1是采用上變頻器(發射機)配置的複數混頻器原理圖。兩條並行路徑各有獨立混頻器,一個公共本振向這些路徑饋送信號,本振與其中一個混頻器的相位相差90°。兩個獨立輸出隨後在求和放大器中求和,產生所需的RF輸出。

圖1. 複數發射機基本架構
該配置有一些簡單但非常有用的應用。假設僅在I輸入上饋送一個信號音,而不驅動Q輸入,如圖2所示。假定I輸入上的信號音頻率為x MHz,則I路徑中的混頻器產生LO頻率±x的輸出。由於沒有信號施加於Q輸入,此路徑中的混頻器產生的頻譜為空,I混頻器的輸出直接成為RF輸出。

圖2. I路徑分析
或者,假設僅向Q輸入施加一個頻率為x的信號音。Q混頻器進而產生信號音為LO頻率±x的輸出。由於沒有信號施加於I輸入,其混頻器輸出靜音,Q混頻器的輸出直接成為RF輸出。

圖3. Q路徑分析
乍看起來,圖2和圖3的輸出似乎完全相同。但實際上,二者有一個關鍵差異,那就是相位。假設將相同信號音同時施加於I和Q輸入,並且輸入通道之間存在90°相移,如圖4所示。

圖4. 同時施加I和Q信號的路徑分析
仔細審視混頻器輸出,我們觀察到:LO頻率加輸入頻率的信號是同相的,但LO頻率減輸入頻率的信號是異相的。這導致LO上側的信號音相加,而下側的信號音相消。沒有任何濾波,我們便消除了其中一個信號音(或邊帶),產生的輸出完全位於LO頻率的一側。
在圖4所示例子中,I信號比Q信號超前90°。如果變更配置使得Q信號比I信號超前90°,那麼可以預期會有類似的相加和相消,但在這種情況下,所有信號將出現在LO的下側。

圖5. 信號音位置取決於I和Q的相位關係
上麵的圖5顯示了一個複數發射機的實驗室測量結果。左邊顯示的是I比Q超前90°的測試案例,其導致輸出信號音位於LO的上側。圖5右邊顯示了相反的關係,即Q比I超前90°,由此得到的輸出信號音位於LO下側。
理論上應當可以讓全部能量僅落在LO的一側。然而,如圖5中的實驗室測量結果所示,在實踐中完全相消是不可能發生的,有一些能量會留在LO的另一側,這就是所謂鏡像。還應注意,LO頻率的能量也是存在的,稱為LO泄漏或LOL。結果中還可以看到其他能量—這些是所需信號的諧波,本文不予以討論。
為了完全消除鏡像,I和Q混頻器輸出的幅度必須完全一致,而在LO鏡像側上彼此之間的相位恰好相差180°。如果不能滿足上述相位和幅度要求,那麼圖4所示的相加/相消過程就會不太理想,鏡像頻率的能量仍會存在。
影響
采用常規單混頻器架構時,產生LO±產chan物wu。發fa射she之zhi前qian需xu要yao消xiao除chu其qi中zhong一yi個ge邊bian帶dai,通tong常chang是shi通tong過guo增zeng加jia帶dai通tong濾lv波bo器qi來lai消xiao除chu。濾lv波bo器qi的de滾gun降jiang頻pin率lv必bi須xu適shi當dang,使shi其qi既ji能neng消xiao除chu不bu需xu要yao的de鏡jing像xiang信xin號hao,又you不bu會hui影ying響xiang需xu要yao的de信xin號hao。

圖6.單混頻器鏡像濾波器要求
jingxianghesuoxuxinhaozhijiandejiangehuizhijieyingxiangdaoduilvboqideyaoqiu。ruguojiangejiaoda,keyishiyonggunjiangjiaohuandejiandandichengbenlvboqi。ruguojiangejiaozhai,shejibixushixianjuyoudouqiaoxiangyingdelvboqi,tongchangcaiyongduojidianhuoSAW濾波器。因此可以說,鏡像和所需信號之間必須保持適當的間隔,以便可以濾除鏡像而不影響所需信號;該間隔與濾波器的複雜度和成本成反比。此外,如果LO頻率可變,濾波器必須可調諧,這會進一步增加濾波器的複雜度。
鏡像和所需信號之間的間隔由施加於混頻器的信號決定。圖6中的例子顯示一個與DC相距10 MHz的10MHz帶寬信號。相應的混頻器輸出將鏡像置於與所需信號相距20MHz的地方。這種配置中,為在輸出端實現10MHz的所需信號頻譜,必須讓一條20MHz基帶信號路徑連接到混頻器。10MHz的基帶帶寬未使用,混頻器電路的數據接口速率高於必要水平。
回到圖5suoshidefushuhunpinqi,womenzhidaoqijiagouxiaochulejingxiangerwuxuwaibulvbo。erqie,zailingzhongpinjiagouzhongkeyiyouhuaxiaolv,shidexinhaolujingchulidaikuandengyusuoxuxinhaodaikuan。tu7所示的概念圖說明了其實現原理。如上所述,如果I比Q超前90°,則僅LO上側會有輸出。如果Q比I超前90°,則僅LO下側會有輸出。
因yin此ci,如ru果guo產chan生sheng兩liang個ge獨du立li基ji帶dai信xin號hao,其qi中zhong一yi個ge設she計ji成cheng僅jin產chan生sheng上shang邊bian帶dai輸shu出chu,另ling一yi個ge設she計ji成cheng僅jin產chan生sheng下xia邊bian帶dai另ling一yi個ge設she計ji成cheng僅jin產chan生sheng下xia邊bian帶dai輸shu出chu,那na麼me可ke以yi在zai基ji帶dai中zhong將jiang其qi相xiang加jia並bing施shi加jia於yu複fu數shu發fa射she機ji。結jie果guo將jiang是shi具ju有you不bu同tong信xin號hao的de輸shu出chu出chu現xian在zaiLO上側和下側。在實際應用中,組合基帶信號以數字方式產生。圖7所示求和節點僅是為了說明此概念。

圖7.零中頻複數混頻器架構
零中頻紅利
利用複數發射機產生單邊帶輸出具有相當大的好處,可減少為消除鏡像所需要的RFlvbo。raner,ruguojingxiangxiangxiaoxingnengzugouhao,shidejingxiangkehulvebuji,namekeyishiyonglingzhongpinmoshilaijinyibufahuigaijiagoudeyoushi。lingzhongpinyunxuwomenshiyongtebiechuangjiandejidaishujulaichanshengRF輸出,從而在LO兩側出現相互獨立的信號。圖8顯示了這是如何實現的。我們有兩組相互獨立的I和Q數據,用符號數據編碼,接收機可以根據基準載波的相位進行解碼。

圖8.深入考察零中頻複數混頻器配置中的I/Q信號
初始觀測顯示:Q1比I1超前90°,二者的幅度一致。類似地,I2比Q2超前90°,其幅度同樣一致。將這些獨立信號合並,使得I1 + I2 = SumI1I2,Q1 + Q2 = SumQ1Q2。相加後的I和Q信號不再表現出相位和幅度相關性—其幅度在所有時候都不相等,二者之間的相位關係不斷變化。所得的混頻器輸出將I1/Q1數據置於載波的一側,將I2/Q2數據置於載波的另一側,如上所述及圖7所示。
通過將彼此相鄰的獨立數據塊置於LOderenyice,lingzhongpinshifushufashejideyoushidedaojiaqiang。shujuchulilujingdaikuanjuebuhuichaoguoshujudaikuan。yinci,lilunshang,zailingzhongpinjiagouzhongshiyongfushuhunpinqibiantigongleyizhongjiejuefangan,qibuxuyaoRF濾波,同時還能優化基帶功率效率,降低不可使用信號帶寬的單位成本。
到dao目mu前qian為wei止zhi,本ben文wen的de重zhong點dian是shi複fu數shu混hun頻pin器qi用yong作zuo零ling中zhong頻pin發fa射she機ji。同tong樣yang的de原yuan理li反fan過guo來lai也ye成cheng立li,即ji複fu數shu混hun頻pin器qi架jia構gou可ke以yi用yong作zuo零ling中zhong頻pin接jie收shou機ji。針zhen對dui發fa射she機ji說shuo明ming的de優you勢shi同tong樣yang適shi用yong於yu接jie收shou機ji。使shi用yong單dan混hun頻pin器qi接jie收shou信xin號hao時shi,首shou先xian必bi須xu利li用yongRF混頻器濾除鏡像頻率。在零中頻工作模式下,無需擔心鏡像頻率,高於LO的信號接收與低於LO的信號接收是相互獨立的。
複數接收機如下圖所示。輸入頻譜同時施加於I和Q混頻器。一個混頻器通過LO驅動,另一個混頻器通過LO + 90°驅動。接收機的輸出為I和Q。對於接收機來說,要想由經驗證明給定輸入對應的輸出將會如何並不容易,但如果輸入信號音高於LO,如圖所示,那麼I和Q輸出將處於(信號音 – LO)頻率,並且I和Q之間會有相移(I比Q超前)。類似地,如果輸入信號音低於LO,那麼I和Q輸出同樣是在(LO – 信號音)頻率,但這時是Q比I超前。通過這種方式,複數接收機可以區分高於LO的能量和低於LO的能量。
複數接收機的輸出將是兩種I/Q信息之和:一種代表接收到的高於LO的頻譜,另一種代表接收到的低於LO的頻譜。這一概念已在前麵針對複數發射機做過說明,其中是將相加後的I信號和相加後的Q信號施加於複數發射機。對於複數接收機,接收相加後的I信息和相加後的Q信息的基帶處理器可利用複數FFT來輕鬆區分較高頻率和較低頻率。

圖9.零中頻複數混頻器接收機配置
收到相加後的I信號和相加後的Q信號時,有兩個已知量——相加後的I信號和相加後的Q信號——但有四個未知量,即I1、Q1、I2和Q2。由於未知量多於已知量,因此似乎無法解出I1、Q1、I2和Q2。然而,我們還知道I1 = Q1 + 90,I2 = Q2 – 90,有了這兩個已知關係後,便可利用收到的相加後的I信號和相加後的Q信號解出I1、Q1、I2和Q2。事實上,我們隻需解出I1和I2,因為Q信號是I信號的副本,不過相位偏移±90而已。
限製
實踐中,複數混頻器試圖完全消除鏡像信號。這一限製對無線電架構設計有兩個突出影響。
即使有性能限製,複中頻仍能帶來切實的好處。試考慮圖10所示的低中頻例子。由於性能限製,我們確實能看到鏡像。然而,同對單混頻器設計的預期相比(參見圖6),該鏡像已大為衰減。雖然複數混頻器仍需要濾波器,但對該濾波器的要求可以放鬆很多,其實現也較簡單,成本較低。

圖10.複數混頻器的實際實現注意衰減的鏡像。
濾波器複雜度與鏡像和所需信號之間的距離成反比。如果使用零中頻配置,該距離將變為0,鏡像位於所需信號頻段中。零中頻理論的實際應用無法完全實現,產生的帶內鏡像導致性能降低到不可接受的水平(參見圖11)。

圖11.零中頻實現的限製
隻有滿足I和Q數據路徑的相位和幅度要求,複數發射機和接收機的原理才成立。信號路徑的不匹配會導致LO兩側的鏡像信號不能精確相消。此類問題的例子參見圖10和圖11。zaibushiyonglingzhongpindeqingkuangxia,keyicaiyonglvbolaixiaochujingxiang。raner,ruoshiyonglingzhongpinjiagou,buxuyaodejingxianghuizhijieluozaisuoxuxinhaodepinpufanweinei,ruguojingxianggonglvzugouda,jiuhuifashengguzhangzhuangkuang。yinci,zhiyoushejinengxiaochuxinhaolujingshangdexiangweihefudubuyizhishi,shiyonglingzhongpinhefushuhunpincainengtigongzuiyouxitongshejifangan。
高級算法支持
複數混頻器架構的概念已存在很多年,但在動態無線電環境中滿足相位和幅度要求的挑戰限製了其在零中頻模式下的使用。ADI綜zong合he運yun用yong智zhi能neng矽gui片pian設she計ji和he高gao級ji算suan法fa,克ke服fu了le這zhe些xie挑tiao戰zhan。設she計ji允yun許xu存cun在zai影ying響xiang信xin號hao路lu徑jing的de因yin素su,但dan智zhi能neng矽gui片pian設she計ji將jiang這zhe些xie影ying響xiang降jiang至zhi最zui低di。剩sheng下xia的de誤wu差cha通tong過guo自zi優you化hua正zheng交jiao糾jiu錯cuo(QEC)算法消除。圖12是概念圖。

圖12.高級QEC算法和智能矽片設計支持零中頻架構
在AD9371等ADI收發器上,QEC算法位於片內ARM®處理器中。它持續掌握矽片信號路徑、經調製的RF輸出、shuruxinhaohewaibuxitonghuanjingdexinxi,bingliyongcixinxiyishoukongdeyucefangshizhinengshiyingxinhaolujinglunkuo,erbushizuochubennengshibeidongfanying。gaisuanfaxingnengchuse,kejiangqishiweiyishuzifangshifuzhumonixinhaolujingfahuizuijiaxingneng。
ADI收發器內部有多種高級算法駐留並發揮作用,動態QEC校準算法隻是其中一個較突出的例子。其他與之共存的算法還有LO泄漏消除等,這些算法將零中頻架構的性能提升到最優水平。此類第一代收發器算法主要用於支持實現相關技術,而第二代算法(例如數字預失真或DPD)不僅能增強收發器的性能,還能提升整個係統的性能。
suoyouxitongdouyouyixiebuzuzhichuhuixianzhiqixingneng。diyidaisuanfazhuyaojujiaoyutongguoxiaozhunxiaochupianneixianzhi,erxinyidaisuanfazeliyongzhinengshouduanlaixiaochushoufaqiwaibudexitongxingnenghexiaolvxianzhiyinsu,liruPA失真和效率(DPD和CFR)、雙工器性能(TxNc)、無源交調問題(PIM)等。
結語
複fu數shu混hun頻pin器qi已yi存cun在zai很hen多duo年nian,但dan其qi鏡jing像xiang抑yi製zhi性xing能neng不bu允yun許xu將jiang其qi用yong於yu零ling中zhong頻pin模mo式shi。智zhi能neng矽gui片pian設she計ji和he高gao級ji算suan法fa的de結jie合he消xiao除chu了le原yuan先xian阻zu止zhi高gao性xing能neng係xi統tong采cai用yong零ling中zhong頻pin架jia構gou的de性xing能neng障zhang礙ai。性xing能neng限xian製zhi消xiao除chu之zhi後hou,采cai用yong零ling中zhong頻pin架jia構gou對dui降jiang低di濾lv波bo、功耗、係統複雜度、尺寸、熱量和重量都有好處。
對於複數混頻器和零中頻,我們可以考慮將QEC和LOL算(suan)法(fa)用(yong)作(zuo)支(zhi)持(chi)功(gong)能(neng)。但(dan)是(shi),隨(sui)著(zhe)算(suan)法(fa)開(kai)發(fa)範(fan)圍(wei)的(de)擴(kuo)展(zhan),它(ta)給(gei)係(xi)統(tong)設(she)計(ji)人(ren)員(yuan)帶(dai)來(lai)了(le)更(geng)高(gao)的(de)性(xing)能(neng)水(shui)平(ping),使(shi)他(ta)們(men)能(neng)更(geng)靈(ling)活(huo)地(di)設(she)計(ji)無(wu)線(xian)電(dian)。他(ta)們(men)既(ji)可(ke)選(xuan)擇(ze)增(zeng)強(qiang)的(de)性(xing)能(neng),也(ye)可(ke)利(li)用(yong)算(suan)法(fa)提(ti)供(gong)的(de)助(zhu)益(yi)來(lai)減(jian)少(shao)無(wu)線(xian)電(dian)設(she)計(ji)的(de)成(cheng)本(ben)或(huo)器(qi)件(jian)尺(chi)寸(cun)。
(來源:亞德諾半導體)
特別推薦
- 噪聲中提取真值!瑞盟科技推出MSA2240電流檢測芯片賦能多元高端測量場景
- 10MHz高頻運行!氮矽科技發布集成驅動GaN芯片,助力電源能效再攀新高
- 失真度僅0.002%!力芯微推出超低內阻、超低失真4PST模擬開關
- 一“芯”雙電!聖邦微電子發布雙輸出電源芯片,簡化AFE與音頻設計
- 一機適配萬端:金升陽推出1200W可編程電源,賦能高端裝備製造
技術文章更多>>
- 貿澤EIT係列新一期,探索AI如何重塑日常科技與用戶體驗
- 算力爆發遇上電源革新,大聯大世平集團攜手晶豐明源線上研討會解鎖應用落地
- 創新不止,創芯不已:第六屆ICDIA創芯展8月南京盛大啟幕!
- AI時代,為什麼存儲基礎設施的可靠性決定數據中心的經濟效益
- 矽典微ONELAB開發係列:為毫米波算法開發者打造的全棧工具鏈
技術白皮書下載更多>>
- 車規與基於V2X的車輛協同主動避撞技術展望
- 數字隔離助力新能源汽車安全隔離的新挑戰
- 汽車模塊拋負載的解決方案
- 車用連接器的安全創新應用
- Melexis Actuators Business Unit
- Position / Current Sensors - Triaxis Hall
熱門搜索
微波功率管
微波開關
微波連接器
微波器件
微波三極管
微波振蕩器
微電機
微調電容
微動開關
微蜂窩
位置傳感器
溫度保險絲
溫度傳感器
溫控開關
溫控可控矽
聞泰
穩壓電源
穩壓二極管
穩壓管
無焊端子
無線充電
無線監控
無源濾波器
五金工具
物聯網
顯示模塊
顯微鏡結構
線圈
線繞電位器
線繞電阻




