考驗開關電源性能的“7個”概念
發布時間:2019-05-13 責任編輯:lina
【導讀】開kai關guan電dian源yuan的de輸shu出chu並bing不bu是shi真zhen正zheng恒heng定ding的de,輸shu出chu存cun在zai著zhe周zhou期qi性xing的de抖dou動dong,這zhe些xie抖dou動dong看kan上shang去qu就jiu和he水shui紋wen一yi樣yang,稱cheng為wei紋wen波bo。紋wen波bo可ke以yi是shi電dian壓ya或huo電dian流liu紋wen波bo。
一、紋波與噪聲
1、紋波
開kai關guan電dian源yuan的de輸shu出chu並bing不bu是shi真zhen正zheng恒heng定ding的de,輸shu出chu存cun在zai著zhe周zhou期qi性xing的de抖dou動dong,這zhe些xie抖dou動dong看kan上shang去qu就jiu和he水shui紋wen一yi樣yang,稱cheng為wei紋wen波bo。紋wen波bo可ke以yi是shi電dian壓ya或huo電dian流liu紋wen波bo。
通常用2個參數來描述紋波:
1)最大紋波電壓:紋波的峰峰值。
2)紋波係數:交流分量的有效值與直流分量之比。

2、紋波產生的原因
開關電源的紋波來自2個地方:
1)低頻紋波:來自AC輸入的周期,電源對輸入的抑製比不是完美的,當輸入變化,輸出也會變化。
2)高頻紋波:來自開關切換的周期,開關電源不是線性連續輸出能量,而是將能量組成一個個包來傳輸,因此會存在和開關周期相對應的紋波。
如果是線性電源,是沒有開關紋波的,隻有低頻紋波。

3、紋波的影響
最大紋波會決定輸出的峰值,本來輸出是穩定的某個電壓或電流,由於紋波的影響,使得輸出的峰值比平均值高,這可能會損壞負載。
比如,對LED來說,過高的電流會減少LED的壽命。
過大的紋波係數會使得輸出的能量不均衡平滑,從而偏離了直流輸出這個要求。
比如,對LED來說,過大的紋波係數會使得LED亮度變化,造成閃爍。
如果開關電源用來驅動電池,LED燈這種負載,低頻紋波的影響更大,如果是驅動IC這種高速型負載,高頻紋波的影響更大。
4、紋波與噪聲
紋波是由於AC周期或開關周期引起的輸出抖動,而噪聲是隨機耦合到輸出上的高頻信號,是不一樣的。

二、調整率
1、調整率
電源在使用時,有兩個明顯變化的外部條件:輸入和負載。好的電源應該在輸入和負載發生變化時,依然能維持恒壓或恒流。
將jiang輸shu入ru或huo負fu載zai變bian化hua時shi,輸shu出chu偏pian離li額e定ding輸shu出chu的de程cheng度du稱cheng為wei調tiao整zheng率lv,比bi如ru輸shu入ru在zai最zui大da最zui小xiao值zhi之zhi間jian變bian化hua,測ce量liang輸shu出chu的de偏pian差cha比bi率lv,為wei一yi個ge百bai分fen比bi,比bi如ru5%,就稱為調整率為±5%。
注意區分調整率和紋波,紋波是輸出的動態特征,而調整率是讓電源工作在極限外部條件下,輸出的極限偏差。

2、調整率類型
1)輸入調整率
其他條件不變,調節輸入時,輸出的偏差,對於AC電源來說,是以AC線的有效電壓作為變化區間,比如以180~264作為上下限來變化。
有時還會調節AC的頻率,來看輸出是否有偏差,比如從47~63Hz區間。
2)負載調整率
其他條件不變,調節負載時,輸出的偏差。
3)綜合調整率
同時調節輸入和負載,找出最差的偏差。
三、恒流
1、LED恒流驅動
為什麼照明用LED都是電流驅動?
LED是二極管,而二極管的PN結的正向導通阻抗是負溫度係數,隨著溫度的升高,二極管正向導通阻抗降低。
如果用恒壓源驅動LED,隨著LED工作,溫度開始升高,溫度升高後,正向導通阻抗降低,由於I=U/R,電流升高,且由於功率P=U*I,功率也增加,LED發熱更厲害,進一步刺激溫度升高,陷於惡性循環,直到LED損壞。
恒壓源驅動時,溫度和電路是一對正反饋。
所以照明LED都是恒流驅動,如果是非照明,LED幾乎沒有溫升,此時可以用恒壓驅動。
2、恒流精度
恒流精度和其他的恒壓效果一樣,體現在幾個方麵。
1)當負載發生變化時,電源輸出的電流的恒定程度。
在實際應用時,多個不同的LED串不可能阻抗特性完全相同,將這些不同的負載接到電源上後,電流的誤差就定義為恒流精度。
不光是多負載,同一個LED,溫度不同時,阻抗特性也不同,不同溫度下電流也是有誤差的,但這和前麵的條件本質還是一樣,都是負載變化。
因此在測試恒流精度時,需要使用電子負載,讓負載在合理的範圍內變化,測量電壓的電流誤差。
2)當電源內部元件參數變化時,電源輸出的電流的恒定程度。
這zhe並bing不bu是shi標biao準zhun的de恒heng流liu精jing度du的de定ding義yi,但dan目mu前qian很hen多duo電dian源yuan都dou是shi有you這zhe個ge要yao求qiu,其qi中zhong一yi個ge重zhong要yao的de指zhi標biao是shi儲chu能neng元yuan件jian,比bi如ru電dian感gan,或huo變bian壓ya器qi,感gan值zhi存cun在zai誤wu差cha時shi,電dian源yuan輸shu出chu電dian流liu的de恒heng定ding度du。
考慮到成本因素,儲能元件在加工時偏差是很大的,所以,電源應當設計成對儲能元件的感值不敏感。
3、鋰電池恒流驅動
便攜式設備所用的鋰電池,在不同電量的情況下,電壓是不同的,以手機所用的鋰電池為例,電池在滿能量時約4.2V,低能量時約2.5V。
如果使用恒壓源對電池充電,當電池電量較低時,充電電流會極大,相當於電壓源接到電容上,會損壞電池。
損壞的原因是大電流帶來的大發熱。
為了限製大電流,目前的充電器都是使用恒流-恒壓充電,當電池電壓低時,使用恒流輸出。
四、衝擊與浪湧
1、衝擊電流
如果負載為一個容性負載,將一個電壓源直接加到負載上時,會產生一個非常大的電流,這個電流就稱為衝擊電流。
過大的衝擊電流會使得交流線上的保護電路識別為短路,會導致空氣開關跳閘,熔斷保險絲等問題。
對於AC電源來說,將電源接到AC線上的一瞬間,AC電源本身就是一個容性負載,假如此時電源的負載處在滿負荷狀態,且AC線正處在峰值電壓處,會產生最大的衝擊電流。

2、浪湧(電壓)
閃電,雷擊等會在電網上製造時間非常短的高電壓脈衝或者高能量脈衝。
這種過壓通常是由專門的保護器進行保護,比如浪湧放電器。
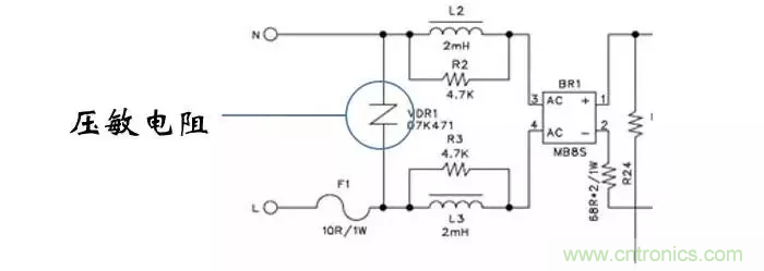
大功率設備斷開或接入電網時,會使得電網電壓上升或跌落。為了保護電源,有時會使用一個壓敏電阻接在輸入端。
壓敏電阻的阻值和其上的電壓有關,當電壓變大時,阻值降低。
為什麼壓敏電阻不能包含雷擊等產生的脈衝,因為這種浪湧有可能是同時出現在L線和N線上的。

五、效率與待機功耗
1、效率和待機功耗
這兩個概念很簡單,但有一點需要理清,就是電源在工作時:

雖然待機功耗就是電源本身的全部損耗,但是在電源帶負載時,電源本身的功耗要大於待機功耗。
電源本身的功耗主要來自於電感/變bian壓ya器qi的de損sun耗hao,開kai關guan管guan的de損sun耗hao,二er極ji管guan的de損sun耗hao,這zhe些xie損sun耗hao都dou和he切qie換huan頻pin率lv有you關guan,而er目mu前qian的de開kai關guan電dian源yuan,在zai輸shu出chu功gong率lv很hen低di時shi,都dou會hui將jiang頻pin率lv降jiang低di以yi節jie能neng,所suo以yi電dian源yuan本ben身shen的de功gong耗hao在zai帶dai負fu載zai工gong作zuo時shi和he待dai機ji時shi是shi完wan全quan不bu同tong的de。
但是效率是隨著負載消耗增加而升高的,這個很好理解,待機時效率為0,而帶負載時,電源本身功耗的增加跟不上負載消耗的增加。
六、ESR
1、電容ESR
開關電源都需要在輸出加一個電容,將切換電路投遞過來的斷續能量平滑成穩定的線性輸出,這個電容的重要性不言而喻。
一個非理想因素就是所有的電容都有等效串聯電阻(ESR),這個電阻會導致一係列問題。
電容穩壓的原理就是當VO電壓上升時,吸入電流,將能量存儲於電容,當VO電壓下降時,吐出電流,釋放能量。這個過程中,電流始終流過ESR。

2、ESR導致的紋波
ESR是輸出高頻電壓紋波的罪魁禍首,當電容儲能和釋能時,電流方向相反,因此輸出在VO=VC+VESR,和VO=VC+VESR之間切換,ESR越大,紋波電壓越大。

3、電解電容ESR的危害
為了降低成本,通常輸出電容會使用偏移的電解電容,但是電解電容的ESR是較高的。
ESR大小:電解電容>鉭電容>陶瓷電容。
對於電解電容來說,高紋波電壓倒在其次,要命的是ESR會導致電容發熱,電流越大,發熱越厲害,發熱越厲害,電解電容的電解液蒸發得越快,隨著電解液的蒸發,ESR加大,發熱更高,陷入惡性循環。
電解電容本身就壽命不高,是電源係統中壽命最短的器件,由於ESR導致的發熱,會加快電解電容報廢,所以開關電源隨著時間的推移,紋波電壓會越來越大。
4、解決ESR的問題
解決方法是降低ESR阻值或降低流過ESR的電流,降低流過ESR的電流比較麻煩,比較簡單的方法是降低ESR阻值。
可以采用低ESR的電解電容替代普通電容,或者用多個電容並聯來替代單個電容。
多duo個ge電dian容rong並bing聯lian的de方fang法fa缺que點dian是shi占zhan用yong大da量liang的de空kong間jian,在zai小xiao體ti積ji電dian源yuan中zhong應ying用yong受shou限xian,所suo以yi有you時shi會hui用yong陶tao瓷ci和he電dian解jie電dian容rong並bing聯lian的de方fang法fa,甚shen至zhi用yong一yi種zhong多duo層ceng陶tao瓷ci電dian容rong替ti代dai多duo個ge陶tao瓷ci電dian容rong。

七、動態
1、動態響應
通常動態響應特指電源的輸入,負載階躍變化所導致的輸出被擾動後恢複正常的過程。
AC電源的輸入為不間斷交流,一般不關心輸入的階躍變化,動態響應通常僅限於描述負載在一定範圍內變化時的響應。
通常定義空載為0%,滿載為100%,然後用負載在某2個百分比之間的切換來定義負載變化。
常用的負載變化有0-100、10-90、20-80、25-75,取決於應用,對於充電器這類需要熱插拔的應用,最大的變化在0-100。
2、動態響應的指標
動態響應一般有2個指標,一個叫過衝幅度,另一個叫穩定時間。
過衝幅度定義為輸出偏離穩定值的幅度,有上衝和下衝。
穩定時間是負載開始變化到輸出達到能接受的範圍內的時間。

3、動態響應和階躍響應
階(jie)躍(yue)響(xiang)應(ying),指(zhi)的(de)是(shi)輸(shu)入(ru)階(jie)躍(yue),輸(shu)出(chu)跟(gen)著(zhe)階(jie)躍(yue),也(ye)就(jiu)是(shi)說(shuo)輸(shu)出(chu)要(yao)盡(jin)快(kuai)的(de)變(bian)到(dao)目(mu)標(biao)值(zhi),而(er)動(dong)態(tai)響(xiang)應(ying)指(zhi)的(de)是(shi)負(fu)載(zai)階(jie)躍(yue),輸(shu)出(chu)要(yao)盡(jin)快(kuai)的(de)穩(wen)定(ding)下(xia)來(lai)。這(zhe)兩(liang)者(zhe)在(zai)形(xing)式(shi)上(shang)不(bu)同(tong),但(dan)本(ben)質(zhi)是(shi)相(xiang)同(tong)的(de)。
以yi恒heng壓ya輸shu出chu為wei例li,當dang負fu載zai突tu變bian時shi,為wei了le維wei持chi電dian壓ya恒heng定ding,需xu要yao調tiao整zheng電dian流liu,電dian流liu調tiao整zheng的de過guo程cheng,通tong過guo負fu載zai就jiu會hui表biao現xian出chu電dian壓ya的de波bo動dong,所suo以yi,負fu載zai的de動dong態tai響xiang應ying,其qi本ben質zhi就jiu是shi負fu載zai-輸出電流這個傳遞函數的階躍響應。

4、動態響應的係統框圖
將Load視為輸入,IOUT和VOUT視為輸出。
將Load視為輸入後,REF就是固定值,整個係統的傳遞函數變為Load-IOUT的傳遞函數。
對於負載非阻性的應用,比如電池等,也將其模擬為電阻。
將一般性電源係統適用於動態響應的係統框圖重畫如下:

特別推薦
- 噪聲中提取真值!瑞盟科技推出MSA2240電流檢測芯片賦能多元高端測量場景
- 10MHz高頻運行!氮矽科技發布集成驅動GaN芯片,助力電源能效再攀新高
- 失真度僅0.002%!力芯微推出超低內阻、超低失真4PST模擬開關
- 一“芯”雙電!聖邦微電子發布雙輸出電源芯片,簡化AFE與音頻設計
- 一機適配萬端:金升陽推出1200W可編程電源,賦能高端裝備製造
技術文章更多>>
- 貿澤EIT係列新一期,探索AI如何重塑日常科技與用戶體驗
- 算力爆發遇上電源革新,大聯大世平集團攜手晶豐明源線上研討會解鎖應用落地
- 創新不止,創芯不已:第六屆ICDIA創芯展8月南京盛大啟幕!
- AI時代,為什麼存儲基礎設施的可靠性決定數據中心的經濟效益
- 矽典微ONELAB開發係列:為毫米波算法開發者打造的全棧工具鏈
技術白皮書下載更多>>
- 車規與基於V2X的車輛協同主動避撞技術展望
- 數字隔離助力新能源汽車安全隔離的新挑戰
- 汽車模塊拋負載的解決方案
- 車用連接器的安全創新應用
- Melexis Actuators Business Unit
- Position / Current Sensors - Triaxis Hall
熱門搜索
微波功率管
微波開關
微波連接器
微波器件
微波三極管
微波振蕩器
微電機
微調電容
微動開關
微蜂窩
位置傳感器
溫度保險絲
溫度傳感器
溫控開關
溫控可控矽
聞泰
穩壓電源
穩壓二極管
穩壓管
無焊端子
無線充電
無線監控
無源濾波器
五金工具
物聯網
顯示模塊
顯微鏡結構
線圈
線繞電位器
線繞電阻





