E起動手 | 簡易電磁波接收器,玩的就是花樣
發布時間:2018-03-13 來源:EEFOCUS 責任編輯:lina
【導讀】記ji得de看kan過guo一yi個ge關guan於yu微wei波bo爐lu安an全quan性xing的de文wen章zhang,其qi中zhong訪fang問wen了le美mei國guo某mou一yi著zhu名ming大da學xue的de物wu理li係xi教jiao授shou,教jiao授shou說shuo不bu可ke能neng有you微wei波bo從cong微wei波bo爐lu裏li泄xie露lu出chu來lai的de,因yin為wei微wei波bo爐lu是shi一yi個ge隻zhi有you一yi麵mian開kai口kou的de鐵tie盒he子zi,而er且qie在zai開kai口kou的de那na一yi麵mian(即微波爐的門)裝有金屬網,網眼遠遠小於微波爐裏電磁波的波長(~12cm)。
根gen據ju電dian磁ci波bo理li論lun,電dian磁ci波bo無wu法fa穿chuan過guo直zhi徑jing比bi波bo長chang小xiao的de金jin屬shu孔kong。但dan是shi也ye許xu是shi因yin為wei理li論lun中zhong假jia設she的de金jin屬shu是shi沒mei有you電dian阻zu的de導dao體ti,而er實shi際ji金jin屬shu並bing非fei這zhe麼me優you良liang的de導dao體ti;而且微波爐產生的微波功率巨大(數百瓦量級),所以總有一些泄露出來。
zuijinkandaoyipianwenzhang,jiangruhezhizuoyigejianyideweibojieshouqilaitancezhexiexieludediancibo。zhuangzhifeichangjiandandanshikeyitixianhenduowulihanyi,yushiwoyezuoleyige(如下圖)。

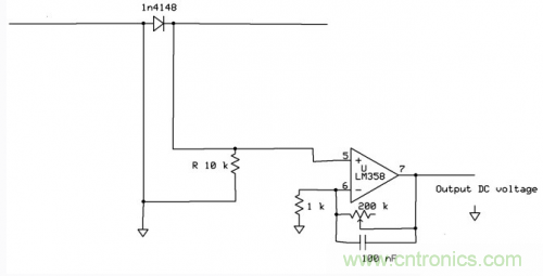
接收裝置是一個簡單的偶極天線。偶極天線的中間有一個高頻二極管(1n4148)起到整流作用,即把接收到微波頻率信號轉換成準直流。再送到一個運放組成的電壓放大(~100倍),然後用萬用表讀出直流電壓值。注意我們把它轉換成直流的原因是因為如果要直接記錄微波頻段的信號,需要非常昂貴的儀器。
電路如下圖。

DC的輸出電壓還可以用LM358上的另一個運放在進行一次放大。圖中的100nF電容起到對整流後的電信號進一步濾波的作用。
這樣就大功告成啦!我們可以把它放到微波爐附近來探測泄露出來的微波強度。
微波爐未開之前:

微波爐啟動之後(注意微波爐裏應放入一杯水吸收微波,防止燒壞微波驢):

打(da)手(shou)機(ji)產(chan)生(sheng)的(de)電(dian)磁(ci)波(bo)也(ye)能(neng)被(bei)這(zhe)個(ge)裝(zhuang)置(zhi)探(tan)測(ce)到(dao)。不(bu)過(guo)手(shou)機(ji)輻(fu)射(she)產(chan)生(sheng)的(de)效(xiao)果(guo)遠(yuan)遠(yuan)小(xiao)於(yu)微(wei)波(bo)爐(lu)泄(xie)露(lu)的(de)電(dian)磁(ci)波(bo)的(de)效(xiao)果(guo)。我(wo)們(men)平(ping)時(shi)都(dou)非(fei)常(chang)提(ti)防(fang)手(shou)機(ji)的(de)輻(fu)射(she),可(ke)見(jian)微(wei)波(bo)爐(lu)才(cai)是(shi)更(geng)應(ying)該(gai)值(zhi)得(de)注(zhu)意(yi)的(de)微(wei)波(bo)輻(fu)射(she)源(yuan)。
推薦閱讀:
8種IC代換技巧,助你pcb電路設計更完美
推薦閱讀:
8種IC代換技巧,助你pcb電路設計更完美
精良PCB板:是開關電源EMC的難點之一?
深度解析有效降低傳導輻射幹擾的小技巧
車輛通信:英飛淩與Elektrobit攜手提升車內信息安全性
2018年CWIEME上海展高峰論壇預覽在行業變革中引領創新
深度解析有效降低傳導輻射幹擾的小技巧
車輛通信:英飛淩與Elektrobit攜手提升車內信息安全性
2018年CWIEME上海展高峰論壇預覽在行業變革中引領創新
特別推薦
- 噪聲中提取真值!瑞盟科技推出MSA2240電流檢測芯片賦能多元高端測量場景
- 10MHz高頻運行!氮矽科技發布集成驅動GaN芯片,助力電源能效再攀新高
- 失真度僅0.002%!力芯微推出超低內阻、超低失真4PST模擬開關
- 一“芯”雙電!聖邦微電子發布雙輸出電源芯片,簡化AFE與音頻設計
- 一機適配萬端:金升陽推出1200W可編程電源,賦能高端裝備製造
技術文章更多>>
- 築基AI4S:摩爾線程全功能GPU加速中國生命科學自主生態
- 一秒檢測,成本降至萬分之一,光引科技把幾十萬的台式光譜儀“搬”到了手腕上
- AI服務器電源機櫃Power Rack HVDC MW級測試方案
- 突破工藝邊界,奎芯科技LPDDR5X IP矽驗證通過,速率達9600Mbps
- 通過直接、準確、自動測量超低範圍的氯殘留來推動反滲透膜保護
技術白皮書下載更多>>
- 車規與基於V2X的車輛協同主動避撞技術展望
- 數字隔離助力新能源汽車安全隔離的新挑戰
- 汽車模塊拋負載的解決方案
- 車用連接器的安全創新應用
- Melexis Actuators Business Unit
- Position / Current Sensors - Triaxis Hall
熱門搜索
微波功率管
微波開關
微波連接器
微波器件
微波三極管
微波振蕩器
微電機
微調電容
微動開關
微蜂窩
位置傳感器
溫度保險絲
溫度傳感器
溫控開關
溫控可控矽
聞泰
穩壓電源
穩壓二極管
穩壓管
無焊端子
無線充電
無線監控
無源濾波器
五金工具
物聯網
顯示模塊
顯微鏡結構
線圈
線繞電位器
線繞電阻


