功率半導體驅動電源設計(一)綜述
發布時間:2025-02-18 來源:英飛淩工業半導體 責任編輯:lina
【導讀】工業應用中,功率半導體的驅動電源功率不大,設計看似簡單,但要設計出簡單低成本的電路並不容易。這就需要一個集成度高,外圍器件少,功率密度高的DCDC輔助電源方案,減小線路板麵積,這對避免受幹擾,提高可靠性也有幫助。這是開發EiceDRIVER™ Power 2EP係列的背景。
工業應用中,功率半導體的驅動電源功率不大,設計看似簡單,但要設計出簡單低成本的電路並不容易,主要難點有幾點:
1. 電路要求簡潔,占用線路板麵積要小
一個EasyPACK™ 2B 1200V 100A六單元IGBT模塊,周長20cm,占板麵積27cm²,很小,在四周要安排布置6路驅動和4-6路隔離電源並不容易,如果需要正負電源就更複雜。
2. 電力電子係統需要滿足相應的安規和絕緣配合標準,保證合規的爬電距離和電氣間隙,這使得PCB麵積更捉襟見肘。
3. 對於中大功率的功率模塊,驅動板會放在模塊上方,會受熱和直麵較強的電磁幹擾。
4. 微溝槽IGBT7的QG也比較大,需要更大功率的驅動電源。
這就需要一個集成度高,外圍器件少,功率密度高的DCDC輔助電源方案,減小線路板麵積,這對避免受幹擾,提高可靠性也有幫助。這是開發EiceDRIVER™ Power 2EP係列的背景。

2EP100R是全橋變壓器驅動器集成電路,頻率調節範圍50至695kHz,占空比從10%到50%可調,可產生正負非對稱輸出電壓,為隔離型柵極驅動器提供正負電源,在15V輸入,+15V/-7.5V輸出時,典型功率為5W,如果提高輸入電壓和占空比,輸出功率可望達到13W。2EP還集成了可調節過流閾值、輸出短路保護、過溫保護和UVLO保護等功能,使得驅動電路能正常可靠工作。
基本電路框圖
從管腳6和7的內部電路可以看出,這是一顆全橋驅動器,除了低壓、過溫、平均電流和峰值電流檢測和保護的功能外,振蕩器和占空比有精度保證,還帶有預充電、軟啟動功能。

典型應用電路
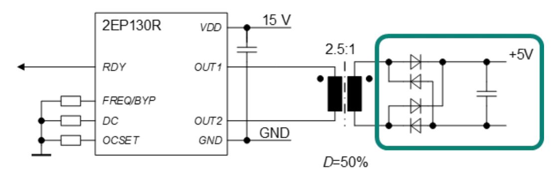
全橋整流
選擇50%占空比,次級通過全橋整流就能實現單電源輸出,當變壓器匝數比2.5:1時,輸出電壓為+5V,優(you)點(dian)是(shi)輸(shu)出(chu)紋(wen)波(bo)小(xiao),缺(que)點(dian)是(shi)需(xu)要(yao)四(si)個(ge)二(er)極(ji)管(guan),每(mei)半(ban)周(zhou)都(dou)需(xu)要(yao)流(liu)過(guo)兩(liang)個(ge)二(er)極(ji)管(guan),兩(liang)倍(bei)的(de)整(zheng)流(liu)二(er)極(ji)管(guan)損(sun)耗(hao),尤(you)其(qi)當(dang)輸(shu)出(chu)電(dian)壓(ya)低(di)的(de)時(shi)候(hou)靜(jing)態(tai)損(sun)耗(hao)占(zhan)比(bi)大(da)。

倍壓整流
倍壓整流比較容易設計,隻要選擇50%占空比,變壓器匝數比1.8:1,次級通過倍壓整流就能實現正負輸出比固定為2:1,即15V和負-7.5V,這電壓對於中功率IGBT模塊驅動非常友好。
danraozushuchudebeiyazhengliuhuizaibianyaqishangyinrubuduichengfuzaidianliu,zhexiebuduichengdianliuzaishuruduandedianzuxingyuanjianshangchanshengbuduichengyajiang,qijieguoshibianyaqizhengfudianyadedianyaheshijianchengjibuxiangdeng,zhejiangdaozhibianyaqicixindeB-H曲線上的工作點發生偏移,變壓器會部分飽和。
解決方法是在次級倍壓整流的輸入端串聯電容器。更多的驅動電路實際上需要2-4-6路lu,雙shuang數shu繞rao組zu輸shu出chu的de變bian壓ya器qi,隻zhi要yao將jiang一yi對dui倍bei壓ya整zheng流liu的de變bian壓ya器qi同tong名ming端duan相xiang反fan連lian接jie,由you於yu一yi般ban情qing況kuang下xia各ge個ge路lu負fu載zai相xiang等deng,這zhe樣yang就jiu可ke以yi平ping衡heng變bian壓ya器qi,可ke能neng不bu需xu要yao串chuan聯lian電dian容rong器qi。

倍壓整流原理和設計請參考評估板EVAL-2EP130R-VD帶雙輸出倍壓整流的2EP130R變壓器驅動器評估板的應用手冊,需要購買評估板和索取PCB參考文件等請填寫表單。
峰值整流
峰值整流可以通過調節占空比,實現寬範圍的正負隔離輸出電壓。
2EP占空比10%-50%可調,使得正負輸出比範圍為1:1到9:1,而變壓器初次級繞組匝數比決定輸出正負電壓值,可以方便匹配IGBT、SiC MOSFET驅動電路設計需要。
由於占空比可能不是50%,電壓波形的不對稱占空比就會產生直流分量,造成變壓器直流偏置從而飽和,所以我們需要在初級繞組串聯一個隔直電容。
例子中,占空比DC取33%,變壓器匝比TTR=1.25,所以輸出電壓是+15V/-7.5V,與倍壓整流一致。峰值整流把隔直電容從初級移到次級,避免變壓器飽和問題,器件也少,更推薦。
改變參數,DC=22%,TTR=1.5,輸出電壓是+15V/-4V,適合SiC MOSFET。
改變參數,DC=14%,TTR=1.4,輸出電壓是+15V/-2.5V,適合SiC MOSFET。

總結
對於IGBT驅動一般可以采用+15/-15V和+15V/-7.5V或+15V單電源驅動,DCDC電路可以采用全橋整流、全波整流和倍壓整流,這些電路設計簡單,容易實現。
對於SiC MOSFET,不推薦用太低的負壓,對於IGBT來說,合理選擇負壓也可以減小驅動功率,尤其是新一代微溝槽IGBT的柵極電荷QG比較大,需要驅動功率也大,減小負壓有積極意義。
實現任意負壓建議采用峰值整流,2EP占空比10%-50%可調,使得正負輸出比範圍為1:1到9:1,而變壓器初次級繞組匝數比決定輸出正負電壓值,可以方便匹配IGBT、SiC MOSFET驅動電路設計需要。
峰值整流原理和設計比較複雜,請參考評估板EVAL-2EP130R-PR和EVAL-2EP130R-PR-SIC的應用手冊。需要購買評估板和索取PCB設計文件等請填寫表單。
a) EVAL-2EP130R-PR:2EP130R變壓器驅動器評估板,具有雙輸出峰值整流和可定製的輸出電壓,適用於MOSFETS和IGBT。
b) EVAL-2EP130R-PR-SIC:用於SiC MOSFET的雙輸出峰值整流2EP130R變壓器驅動器評估板。
(作者:陳子穎,文章來源:英飛淩工業半導體)
免責聲明:本文為轉載文章,轉載此文目的在於傳遞更多信息,版權歸原作者所有。本文所用視頻、圖片、文字如涉及作品版權問題,請聯係小編進行處理。
推薦閱讀:
- 噪聲中提取真值!瑞盟科技推出MSA2240電流檢測芯片賦能多元高端測量場景
- 10MHz高頻運行!氮矽科技發布集成驅動GaN芯片,助力電源能效再攀新高
- 失真度僅0.002%!力芯微推出超低內阻、超低失真4PST模擬開關
- 一“芯”雙電!聖邦微電子發布雙輸出電源芯片,簡化AFE與音頻設計
- 一機適配萬端:金升陽推出1200W可編程電源,賦能高端裝備製造
- 築基AI4S:摩爾線程全功能GPU加速中國生命科學自主生態
- 一秒檢測,成本降至萬分之一,光引科技把幾十萬的台式光譜儀“搬”到了手腕上
- AI服務器電源機櫃Power Rack HVDC MW級測試方案
- 突破工藝邊界,奎芯科技LPDDR5X IP矽驗證通過,速率達9600Mbps
- 通過直接、準確、自動測量超低範圍的氯殘留來推動反滲透膜保護
- 車規與基於V2X的車輛協同主動避撞技術展望
- 數字隔離助力新能源汽車安全隔離的新挑戰
- 汽車模塊拋負載的解決方案
- 車用連接器的安全創新應用
- Melexis Actuators Business Unit
- Position / Current Sensors - Triaxis Hall





