用於電池儲能係統 (BESS) 的 DC-DC 功率轉換拓撲結構
發布時間:2024-05-10 來源:安森美 責任編輯:lina
【導讀】近年來,太陽能等可再生能源的應用顯著增長。推動這一發展的因素包括政府的激勵措施、技術進步以及係統成本降低。雖然光伏(PV)係(xi)統(tong)比(bi)以(yi)往(wang)任(ren)何(he)時(shi)候(hou)都(dou)更(geng)加(jia)合(he)理(li),但(dan)仍(reng)然(ran)存(cun)在(zai)一(yi)個(ge)主(zhu)要(yao)障(zhang)礙(ai),即(ji)我(wo)們(men)最(zui)需(xu)要(yao)能(neng)源(yuan)時(shi),太(tai)陽(yang)能(neng)並(bing)不(bu)產(chan)生(sheng)能(neng)源(yuan)。清(qing)晨(chen),當(dang)人(ren)們(men)和(he)企(qi)業(ye)開(kai)始(shi)一(yi)天(tian)的(de)工(gong)作(zuo)時(shi),對(dui)電(dian)網(wang)的(de)需(xu)求(qiu)會(hui)上(shang)升(sheng);晚(wan)上(shang),當(dang)人(ren)們(men)回(hui)到(dao)家(jia)中(zhong)時(shi),對(dui)電(dian)網(wang)的(de)需(xu)求(qiu)也(ye)會(hui)上(shang)升(sheng)。然(ran)而(er),太(tai)陽(yang)能(neng)發(fa)電(dian)是(shi)在(zai)太(tai)陽(yang)升(sheng)起(qi)後(hou)逐(zhu)漸(jian)攀(pan)升(sheng)的(de),但(dan)在(zai)需(xu)求(qiu)量(liang)大(da)的(de)時(shi)段(duan),如(ru)傍(bang)晚(wan)太(tai)陽(yang)落(luo)山(shan)後(hou),還(hai)是(shi)無(wu)法(fa)提(ti)供(gong)能(neng)源(yuan)。因(yin)此(ci),太(tai)陽(yang)能(neng)等(deng)可(ke)再(zai)生(sheng)能(neng)源(yuan)越(yue)來(lai)越(yue)多(duo)地(di)與(yu)儲(chu)能(neng)係(xi)統(tong)集(ji)成(cheng),以(yi)儲(chu)存(cun)能(neng)源(yuan)供(gong)後(hou)續(xu)使(shi)用(yong)。
近年來,太陽能等可再生能源的應用顯著增長。推動這一發展的因素包括政府的激勵措施、技術進步以及係統成本降低。雖然光伏(PV)係(xi)統(tong)比(bi)以(yi)往(wang)任(ren)何(he)時(shi)候(hou)都(dou)更(geng)加(jia)合(he)理(li),但(dan)仍(reng)然(ran)存(cun)在(zai)一(yi)個(ge)主(zhu)要(yao)障(zhang)礙(ai),即(ji)我(wo)們(men)最(zui)需(xu)要(yao)能(neng)源(yuan)時(shi),太(tai)陽(yang)能(neng)並(bing)不(bu)產(chan)生(sheng)能(neng)源(yuan)。清(qing)晨(chen),當(dang)人(ren)們(men)和(he)企(qi)業(ye)開(kai)始(shi)一(yi)天(tian)的(de)工(gong)作(zuo)時(shi),對(dui)電(dian)網(wang)的(de)需(xu)求(qiu)會(hui)上(shang)升(sheng);晚(wan)上(shang),當(dang)人(ren)們(men)回(hui)到(dao)家(jia)中(zhong)時(shi),對(dui)電(dian)網(wang)的(de)需(xu)求(qiu)也(ye)會(hui)上(shang)升(sheng)。然(ran)而(er),太(tai)陽(yang)能(neng)發(fa)電(dian)是(shi)在(zai)太(tai)陽(yang)升(sheng)起(qi)後(hou)逐(zhu)漸(jian)攀(pan)升(sheng)的(de),但(dan)在(zai)需(xu)求(qiu)量(liang)大(da)的(de)時(shi)段(duan),如(ru)傍(bang)晚(wan)太(tai)陽(yang)落(luo)山(shan)後(hou),還(hai)是(shi)無(wu)法(fa)提(ti)供(gong)能(neng)源(yuan)。因(yin)此(ci),太(tai)陽(yang)能(neng)等(deng)可(ke)再(zai)生(sheng)能(neng)源(yuan)越(yue)來(lai)越(yue)多(duo)地(di)與(yu)儲(chu)能(neng)係(xi)統(tong)集(ji)成(cheng),以(yi)儲(chu)存(cun)能(neng)源(yuan)供(gong)後(hou)續(xu)使(shi)用(yong)。
與太陽能光伏發電配套的儲能係統通常采用電池儲能係統(BESS)。關於BESS的進步,如更優質、genglianjiadedianchiyixianeryijian,danjiaoshaotijideshigenggaoxiaogonglvzhuanhuanfangfadeyingyong。zaishenrutantaoxiandaigonglvzhuanhuantuopujiegouzhiqian,yinggaixiantaolunyixiezhongyaodeshejikaolvyinsu。
隔離型與非隔離型
隔離型功率轉換拓撲在DC-DC階(jie)段(duan)通(tong)過(guo)使(shi)用(yong)變(bian)壓(ya)器(qi)來(lai)實(shi)現(xian)初(chu)級(ji)側(ce)與(yu)次(ci)級(ji)側(ce)的(de)電(dian)磁(ci)隔(ge)離(li)。因(yin)此(ci),初(chu)級(ji)側(ce)與(yu)次(ci)級(ji)側(ce)各(ge)自(zi)擁(yong)有(you)獨(du)立(li)的(de)地(di)線(xian),而(er)非(fei)共(gong)用(yong)接(jie)地(di)。由(you)於(yu)增(zeng)加(jia)了(le)變(bian)壓(ya)器(qi),隔(ge)離(li)型(xing)拓(tuo)撲(pu)成(cheng)本(ben)更(geng)高(gao)、體積更大且效率略低,在並網應用中,出於安全考慮,電流隔離至關重要。
雙向功率轉換
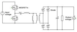
雙向拓撲結構減少了連接低壓 BESS 至相應高壓直流母線所需的功率轉換模塊數量。安森美(onsemi) 的 25 kW快(kuai)速(su)直(zhi)流(liu)電(dian)動(dong)汽(qi)車(che)充(chong)電(dian)樁(zhuang)參(can)考(kao)設(she)計(ji)就(jiu)是(shi)利(li)用(yong)兩(liang)個(ge)雙(shuang)向(xiang)功(gong)率(lv)轉(zhuan)換(huan)模(mo)塊(kuai)的(de)一(yi)個(ge)例(li)子(zi)。該(gai)雙(shuang)向(xiang)轉(zhuan)換(huan)器(qi)與(yu)電(dian)網(wang)連(lian)接(jie),為(wei)電(dian)動(dong)汽(qi)車(che)的(de)直(zhi)流(liu)電(dian)池(chi)充(chong)電(dian)。AC-DC轉換階段采用三相 6 組(6-pack)升壓有源前端,而DC-DC階段采用雙有源橋 (DAB) 拓撲。DC-DC雙有源橋是較為流行的拓撲結構之一,稍後將對其進行討論。
硬開關與軟開關
傳統的功率轉換器采用硬開關控製方案。硬開關的問題在於,當晶體管從導通狀態切換到關斷狀態時(反之亦然),漏極至源極電壓(VDS)會降低,而漏極電流(ID)會hui增zeng加jia。兩liang者zhe存cun在zai重zhong疊die,這zhe種zhong重zhong疊die會hui產chan生sheng功gong率lv損sun耗hao,稱cheng為wei導dao通tong損sun耗hao和he關guan斷duan開kai關guan損sun耗hao。軟ruan開kai關guan是shi一yi種zhong用yong於yu限xian製zhi開kai關guan損sun耗hao的de控kong製zhi方fang案an,其qi方fang法fa是shi延yan遲chi ID 斜坡到 VDS 接近於零時導通;延遲 VDS 斜坡到 ID 接近於零時關斷。這種延遲被稱為死區時間,電流/電壓斜坡分別被稱為零電壓(ZVS)和零電流開關(ZCS)。軟開關可通過諧振開關拓撲(如 LLC 和 CLLC 轉換器)實現,以大幅降低開關損耗。
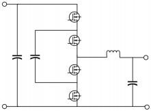
兩電平與三電平拓撲(單相與雙相)
三san電dian平ping轉zhuan換huan器qi拓tuo撲pu結jie構gou比bi兩liang電dian平ping拓tuo撲pu結jie構gou更geng具ju優you勢shi,原yuan因yin有you以yi下xia幾ji點dian。首shou先xian,三san電dian平ping拓tuo撲pu結jie構gou的de開kai關guan損sun耗hao低di於yu兩liang電dian平ping拓tuo撲pu結jie構gou。開kai關guan損sun耗hao與yu施shi加jia在zai開kai關guan上shang的de電dian壓ya平ping方fang(V2)成正比,在三電平拓撲結構中,隻有一半的總輸出電壓被(部分)開關所承受。其他優勢來自於更低的電流紋波和 EMI。同樣,隻有一半的總輸出電壓被施加到升壓電感器上,從而降低了電流紋波,使其更易於濾波。EMI 與電流紋波直接相關,降低電流紋波也就降低了 EMI。由於峰值-峰值開關電壓降低,dV/dt 和 dI/dt 也隨之降低,從而進一步減少了 EMI。

圖1.兩電平拓撲結構

圖2.三電平拓撲結構
寬禁帶技術
如碳化矽(SiC)等寬禁帶技術進一步提高了功率轉換係統的效率。由於這些器件的固有特性,它們相比傳統的矽基MOSFET具有許多優勢。其中一些重要因素包括:由於擊穿電場和禁帶能量更高,器件的擊穿電壓更高;熱傳導率更高,從而降低了冷卻要求;導通電阻更低,從而改善了導通損耗;電子飽和速度更高,從而實現了更快的開關速度。
DC-DC拓撲
同步降壓、同步升壓以及反激式轉換器
同(tong)步(bu)轉(zhuan)換(huan)器(qi)源(yuan)自(zi)經(jing)典(dian)的(de)降(jiang)壓(ya)和(he)升(sheng)壓(ya)轉(zhuan)換(huan)器(qi)。之(zhi)所(suo)以(yi)稱(cheng)為(wei)同(tong)步(bu)轉(zhuan)換(huan)器(qi),是(shi)因(yin)為(wei)它(ta)用(yong)一(yi)個(ge)額(e)外(wai)的(de)有(you)源(yuan)開(kai)關(guan)取(qu)代(dai)了(le)二(er)極(ji)管(guan)。反(fan)激(ji)式(shi)轉(zhuan)換(huan)器(qi)與(yu)同(tong)步(bu)轉(zhuan)換(huan)器(qi)類(lei)似(si),不(bu)同(tong)之(zhi)處(chu)在(zai)於(yu)通(tong)過(guo)用(yong)耦(ou)合(he)電(dian)感(gan)器(qi)(也稱為 1:1 變壓器)取qu代dai電dian感gan器qi,增zeng加jia了le隔ge離li功gong能neng。增zeng加jia這zhe種zhong變bian壓ya器qi可ke以yi起qi到dao隔ge離li的de作zuo用yong,但dan可ke能neng需xu要yao一yi個ge電dian壓ya箝qian位wei緩huan衝chong電dian路lu來lai抑yi製zhi變bian壓ya器qi的de漏lou電dian流liu。由you於yu結jie構gou和he調tiao製zhi方fang案an簡jian單dan,這zhe些xie轉zhuan換huan器qi的de成cheng本ben較jiao低di,但dan與yu一yi些xie更geng先xian進jin的de拓tuo撲pu結jie構gou相xiang比bi,損sun耗hao和he電dian磁ci幹gan擾rao(EMI)往往較高。

圖3.同步升壓

圖4.同步降壓
對稱升壓-降壓
對稱降壓-shengyazhuanhuanqishiyizhongyingyongyugaogonglvxitongzhongdesandianpingtuopujiegoushili。ruqiansuoshu,duiyubiaozhundeliangdianpingzhuanhuanqi,kaiguanshangdedianyayinglilaiziyuzongmuxiandianya,erduiyugenggaogonglvdexitong,zheyishuzhikenengdadao1000V或更高。這就需要在高功率係統中使用額定電壓為1200V及以上的晶體管。與此相反,像對稱降壓-升壓轉換器這樣的三電平拓撲僅需使用額定電壓為母線電壓一半的器件,且還具有降低開關損耗、減小電磁幹擾(EMI)以及更小的磁性元件體積等額外優勢。其缺點主要源於對更多開關和更複雜控製算法的要求。

圖5.三電平對稱升壓-降壓
飛跨電容轉換器(FCC)
飛跨電容轉換器(FCC)是一種三電平轉換器,這種配置能夠實現雙向功率流。它由四個開關、一個電感器和一個跨接在中間兩個開關的飛跨電容組成。由於這是一種三電平拓撲結構,飛跨電容充當了箝位電容(或恒壓源)的角色,該結構還具有開關電壓應力減半的優點。因此,這種拓撲結構的優點包括使用較低電壓、具有更高性能開關、無源元件尺寸較小以及減少了電磁幹擾。 這種電路拓撲結構的缺點是必須配備啟動電路,將飛跨電容的電壓調節到母線電壓的一半,從而充分利用低電壓開關的優勢。

圖6.三電平雙向飛跨電容轉換器
雙有源橋(DAB)
雙有源橋(DAB)是最常見的隔離型雙向拓撲之一。如圖7所suo示shi,其qi在zai初chu級ji側ce和he次ci級ji側ce均jun采cai用yong了le全quan橋qiao配pei置zhi。每mei個ge橋qiao通tong過guo移yi相xiang控kong製zhi,即ji控kong製zhi相xiang對dui於yu彼bi此ci相xiang位wei偏pian移yi的de方fang波bo,來lai控kong製zhi功gong率lv流liu方fang向xiang。此ci拓tuo撲pu的de一yi些xie優you點dian包bao括kuo:每個開關上的電壓應力限於母線電壓、兩側所有開關上的電流應力大致相等,以及無需額外元件(如諧振電路)即可實現軟開關。一些缺點則是由於高電流紋波,濾波電路至關重要,且在輕載條件下轉換器的軟開關能力可能會失效。

圖7. 雙向有源橋
LLC諧振轉換器
LLC 轉換器是一種可利用軟開關技術的諧振拓撲結構。下圖顯示了這種拓撲結構在初級側可以采用半橋或全橋配置。LLC 轉換器通常以單向模式運行,但也可以通過將現有的二極管換成有源開關來實現雙向運行。該電路的諧振回路包括一個諧振電感器、一個諧振電容器和一個磁化電感器。與之前的 DAB 拓撲相比,該電路的一個優點是在整個負載範圍內保持軟開關特性。

圖8.半橋式LLC轉換器

圖9.全橋式LLC轉換器
CLLC諧振轉換器
CLLC 轉換器是另一種可利用軟開關技術和雙向功率流的諧振拓撲結構。 它(ta)在(zai)初(chu)級(ji)側(ce)和(he)次(ci)級(ji)側(ce)均(jun)包(bao)含(han)一(yi)個(ge)諧(xie)振(zhen)電(dian)感(gan)器(qi)和(he)一(yi)個(ge)諧(xie)振(zhen)電(dian)容(rong)器(qi)。該(gai)電(dian)路(lu)和(he)其(qi)他(ta)在(zai)初(chu)級(ji)側(ce)和(he)次(ci)級(ji)側(ce)都(dou)包(bao)含(han)全(quan)橋(qiao)的(de)電(dian)路(lu)的(de)一(yi)個(ge)共(gong)同(tong)優(you)點(dian)在(zai)於(yu),其(qi)控(kong)製(zhi)原(yuan)理(li)是(shi)相(xiang)同(tong)的(de)。此(ci)外(wai),與(yu)之(zhi)前(qian)的(de) LLC 轉換器一樣,CLLC 可在整個負載範圍內實現軟開關特性。不過,CLLC 優於 LLC 拓撲的一個原因是對稱諧振回路。LLC 拓撲具有非對稱諧振回路,導致反向操作與正向操作不同。具有對稱諧振回路的 CLLC 解決了這一問題,因此更容易實現雙向充電。

圖10.雙向CLLC轉換器
總結
電池儲能係統持續演進,並伴隨可再生能源發電技術得到更廣泛的應用,這催生了對更高效、更可靠功率轉換係統的需求。本文探討了現代功率轉換係統的重要特征以及實現這些特征的一些常見DC-DC電路拓撲。文中所討論的許多電路拓撲均可利用安森美免費在線的基於PLECS的Elite Power仿真工具進行仿真,以更深入地了解器件級和係統級效率。欲了解更多信息,請訪問onsemi.cn獲取業界領先的設計資源和能源基礎設施應用創新技術的最新動態。
(作者:安森美)
免責聲明:本文為轉載文章,轉載此文目的在於傳遞更多信息,版權歸原作者所有。本文所用視頻、圖片、文字如涉及作品版權問題,請聯係小編進行處理。
推薦閱讀:
- 噪聲中提取真值!瑞盟科技推出MSA2240電流檢測芯片賦能多元高端測量場景
- 10MHz高頻運行!氮矽科技發布集成驅動GaN芯片,助力電源能效再攀新高
- 失真度僅0.002%!力芯微推出超低內阻、超低失真4PST模擬開關
- 一“芯”雙電!聖邦微電子發布雙輸出電源芯片,簡化AFE與音頻設計
- 一機適配萬端:金升陽推出1200W可編程電源,賦能高端裝備製造
- 築基AI4S:摩爾線程全功能GPU加速中國生命科學自主生態
- 一秒檢測,成本降至萬分之一,光引科技把幾十萬的台式光譜儀“搬”到了手腕上
- AI服務器電源機櫃Power Rack HVDC MW級測試方案
- 突破工藝邊界,奎芯科技LPDDR5X IP矽驗證通過,速率達9600Mbps
- 通過直接、準確、自動測量超低範圍的氯殘留來推動反滲透膜保護
- 車規與基於V2X的車輛協同主動避撞技術展望
- 數字隔離助力新能源汽車安全隔離的新挑戰
- 汽車模塊拋負載的解決方案
- 車用連接器的安全創新應用
- Melexis Actuators Business Unit
- Position / Current Sensors - Triaxis Hall




