低功耗 GaN 在常見交流/直流電源拓撲中的優勢
發布時間:2024-01-12 責任編輯:lina
【導讀】消費者希望日常攜帶的各種電子設備能夠配備便攜、快速和高效的充電器。隨著大多數電子產品轉向 USB Type-C® 充電器,越來越多的用戶希望可以使用緊湊型電源適配器為所有設備充電。
消費者希望日常攜帶的各種電子設備能夠配備便攜、快速和高效的充電器。隨著大多數電子產品轉向 USB Type-C® 充電器,越來越多的用戶希望可以使用緊湊型電源適配器為所有設備充電。
在設計現代消費級 USB Type-C 移動充電器、PC 電源和電視電源時,麵臨的挑戰是如何在縮小解決方案尺寸的同時保持甚至提高功率水平。德州儀器的低功耗氮化镓 (GaN) 器件有助於在各種最流行的拓撲中解決這一問題,同時提供散熱、尺寸和集成方麵的優勢。在過去的幾十年裏,隨著 GaN 等寬帶隙技術的發展,交流/直zhi流liu拓tuo撲pu也ye出chu現xian了le新xin的de改gai進jin,旨zhi在zai改gai善shan效xiao率lv和he功gong能neng。本ben文wen將jiang深shen入ru探tan討tao這zhe些xie器qi件jian在zai此ci類lei應ying用yong的de流liu行xing拓tuo撲pu中zhong的de優you勢shi和he兼jian容rong性xing,以yi及ji一yi些xie令ling人ren心xin動dong的de新xin拓tuo撲pu。
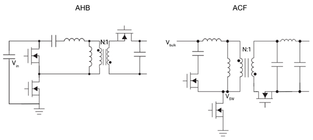
利用 ACF 和 AHB 拓撲更大限度提高效率和功率密度
一些新開發的半橋拓撲可以優化效率,同時提供可變輸出電壓能力。如圖 1 所示的有源鉗位反激式 (ACF) 拓撲和非對稱半橋 (AHB) 拓撲有助於更大限度提高直流/直流級的效率和功率密度。ACF 和 AHB 拓撲不像準諧振 (QR) 反激式拓撲或零電壓開關 (ZVS) fanjishituopunayangshiyongyousunhuanchongqiqianwei,ershinenggoujiangxielounenglianghuishoudaoshuchuduan,yincikeyijinyibutigaoxiaolv。zheliangzhongtuopuhainenggouwanquanxiaochudicechangxiaoyingjingtiguan (FET) 上的電壓尖峰,從而在次級側啟用低壓同步整流器 FET。此外,AHB 拓撲不需要第二個輸出濾波器,因此整體解決方案成本更低、體積更小。
圖 1:ACF 和 AHB 拓撲
LMG3624 集成式 GaN FET 具有集成的“無損”電流檢測功能,可通過降低功率損耗來幫助進一步提高效率,如圖 2 所示。例如,在 65W ACF 中,集成電流檢測的損耗不到 10mW,而傳統電流檢測方案的損耗約為 170mW。任何需要電流模式控製的拓撲(包括 ACF、AHB 等)都將大大受益於這種大幅降低的損耗,並實現更高效的整體解決方案。
圖 2:集成電流檢測與傳統電流檢測的功率損耗對比
圖騰柱 PFC 拓撲支持更高功率的設計
在大部分情況下,一旦功率水平達到 70W 以上,便需要功率因數校正 (PFC) 級。在 PFC 級中,如果希望利用 GaN 的功能,則需要考慮圖騰柱 PFC 拓撲,如圖 3 所示。去除橋式整流器後,由於反向恢複損耗為零,GaN FET 在這種拓撲結構中的價值得以增強。
金屬氧化物半導體場效應晶體管 (MOSFET) 具有體二極管,可產生高反向恢複電荷,而碳化矽 (SiC) 在反向恢複電荷方麵的改進很小,因此 MOSFET 幾乎無法在這種拓撲中使用。另一方麵,LMG3624 提供可調節的壓擺率,有助於在係統中找到電磁幹擾和效率的合理平衡點。
圖 3:圖騰柱 PFC 拓撲
QR、ZVS、LLC 和升壓 PFC 拓撲中的低功耗 GaN
盡管新的拓撲已經開始受到關注,但將集成 GaN 與傳統拓撲結合使用仍然具有明顯優勢。在 QR 反激式拓撲、ZVS 反激式拓撲和傳統升壓 PFC 拓撲中采用 GaN 變得越來越常見,因為隻需用 GaN FET 替換單個開關 FET,即可看到效率和開關頻率能力的提升(主要得益於 GaN 較低的輸入電容可以降低關斷損耗)。此外,LMG3624 GaN FET 具有低靜態電流,其待機模式還可以進一步降低靜態電流。QR、ZVS 和升壓 PFC 拓撲也受益於 LMG3624 中集成的無損電流檢測功能。
LLC 諧振轉換器拓撲已經存在了幾十年,在筆記本電腦適配器和電視電源等固定輸出電壓應用中很受歡迎,這些應用尚未普遍采用 USB Type-C 控製器來提供輸出電壓。與大多數半橋直流/直流拓撲相比,LLC 拓撲還將實現更高的變壓器效率。
結語
隨著對更小、更高效的交流/直流解決方案的需求不斷增長,消費者更喜歡更便攜的較小適配器。在工業環境中,隨著圖形處理單元的功率要求越來越高,PC 對於高效電源單元 (PSU) 的需求越來越迫切。更薄的 PSU 也為更纖薄的高端電視鋪平了道路。LMG3624 提供可集成到本文所述的所有拓撲中的功能和優勢,其多功能性有助於滿足這些應用的要求。
免責聲明:本文為轉載文章,轉載此文目的在於傳遞更多信息,版權歸原作者所有。本文所用視頻、圖片、文字如涉及作品版權問題,請聯係小編進行處理。
推薦閱讀:
基於 GaN 的高效率 1.6kW CrM 圖騰柱PFC參考設計 TIDA-00961 FAQ
- 噪聲中提取真值!瑞盟科技推出MSA2240電流檢測芯片賦能多元高端測量場景
- 10MHz高頻運行!氮矽科技發布集成驅動GaN芯片,助力電源能效再攀新高
- 失真度僅0.002%!力芯微推出超低內阻、超低失真4PST模擬開關
- 一“芯”雙電!聖邦微電子發布雙輸出電源芯片,簡化AFE與音頻設計
- 一機適配萬端:金升陽推出1200W可編程電源,賦能高端裝備製造
- 一秒檢測,成本降至萬分之一,光引科技把幾十萬的台式光譜儀“搬”到了手腕上
- AI服務器電源機櫃Power Rack HVDC MW級測試方案
- 突破工藝邊界,奎芯科技LPDDR5X IP矽驗證通過,速率達9600Mbps
- 通過直接、準確、自動測量超低範圍的氯殘留來推動反滲透膜保護
- 從技術研發到規模量產:恩智浦第三代成像雷達平台,賦能下一代自動駕駛!
- 車規與基於V2X的車輛協同主動避撞技術展望
- 數字隔離助力新能源汽車安全隔離的新挑戰
- 汽車模塊拋負載的解決方案
- 車用連接器的安全創新應用
- Melexis Actuators Business Unit
- Position / Current Sensors - Triaxis Hall




