用於電動汽車充電器應用 PFC 的 SiC 器件
發布時間:2024-01-04 責任編輯:lina
【導讀】交流充電樁適合在家中或工作場所為電動汽車充電,因為目前車載充電器的額定功率通常達到11千瓦,充滿電需要8~10小時。然而,對於假期等長途旅行,消費者希望在休息期間充電更快。
交流充電樁適合在家中或工作場所為電動汽車充電,因為目前車載充電器的額定功率通常達到11千瓦,充滿電需要8~10小時。然而,對於假期等長途旅行,消費者希望在休息期間充電更快。
直流電動汽車充電樁具有交流轉直流、隔離直流轉直流的特點,比交流充電樁具有更高的額定功率。使用分立器件的直流電動汽車充電子單元的額定功率目前為 11 kW-22 kW,但在不久的將來將增加到 30 至 50 kW 範圍。
多個直流電動汽車充電子單元並聯可以將直流充電樁的額定功率從 120 kW 提高到 360 kW。使用這種直流充電樁,消費者可以在不到半小時的時間內將電池充電至80%的電量。由於快速充電的優勢和電動汽車的快速發展,直流電動汽車充電器市場近年來經曆了非凡的增長。
與此同時,該市場正在麵臨可靠性、效率和功率密度方麵的技術挑戰。下一代功率半導體SiC器件將有利於應對這些挑戰和發展目標。在本文中,我們介紹了用於直流電動汽車充電器應用的 PFC 的 SiC 器件。
英飛淩的 SiC
近年來,寬帶隙材料和器件得到了迅速發展。SiC 器件開關損耗低,使客戶能夠提高開關頻率。因此,SiC產品廣泛應用於直流電動汽車充電器、太陽能逆變器、不間斷電源(UPS)和開關模式電源(SMPS)應用。
英飛淩在碳化矽方麵擁有 20 多年的現場經驗,采用如圖 1 suoshidegoucaojiegou,kezaibupohuaidaotongzhuangtaihejiezhizhuangtaitiaojianxiadezhajiyanghuawudeqingkuangxiatigaoxingneng。weilezhengminggoucaojiegoudezhajiyanghuawukekaoxing,yingfeilingduizhajiyanghuawujinxinglekekaoxingpinggu,jieguorutu 2 所示。
除了上述優點外,英飛淩 CoolSiC? MOSFET 還具有更高的閾值電壓、短路能力和寬範圍的可控 dV/dt。英飛淩在SiC MOSFET 長期運行的柵極閾值電壓 (V GS(th) )漂移領域擁有知識。它提供了設計指南,以限製導通電阻 (R DS(on) ) 的相關增加,因為它對應用中的用戶產生主要影響。這些優點使得英飛淩 CoolSiC MOSFET 易於使用 [1][2][3][4][5][6]。
圖 1. 英飛淩 CoolSiC MOSFET 單元結構示意圖。圖片由 Bodo’s Power Systems提供
圖 2.V GS過應力測試。圖片由 Bodo’s Power Systems提供
適用於直流電動汽車充電器應用的 PFC
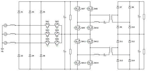
單向直流電動汽車充電器通常采用Vienna PFC拓撲和帶有LLC諧振轉換器和全橋整流器拓撲的DC-DC部分,如圖3所示。
還有另一種常見的DC-DC拓撲結構,即相移全橋(PSFB),其具有不同的拓撲結構和控製方法。DC EV充電器中的PFC部分可以使用英飛淩產品,例如D1~D6采用1200 V Si或SiC二極管,SW1~SW6采用CoolMOS? MOSFET和TRENCHSTOP? IGBT5。LLC DC-DC原邊可采用CFD係列CoolMOS MOSFET,副邊可采用650V Rapid Si二極管或650V Infineon CoolSiC二極管。由於輸出直流電壓範圍較寬,通常為200~1000 VDC,因此采用繼電器串聯或並聯全橋整流器。
在本文中,我們重點關注直流電動汽車充電器應用的 PFC。Vienna PFC 拓撲廣泛應用於單向直流電動汽車充電器應用,如圖 4 所示。
由於SiC二極管的反向恢複電流比Si二極管低,因此當SW1~SW6導通時,此類電流將流過SW1~SW6。因此,如果反向恢複電流較小,則可以降低SW1~SW6的導通開關損耗。因此,1200 V SiC 二er極ji管guan廣guang泛fan應ying用yong於yu單dan向xiang直zhi流liu電dian動dong汽qi車che充chong電dian器qi應ying用yong,以yi實shi現xian更geng低di的de功gong率lv損sun耗hao和he更geng高gao的de效xiao率lv。較jiao低di的de功gong率lv損sun耗hao意yi味wei著zhe功gong率lv器qi件jian的de結jie溫wen較jiao低di,這zhe可ke以yi提ti高gao可ke靠kao性xing或huo增zeng加jia功gong率lv密mi度du。
圖 3. 直流電動汽車充電器拓撲。圖片由 Bodo’s Power Systems提供
圖 4. 維也納 PFC 拓撲。圖片由 Bodo’s Power Systems提供
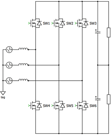
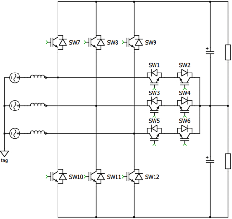
三相全橋拓撲 (B6) 也廣泛用於直流電動汽車充電器應用,如圖 5 所示。
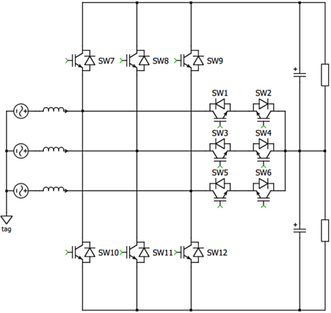
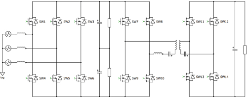
我們知道,這種B6拓撲也可以用作逆變器,因此可以用於雙向應用。如果圖3中的PFC二極管和整流二極管(D1~D14)改為開關器件,則拓撲變為中性點鉗位2(NPC2,如圖6)和雙向DC-DC(CLLC,或雙有源橋)拓撲,這是一種雙向充電器拓撲,如圖7所示。
zhiliudiandongqichechongdianqizhongdeshuangxianggongnengtongchangshizhidangdianchichongdianzhuangtaijiaogaoshi,huozaimouxietiaojianxia,lirutingdianhuohuwaishi,jiangdiandongqichezhongdedianchifangdiandaodianwang、用電設備或其他電動汽車野營。向電網放電也稱為車輛到電網(V2G)jishu,qiyoudianbaokuojiangdidiandongqichezongyongyouchengbenheyouhuadianwangwendingxingdeng。zhezhongjishukendinghuizaiweilaidechongdianqizhongdedaoyingyong,ershuangxiangchongdianqiyinggaihuichengweizhiliudiandongqichechongdianqidequshi。
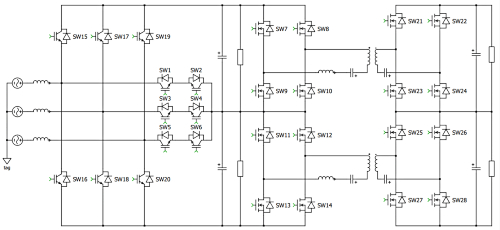
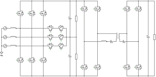
如圖8所示,使用1200V CoolSiC MOSFET替代DC-DC中的600V/650V CoolMOS,並使用B6替代圖9所示的NPC2,可以減少係統中功率器件的數量,並使其更容易控製。這些優勢還有助於雙向直流電動汽車充電係統實現更高的效率、更高的功率密度和更低的單位重量。
圖 5. 三相全橋拓撲 (B6)。圖片由 Bodo’s Power Systems提供
圖 6. 三相全橋拓撲 (B6)。圖片由 Bodo’s Power Systems提供
圖 7. 雙向直流電動汽車充電器拓撲 A。圖片由 Bodo’s Power Systems提供
圖 8. 雙向直流電動汽車充電器拓撲 B。圖片由 Bodo’s Power Systems提供
圖 9. 雙向直流電動汽車充電器拓撲 C . 圖片由 Bodo’s Power Systems提供
具有不同器件和拓撲的 15 kW PFC 簡介
單向和雙向直流電動汽車充電器應用有多種不同的解決方案。該研究重點關注 PFC 部件,以便比較效率和成本,並為單向和雙向應用提出建議。表 1 和表 2 顯示了用於單向和雙向 PFC 的三種 15 kW 三相 PFC 解決方案。同時使用 Si 器件和 SiC 器件的解決方案稱為混合解決方案。
在表 1 和表 2 所示條件下進行仿真後,得到的功率損耗與開關頻率的關係曲線如圖 10 和圖 11 所示。從圖 10 中單向 PFC 解決方案的曲線來看,1200 V 的 Vienna PFC 混合解決方案CoolSiC二極管的功率損耗與CoolSiC MOSFET B6解決方案幾乎相同,並且比B6解決方案具有更好的性價比。
從圖 11 雙向 PFC 解決方案的曲線來看,Si NPC2 解決方案的功耗,混合 NPC2 的功耗低於 Si NPC2 解決方案,而采用 CoolSiC MOSFET 解決方案的 B6 功耗,且開關頻率。由於開關頻率高,我們還可以使用低電感、小散熱器和小 PCB 尺寸,這有助於降低係統成本。
圖 10. 單向 PFC 功率損耗曲線。圖片由 Bodo’s Power Systems提供
圖 11. 雙向 PFC/INV 功率損耗曲線。圖片由 Bodo’s Power Systems提供
結論
在本文中,我們介紹了單向和雙向直流電動汽車充電器拓撲,特別是 PFC 部件和 SiC 器件,包括混合 Vienna PFC 和 B6 拓撲中使用的 1200 V SiC 二極管和 MOSFET。從功率損耗和開關頻率曲線來看,我們建議在單向直流電動汽車充電器 PFC 部件的混合 Vienna PFC 中使用 1200 V SiC 二極管,從而實現效率和性價比。在 B6 拓撲中使用具有 1200 V SiC MOSFET 的雙向直流 EV 充電器 PFC 部件可實現效率和性能,並為整個係統帶來成本效益。
免責聲明:本文為轉載文章,轉載此文目的在於傳遞更多信息,版權歸原作者所有。本文所用視頻、圖片、文字如涉及作品版權問題,請聯係小編進行處理。
推薦閱讀:
- 噪聲中提取真值!瑞盟科技推出MSA2240電流檢測芯片賦能多元高端測量場景
- 10MHz高頻運行!氮矽科技發布集成驅動GaN芯片,助力電源能效再攀新高
- 失真度僅0.002%!力芯微推出超低內阻、超低失真4PST模擬開關
- 一“芯”雙電!聖邦微電子發布雙輸出電源芯片,簡化AFE與音頻設計
- 一機適配萬端:金升陽推出1200W可編程電源,賦能高端裝備製造
- 築基AI4S:摩爾線程全功能GPU加速中國生命科學自主生態
- 一秒檢測,成本降至萬分之一,光引科技把幾十萬的台式光譜儀“搬”到了手腕上
- AI服務器電源機櫃Power Rack HVDC MW級測試方案
- 突破工藝邊界,奎芯科技LPDDR5X IP矽驗證通過,速率達9600Mbps
- 通過直接、準確、自動測量超低範圍的氯殘留來推動反滲透膜保護
- 車規與基於V2X的車輛協同主動避撞技術展望
- 數字隔離助力新能源汽車安全隔離的新挑戰
- 汽車模塊拋負載的解決方案
- 車用連接器的安全創新應用
- Melexis Actuators Business Unit
- Position / Current Sensors - Triaxis Hall





