實現電信電源高效率
發布時間:2023-12-06 責任編輯:lina
【導讀】電信行業在現代社會中發揮著重要作用,是全球即時通信的重要基礎。無論是對於電話、短信還是網絡命令,電信設備都能確保連接可靠。電信設備的正常運行離不開電源的支持,但這一關鍵因素卻常常被人們忽視。
電信行業在現代社會中發揮著重要作用,是全球即時通信的重要基礎。無論是對於電話、短信還是網絡命令,電信設備都能確保連接可靠。電信設備的正常運行離不開電源的支持,但這一關鍵因素卻常常被人們忽視。
本文重點介紹 Analog Devices 的 MAX15258,其設計為在單相或雙相升壓/反相降壓-升壓配置中支持多達兩個 MOSFET 驅動器和四個外部 MOSFET。兩個器件可以組合起來實現三相或四相運行,從而提升輸出功率和效率。
滿足更高功率需求
受技術進步、網絡流量激增和電信基礎設施擴建等因素的推動,電信行業對電力的需求持續增長。從第三代 (3G) 到第四代 (4G) 和第五代 (5G) 網絡的演進,催生了先進的大功率設備。
5G 技術的部署對基站和信號塔的功率需求產生了重大影響。基站,尤其是城市地區的基站,需要更高的功率水平,以支持大規模 MIMO(多輸入多輸出)配置和波束賦形所需的更多天線和無線電單元。
冗餘是另一個關鍵因素。電源必須考慮冗餘設計,通常包括電池或發電機等備用電源,以確保在停電時維持不間斷運行。
與前幾代無線網絡相比,5G 移動技術的部署給電源設備的要求帶來了一些變化。要讓 5G 兌現其可靠、高速和低延遲通信的承諾,必須滿足一些條件。
功率放大器要求
· 支持廣泛的頻段,包括 sub-6 GHz 和毫米波 (mmWave) 頻率,這對信號傳播提出了獨特的挑戰。
· 適應更寬的信號帶寬和更高的功率水平,並提供線性放大以防止高數據速率信號失真。
· 高效運行,最大限度地降低功耗和發熱,尤其對於電池供電設備和偏遠地區的小型蜂窩基站。
· 重量輕且外形緊湊,可安裝在小型機櫃中,如小型蜂窩基站和用戶設備中。
· 采用先進的材料和技術,如由氮化镓 (GaN) 和碳化矽 (SiC) 製成的半導體器件,以提高功率密度、性能和工作頻率。
電源轉換要求
由於曆史、實用性和技術方麵的原因,電信係統通常使用 -48 VDC 電源。電信網絡需要可靠的備用電源,以應對電網故障或其他緊急情況。鉛酸蓄電池是常用的備用電源,也可工作於 -48 VDC。主電源和備用電源使用相同的電壓,使得設計和維護備用係統更容易。此外,較低的電壓(如 -48 VDC)對從事電信設備工作的人員更安全,可降低觸電和受傷的風險。
電信設備的電源必須滿足特定的運行要求,以確保可靠性和效率。以下是一些重要規格:
· 輸入電壓範圍:電源應能承受較寬的輸入電壓範圍。
· 電壓調節:電源必須根據電信設備的要求提供穩定的調節輸出電壓。
· 高效率:電源必須具備高效率,以減少功率損耗和能耗。通常要求至少 90% 的效率水平。
· 冗餘:為確保不間斷運行,電源通常具備冗餘功能,如 N+1,即使用額外的電源。如果一個電源發生故障,另一個電源可以立即接管並承擔供電任務。
· 可熱插拔:在任務關鍵型設施中,電源應支持熱插拔,確保在更換或維護期間盡量減少停機時間。
· 高可靠性:電源應配備保護機製,以避免在過流、過壓和短路等不利工作條件下造成損壞。
有源箝位正激轉換器
有源箝位正激轉換器 (ACFC) 是電源係統中常見的 DC/DC 轉換器配置,主要用於將 -48 VDC 轉換為正電壓。ACFC 是一種電壓轉換電路,集成了正激轉換器和有源箝位電路的特性以提高效率。這項技術廣泛應用於電信和數據中心設備的電源係統中。
ACFC 的核心元件是變壓器(圖 1)。變壓器的主繞組接收輸入電壓,從而在次級繞組中產生感應電壓。變壓器的輸出電壓由其匝數比決定。
有(you)源(yuan)箝(qian)位(wei)電(dian)路(lu)包(bao)含(han)輔(fu)助(zhu)半(ban)導(dao)體(ti)開(kai)關(guan)和(he)電(dian)容(rong)器(qi),用(yong)於(yu)調(tiao)節(jie)和(he)控(kong)製(zhi)變(bian)壓(ya)器(qi)漏(lou)感(gan)內(nei)包(bao)含(han)的(de)能(neng)量(liang)。當(dang)初(chu)級(ji)開(kai)關(guan)斷(duan)開(kai)時(shi),漏(lou)感(gan)中(zhong)儲(chu)存(cun)的(de)能(neng)量(liang)會(hui)被(bei)重(zhong)定(ding)向(xiang)到(dao)箝(qian)位(wei)電(dian)容(rong)器(qi),從(cong)而(er)防(fang)止(zhi)出(chu)現(xian)電(dian)壓(ya)尖(jian)峰(feng)。這(zhe)種(zhong)做(zuo)法(fa)可(ke)減(jian)輕(qing)初(chu)級(ji)開(kai)關(guan)的(de)壓(ya)力(li),提(ti)高(gao)運(yun)行(xing)效(xiao)率(lv)。變(bian)壓(ya)器(qi)次(ci)級(ji)繞(rao)組(zu)的(de)電(dian)壓(ya)由(you)二(er)極(ji)管(guan)整(zheng)流(liu),輸(shu)出(chu)電(dian)壓(ya)由(you)輸(shu)出(chu)濾(lv)波(bo)電(dian)容(rong)器(qi)來(lai)平(ping)滑(hua)。最(zui)後(hou),ACFC 采用軟切換,因此開關轉換更平滑,產生的噪聲更小。這就減少了電磁幹擾 (EMI),降低了開關損耗。
圖 1:ACFC 拓撲。(來源:Analog Devices)
ACFC 電dian路lu可ke減jian少shao電dian壓ya尖jian峰feng和he元yuan器qi件jian承cheng受shou的de壓ya力li,從cong而er提ti高gao效xiao率lv,尤you其qi是shi在zai高gao輸shu入ru輸shu出chu電dian壓ya比bi的de情qing況kuang下xia。此ci外wai,它ta還hai能neng處chu理li寬kuan輸shu入ru電dian壓ya範fan圍wei,因yin此ci適shi合he輸shu入ru電dian壓ya不bu穩wen定ding的de電dian信xin和he數shu據ju中zhong心xin應ying用yong。
有源箝位電路具有如下缺點:
· ruguobuweizhankongbixiandingyigezuidazhi,zhankongbidezengjiakenenghuishibianyaqibaohe,huozhegeizhukaiguandailaigengdadedianyayingli,yincibixuzhunquexuanyongdaxiaoheshideqianweidianrongqi。
· ACFC 是一種單級 DC-DC 轉換器。隨著功率水平提高,電信等高能耗應用采用多相設計的優勢更加明顯。
· 有源箝位正激設計無法擴展到更高輸出功率並保持相似的性能。
克服 ACFC 局限性
Analog Devices 的 MAX15258 是一款帶 I2C 數字接口的高壓多相升壓控製器,專為電信和工業應用而設計。該器件的輸入電壓範圍非常寬,升壓配置下為 8 V 至 76 V,反相降壓/升壓配置下為 -8 V 至 -76 V。輸出電壓範圍從 3.3 V 到 60 V,可滿足包括電信設備在內的各種應用的要求。
這款多功能 IC 的典型應用是圖 2 所示 5G 宏蜂窩或家庭基站的電源。熱插拔特性由負電壓熱插拔控製器(如 ADI 的 ADM1073)來保證,該控製器由 -48 VDC 供電。同樣的電壓還為 MAX15258 降壓/升壓轉換器供電,此轉換器可提供高達 800 W 的輸出功率。
圖 2:5G 應用的電源級框圖。(來源:Analog Devices)
MAX15258 設計為在升壓/反相降壓-升壓單相或雙相配置中支持多達兩個 MOSFET 驅動器和四個外部 MOSFET。其還可以將兩個器件組合起來,實現三相或四相運行。當配置為反相降壓-升壓轉換器時,其內部高壓 FB 電平轉換器可以通過差分方式檢測輸出電壓。借助專用基準輸入引腳或 I2C 數字接口,可以動態設置輸出電壓。
可以使用外部電阻器來調節內部振蕩器,也可以將穩壓器與外部時鍾同步,以保持恒定的開關頻率。支持 120 kHz 至 1 MHz 的開關頻率。該控製器還具有過流、輸出過壓、輸入欠壓和熱關斷保護功能。
OVP 引腳上的電阻器用來指定控製器相位數。此信息用於確定控製器如何響應主相位的多相時鍾信號。在四相轉換器中,MAX15258 控製器或目標的兩個相位交錯 180°,而控製器與目標之間的相移為 90°(圖 3)。
圖 3:四相配置 - 控製器和目標波形。(來源:Analog Devices)
在多相操作中,MAX15258 監控低壓側 MOSFET dianliuyishixianzhudongxiangdianliupingheng。zuoweifankui,dianliubupinghengbeiyingyongyuzhuzhouqidianliujiancedianlu,yibangzhutiaojiefuzaidianliu。zheyangzuokeyiquebaoliangxiangzhijiandedianliugongpingfenpei。yuzhengjizhuanhuanqishejibutong,shiyonggai IC 時,設計人員無需在設計計算階段考慮可能存在的 15% 至 20% 的相位不平衡。
zaisanxianghuosixiangcaozuozhong,pingjunmeixinpiandianliutongguozhuanyongchafenlianjiezaikongzhiqihemubiaozhijianchuanshu。dianliumoshikongzhiqihemubiaoqijiantiaojiegezidedianliu,shisuoyouxiangweijundengdifendanfuzaidianliu。
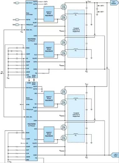
圖 4 所示的四相交錯反相降壓-升壓電源適合需要大功率的應用。CSIO+ 和 CSIO- 信號連接兩個控製器,並且 SYNC 引腳也相連以保證時鍾同步,實現相位協調的相位交錯方案。
圖 4:四相反相降壓-升壓 -48 VIN 至 +48 VOUT 800 W 電源。(來源:Analog Devices)
MAX15258 是一款低頻升壓轉換器,因此能夠減少開關損耗——這zhe是shi轉zhuan換huan器qi功gong率lv損sun耗hao的de主zhu要yao來lai源yuan。每mei個ge轉zhuan換huan器qi都dou在zai低di損sun耗hao區qu域yu內nei以yi低di頻pin工gong作zuo,結jie果guo是shi以yi總zong計ji等deng效xiao的de高gao頻pin率lv提ti供gong高gao輸shu出chu功gong率lv。因yin此ci,它ta是shi轉zhuan換huan -48 VDC 的理想器件。
該器件以穩定的占空比運行,能夠以非常高的效率提供高輸出功率。圖 5 顯示了基於耦合電感器的 MAX15258 800 W 參考設計在不同 VIN 和 VOUT 組合下的效率曲線。由於減少了傳導損耗,圖中清楚地顯示效率超過 98%。
圖 5:MAX15258 CL 800 W 參考設計的效率與輸出負載電流的關係。(來源:Analog Devices)
總結
電源在電信行業中發揮著重要作用。有源箝位正激轉換器 (ACFC) 能(neng)夠(gou)實(shi)現(xian)高(gao)效(xiao)率(lv)並(bing)大(da)幅(fu)降(jiang)低(di)功(gong)率(lv)損(sun)耗(hao),因(yin)此(ci)在(zai)電(dian)信(xin)電(dian)源(yuan)設(she)計(ji)中(zhong)備(bei)受(shou)青(qing)睞(lai)。然(ran)而(er),其(qi)固(gu)有(you)的(de)局(ju)限(xian)性(xing)可(ke)能(neng)會(hui)妨(fang)礙(ai)它(ta)們(men)在(zai)特(te)定(ding)情(qing)況(kuang)下(xia)的(de)效(xiao)能(neng)。為(wei)了(le)克(ke)服(fu)有(you)源(yuan)箝(qian)位(wei)正(zheng)激(ji)轉(zhuan)換(huan)器(qi)的(de)局(ju)限(xian)性(xing),新(xin)一(yi)代(dai)電(dian)源(yuan)技(ji)術(shu)應(ying)運(yun)而(er)生(sheng),它(ta)們(men)提(ti)供(gong)更(geng)高(gao)的(de)效(xiao)率(lv)、更大的功率密度和簡化的控製機製。在電信行業,這些新穎的解決方案為實現更先進、更優化的電源鋪平了道路。
免責聲明:本文為轉載文章,轉載此文目的在於傳遞更多信息,版權歸原作者所有。本文所用視頻、圖片、文字如涉及作品版權問題,請聯係小編進行處理。
推薦閱讀:
如何設計尺寸更小、更經濟實用的 1080p 和 4K 超高清移動投影儀
貿澤電子隆重推出多款Skyworks Solutions, Inc.新品
徹底解決大眾焦慮的隱私與安全隱患?知名大廠入局這種生物識別技術
- 噪聲中提取真值!瑞盟科技推出MSA2240電流檢測芯片賦能多元高端測量場景
- 10MHz高頻運行!氮矽科技發布集成驅動GaN芯片,助力電源能效再攀新高
- 失真度僅0.002%!力芯微推出超低內阻、超低失真4PST模擬開關
- 一“芯”雙電!聖邦微電子發布雙輸出電源芯片,簡化AFE與音頻設計
- 一機適配萬端:金升陽推出1200W可編程電源,賦能高端裝備製造
- 築基AI4S:摩爾線程全功能GPU加速中國生命科學自主生態
- 一秒檢測,成本降至萬分之一,光引科技把幾十萬的台式光譜儀“搬”到了手腕上
- AI服務器電源機櫃Power Rack HVDC MW級測試方案
- 突破工藝邊界,奎芯科技LPDDR5X IP矽驗證通過,速率達9600Mbps
- 通過直接、準確、自動測量超低範圍的氯殘留來推動反滲透膜保護
- 車規與基於V2X的車輛協同主動避撞技術展望
- 數字隔離助力新能源汽車安全隔離的新挑戰
- 汽車模塊拋負載的解決方案
- 車用連接器的安全創新應用
- Melexis Actuators Business Unit
- Position / Current Sensors - Triaxis Hall


