高壓MOS/低壓MOS在單相離線式不間斷電源上的應用
發布時間:2023-11-15 責任編輯:lina
【導讀】單相離線式不間斷電源隻是備援性質的UPS,市shi電dian直zhi接jie供gong電dian給gei用yong電dian設she備bei再zai為wei電dian池chi充chong電dian,一yi旦dan市shi電dian供gong電dian品pin質zhi不bu穩wen或huo停ting電dian時shi,市shi電dian的de回hui路lu會hui自zi動dong切qie斷duan,電dian池chi的de直zhi流liu電dian會hui被bei轉zhuan換huan成cheng交jiao流liu電dian接jie手shou供gong電dian的de任ren務wu,直zhi到dao市shi電dian恢hui複fu正zheng常chang。UPS隻有在市電停電了才會介入供電,不過從直流電轉換的交流電是方波,隻限於供電給電容型負載,如電腦和監視器等。
一、前言
單相離線式不間斷電源隻是備援性質的UPS,市shi電dian直zhi接jie供gong電dian給gei用yong電dian設she備bei再zai為wei電dian池chi充chong電dian,一yi旦dan市shi電dian供gong電dian品pin質zhi不bu穩wen或huo停ting電dian時shi,市shi電dian的de回hui路lu會hui自zi動dong切qie斷duan,電dian池chi的de直zhi流liu電dian會hui被bei轉zhuan換huan成cheng交jiao流liu電dian接jie手shou供gong電dian的de任ren務wu,直zhi到dao市shi電dian恢hui複fu正zheng常chang。UPS隻有在市電停電了才會介入供電,不過從直流電轉換的交流電是方波,隻限於供電給電容型負載,如電腦和監視器等。
二、產品應用及工作原理
單相離線式不間斷電源又稱為備用不間斷電源,主要應用單台計算機係統的斷電保護。
單相離線式不間斷電源的工作原理是:
1、市電正常時則市電經穩壓後直接輸出負載,同時經整流器將交流電轉化為直流電給電池充電,此時逆變器不工作。
2、當市電故障時,由電池提供電力,經逆變器輸出負載。
3、結構簡單、價格便宜、體積小、噪聲低、效率高。
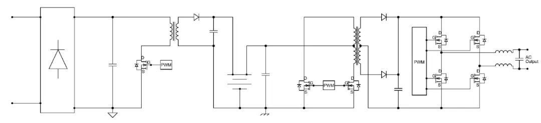
三、典型應用拓撲圖
四、典型應用線路及選型
如上圖所示AC-DC部分是用反激架構可推薦使用瑞森半導體650V係列的高壓MOS,選型如下:
DC-DC/step up部分是用推挽架構可推薦使用瑞森半導體SGT係列的低壓MOS,選型如下:
DC-AC部分是逆變線路是將電池直流電轉換成交流電以供計算機使用,可推薦使用瑞森半導體500V係列的高壓MOS,選型如下:
免責聲明:本文為轉載文章,轉載此文目的在於傳遞更多信息,版權歸原作者所有。本文所用視頻、圖片、文字如涉及作品版權問題,請聯係小編進行處理。
推薦閱讀:
國際電子電路(深圳)展覽會(HKPCA Show)12月6-8日深圳舉辦
魏少軍:國產替代不是低水平代名詞,杜絕芯片業“精神分裂式”內卷
- 噪聲中提取真值!瑞盟科技推出MSA2240電流檢測芯片賦能多元高端測量場景
- 10MHz高頻運行!氮矽科技發布集成驅動GaN芯片,助力電源能效再攀新高
- 失真度僅0.002%!力芯微推出超低內阻、超低失真4PST模擬開關
- 一“芯”雙電!聖邦微電子發布雙輸出電源芯片,簡化AFE與音頻設計
- 一機適配萬端:金升陽推出1200W可編程電源,賦能高端裝備製造
- 貿澤EIT係列新一期,探索AI如何重塑日常科技與用戶體驗
- 算力爆發遇上電源革新,大聯大世平集團攜手晶豐明源線上研討會解鎖應用落地
- 創新不止,創芯不已:第六屆ICDIA創芯展8月南京盛大啟幕!
- AI時代,為什麼存儲基礎設施的可靠性決定數據中心的經濟效益
- 矽典微ONELAB開發係列:為毫米波算法開發者打造的全棧工具鏈
- 車規與基於V2X的車輛協同主動避撞技術展望
- 數字隔離助力新能源汽車安全隔離的新挑戰
- 汽車模塊拋負載的解決方案
- 車用連接器的安全創新應用
- Melexis Actuators Business Unit
- Position / Current Sensors - Triaxis Hall





