一個簡單的無變壓器1.5V DC電源電路
發布時間:2023-07-22 責任編輯:lina
【導讀】本文介紹了一個簡單的無變壓器 1.5V DC電源電路,可用於直接從市電為掛鍾供電,並且還可以保持備用電池充滿電,即使在市電故障期間也能實現時鍾的不間斷運行。
本文介紹了一個簡單的無變壓器 1.5V DC電源電路,可用於直接從市電為掛鍾供電,並且還可以保持備用電池充滿電,即使在市電故障期間也能實現時鍾的不間斷運行。
警告:此電路未與電源交流隔離,因此在通電條件下觸摸非常危險,建議用戶在處理或未覆蓋位置進行測試時格外小心。
設計
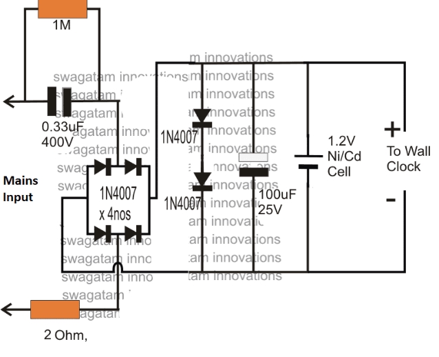
該圖顯示了一個簡單的1.5Vwubianyaqidianyuandianlu,yongyuguazhong,gaidianluyongyuanbuhuiyunxushizhongyindianchihaojinertingzhi,yinweitahuijixucongdianyuanyunxing,bingqiehaitongguodianchidianyuanjinxingjiagu,yiquebaojishizaidianyuanguzhangqijianshizhongyebuhuitingzhi。
下圖所示設計是一個簡單的無變壓器電源,使用一個0.33uF電容作為輸入限流器元件,以便將電源電流限製在適度的16mA。
電路圖

希望這種電流能夠使時鍾令人滿意地滴答作響,並使連接的Ni / Cd電池保持涓流充電並準備好進行緊急備份。
如果0.33uF不能為操作提供足夠的電流,您可以將其增加到更高的值,以滿足應用需求。
所示的掛鍾 1.5V 無變壓器電源借助電源 (+)、(-) 端子上的兩個正向偏置 1N5 整流二極管,能夠在輸出端產生所需的 1.4007V
DC,從而有效地將大量 330V 電源 (@ 20mA) 分流至標稱 1.5V DC。
包含兩個調聯二極管還確保了時鍾和充電單元的完全無浪湧供電,因此該設計與其他傳統形式的浪湧保護器件不同。
工作原理
時鍾的1.5V無變壓器電源電路可以簡單地解釋如下
電源輸入電流通過 20.0uF/33V 電容器降至較低的 400mA。
橋式整流器將上述低電流輸入轉換為低電流直流變體,由兩個 1N4007 二極管進一步作用,該二極管將直流分流到大約固定的 1.5V。
這種 1.5V / 20 mA DC 最終用於操作所需的掛鍾,還用於為連接的 1.2V Ni/Cd
電池充電,該電池每次電源故障時都會恢複其直流電,確保時鍾的故障不間斷電源,使設備永遠不會因任何不利原因而停止。
免責聲明:本文為轉載文章,轉載此文目的在於傳遞更多信息,版權歸原作者所有。本文所用視頻、圖片、文字如涉及作品版權問題,請聯係小編進行處理。
推薦閱讀:
- 噪聲中提取真值!瑞盟科技推出MSA2240電流檢測芯片賦能多元高端測量場景
- 10MHz高頻運行!氮矽科技發布集成驅動GaN芯片,助力電源能效再攀新高
- 失真度僅0.002%!力芯微推出超低內阻、超低失真4PST模擬開關
- 一“芯”雙電!聖邦微電子發布雙輸出電源芯片,簡化AFE與音頻設計
- 一機適配萬端:金升陽推出1200W可編程電源,賦能高端裝備製造
- 算力爆發遇上電源革新,大聯大世平集團攜手晶豐明源線上研討會解鎖應用落地
- 築基AI4S:摩爾線程全功能GPU加速中國生命科學自主生態
- 一秒檢測,成本降至萬分之一,光引科技把幾十萬的台式光譜儀“搬”到了手腕上
- AI服務器電源機櫃Power Rack HVDC MW級測試方案
- 突破工藝邊界,奎芯科技LPDDR5X IP矽驗證通過,速率達9600Mbps
- 車規與基於V2X的車輛協同主動避撞技術展望
- 數字隔離助力新能源汽車安全隔離的新挑戰
- 汽車模塊拋負載的解決方案
- 車用連接器的安全創新應用
- Melexis Actuators Business Unit
- Position / Current Sensors - Triaxis Hall





