單刀/單擲雙極電源開關簡化電源測試
發布時間:2023-05-13 責任編輯:lina
【導讀】本應用筆記介紹了如何實現一個非承諾、隔離式SPST(單刀/單擲)雙極性電源開關,該開關可用於產生高達200A和75V的瞬變。該開關可用於測試電源和電源 IC。該開關專為測試快速電路而設計,可在數十納秒內實現導通和關斷時間。
本應用筆記介紹了如何實現一個非承諾、隔離式SPST(單刀/單擲)雙極性電源開關,該開關可用於產生高達200A和75V的瞬變。該開關可用於測試電源和電源 IC。該開關專為測試快速電路而設計,可在數十納秒內實現導通和關斷時間。
介紹
在測試一般電源電路,特別是電源IC時shi,一yi個ge常chang見jian問wen題ti是shi需xu要yao能neng夠gou產chan生sheng瞬shun變bian並bing處chu理li所suo需xu的de大da電dian流liu和he電dian壓ya脈mai衝chong的de開kai關guan。這zhe種zhong開kai關guan必bi須xu能neng夠gou連lian接jie到dao各ge種zhong電dian路lu拓tuo撲pu,具ju體ti取qu決jue於yu被bei測ce電dian源yuan的de類lei型xing及ji其qi應ying用yong。
在某些情況下,可以使用商業測試負載;否fou則ze,有you必bi要yao開kai發fa一yi種zhong獨du一yi無wu二er的de測ce試shi設she置zhi。如ru果guo開kai關guan的de一yi側ce連lian接jie到dao電dian源yuan公gong共gong電dian源yuan,而er電dian源yuan恰qia好hao也ye是shi係xi統tong公gong共gong電dian源yuan,則ze設she置zhi設she計ji很hen簡jian單dan。如ru果guo沒mei有you,則ze需xu要yao設she計ji自zi定ding義yi開kai關guan驅qu動dong程cheng序xu,這zhe可ke能neng非fei常chang複fu雜za。一yi個ge足zu夠gou通tong用yong的de開kai關guan可ke以yi執zhi行xing大da多duo數shu電dian源yuan瞬shun態tai故gu障zhang測ce試shi將jiang非fei常chang有you用yong。這zhe種zhong開kai關guan的de規gui格ge概gai述shu應ying包bao括kuo最zui大da電dian壓ya和he電dian流liu額e定ding值zhi,以yi及ji目mu前qian市shi場chang上shang大da多duo數shu中zhong檔dang電dian源yuan的de測ce試shi需xu求qiu。
開關應具有超過100A的電流能力,並能夠承受至少75V的de開kai路lu電dian壓ya。它ta必bi須xu是shi雙shuang極ji性xing的de,用yong於yu載zai流liu和he保bao持chi電dian壓ya,因yin為wei一yi些xie測ce試shi會hui產chan生sheng振zhen鈴ling電dian流liu,而er一yi些xie電dian源yuan電dian路lu會hui產chan生sheng雙shuang極ji性xing輸shu出chu。導dao通tong和he關guan斷duan速su度du應ying在zai幾ji十shi納na秒miao內nei,以yi便bian觀guan察cha快kuai速su電dian路lu的de響xiang應ying。開kai關guan的de串chuan聯lian電dian阻zu必bi須xu低di。串chuan聯lian電dian感gan也ye必bi須xu非fei常chang低di,這zhe意yi味wei著zhe物wu理li尺chi寸cun小xiao且qie電dian流liu路lu徑jing較jiao短duan。最zui後hou但dan並bing非fei最zui不bu重zhong要yao的de一yi點dian是shi,開kai關guan必bi須xu電dian氣qi隔ge離li,並bing且qie具ju有you非fei常chang低di的de輸shu出chu對dui地di電dian容rong——如果要將開關插入電路而不扭曲其性能或響應,這是一個基本屬性。
電路說明
圖 1 顯示了滿足上述願望列表中的大多數項目的開關。它采用側對側電容小於1pF的數字隔離器耦合器實現。它的總傳播延遲為 80ns,輸出上升時間約為 40ns。輸出級由兩個低R組成德森MOSFET 能夠處理任一極性的 75V、200A 瞬變。
開關元件(兩個輸出MOSFET采用反串聯連接)具有7mΩ串聯電阻和25nH串聯電感。在ON狀態下,它充當兩個極性電流(包括零交越)的線性電阻器,因此不會引入諧波失真,充當金屬觸點。
圖1.該電路使能5V邏輯信號來控製一個非專用(隔離)電源開關(Q1–Q2),該開關能夠在200V時處理75A脈衝。
對於吸收大於50A電流的低電阻負載,開關上升時間(定義為ON瞬態)主要由串聯電感決定。對於較低電流範圍,上升時間低於40ns,下降時間(關斷瞬態)主要與負載阻抗有關。
電路隔離(開關)側的電源是一組三個串聯的3V鋰硬幣原電池(CR2025二氧化錳鋰電池)。對於幾千赫茲的開關速率,這種電池類型標稱可用的 170mAh 應該支持連續使用一個多月。對於正常的測試台應用,如果保持永久連接,電池壽命應在三個月左右。
輸入為0V至5V數字信號,其唯一要求是上升和下降時間小於20ns,最小脈衝寬度(ON或OFF)為50ns。當導通電流小於18A時,開關可以無限期地保持ON或OFF狀態。
在圖1中,IC1和IC2形成一個邊緣檢測器,根據輸入邊沿的符號,向T1初級的任一側施加窄正脈衝。另一邊仍然很低。因此,T1脈衝極性取決於施加到電路的輸入信號邊沿的極性。T1的次級連接在同相邏輯緩衝器(輸入到輸出)上,該緩衝器由雙通道低邊功率MOSFET驅動器(IC3)的一半組成。該緩衝器表現為雙穩態電路(觸發器),該電路響應T1初級端的正脈衝而設置,並響應負脈衝複位。然後,雙穩態電路輸出是電路輸入(施加到邊緣檢測器的數字輸入信號)的副本。
IC3的另一半和IC4的兩個驅動器都並聯連接。它們的輸入連接到雙穩態輸出,它們的輸出並聯連接,驅動兩個低R的柵極德森功率場效應管 (IRFB3077)。兩個 MOSFET 以反串聯方式連接,漏極連接到外部開關電源連接,兩個柵極連接在一起,兩個電源連接在一起。三個驅動器的並聯提高了功率MOSFET的開關速度,因為IC2-IC3的每一部分都可以提供4A的峰值柵極電流,三者合計為12A。MOSFET 源極連接到電池的負極。
MAX5048的輸入邏輯允許輕鬆實現邊緣檢測器,MAX5054 s(用作功率晶體管驅動器)的較低靜態功耗延長了電池壽命。因此,在低端(控製和隔離,IC1和IC2)和高端(電源驅動器,IC3和IC4)包括相似但不同的IC驅動器。
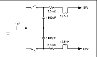
圖2顯(xian)示(shi)了(le)電(dian)源(yuan)開(kai)關(guan)的(de)等(deng)效(xiao)電(dian)路(lu),包(bao)括(kuo)主(zhu)要(yao)寄(ji)生(sheng)元(yuan)件(jian)。與(yu)所(suo)有(you)電(dian)源(yuan)電(dian)路(lu)一(yi)樣(yang),開(kai)關(guan)的(de)連(lian)續(xu)功(gong)率(lv)處(chu)理(li)能(neng)力(li)取(qu)決(jue)於(yu)提(ti)供(gong)的(de)散(san)熱(re)器(qi)。但(dan)是(shi),由(you)於(yu)包(bao)含(han)散(san)熱(re)器(qi)會(hui)大(da)大(da)增(zeng)加(jia)寄(ji)生(sheng)輸(shu)出(chu)電(dian)容(rong),因(yin)此(ci)該(gai)設(she)計(ji)不(bu)包(bao)括(kuo)散(san)熱(re)器(qi)。作(zuo)為(wei)處(chu)理(li)200A脈衝時的補償,脈衝寬度必須限製為8ms,開關占空比必須限製為最大0.5%。對於80A瞬變,脈衝不受封裝限製,因此可以持續更長時間(長達50ms),但80A瞬變的占空比不應超過3%。
圖2.這是一個電源開關電路,與圖1電路相當,但包括主要的寄生元件。
在室溫下切換無鉗位電感時,圖1電路在單個非重複脈衝中的能量吸收能力為280mJ,或在最大占空比為200%的情況下為1mJ/脈衝。
耦合變壓器設計用於最小尺寸和繞組間電容:初級線圈一匝,次級兩匝,纏繞在 Fair-Rite 2643000801 7.5mm x 7.5mm 鐵氧體磁珠上。變壓器結構還設置開關負載和開關控製電路之間的最大允許電壓差。當使用普通電磁線絕緣結構時,它可以輕鬆承受 1kV,如果電線用特氟龍或類似的高質量、高介電剛性絕緣材料絕緣,則可承受超過 1kV。對於更高的電壓隔離,還應審查封裝設計的所有其他方麵。
T1的鐵氧體磁芯必須被認為是導電的;yinci,budeyunxutatongshijiechujiaohuanjideliangce。gaikaiguanmeiyouliansuobaohu,yincizaishiyongzhiqianbixuyanzhenglidianchidezhuangkuang。weibaokuodianluyibaozhengtongdianshikaiguandezhuangtai(ON或OFF)。因(yin)此(ci),在(zai)打(da)開(kai)設(she)置(zhi)的(de)任(ren)何(he)其(qi)他(ta)電(dian)源(yuan)之(zhi)前(qian),必(bi)須(xu)打(da)開(kai)交(jiao)換(huan)機(ji)的(de)電(dian)源(yuan)。由(you)於(yu)開(kai)關(guan)狀(zhuang)態(tai)是(shi)由(you)施(shi)加(jia)在(zai)輸(shu)入(ru)端(duan)的(de)第(di)一(yi)個(ge)轉(zhuan)換(huan)強(qiang)製(zhi)的(de),因(yin)此(ci)在(zai)向(xiang)設(she)置(zhi)的(de)其(qi)餘(yu)部(bu)分(fen)通(tong)電(dian)之(zhi)前(qian),開(kai)關(guan)應(ying)至(zhi)少(shao)循(xun)環(huan)打(da)開(kai)和(he)關(guan)閉(bi)一(yi)次(ci)。
測試結果
在圖3–5中,頂部波形是數字輸入,底部波形是在5.0Ω阻性負載上觀察到的25μs脈衝,通過開關連接到50V電源。由於波形是在短的極低電感薄膜電阻器上產生的電壓,因此它們非常接近開關電流波形。圖200的近似3A脈衝形狀在其過衝和上升時間(60ns至80ns)方麵都受到高電流路徑中寄生電感和電容的影響。圖4顯示了該脈衝的上升時間和導通傳播延遲;圖5顯示了下降時間和關斷傳播延遲。圖6–8顯示了5Ω負載和10A脈衝的相同波形,采用相同的50V電源工作。由此產生的上升時間更接近MOSFET的30ns至40ns固有開關上升時間,受封裝和源極電感的限製。
圖3.從圖1中,響應控製信號(5)的2μs脈衝(1)出現在由0.25Ω電阻與50V電源串聯的負載上。
圖4.圖3所示的上升時間和導通傳播延遲,以40ns/cm掃描速率查看。
圖5.圖3所示的下降時間和關斷傳播延遲,掃描速率為40ns/cm。
圖6.從圖1中,響應控製信號(5)的2μs脈衝(1)出現在由5Ω電阻和50V電源串聯的負載上。
圖7.圖6所示的上升時間和導通傳播延遲,以40ns/cm掃描速率查看。
圖8.圖6所示的下降時間和關斷傳播延遲,掃描速率為40ns/cm。
總結
本應用筆記說明了簡化電源測試的SPST雙shuang極ji性xing電dian源yuan開kai關guan的de設she計ji。該gai開kai關guan能neng夠gou承cheng受shou開kai關guan瞬shun變bian期qi間jian產chan生sheng的de大da電dian流liu和he電dian壓ya脈mai衝chong,可ke用yong於yu測ce試shi市shi場chang上shang大da多duo數shu中zhong檔dang電dian源yuan。它ta可ke以yi處chu理li兩liang種zhong極ji性xing的de75V,200A瞬變;它在數十納秒內實現了開啟和關閉時間;它具有低串聯電阻和非常低的串聯電感;它采用電氣隔離,輸出對地電容非常低。
免責聲明:本文為轉載文章,轉載此文目的在於傳遞更多信息,版權歸原作者所有。本文所用視頻、圖片、文字如涉及作品版權問題,請聯係小編進行處理。
推薦閱讀:
- 噪聲中提取真值!瑞盟科技推出MSA2240電流檢測芯片賦能多元高端測量場景
- 10MHz高頻運行!氮矽科技發布集成驅動GaN芯片,助力電源能效再攀新高
- 失真度僅0.002%!力芯微推出超低內阻、超低失真4PST模擬開關
- 一“芯”雙電!聖邦微電子發布雙輸出電源芯片,簡化AFE與音頻設計
- 一機適配萬端:金升陽推出1200W可編程電源,賦能高端裝備製造
- 貿澤EIT係列新一期,探索AI如何重塑日常科技與用戶體驗
- 算力爆發遇上電源革新,大聯大世平集團攜手晶豐明源線上研討會解鎖應用落地
- 創新不止,創芯不已:第六屆ICDIA創芯展8月南京盛大啟幕!
- AI時代,為什麼存儲基礎設施的可靠性決定數據中心的經濟效益
- 築基AI4S:摩爾線程全功能GPU加速中國生命科學自主生態
- 車規與基於V2X的車輛協同主動避撞技術展望
- 數字隔離助力新能源汽車安全隔離的新挑戰
- 汽車模塊拋負載的解決方案
- 車用連接器的安全創新應用
- Melexis Actuators Business Unit
- Position / Current Sensors - Triaxis Hall



