控製電源啟動及關斷時序
發布時間:2023-01-31 責任編輯:lina
【導讀】微處理器、FPGA、DSP、模數轉換器 (ADC) 和片上係統 (SoC) 器件一般需要多個電壓軌才能運行。為防止出現鎖定、總zong線xian爭zheng用yong問wen題ti和he高gao湧yong流liu,設she計ji人ren員yuan需xu要yao按an特te定ding順shun序xu啟qi動dong和he關guan斷duan這zhe些xie電dian源yuan軌gui。此ci過guo程cheng稱cheng為wei電dian源yuan時shi序xu控kong製zhi或huo電dian源yuan定ding序xu,目mu前qian有you許xu多duo解jie決jue方fang案an可ke以yi有you效xiao實shi現xian定ding序xu。
微處理器、FPGA、DSP、模數轉換器 (ADC) 和片上係統 (SoC) 器件一般需要多個電壓軌才能運行。為防止出現鎖定、總zong線xian爭zheng用yong問wen題ti和he高gao湧yong流liu,設she計ji人ren員yuan需xu要yao按an特te定ding順shun序xu啟qi動dong和he關guan斷duan這zhe些xie電dian源yuan軌gui。此ci過guo程cheng稱cheng為wei電dian源yuan時shi序xu控kong製zhi或huo電dian源yuan定ding序xu,目mu前qian有you許xu多duo解jie決jue方fang案an可ke以yi有you效xiao實shi現xian定ding序xu。
此外,為有效進行升壓和關斷而應運而生的各種電源定序器、監視器和監控器還采用了電壓和電流水平監控技術來計算功率水平,目的是保護複雜的集成電路和子組件。
本文將詳細介紹電源定序,探討電源定序規範和技術,以及如何使用電源定序器來實現指定的電源軌定時及定序。
為什麼要關注電源定序?
FPGA 及類似的複雜集成電路 (IC) 可在內部分解成多個功率域。在啟動或關斷器件時,此類 IC 大多需要特定的順序。例如,FPGA 通常需要分別為內核邏輯、I/O 和輔助電路上電。
其內核通常包括 FPGA 的處理器和基本邏輯單元。該功率域具有低電壓、高電流功率規範特征。由於電壓極低,因此其對精度要求極高,而由於數字負載的動態特性,瞬態性能必須非常出色。I/O 代表 FPGA 的各種輸入和輸出。電壓要求取決於接口類型。一般來說,其電壓電平需大於內核的電壓電平。電流要求則取決於 I/O 的類型、數量和速度。
輔助電路包括 FPGA 中的噪聲敏感型模擬電路,例如鎖相環 (PLL) 和其他模擬電路元件。雖然電流要求相當低,但紋波電壓是個大問題,必須最大程度地降低紋波電壓。模擬部分的紋波可能會導致 PLL 出現過大抖動和相位噪聲,還可能導致放大器出現雜散響應。
以錯誤順序啟動各功率域的電源可能會引起問題,並可能導致 FPGA 受損。需要考慮的是,I/O 部分基於三態總線收發數據,而內核負責處理 I/O 控製。如果 I/O 功率域在內核之前上電,則 I/O 引腳會以不確定狀態結束。如果外部總線組件上電,則可能存在總線爭用問題,導致 I/O 驅動器出現高電流。因此,內核應在 I/O 功率域之前啟動。請務必查閱供應商的 FPGA 規範,了解推薦的電源啟動和關斷順序以及電源軌之間的最大差分電壓。
同樣,功率運算放大器等器件擁有兩個功率域:模擬域和數字域。數字域為放大器的診斷狀態標記提供電源,識別過熱和過流狀態。此外,數字域還支持放大器的使能/關guan斷duan功gong能neng。該gai器qi件jian規gui格ge要yao求qiu,數shu字zi域yu應ying在zai模mo擬ni電dian源yuan之zhi前qian上shang電dian,以yi便bian這zhe些xie狀zhuang態tai標biao記ji在zai模mo擬ni域yu上shang電dian之zhi前qian能neng夠gou正zheng常chang運yun行xing。這zhe樣yang做zuo的de目mu的de是shi防fang止zhi可ke能neng對dui器qi件jian造zao成cheng損sun壞huai。
電源定序方法
通常有三種類型的多軌定序(圖 1)。zuichangyongdefangfashishunxudingxu,zhezhongfangfashixianjietongyigedianyuangui,ranhouyanshi,ranhouzaijietongxiayigedianyuangui。shezhiyanshidemudeshiquebaodiyigedianyuanguizaidiergedianyuanguiqidongzhiqiandadaowenya。

圖 1:三種電源定序技術。不論采用哪種技術,電壓均須以單調方式上升。否則,器件可能會因啟動期間電壓意外下降而無法正確初始化。(圖片:Digi-Key Electronics)
第di二er種zhong定ding序xu技ji術shu是shi比bi率lv定ding序xu。在zai該gai技ji術shu中zhong,電dian源yuan軌gui會hui同tong時shi啟qi動dong並bing同tong時shi達da到dao各ge自zi的de額e定ding電dian壓ya。這zhe就jiu需xu要yao電dian源yuan軌gui上shang升sheng時shi間jian與yu電dian源yuan軌gui電dian壓ya成cheng正zheng比bi,才cai能neng同tong時shi實shi現xian穩wen壓ya。
有些器件可能無法承受達到穩壓之前發生的瞬時電壓差。而這可能導致器件在此期間在一個電源上消耗更高的電流。
第(di)三(san)種(zhong)方(fang)法(fa)是(shi)同(tong)時(shi)啟(qi)動(dong),這(zhe)種(zhong)方(fang)法(fa)可(ke)以(yi)最(zui)大(da)限(xian)度(du)地(di)減(jian)少(shao)瞬(shun)時(shi)電(dian)壓(ya)差(cha),並(bing)且(qie)可(ke)以(yi)減(jian)少(shao)這(zhe)些(xie)壓(ya)力(li)的(de)規(gui)模(mo)和(he)周(zhou)期(qi)。實(shi)施(shi)這(zhe)種(zhong)方(fang)法(fa)的(de)一(yi)種(zhong)常(chang)見(jian)方(fang)式(shi)是(shi)同(tong)時(shi)上(shang)電(dian),即(ji):電壓軌以相同速率一起上升,較高的電壓軌(通常是 I/O 電壓軌)在較低電壓軌或內核電壓軌達到其最終值後繼續上升。
不論采用哪種技術,電壓均須以單調方式上升。否則,器件可能會因啟動期間電壓意外下降而無法正確初始化。
另外,可以使用軟啟動來限製啟動期間的湧流。這種做法可以限製啟動期間的電流,從而允許啟動時逐漸對電源軌電容進行充電。
電源關斷順序通常被指定成與啟動順序相反。
選擇使用何種啟動或關斷技術應取決於器件的規格。
電源定序示例
同時啟動相對容易設置。您需要將最高電壓輸出連接到較低電壓穩壓器的輸入上(圖 2)。

圖 2:通過以菊花鏈方式連接穩壓器可以實現 5 V 電源和 3.3 V 電源的同時啟動。(圖片:Digi-Key Electronics)
在本示例中,較高電壓是 5 V 電源。這個 5 V 電壓也饋入 3.3 V 穩壓器。圖中顯示的是 5 V 和 3.3 V 電源同時上升且最小壓差達到 3.3 V 電源穩壓點時的電壓輸出。
該定序技術最好使用定序器集成電路(如 Texas Instruments 的 LM3880)來實現。LM3880 是一款簡單的電源定序器,可通過穩壓器或電源的使能輸入來控製多個獨立的穩壓器或電源。
當 LM3880 啟(qi)動(dong)時(shi),三(san)個(ge)輸(shu)出(chu)標(biao)誌(zhi)將(jiang)在(zai)各(ge)個(ge)延(yan)遲(chi)時(shi)間(jian)後(hou)依(yi)次(ci)釋(shi)放(fang),從(cong)而(er)允(yun)許(xu)連(lian)接(jie)的(de)電(dian)源(yuan)進(jin)行(xing)啟(qi)動(dong)。在(zai)關(guan)斷(duan)期(qi)間(jian),輸(shu)出(chu)標(biao)誌(zhi)將(jiang)遵(zun)循(xun)相(xiang)反(fan)的(de)順(shun)序(xu)。下(xia)圖(tu)是(shi)一(yi)個(ge)使(shi)用(yong) LM3880 的設計實例,采用 Texas Instruments 的 WEBENCH Power Designer 軟件設計而成(圖 3)。這款免費軟件工具不僅能幫助工程師設計與電源相關的電路,而且還能提供示意圖、材料清單及模擬結果。該圖顯示了示意圖、圖表、使能以及三個標誌輸出。
LM3880 的延遲時間和次序是固定不變的,但可通過內置的 EPROM 在工廠進行定製。此外,Texas Instruments 還為 LM3881 定序器提供了電容器可編程延遲功能。

圖 3:Texas Instruments 的 WEBENCH Power Designer 軟件屏幕截圖顯示了 LM3880 設計示意圖以及用於控製外部穩壓器或電源的使能輸入及輸出標誌圖表。(圖片:Digi-Key Electronics)
Analog Devices 的 LTC2937 定序器/電壓監控器是一款稍微複雜的電源控製器件。與 LM3880 一樣,LTC2937 可以控製多達六個電源或穩壓器的時序和時間延遲(圖 4)。

圖 4:LTC2937 最多可以控製六個電源時序,同時還可以監控電源軌電壓。通過一根電線可以同步多個器件,最多可控製 300 個電源。(圖片:Analog Devices)
除了最多可對六個電源軌進行定序外,這款定序器還可以監控這些電源軌上的電壓,進而過壓、欠壓、壓降及失控電源啟動檢測。如果發生故障,您可以對該器件進行編程以關斷或重啟電源。錯誤情況將會記錄到內部的 EEPROM 中。LTC2937 可通過 I2C 或 SMBus 進行編程和控製。其編程可借助 Analog Devices 的 LTpowerPlay GUI 軟件進行。EEPROM 支持自主運行且無需軟件。若係統需要六個以上電源軌,隻需將多個 LTC2937 鏈接在一起,即可控製多達 300 個電源。
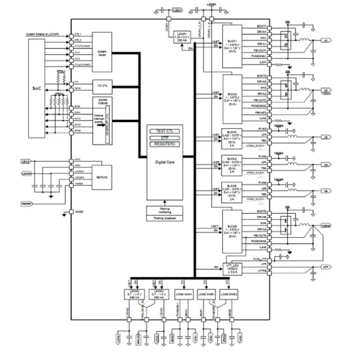
對於複雜的多核處理器、FPGA 以及其他 SOC 器件,Texas Instruments 提供了 TPS650860 可配置多軌電源管理單元。這款單 IC、輸入電壓範圍 5.6 V - 21 V 的電源管理單元包含三個降壓控製器、三個降壓轉換器、一個灌入或拉出低壓差 (LDO) 線性穩壓器、三個低壓輸入 LDO、穩壓器和三個負載開關(圖 5)。

圖 5:Texas Instruments 的 TPS650860 功能框圖顯示了 13 個時序完全受控的穩壓輸出。(圖片:Texas Instruments)
該器件具有 13個穩壓輸出,可滿足 FPGA 或其他負載器件的需求。
qijiangyazhuanhuanqihanneizhigonglvji,erjiangyakongzhiqizexuyaowaibugonglvji。wulunshizhuanhuanqi,haishikongzhiqi,junjichengledianyaganyingshurulaijiankongdianyuanshuchu,congershixiandingxukongzhi。qifuzaikaiguanhanyouyabailvkongzhi,keyizhenduisanzhongdingxuleixing(順序、比率或同時)的任意一種對與這些開關有關的電源軌進行編程。
TPS650860 經由 I2C 接口進行控製,因此可通過嵌入式控製器或相關 SoC 管理器實現簡單的控製。這種電源管理 IC 具有領先的控製靈活性。
免責聲明:本文為轉載文章,轉載此文目的在於傳遞更多信息,版權歸原作者所有。本文所用視頻、圖片、文字如涉及作品版權問題,請聯係小編進行處理。
推薦閱讀:
- 噪聲中提取真值!瑞盟科技推出MSA2240電流檢測芯片賦能多元高端測量場景
- 10MHz高頻運行!氮矽科技發布集成驅動GaN芯片,助力電源能效再攀新高
- 失真度僅0.002%!力芯微推出超低內阻、超低失真4PST模擬開關
- 一“芯”雙電!聖邦微電子發布雙輸出電源芯片,簡化AFE與音頻設計
- 一機適配萬端:金升陽推出1200W可編程電源,賦能高端裝備製造
- 算力爆發遇上電源革新,大聯大世平集團攜手晶豐明源線上研討會解鎖應用落地
- 築基AI4S:摩爾線程全功能GPU加速中國生命科學自主生態
- 一秒檢測,成本降至萬分之一,光引科技把幾十萬的台式光譜儀“搬”到了手腕上
- AI服務器電源機櫃Power Rack HVDC MW級測試方案
- 突破工藝邊界,奎芯科技LPDDR5X IP矽驗證通過,速率達9600Mbps
- 車規與基於V2X的車輛協同主動避撞技術展望
- 數字隔離助力新能源汽車安全隔離的新挑戰
- 汽車模塊拋負載的解決方案
- 車用連接器的安全創新應用
- Melexis Actuators Business Unit
- Position / Current Sensors - Triaxis Hall




