低噪聲電源有多種類型:線性穩壓器
發布時間:2023-01-10 責任編輯:lina
【導讀】對於需要低輸出電壓噪聲的便攜式係統,線性穩壓器通常是係統電源的“首選”。理想情況下,線性穩壓器直接由電池電源供電,而不是中間DC/DC轉換器供電,以實現最低噪聲性能。取決於線性穩壓器,輸出電壓噪聲低至 0.8μV有效值是可能的。
(在zai這zhe個ge由you三san部bu分fen組zu成cheng的de係xi列lie中zhong,我wo們men將jiang介jie紹shao使shi用yong不bu同tong拓tuo撲pu的de低di噪zao聲sheng便bian攜xie式shi電dian源yuan。對dui於yu許xu多duo此ci類lei應ying用yong來lai說shuo,使shi用yong低di噪zao聲sheng線xian性xing穩wen壓ya器qi是shi輕qing而er易yi舉ju的de,但dan在zai可ke能neng不bu需xu要yao線xian性xing穩wen壓ya器qi的de應ying用yong中zhong(由於效率、功耗或其他限製),低噪聲解決方案還可以包括基於電荷泵和基於電感的DC/DC轉換器。電路設計的進步與創新設計技術相結合,使得曾經被認為太嘈雜的解決方案無法用作低噪聲替代品。
低噪聲線性穩壓器
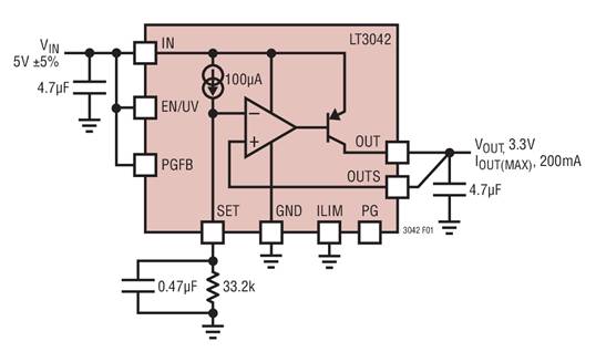
對於需要低輸出電壓噪聲的便攜式係統,線性穩壓器通常是係統電源的“首選”。理想情況下,線性穩壓器直接由電池電源供電,而不是中間DC/DC轉換器供電,以實現最低噪聲性能。取決於線性穩壓器,輸出電壓噪聲低至 0.8μV有效值是可能的。對於這些應用,淩力爾特提供了極低的輸出噪聲器件,例如 LT3042 和 LT3045,20V 輸入,0.8μV有效值線性穩壓器分別具有200mA和500mA能力。

圖1.LT3042 低噪聲線性穩壓器框圖

圖2.LT3042 集成均方根輸出噪聲
由於其獨特的電流基準架構,LT3042 和 LT3045 可輕鬆並聯以實現更高的輸出電流和更低的噪聲。下麵是一個低噪聲電源,采用四個並聯的 LT3045 來獲得 3.3V 和 2A 的輸出電流。所用器件數量每增加一倍,輸出噪聲就會降低 √2 倍。

圖3.並聯LDO可增加電流並降低噪聲
雖然從噪聲的角度來看,用電池供電是理想的,但當考慮到效率和係統運行時間時,它通常並不理想。更常見的是,係統使用 DC/DC 轉(zhuan)換(huan)來(lai)實(shi)現(xian)更(geng)高(gao)效(xiao)的(de)電(dian)源(yuan)轉(zhuan)換(huan)。在(zai)這(zhe)些(xie)情(qing)況(kuang)下(xia),最(zui)低(di)噪(zao)聲(sheng)解(jie)決(jue)方(fang)案(an)可(ke)以(yi)通(tong)過(guo)開(kai)關(guan)穩(wen)壓(ya)器(qi)後(hou)接(jie)後(hou)穩(wen)壓(ya)線(xian)性(xing)穩(wen)壓(ya)器(qi)來(lai)實(shi)現(xian),後(hou)者(zhe)具(ju)有(you)低(di)輸(shu)出(chu)電(dian)壓(ya)噪(zao)聲(sheng)和(he)高(gao)電(dian)源(yuan)紋(wen)波(bo)抑(yi)製(zhi)(PSRR);需要高PSRR規格,因為線性穩壓器必須能夠充分抑製DC/DC轉換器的開關噪聲;現在開關穩壓器頻率範圍高達4MHz,這不是一件小事。這些高頻超過了線性穩壓器的控製環路帶寬,因此PSRR不是由IC決定的,而是由器件的寄生效應決定的。並非巧合的是,LT3042 和 LT3045 還具有出色的 PSRR,在超過 2MHz 的頻率下具有 >75dB,在 10MHz 頻率外具有 >50dB。這使得它們能夠在很寬的頻率範圍內大幅降低開關頻率噪聲,同時為係統提供最小的附加輸出噪聲。

圖4.LT3045 電源紋波抑製
如果客戶正在尋找最佳的噪聲性能,那麼選擇很容易。但通常術語“低噪音”更具定性;電源噪聲需要足夠低,以免對係統的測量性能和精度產生不利影響。對於這些應用,低噪聲可以通過從微伏到毫伏的RMS值來定義。
在本係列的第2bufenzhong,womenjiangjieshaodizaoshengdianhebengjiejuefangan。dianhebengkeyitigongjingjigaoxiaodedianyuanjiejuefangan,danzaoshengshuipingtongchangzaibaihaofuhuoshushihuohaofufanweinei。lingliertedechuangxingongchengshejidailaileshuchujunfanggenzaoshengdiyu 5mV 的電荷泵解決方案。
免責聲明:本文為轉載文章,轉載此文目的在於傳遞更多信息,版權歸原作者所有。本文所用視頻、圖片、文字如涉及作品版權問題,請聯係小編進行處理。
推薦閱讀:
- 噪聲中提取真值!瑞盟科技推出MSA2240電流檢測芯片賦能多元高端測量場景
- 10MHz高頻運行!氮矽科技發布集成驅動GaN芯片,助力電源能效再攀新高
- 失真度僅0.002%!力芯微推出超低內阻、超低失真4PST模擬開關
- 一“芯”雙電!聖邦微電子發布雙輸出電源芯片,簡化AFE與音頻設計
- 一機適配萬端:金升陽推出1200W可編程電源,賦能高端裝備製造
- 貿澤EIT係列新一期,探索AI如何重塑日常科技與用戶體驗
- 算力爆發遇上電源革新,大聯大世平集團攜手晶豐明源線上研討會解鎖應用落地
- 創新不止,創芯不已:第六屆ICDIA創芯展8月南京盛大啟幕!
- AI時代,為什麼存儲基礎設施的可靠性決定數據中心的經濟效益
- 矽典微ONELAB開發係列:為毫米波算法開發者打造的全棧工具鏈
- 車規與基於V2X的車輛協同主動避撞技術展望
- 數字隔離助力新能源汽車安全隔離的新挑戰
- 汽車模塊拋負載的解決方案
- 車用連接器的安全創新應用
- Melexis Actuators Business Unit
- Position / Current Sensors - Triaxis Hall





