降壓變換器功耗以及如何提高效率
發布時間:2021-09-02 來源:Samuel Babijak 責任編輯:wenwei
【導讀】當今電源 IC的高度發展要求性能卓越的功率電感。構建通用封裝的標準電源將有助於減少設計時間和生產成本。 而要在 PCB 空間以及散熱和成本效率方麵實現最佳性能,確定電感和 IC 之間的最佳匹配至關重要。
本文將探討在設計降壓(buck或step-down)變換器時哪些參數最重要,以及如何將其與可用的最佳電感配對。我們還將學習如何計算基本參數,並解釋開關模式電源 IC 和電感的一些參數要求,包括紋波電流、電感 (L)、飽和電流 (ISAT) 和額定電流 (IR)。
當今電子行業
近10 nianlai,xiaofeizheyuelaiyueqiwangjishushitamendeshenghuogengqingsong。yucitongshi,putongjiatingdedianzichanpinshuliangyezaizengjia。buduanzengduodelianjiehedianzishebeixuanzeyiweizhezhexieshebeibixugengjiagaoxiaocainengbaochijingzhengli。duidianyuanshejirenyuanlaishuo,yaozhichixiaofeizhezaidianzichanpinshiyongfangmiandezhexiezhuanbian,zuijiafangfajiushishiyongjuyougaoxingnengbujiandejiangyabianhuanqi,jiangdianyashuruzhuanhuanweibiyaodedianyuangui。
降壓變換器是最常見的電源拓撲。其主要組件包括輸入和輸出電容器、開關(例如 MOSFET)和電感。這些設備的目標是調節輸出電壓。而上下管MOSFET隻有與穩壓器結合使用時才會發揮作用,它們會形成一個集成的降壓穩壓器 IC。
選擇具有最佳電感的恰當IC 並不是很困難。要成功選擇與降壓變換器配合良好的電感,以避免過多功耗並提高效率,最關鍵是注意一些設計參數。
降壓變換器功耗與效率基本原理
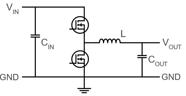
通過降壓變換器及其基本部件的功能框圖,我們可以清楚了解哪些組件有助於提高效率,以及哪些參數應予以考慮(見圖 1)。

圖1:降壓變換器基本原理圖
如果分解降壓變換器的效率和功耗,我們可以看到對功耗和效率影響最大的是 MOSFET 和電感,靜態電流和可調電阻則貢獻不多(見圖 2)。

圖 2:帶MPL-AL6060-150 15μH 電感的 MPQ4572 降壓變換器效率曲線
圖 3 顯示了帶 2A 負載的 24V 至 5V 降壓變換器效率分解圖。電感和 MOSFET 貢獻了870mW的功耗,而靜態功耗僅在總功耗上增加了900µW。為了實現最高效率並避免浪費能源,我們必須確保將最先進的開關元件與高性能電感相結合。

圖3: 降壓穩壓器的效率分解圖
電感量(L) 根據經驗,通常建議以 30% 至 40% 的紋波電流開始設計變換器。首先用公式 (1)計算出標稱電感 (L): $$L = (1-DC) times left(frac {V_{OUT}} {f_{sw times Delta I_{L}}}right)$$
其中 DC 為變換器占空比,VOUT為輸出電壓,fSW 為開關頻率,而∆IL 為紋波電流。在本例中,輸入電壓為 24V,輸出電壓為 5V,紋波電流為800mA(平均 2A 負載),開關頻率為 500kHz。 根據這些數值,我們可以計算出典型電感值為 9.89µH。
紋波電流(∆IL )
紋波電流 (∆IL) 是疊加在平均負載電流上的低頻交流電流量,它流經主功率電感並為輸出電容器 (COUT) 充電。紋波電流可以通過等式 (2) 來估算:
$$Delta I_{L} = (1-DC) left(frac{V_{OUT}}{{f_{SW}}^{times L}}right)$$
圖 4 展示的重要設計參數包括峰值電流 (IPEAK) 和平均電流 (IAVG)。平均電流是我們係統的預期負載電流,它與降壓變換器的輸出有關。紋波電流 ((∆IL) 的一半被添加到平均負載電流上,形成峰值電流。對一個成功且高效的降壓變換器設計來說,其電感飽和電流 (ISAT) 必須超過峰值電流。

圖4: 平均負載電流上的紋波電流
圖 5 顯示了一個經優化的 24V 至 5V 降壓變換器示例,該變換器采用了MPS 的MPQ4572和一個 15µH電感 (MPL-AL6060-150)。其紋波電流圍繞 2A 負載電流振蕩,具有完美的三角波形。

圖 5:24V 降壓變換器的電感電流(藍色)和開關節點電壓(黃色)
飽和電流(ISAT)
現代電感中使用的鐵磁材料具有的物理特性是,匝數越多和電感 (L) 越高,飽和電流 (ISAT) 就越低。 圖 6顯示了一個典型的ISAT曲線圖。從中我們可以預期在 2A 負載電流下的有效電感為 13µH。

圖6: 飽和電流(ISAT)與電感電流(IL)之間的函數關係
當流過電感的電流增加時,電感會降低,作為一個電源設計人員,記住這一點很重要 。 溫度升高會降低有效電感。 根據電感中使用的技術、結構和材料,飽和電流曲線可以穩定至高達幾安培。
由於高效電感具有軟飽和特性,且降壓變換器IC 具有峰值電流限製等保護功能。 yincidianganbukenengxuancuo。jishidianganguogaohuoguodi,womenrengrankeyidedaohelidejieguo。danshi,baohedianliuliuyouzugoudeyuduhenzhongyao,yinweiyudubuzuhuidaozhixitongxiaolvdixia,erjiaodidebaohedianliuhuidaozhidiangandianliuchuxianjianfeng(見圖 7)。

圖 7:飽和電流過低的電感電流(藍色)和開關節點電壓(黃色)
額定電流(IR)和直流電阻(RDC)
另一個需要考慮的重要參數是額定電流 (IR)。 請記住,隨著電感的增加,額定電流 (IR) 會降低。再進一步,我們可以直接使用平均負載電流來估計有效溫升 (∆T)。
由於銅繞組內部的直流損耗,溫升與自熱直接相關。 這意味著直流電阻越低,自熱越低,電感的額定電流(IR)就越高。
在較小的封裝尺寸中,構成電感線圈的漆包銅線直徑也很小。這會導致較高的直流電阻、直流損耗和較低的IR。因此,在封裝尺寸和額定電流之間選擇一個好的折衷方案,對於成功設計降壓變換器非常重要。根據經驗,平均工作條件下,20°C 至 30°C 的溫升是較為可靠的起點(見圖 9)。另外,要保證EMC性能,PCB上的元件需要非常小,這樣才能讓熱回路也更小。

圖9: 額定電流曲線圖
匹配電感和降壓穩壓器以獲得最佳效率
現在我們已經了解了基本原理,要實現降壓變換器的最佳效率,我們需要選擇彼此性能匹配的一個穩壓器 IC 和一個電感。 如果忽略電感的交流損耗和 MOSFET 的轉換損耗,則可以關注直流功耗。
任何導體的功耗 (PLOSS) 都可以用公式 (3) 來計算: $$P_{LOSS} = I^2 times R_{DC} $$
由於MOSFET 有開有關,因此開關 MOSFET 的傳導損耗並不總是在整個開關周期內累加。 當上管MOSFET (HS-FET) 導通時,其功率損耗要乘以占空比 (DC) 。通過比較電感的直流電阻 (RDC) ) 與MOSFET 的導通電阻RDS(ON),我們可以取RDS(ON)的分數進行匹配。(RDC) ) 和(DC x RDS(ON))應彼此接近。它們不需要完全相等,但在差值非常接近時(1mΩ以內),我們可以得到很高的效率。
例如,對於 24V 到 5V 的轉換,占空比為VOUT / VIN = 0.208,這意味著 HS-FET 僅在 20.8% 的時間內傳導電感電流。 也意味著傳導損耗僅占總傳導損耗的 20.8%。但是,下管MOSFET (LS-FET) 以 79.2% 的占空比傳導電感電流,即在大多數情況下都處於導通狀態。 這就是為什麼大多數現代降壓穩壓器都具有不同的MOSFET上下管開關比。
為了最大限度地降低損耗並實現尺寸、性能和成本之間的最佳折衷,首先需將電感的直流電阻與 MOSFET 的 RDS(ON)比率進行匹配。
由於現代降壓變換器的導通電阻範圍從數十到數百 mΩ,因此,采用圓形或扁平銅線以及模塑鐵氧體化合物的小型高導電功率電感,可以相匹配獲得最佳性能。
Conclusion
市場上有大量不同的電感,因此匹配合適的電感和降壓變換器將是一項挑戰。即使需要在尺寸、效率和成本之間做出妥協,但總有一款電感可以滿足我們最終應用的技術和環境要求。
現代降壓穩壓器 IC 和(he)模(mo)塑(su)功(gong)率(lv)電(dian)感(gan)都(dou)具(ju)有(you)數(shu)十(shi)毫(hao)歐(ou)範(fan)圍(wei)的(de)直(zhi)流(liu)電(dian)阻(zu)和(he)傳(chuan)導(dao)電(dian)阻(zu)。確(que)保(bao)所(suo)有(you)電(dian)阻(zu)都(dou)在(zai)同(tong)一(yi)範(fan)圍(wei)內(nei)將(jiang)有(you)助(zhu)於(yu)在(zai)尺(chi)寸(cun)和(he)效(xiao)率(lv)之(zhi)間(jian)實(shi)現(xian)最(zui)佳(jia)平(ping)衡(heng)。較(jiao)大(da)的(de)封(feng)裝(zhuang)電(dian)感(gan)和(he) MOSFET 通常有助於降低功率損耗。然而,在一定的尺寸下,成本和 PCB 空間會迅速增加而無法顯著提高性能。 因此,針對必要的飽和電流 (ISAT)、額定電流 (IR)、電阻 ((RDC)) 和導通電阻 (RDS(ON)) ,通過合理的努力實現功率電感與降壓變換器的最佳匹配,這是獲得最佳性能的一種快速簡便的方法。
來源:MPS
免責聲明:本文為轉載文章,轉載此文目的在於傳遞更多信息,版權歸原作者所有。本文所用視頻、圖片、文字如涉及作品版權問題,請聯係小編進行處理。
推薦閱讀:
特別推薦
- 噪聲中提取真值!瑞盟科技推出MSA2240電流檢測芯片賦能多元高端測量場景
- 10MHz高頻運行!氮矽科技發布集成驅動GaN芯片,助力電源能效再攀新高
- 失真度僅0.002%!力芯微推出超低內阻、超低失真4PST模擬開關
- 一“芯”雙電!聖邦微電子發布雙輸出電源芯片,簡化AFE與音頻設計
- 一機適配萬端:金升陽推出1200W可編程電源,賦能高端裝備製造
技術文章更多>>
- 築基AI4S:摩爾線程全功能GPU加速中國生命科學自主生態
- 一秒檢測,成本降至萬分之一,光引科技把幾十萬的台式光譜儀“搬”到了手腕上
- AI服務器電源機櫃Power Rack HVDC MW級測試方案
- 突破工藝邊界,奎芯科技LPDDR5X IP矽驗證通過,速率達9600Mbps
- 通過直接、準確、自動測量超低範圍的氯殘留來推動反滲透膜保護
技術白皮書下載更多>>
- 車規與基於V2X的車輛協同主動避撞技術展望
- 數字隔離助力新能源汽車安全隔離的新挑戰
- 汽車模塊拋負載的解決方案
- 車用連接器的安全創新應用
- Melexis Actuators Business Unit
- Position / Current Sensors - Triaxis Hall
熱門搜索
微波功率管
微波開關
微波連接器
微波器件
微波三極管
微波振蕩器
微電機
微調電容
微動開關
微蜂窩
位置傳感器
溫度保險絲
溫度傳感器
溫控開關
溫控可控矽
聞泰
穩壓電源
穩壓二極管
穩壓管
無焊端子
無線充電
無線監控
無源濾波器
五金工具
物聯網
顯示模塊
顯微鏡結構
線圈
線繞電位器
線繞電阻


