使用RECOM DC/DC轉換器作為USB充電器
發布時間:2021-07-14 責任編輯:lina
【導讀】現有的USB標準允許最大充電電流為500mA(USB 1.0、2.0)或900mA(USB 3.0),快速充電的電流限製為1.5A。為了確保充電設備可以安全傳輸電能,可以在數據傳輸線D+和D-施加固定電壓或在這兩個數據線連接之間安裝一個電阻,告知便攜式設備已將其連接到專用充電端口(DCP)。
現有的USB標準允許最大充電電流為500mA(USB 1.0、2.0)或900mA(USB 3.0),快速充電的電流限製為1.5A。為了確保充電設備可以安全傳輸電能,可以在數據傳輸線D+和D-施加固定電壓或在這兩個數據線連接之間安裝一個電阻,告知便攜式設備已將其連接到專用充電端口(DCP)。不幸的是,不同的製造商有不同的規格因此沒有通用的解決方案(圖1)。

圖1:不同便攜式設備製造商的各種DCP電阻器配置
為了避免混亂,USB3.1標準加入了電池充電的規範,允許便攜式設備與充電器通信以設置可變輸出電壓、電流和功率限製以配合各種便攜式設備和連接器型號的充電能力(A型、B型、微B型或C型)。
即使便攜式設備配備的是USB-C連接器仍可以通過舊式充電器充電,因為USB標準是向後兼容的,隻是與專用的USB 3.1充電器相比會需要更長的充電時間。
使用RECOM轉換器作為USB充電器
將D-和D+引腳短接在一起的USB連接器可以被許多便攜式設備視為DCP。在下方的示例中,高性價比的R-78E降壓轉換器成為低成本的DCP解決方案:

圖2:簡單的DCP解決方案
圖2所示的解決方案可以搭配12或24 VDC固定電壓電源或12V鉛酸電池。如果使用24V鉛酸電池作為電源,建議使用R-78C5.0-1.0(引腳兼容),因為輸入電壓範圍會升至42 VDC。電池供電的USB充電器需要串聯反極性保護二極管。
有些便攜式設備會無法充電除非D+和D-引腳連接到如圖1所示的適當識別電壓和電阻。這些設備須要添加一個充電端口控製器IC才能自動檢測插入的設備並設置正確的電壓和電流才可以進行充電。
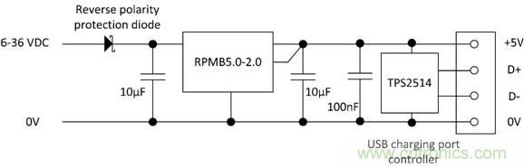
在下方的示例中,TI TSP2514充電端口控製器與SMD貼片式RPMB5.0-2.0降壓轉換器配合使用,可為各種便攜式設備提供高達1.5A的連續充電電流(快速充電):

圖3:RPMB的充電端口控製器IC為不同製造商的便攜式設備充電
上麵的示例適用於12V或24V電池電源電壓,但是如果是更高的輸入電壓範圍(例如,與48V鋰離子電池電源一起使用),需要使用一個最高可以處理60VDC輸入電壓的轉換器以應付高充電電壓,而RPMH5.0-1.5就是理想的選擇。在輸入端和使能引腳之間接入分壓電阻可提供欠壓保護;如下圖所示,如果輸入電壓降至20V以下轉換器將自動關閉,保護電池不受深度放電的傷害。

圖4:用於高輸入電壓的DCP (RPMH)
某些應用需要隔離的充電端口以避免輸出引腳意外跨接到電源的時候短路。RS6-4805S是一個合適的解決方案,小巧的SIP8封裝提供高達1200mA的電流。RS6係列還內置欠壓鎖定功能以防止深度放電造成電池損壞、1.6kVDC/1分鍾的隔離、100V的浪湧承受力,以及使用TVS二極管的±1kV瞬態保護功能。需要電源時,RS12係列通過同一SIP8引腳提供高達2.4A的電流。

圖5:具有100VDC浪湧承受力的隔離USB DCP
免責聲明:本文為轉載文章,轉載此文目的在於傳遞更多信息,版權歸原作者所有。本文所用視頻、圖片、文字如涉及作品版權問題,請電話或者郵箱聯係小編進行侵刪。
特別推薦
- 噪聲中提取真值!瑞盟科技推出MSA2240電流檢測芯片賦能多元高端測量場景
- 10MHz高頻運行!氮矽科技發布集成驅動GaN芯片,助力電源能效再攀新高
- 失真度僅0.002%!力芯微推出超低內阻、超低失真4PST模擬開關
- 一“芯”雙電!聖邦微電子發布雙輸出電源芯片,簡化AFE與音頻設計
- 一機適配萬端:金升陽推出1200W可編程電源,賦能高端裝備製造
技術文章更多>>
- 算力爆發遇上電源革新,大聯大世平集團攜手晶豐明源線上研討會解鎖應用落地
- 築基AI4S:摩爾線程全功能GPU加速中國生命科學自主生態
- 一秒檢測,成本降至萬分之一,光引科技把幾十萬的台式光譜儀“搬”到了手腕上
- AI服務器電源機櫃Power Rack HVDC MW級測試方案
- 突破工藝邊界,奎芯科技LPDDR5X IP矽驗證通過,速率達9600Mbps
技術白皮書下載更多>>
- 車規與基於V2X的車輛協同主動避撞技術展望
- 數字隔離助力新能源汽車安全隔離的新挑戰
- 汽車模塊拋負載的解決方案
- 車用連接器的安全創新應用
- Melexis Actuators Business Unit
- Position / Current Sensors - Triaxis Hall
熱門搜索
微波功率管
微波開關
微波連接器
微波器件
微波三極管
微波振蕩器
微電機
微調電容
微動開關
微蜂窩
位置傳感器
溫度保險絲
溫度傳感器
溫控開關
溫控可控矽
聞泰
穩壓電源
穩壓二極管
穩壓管
無焊端子
無線充電
無線監控
無源濾波器
五金工具
物聯網
顯示模塊
顯微鏡結構
線圈
線繞電位器
線繞電阻


