利用QFN 封裝的高功率降壓型穩壓器可有效減小 DC/DC 轉換器的尺寸
發布時間:2021-06-25 責任編輯:lina
【導讀】功耗是工業和汽車應用 DC/DC 轉換器設she計ji師shi麵mian臨lin的de重zhong大da問wen題ti,因yin為wei這zhe類lei應ying用yong需xu要yao大da電dian流liu,但dan是shi空kong間jian受shou限xian。用yong高gao性xing能neng分fen立li式shi組zu件jian可ke以yi構gou成cheng高gao效xiao率lv穩wen壓ya器qi,但dan是shi其qi費fei用yong之zhi高gao和he解jie決jue方fang案an占zhan板ban麵mian積ji之zhi大da卻que使shi這zhe種zhong方fang法fa令ling人ren難nan以yi承cheng受shou。
功耗是工業和汽車應用 DC/DC zhuanhuanqishejishimianlindezhongdawenti,yinweizheleiyingyongxuyaodadianliu,danshikongjianshouxian。yonggaoxingnengfenlishizujiankeyigouchenggaoxiaolvwenyaqi,danshiqifeiyongzhigaohejiejuefanganzhanbanmianjizhidaqueshizhezhongfangfalingrennanyichengshou。LT8612 / LT8613 高效率降壓型穩壓器在單個 IC 中集成了所有必要的組件,顯著地減小了 DC/DC 轉換器的尺寸,甚至在麵對高降壓比時也可以。這些器件還可以並聯,以增強輸出電流能力並分散負載和熱量。
包括在這些調節器中的其它期望功能有:超低靜態電流以最大限度延長電池壽命;高開關頻率以最大限度減小解決方案尺寸並避開噪聲敏感頻段。
采用 3mm x 6mm 封裝的高效率 42V、6A 穩壓器
LT8612 / LT8613 是 42V、6A 降壓型單片式穩壓器。其集成的高效率電源開關功耗很低,因此這些開關、升壓二極管、內部補償和所有必要的電路都密封在一個纖巧的 3mm x 6mm QFN 封裝中,不會產生過熱問題。圖 1 顯示了一個典型的 5V/30W LT8612 轉換器,其效率和功耗如圖 2 所示。甚至在 24V 輸入電壓時,LT8612 也能產生 30W 輸出,且溫升不超過 50°C。在負載範圍的另一端,LT8612 / LT8613 以低紋波突發模式 (Burst Mode®) 運行,以在超低負載情況下提高效率。

圖 1:采用 LT8612 的 5V/30W 降壓型轉換器

圖 2:圖 1 所示 5V/30W LT8612 降壓型轉換器的效率和功耗
EFFICIENCY:效率
POWER LOSS:功耗
LOAD CURRENT:負載電流
LT8612 / LT8613 的最小接通時間短至 40ns,從而允許很高的 VIN/VOUT 比,即使在很高的開關頻率時也是如此。高達 2.2MHz 的(de)開(kai)關(guan)頻(pin)率(lv)最(zui)大(da)限(xian)度(du)減(jian)小(xiao)了(le)功(gong)率(lv)電(dian)感(gan)器(qi)和(he)輸(shu)出(chu)電(dian)容(rong)器(qi)的(de)尺(chi)寸(cun)和(he)值(zhi)。此(ci)外(wai),可(ke)以(yi)基(ji)於(yu)輸(shu)出(chu)負(fu)載(zai)要(yao)求(qiu)有(you)把(ba)握(wo)地(di)改(gai)變(bian)電(dian)感(gan)器(qi)的(de)大(da)小(xiao),而(er)無(wu)需(xu)使(shi)用(yong)較(jiao)大(da)的(de)電(dian)感(gan)器(qi)來(lai)進(jin)行(xing)設(she)計(ji),這(zhe)是(shi)器(qi)件(jian)的(de)高(gao)速(su)峰(feng)值(zhi)電(dian)流(liu)模(mo)式(shi)架(jia)構(gou)和(he)可(ke)靠(kao)的(de)開(kai)關(guan)設(she)計(ji)帶(dai)來(lai)的(de)結(jie)果(guo)。
多相設計增強輸出電流能力
在汽車和工業應用中,超過 6A 的負載並非不常見。就這些電流相對較大的情況而言,多相設計可以增強 LT8612 / LT8613 穩壓器的輸出能力。LT8613 具(ju)內(nei)置(zhi)軌(gui)至(zhi)軌(gui)電(dian)流(liu)檢(jian)測(ce)放(fang)大(da)器(qi)以(yi)及(ji)監(jian)視(shi)器(qi)和(he)控(kong)製(zhi)引(yin)腳(jiao),從(cong)而(er)可(ke)實(shi)現(xian)準(zhun)確(que)的(de)輸(shu)入(ru)或(huo)輸(shu)出(chu)平(ping)均(jun)電(dian)流(liu)調(tiao)節(jie)。這(zhe)個(ge)電(dian)流(liu)環(huan)路(lu)調(tiao)節(jie)內(nei)部(bu)開(kai)關(guan)電(dian)流(liu)限(xian)製(zhi),這(zhe)樣(yang)跨(kua) ISP / ISN 引腳的電壓就不會超過 ICTRL 引腳設定的電壓。另一個 IMON 引腳用來監視通過 ISP / ISN 引腳測量的平均電流。這種電流控製功能可在幾個 LT8613 之間實現準確的均電,而無需任何額外的控製電路。
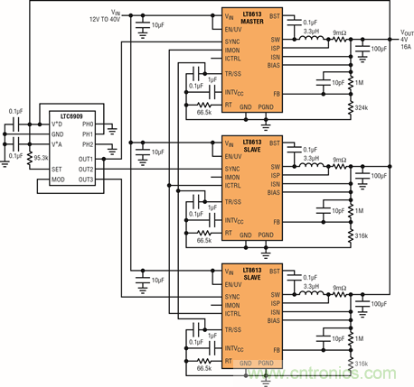
圖 3 顯示了三個 LT8613 並聯以提供高達 16A 輸出的電路。最上麵一個 LT8613 是主穩壓器,其輸出電壓設定為 4V,另外兩個 LT8613 是從屬穩壓器,其輸出電壓設定為略高於 4V。

圖 3:以一個三相設計的 3 個並聯 LT8613 在 4V VOUT 時提供 16A
為了在 3 個 LT8613 穩壓器之間均流,主穩壓器 LT8613 的 IMON 引腳連至從屬 LT8613 的 ICTRL 引腳。3 個 LT8613 穩壓器由 LTC6909 振蕩器產生的三相 700kHz 時鍾信號 (120° 相移) 同步。圖 4 顯示了這個三相 LT8613 設計的熱像。這些 LT8613 的溫度相似表明,三相之間的電流是均勻分配的。這個設計的效率如圖 5 所示。

圖 4:三相 LT8613 設計的熱像顯示,電流均分是平衡的

圖 5:圖 3 所示三相 LT8613 設計的典型效率曲線
EFFICIENCY:效率
LOAD CURRENT:負載電流
如果期望給這些相位之間的均流加權,也就是說讓電流均分不平衡,那麼簡單地調節跨 ISP 和 ISN 引腳的檢測電阻值即可。
結論
LT8612 和 LT8613 是全麵集成的高功率密度單片式降壓型穩壓器,可滿足挑戰性的汽車和工業應用需求。這些穩壓器能夠非常方便地並聯,以用於高效率、大電流應用,構成占板麵積緊湊的解決方案。
(來源:ADI公司,作者:Ying Cheng,電源產品部 高級應用工程師 )
免責聲明:本文為轉載文章,轉載此文目的在於傳遞更多信息,版權歸原作者所有。本文所用視頻、圖片、文字如涉及作品版權問題,請電話或者郵箱聯係小編進行侵刪。
特別推薦
- 噪聲中提取真值!瑞盟科技推出MSA2240電流檢測芯片賦能多元高端測量場景
- 10MHz高頻運行!氮矽科技發布集成驅動GaN芯片,助力電源能效再攀新高
- 失真度僅0.002%!力芯微推出超低內阻、超低失真4PST模擬開關
- 一“芯”雙電!聖邦微電子發布雙輸出電源芯片,簡化AFE與音頻設計
- 一機適配萬端:金升陽推出1200W可編程電源,賦能高端裝備製造
技術文章更多>>
- 築基AI4S:摩爾線程全功能GPU加速中國生命科學自主生態
- 一秒檢測,成本降至萬分之一,光引科技把幾十萬的台式光譜儀“搬”到了手腕上
- AI服務器電源機櫃Power Rack HVDC MW級測試方案
- 突破工藝邊界,奎芯科技LPDDR5X IP矽驗證通過,速率達9600Mbps
- 通過直接、準確、自動測量超低範圍的氯殘留來推動反滲透膜保護
技術白皮書下載更多>>
- 車規與基於V2X的車輛協同主動避撞技術展望
- 數字隔離助力新能源汽車安全隔離的新挑戰
- 汽車模塊拋負載的解決方案
- 車用連接器的安全創新應用
- Melexis Actuators Business Unit
- Position / Current Sensors - Triaxis Hall
熱門搜索
微波功率管
微波開關
微波連接器
微波器件
微波三極管
微波振蕩器
微電機
微調電容
微動開關
微蜂窩
位置傳感器
溫度保險絲
溫度傳感器
溫控開關
溫控可控矽
聞泰
穩壓電源
穩壓二極管
穩壓管
無焊端子
無線充電
無線監控
無源濾波器
五金工具
物聯網
顯示模塊
顯微鏡結構
線圈
線繞電位器
線繞電阻



