使用數字多相控製器為數據中心提供支持
發布時間:2021-03-01 來源:Yat Tam 責任編輯:wenwei
【導讀】T服務的爆炸式增長正在推動著數據中心、網絡和電信設備的重大發展。而創新需求也對處理這些日益增多的數據的服務器、存(cun)儲(chu)和(he)網(wang)絡(luo)交(jiao)換(huan)機(ji)產(chan)生(sheng)了(le)一(yi)定(ding)的(de)影(ying)響(xiang)。在(zai)此(ci)推(tui)動(dong)下(xia),基(ji)礎(chu)設(she)施(shi)設(she)備(bei)的(de)處(chu)理(li)能(neng)力(li)和(he)帶(dai)寬(kuan)都(dou)達(da)到(dao)了(le)極(ji)限(xian)。對(dui)於(yu)電(dian)源(yuan)設(she)計(ji)人(ren)員(yuan)來(lai)說(shuo),他(ta)們(men)麵(mian)對(dui)的(de)主(zhu)要(yao)挑(tiao)戰(zhan)是(shi)如(ru)何(he)使(shi)用(yong)最(zui)少(shao)的(de)電(dian)力(li)高(gao)效(xiao)地(di)為(wei)數(shu)據(ju)中(zhong)心(xin)設(she)備(bei)供(gong)電(dian),並(bing)提(ti)高(gao)它(ta)們(men)的(de)散(san)熱(re)性(xing)能(neng)。而(er)針(zhen)對(dui)先(xian)進(jin)的(de) CPU/ASIC 和 FPGA 時,設計人員還必須平衡好功耗與散熱性能。
多相解決方案改善了數據中心的效率和尺寸
suizhezhongduanxitonggongnengdezengduo,chuligonglvyexiangyingtigao,yimanzuxindeshujuzhongxinshejiyaoqiu。zhezhonggaochulinenglixuqiuzhuyaojizhongzaishujuzhongxinyingyongzhong,shuzizhongxincaiyonggaoduan CPU/ASIC 和處理器來運行服務器、存儲和網絡設備。服務器和網絡設備則通過電信設備分布至網絡,然後通過 CPU/ASIC 和 FPGA 的銷售點設備、台式電腦和嵌入式計算係統進行工作。
在上述示例中,CPU/ASIC 和he處chu理li器qi具ju有you相xiang似si的de數shu字zi處chu理li需xu求qiu,以yi及ji相xiang似si的de功gong率lv分fen布bu。雖sui然ran如ru今jin處chu理li器qi的de尺chi寸cun不bu斷duan縮suo小xiao,但dan它ta們men采cai用yong了le更geng多duo的de晶jing體ti管guan,因yin此ci需xu要yao更geng高gao的de輸shu出chu電dian流liu,範fan圍wei一yi般ban在zai 100A 至 500A 之間,甚至更高,具體由其複雜程度決定。 gaixingyetongguozaishuzifuzaizhongjichengdigonglvzhuangtailaitiaozhengzhezhongqingkuang。cijushideshebeinengzaikongxianshiyigengdidianliuyunxing,zaixuyaoshizaianquangonglvyunxing。zheyouliyukongzhizhenggexitongdegonglvyusuan,danhuigeiquangonglvduandedianyuanshejirenyuandailailingyixiangtiaozhan。shouxian,shujuzhongxindianyuanbixuduixuyaozaibudao 1 微秒的時間內實現超過 100A 的大階躍載荷做出響應,同時還需保持很窄的輸出調整率。其次,必須小心可靠地管理散熱性能,才能繼續保持全功率範圍。
多相電壓調節器模塊(VRM)可以解決這些挑戰。VRM 提供電源轉換,一般是從 12V 輸入轉換至 1V(或更低)輸出。 要提供如此大的負載電流,更簡單的方法是設計一個多相解決方案,將負載分配給多個更小的功率級(所謂的相),erbushichangshishiyongdanxianglaitigong。zaishejidiancihegonglvji,yijiyaoconggonghaodejiaodujiejuesanrewentishi,xiangyaotongguodanxiangtigongtaiduodianliushiyixiangjudadetiaozhan。xiangbitongguodanxiangtigongdadianliu,duoxiangjiejuefanganzejuyougaoxiaolv、小尺寸和低成本等特點。這與多核 CPU 類似,該 CPU 會拆分末端負載的工作負載。
對電源數據中心的數字控製
jishinianlai,renmenyizhijiangmonikongzhizuoweizhidexinlaidefangfahedianyuanxitongjiejuefangan。danshi,zaishejidadianliuhegaogonglvyingyongshi,monikongzhicunzaiyidingdequexian。duiyugaoduandianyuanjiejuefangan,dianyuanxitongxuyaogengjiazhinenghuabingnengjichengdaozhenggejiejuefanganzhong,qiedianyuanjiejuefanganhezhu CPU/ASIC 之間的通信應該是一項硬性設計要求。
因此,數字控製解決方案非常適合數據中心應用。 為幫助理解,我們以 MPS 的 MP2888A 為例,這是一款數字多相控製器,可以替代傳統的模擬控製器。MP2888A 是一款具有 PMBus 和 PWM-VID 接口的 10 相數字多相控製器 (參見表 1).

表 1: MPS 數字控製器對比傳統模擬控製器
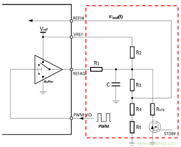
由於采用數字控製技術,僅需在封裝中配置一個單獨的引腳,MP2888A便可支持PWM-VID。 如果是采用模擬控製器,想要實現相同的功能,一般需要使用 4個 引腳並需要額外添加7 個以上高精度外部元器件 (參見圖 1). 雖然高精度元器件提升了設備功能,但它們也增加了整體方案成本。

a) 支持PWM-VID 和 REFIN 的模擬控製器方案電路

b) 支持PWM-VID 和 REFIN 的,集成可編程寄存器MP2888A方案電路
圖1:支持PWM-VID(模擬控製器對比數字控製器)
傳統的模擬控製器需要采用 RC 電dian路lu來lai構gou建jian反fan饋kui補bu償chang環huan路lu。要yao優you化hua補bu償chang回hui路lu,需xu要yao進jin行xing多duo次ci迭die代dai來lai計ji算suan外wai部bu部bu件jian的de正zheng確que值zhi從cong而er滿man足zu多duo種zhong工gong作zuo條tiao件jian。在zai測ce試shi和he重zhong新xin測ce試shi係xi統tong之zhi前qian,工gong程cheng師shi還hai必bi須xu更geng改gai這zhe些xie部bu件jian。數shu字zi控kong製zhi解jie決jue方fang案an避bi免mian了le潛qian在zai的de重zhong複fu勞lao動dong,使shi係xi統tong微wei調tiao變bian得de更geng加jia容rong易yi。
因為具有自動環路補償功能,數字控製解決方案無需使用任何外部元器件,且可以通過使用 PMBus 調整寄存器設置來輕鬆完成微調。還可以使用一個寄存器來正確設置公差範圍,由此輕鬆完成負載-線性校準——在超頻期間,此功能非常有用,可以幫助穩定 CPU/ASIC。與數字控製器相比,模擬控製器需要使用14 個以上外部部件來進行環路補償和負載-線性校準(參見圖 2)。 模擬控製器。 (參見圖2).

圖 2: 負載-線性和環路補償(模擬控製器對比數字控製器)
數字控製器可以簡化係統設計。 對於工程師而言,可以幫助簡化 PCB 布局設計。 圖 3 為模擬控製器和數字控製器對比圖。 數字控製器可以節省 36% 的占板麵積,需要的傳統部件數量不到原來的一半。

圖 3: PCB 布局的複雜程度(模擬控製器對比數字控製器)
典型的模擬控製器使用一個 PWM 信號來驅動單個功率級。對於數據中心等高功率應用,其處理器要求至少 500A 或更高的負載電流,一般采用的方法是:
1. 選擇相位數量最多的控製器(例如 20 個相位)
2. 使用倍相器,通過生成兩個交錯並聯的信號(由原始信號構成)來使相位數量翻倍
但是,目前市麵上尚沒有 20 相模擬或數字控製器,而且倍相器會增加部件數量和成本,同時增高係統設計的複雜性。
與此相反,數字控製器(例如 MP2888A)可以通過一個通用 PWM 信號來驅動兩個功率級 (參見圖4).此類數字控製器無需采用倍相器,還可確保兩個功率級之間的均流。因此,一個 10 相數字多相控製器堪比 20 相係統設計。

圖 4: MP2888A 采用一個常用 PWM 信號來驅動兩個Intelli-PhaseTM設備
結論
多相解決方案已逐步發展為數字控製方案,它能夠更有效地解決大電流/功率應用挑戰,例如數據中心此類應用。通過采用數字控製解決方案,可以大幅降低部件選擇、環路/性能優化和布局等帶來的負擔。這些控製解決方案縮短了整體設計和解決係統故障所需的時間,最終加快了上市速度。
免責聲明:本文為轉載文章,轉載此文目的在於傳遞更多信息,版權歸原作者所有。本文所用視頻、圖片、文字如涉及作品版權問題,請聯係小編進行處理。
推薦閱讀:
開關模式電源電流檢測——第二部分:何處放置檢測電阻
特別推薦
- 噪聲中提取真值!瑞盟科技推出MSA2240電流檢測芯片賦能多元高端測量場景
- 10MHz高頻運行!氮矽科技發布集成驅動GaN芯片,助力電源能效再攀新高
- 失真度僅0.002%!力芯微推出超低內阻、超低失真4PST模擬開關
- 一“芯”雙電!聖邦微電子發布雙輸出電源芯片,簡化AFE與音頻設計
- 一機適配萬端:金升陽推出1200W可編程電源,賦能高端裝備製造
技術文章更多>>
- 築基AI4S:摩爾線程全功能GPU加速中國生命科學自主生態
- 一秒檢測,成本降至萬分之一,光引科技把幾十萬的台式光譜儀“搬”到了手腕上
- AI服務器電源機櫃Power Rack HVDC MW級測試方案
- 突破工藝邊界,奎芯科技LPDDR5X IP矽驗證通過,速率達9600Mbps
- 通過直接、準確、自動測量超低範圍的氯殘留來推動反滲透膜保護
技術白皮書下載更多>>
- 車規與基於V2X的車輛協同主動避撞技術展望
- 數字隔離助力新能源汽車安全隔離的新挑戰
- 汽車模塊拋負載的解決方案
- 車用連接器的安全創新應用
- Melexis Actuators Business Unit
- Position / Current Sensors - Triaxis Hall
熱門搜索




