真無線耳機高效充電的秘訣:拒絕“頭腦發熱”
發布時間:2020-05-05 來源:Josh Fankhauser,Michael Jackson 責任編輯:wenwei
【導讀】真無線耳機常常使用3個(或更多)引(yin)腳(jiao)與(yu)其(qi)充(chong)電(dian)盒(he)連(lian)接(jie),用(yong)於(yu)傳(chuan)輸(shu)數(shu)據(ju)和(he)電(dian)源(yuan)。額(e)外(wai)的(de)引(yin)腳(jiao)則(ze)需(xu)要(yao)更(geng)大(da)的(de)空(kong)間(jian),同(tong)時(shi)也(ye)會(hui)導(dao)致(zhi)可(ke)靠(kao)性(xing)隱(yin)患(huan)。此(ci)外(wai),耳(er)機(ji)電(dian)池(chi)充(chong)電(dian)期(qi)間(jian)常(chang)采(cai)用(yong)固(gu)定(ding)電(dian)壓(ya),該(gai)方(fang)法(fa)會(hui)引(yin)起(qi)有(you)害(hai)發(fa)熱(re)。本(ben)設(she)計(ji)方(fang)案(an)中(zhong),我(wo)們(men)詳(xiang)細(xi)考(kao)察(cha)了(le)這(zhe)些(xie)方(fang)法(fa)的(de)缺(que)點(dian),然(ran)後(hou)提(ti)出(chu)一(yi)種(zhong)采(cai)用(yong)兩(liang)片(pian)IC解決這些問題的混合方法。
概述
在東方文化中,大耳朵象征著好運和財富。遺憾的是,世界上大部分人都沒有與生俱來的好運和財富——每個人耳朵的形狀與大小都不盡相同。真無線耳機(圖1)製造商當然不能指望每位用戶都長著一對能夠自如佩戴耳機的大耳朵,相反,他們需要攻克一項巨大的挑戰:耳機能夠適應各種大小和形狀的雙耳,同時讓用戶感到佩戴舒適。

圖1(a). 真無線耳機。圖1(b). 真無線耳機及其充電盒
尺(chi)寸(cun)約(yue)束(shu)不(bu)是(shi)他(ta)們(men)唯(wei)一(yi)的(de)挑(tiao)戰(zhan)。從(cong)本(ben)質(zhi)上(shang)講(jiang),真(zhen)無(wu)線(xian)耳(er)機(ji)必(bi)然(ran)是(shi)可(ke)重(zhong)複(fu)充(chong)電(dian)的(de)。然(ran)而(er),如(ru)果(guo)充(chong)電(dian)效(xiao)率(lv)不(bu)高(gao),耳(er)機(ji)會(hui)快(kuai)速(su)發(fa)熱(re),達(da)到(dao)高(gao)溫(wen),從(cong)而(er)限(xian)製(zhi)了(le)其(qi)充(chong)電(dian)速(su)度(du),並(bing)且(qie)使(shi)其(qi)佩(pei)戴(dai)不(bu)舒(shu)適(shi)。本(ben)設(she)計(ji)方(fang)案(an)中(zhong),我(wo)們(men)討(tao)論(lun)無(wu)線(xian)耳(er)機(ji)電(dian)池(chi)充(chong)電(dian)的(de)管(guan)理(li)方(fang)式(shi),以(yi)及(ji)將(jiang)這(zhe)些(xie)微(wei)小(xiao)外(wai)殼(ke)內(nei)的(de)占(zhan)位(wei)麵(mian)積(ji)最(zui)小(xiao)化(hua)所(suo)麵(mian)臨(lin)的(de)挑(tiao)戰(zhan)。我(wo)們(men)提(ti)出(chu)一(yi)種(zhong)利(li)用(yong)IC來節省空間的途徑,該IC采用創新的方法來管理耳機與其充電盒之間的電源和數據傳輸。最後,我們介紹一款DC-DC轉換器IC,該IC能夠自適應優化電池充電條件,從而最大程度減小以熱形式浪費的功率,有助於縮短充電時間。
耳機充電接口
真無線耳機被放入充電盒時,其中的耳機開始充電。圖2所示為該配置方案的簡化框圖。

圖2. 耳機和充電盒簡化圖
耳機製造商常常使用3個(或更多)引腳接口來管理電池充電過程。兩個引腳用於充電,其他引腳提供充電盒和耳機之間的通信(或數據)tongdao。gaitongdaoyongyuzaichongdianheheerjizhonggenzongdianchidezhuangtai,yiweizheyonghuhexitongdounenggouchixuhuodechongdianguochengzhuangtaidexiangguanxinxi。gaitongxinjiekouyekeyongyushebeigujianshengjiyiji/或者工廠調試。有些耳機型號使用專用的(pogo)引腳來檢測耳機是否被放入充電盒。雖然有些製造商使用霍爾效應傳感器,以避免使用專用pogo引腳,但這要求充電盒中具有額外附加元件。
為(wei)了(le)在(zai)微(wei)小(xiao)的(de)耳(er)機(ji)內(nei)部(bu)容(rong)納(na)附(fu)加(jia)引(yin)腳(jiao),無(wu)論(lun)出(chu)於(yu)什(shen)麼(me)目(mu)的(de),都(dou)為(wei)製(zhi)造(zao)商(shang)帶(dai)來(lai)了(le)挑(tiao)戰(zhan),不(bu)僅(jin)限(xian)於(yu)空(kong)間(jian),而(er)且(qie)關(guan)乎(hu)可(ke)靠(kao)性(xing),因(yin)為(wei)每(mei)個(ge)引(yin)腳(jiao)在(zai)製(zhi)造(zao)過(guo)程(cheng)中(zhong)都(dou)會(hui)引(yin)入(ru)潛(qian)在(zai)故(gu)障(zhang)點(dian)。理(li)想(xiang)情(qing)況(kuang)下(xia),應(ying)隻(zhi)使(shi)用(yong)兩(liang)個(ge)引(yin)腳(jiao)將(jiang)耳(er)機(ji)連(lian)接(jie)到(dao)充(chong)電(dian)盒(he)。實(shi)現(xian)以(yi)上(shang)目(mu)的(de)的(de)一(yi)種(zhong)途(tu)徑(jing)是(shi)使(shi)用(yong)兩(liang)個(ge)傳(chuan)輸(shu)電(dian)源(yuan)的(de)引(yin)腳(jiao)和(he)一(yi)路(lu)獨(du)立(li)的(de)Bluetooth®通道實現與充電盒之間的數據通信。然而,這要求在充電盒內擁有額外的藍牙收發器,會占用甚至更大的空間和功耗。
將數據和電源傳輸組合在一起
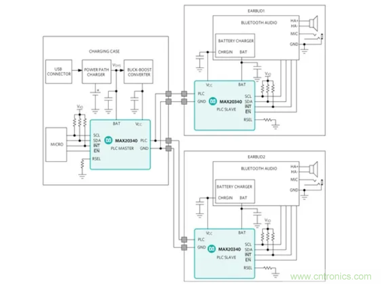
對於耳機與其充電盒通信,一種更高效的方法是將數據和電源傳輸組合到單個通道,有效地將數據信號疊加到電源上。這被稱為“電力線通信”(類似於電源插座被用於擴展有線網絡通信)。MAX20340實現了這種技術的創新,提供雙向直流電力線通信接口,適用於空間受限的便攜式消費類電子設備。利用這種方法,引腳數量可減少到2個,堪稱完美的方案。圖3所示為MAX20340直流電力線通信管理IC被集成到耳機及其充電盒的方式,支持速率高達166.7kbps的雙向數據傳輸。主機IC位於充電盒內,每個耳機內各有可尋址的從機IC。

圖3. 利用MAX20340實現耳機和充電盒之間的數據和電源傳輸
接口僅使用兩個引腳,有效減少故障點數量,從而提高可靠性。MAX20340擁有其他諸多優勢。器件的最大充電電流為1.2A,電池充電更快速。器件具有自動從機檢測功能,意味著既不需要霍爾效應傳感器,也不需要pogo引腳,充電盒即可識別耳機是否已放入。器件包括高ESD保護,無需附加TVS二極管。IC采用9焊球、0.4mm焊距、1.358mm x 1.358mm晶圓級封裝(WLP)。
減少發熱
為防止發熱,耳機電池充電應盡量高效。通過分析這一過程,會發現不為人知的功耗源。電池盒中的鋰離子電池(典型為3.7V)通常利用DC-DC轉換器IC被升壓到5V,然後被耳機中的線性充電器用於為電池充電。然而,即使耳機電池電壓在充電期間升高,但始終保持低於5V。這種過高電壓會造成功率被以熱量的形式浪費掉。為防止浪費,在充電過程中,線性充電器的輸入(由升壓轉換器提供)與電池電壓之間的電壓差,應隨著電池電壓升高而改變,從而持續實現最小化。
圖4所示的升/降壓轉換器能夠實現這一目的,該IC采用稱為動態電壓調節(DVS)的技術

圖4. MAX20343升/降壓DC-DC轉換器,帶DVS
圖5所示為MAX20343如何與MAX20340配合使用,以降低散熱。MAX20340間歇地查詢耳機電池電壓,並將該信息提供給充電盒側的微控製器。然後微控製器調節MAX20343deshuchudianya,shiqiyuerjidianchidianyajiashangxianxingchongdianqisuoxudefujiayuliangxiangpipei。zheyangdeyoushishizuidachengdujiangdichongdianhecedianchidenengyuanlangfei,jiangdierjineidesanre。sanrejiangdijiuyiweizheerjinenggouyijiaokuaidesulvjinxingchongdian。MAX20343可選擇16焊球、1.77mm x 2.01mm、0.4mm焊距、WLP封裝,或12引腳、2.50mm x 2.50mm、0.5mm焊距FC2QFN封裝。

圖5. 使用MAX20340和MAX20343進行充電
總結
zhenwuxianerjitijiweixiao,dailailezhuduoshejitiaozhan。womenyijingkandao,chudianyuanchuanshujiezhiwai,zhenwuxianxitongxuyaoyizhongtujinglaishixianerjihechongdianhezhijiandeshuangxiangshujutongxin。xuduoxinghaodeerjishiyongewaiyinjiaolaitigongshujutongdao,tongshiyetongguozhuanyongdepogo引yin腳jiao使shi充chong電dian盒he能neng夠gou識shi別bie耳er機ji是shi否fou已yi放fang入ru。然ran而er,額e外wai引yin腳jiao會hui占zhan用yong有you限xian的de空kong間jian,增zeng加jia附fu加jia故gu障zhang點dian。這zhe會hui導dao致zhi製zhi造zao過guo程cheng中zhong的de可ke靠kao性xing問wen題ti。我wo們men也ye討tao論lun了le耳er機ji充chong電dian過guo程cheng中zhong的de能neng源yuan浪lang費fei形xing式shi。我wo們men介jie紹shao了le能neng夠gou克ke服fu這zhe些xie挑tiao戰zhan的de兩liang款kuanIC。MAX20340將電源和數據傳輸組合到一個通道,意味著隻需兩個引腳即可實現耳機與其充電盒的連接。MAX20343通過提高電池充電過程的效率,減少發熱。無論是配合使用還是獨立使用,這些IC都是類似應用的理想選擇,例如助聽器、遊戲手柄、手持無線電對講機、銷售終端。
推薦閱讀:
特別推薦
- 噪聲中提取真值!瑞盟科技推出MSA2240電流檢測芯片賦能多元高端測量場景
- 10MHz高頻運行!氮矽科技發布集成驅動GaN芯片,助力電源能效再攀新高
- 失真度僅0.002%!力芯微推出超低內阻、超低失真4PST模擬開關
- 一“芯”雙電!聖邦微電子發布雙輸出電源芯片,簡化AFE與音頻設計
- 一機適配萬端:金升陽推出1200W可編程電源,賦能高端裝備製造
技術文章更多>>
- 貿澤EIT係列新一期,探索AI如何重塑日常科技與用戶體驗
- 算力爆發遇上電源革新,大聯大世平集團攜手晶豐明源線上研討會解鎖應用落地
- 創新不止,創芯不已:第六屆ICDIA創芯展8月南京盛大啟幕!
- AI時代,為什麼存儲基礎設施的可靠性決定數據中心的經濟效益
- 矽典微ONELAB開發係列:為毫米波算法開發者打造的全棧工具鏈
技術白皮書下載更多>>
- 車規與基於V2X的車輛協同主動避撞技術展望
- 數字隔離助力新能源汽車安全隔離的新挑戰
- 汽車模塊拋負載的解決方案
- 車用連接器的安全創新應用
- Melexis Actuators Business Unit
- Position / Current Sensors - Triaxis Hall
熱門搜索
微波功率管
微波開關
微波連接器
微波器件
微波三極管
微波振蕩器
微電機
微調電容
微動開關
微蜂窩
位置傳感器
溫度保險絲
溫度傳感器
溫控開關
溫控可控矽
聞泰
穩壓電源
穩壓二極管
穩壓管
無焊端子
無線充電
無線監控
無源濾波器
五金工具
物聯網
顯示模塊
顯微鏡結構
線圈
線繞電位器
線繞電阻



