UCC28780自適應零電壓開關有源鉗位反激式控製器
發布時間:2019-06-04 責任編輯:wenwei
【導讀】UCC28780 是一款高頻有源鉗位反激變換控製器,可用來設計高功率密度的 AC-DC 電源,符合嚴苛能耗標準,比如 DoE Level VI 和 EU CoC V5 Tier-2。
有用過此芯片的工程師也經常提問到,有沒有更快更好的方式調試和使用好該芯片呢?下麵和小編一起認識下 UCC28780 吧!
UCC28780 基礎認識
作為 TI HVP 係列裏的新生代,UCC28780 具有以下幾個優勢:
1. 控製算法可編程,可以用來優化算法去驅動 SiMOSFET 和 GaN FET。
2. 可驅動 GaN FET 和 driver 集成器件,效率更高。
3. 寬輸入範圍內通過自動調整技術,死區時間優化和可變開關頻率控製算法來實現 ZVS (零電壓開關)。
4. 基於輸入輸出變化,自適應多模式控製,降低可聽到的噪聲,提高效率。
5. 高達 1MHz 的可變開關頻率使得外部無源器件尺寸更小,提高功率密度。
6. 可用在機頂盒,筆記本,台式機電源,USB PD,快充等。
7. 與帶漏源電壓檢測功能的同步整流控製器共同工作,就能達到更高的轉換效率。

典型應用

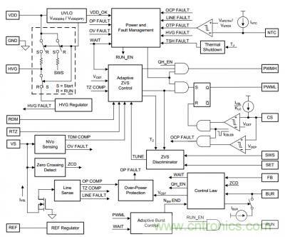
芯片內部簡化框圖
UCC28780 深入了解
■ 豐富、簡單的 Pin 腳定義和設置
UCC28780 有 16 個 pin 腳,提供 SOIC 和 WQFN 兩種封裝形式供工程師選擇,設置了豐富而又簡單設置的 Pin 腳,來調節和優化有源鉗位反激方案的參數。
比如下麵幾個 Pin 腳:
● Bur:連接外部分壓電阻設置輕載下的 burst 模式下的電平,調節峰值電流
● CS:低端 FET 電流檢測,檢測和控製每個周期的峰值電流
● NTC:通過負溫度係數電阻,進行溫度檢查和保護
● RTZ:連接外部電阻調節自適應的過渡到零延遲
● SET:用來設置外部 FET 是 GaN 還是 Si 器件,控製器會選擇相應優化算法
● SWS:通過 network 與 SWNode 相連來檢測 FET 上電壓從而達到 ZVS 控製
■ 多種運行模式,提高效率
● 在不同的輸入電壓和輸出功率下,內置四種運行模式來提高效率,降低損耗。
● 自適應幅度調製模:在重載下調初級整峰值電流;
● 自適應間歇振蕩模式:在中低負載範圍內調節每個脈衝群的脈衝數量;
● 低功率模式:降低脈衝群的兩個脈衝的初級峰值電流;
● 待機功率模式:在無負載時通過降低突發群的 頻率降低係統損耗;
表一


整個負載範圍內的控製法則
UCC28780 獨特的間歇振蕩模式控製在有源鉗位反激中提高了輕載時的效率,同時降低了常規間歇振蕩模式的缺點:輸出紋波和可聽噪聲。 jichenglebaohutexinglaidadaozuidaxiandudekekaoxing,biruruanqidong,shurudianyabaohu,guowenbaohu,shuchuguoyabaohu,shuchuguozaibaohu,guoliuyijishuchuduanludeng。
■ 帶自動調整的自適應 ZVS (零電壓開關) 控製
我們以下麵的框圖來了解一下 UCC28780 的 ZVS 控製。
● 高電壓檢測網絡從開關節點電壓 (Vsw) 處給 SWS pin 腳提供電壓。
● ZVS 鑒別器識別是否達到了 ZVS 要求,判斷調整 PWMH 的導通時間 (tDM), 通過檢測 Vsw 電壓是否達到了預定的 ZVS 閾值 (VTH(SWS)),圖中 tz 為目標零電壓轉換時間,由內置 PWMH to PWML 死區時間優化器控製。

自適應 ZVS 控製框圖
虛線為當前開關周期波形,Vsw 電壓值還沒有達到閾值 ZVS 閾值 (VTH(SWS)),ZVS 鑒別器發送一個調整信號增加 tDM 時間用在下一個開關周期,在圖中以實線表示。
磁化電流增加,使得下一個周期的 Vsw 比上一個周期的 Vsw 電壓更低,在同樣 tz 的時間下能夠達到 ZVS 閾值 (VTH(SWS))。
這樣在一些開關周期後,tDM 優化器將電路設置和鎖定到零電壓開關狀態。穩定後,對 tDM 進行微調,幅度為一個 LSB(最低位),這麼小的微調不會影響電路狀態。
如下圖所示,ZVS 控製非常快,在 15 個開關周期內既能將電路鎖定在 ZVS 狀態運行,ZVS 調整環路鎖定和微調一個 LSB。在 ZVS 鎖定前由於 tDM 時間不夠長,反向激勵電流 IM-不足,UCC28780 以穀底開通模式啟動。

自適應 ZVS 控製的自動調整過程
■ 死區時間優化
芯片控製兩個死區時間,不僅控製 tz (上管關閉到下管導通) 時間,同時控製 tD (PWML-H) (下管關閉到上管導通) 時間。
對於不同的 FET 器件(GaN 和 Si)控製算法不一樣。
通過對 SET pin 腳進行設定:
當 VSET=0V 時,ACF 應用使用 GaN 功率 FET 器件 (寄生參數較 Si MOSFET 小很多),Vsw 的壓擺率很高,所以固定增加一個 40nS 的延遲導通。
當 VSET=5V 時,ACF 應用使用 Si 功率 MOSFET,由於 MOSFET 寄生參數 Coss 會隨著 MOSFET 漏源電壓 VDS 反向非線性變化,Vsw 電壓會有一個斜坡上升過程,所以控製器會對輔助繞組電壓進行過零檢測 (ZCD),在此基礎上增加 50nS 延遲再開通上管。
該控製算法對死區時間可逐周期調整,避免上管硬開通的同時,快速開通上管減少了上管的體二極管導通時間。

使用 GaN 和 Si FET 優化 tD(PWML-H) 控製
UCC28780 實測性能
90V~264V 通用電壓輸入,輸出 20V, 2.25A,使用 GaN FET 和同步整流 UCC24612,使用該芯片進行有源鉗位反激 (ACF) 拓撲設計,測試結果如下:

滿載效率 VS 輸入電壓

效率 VS 負載

輸出紋波電壓 (115V 輸入、2.25A 輸出)

紋波電壓 (115V 輸入、0.9A 輸出)

負載瞬態相應(115V 輸入,0A 到 2.25A 負載切換)
在不同輸入電壓下滿載高達 93% 以上的效率,符合嚴苛的能源標準:DoE Level VI 和 EU CoC V5 Tier-2 等。紋波電壓滿載時低至 30mV,0.9A 負載時低至 43.6mV,以及良好的負載瞬態相應。這些都說明了 UCC28780 在有源鉗位反激拓撲下優異的性能,值得大家重點關注。
推薦閱讀:
特別推薦
- 噪聲中提取真值!瑞盟科技推出MSA2240電流檢測芯片賦能多元高端測量場景
- 10MHz高頻運行!氮矽科技發布集成驅動GaN芯片,助力電源能效再攀新高
- 失真度僅0.002%!力芯微推出超低內阻、超低失真4PST模擬開關
- 一“芯”雙電!聖邦微電子發布雙輸出電源芯片,簡化AFE與音頻設計
- 一機適配萬端:金升陽推出1200W可編程電源,賦能高端裝備製造
技術文章更多>>
- 一秒檢測,成本降至萬分之一,光引科技把幾十萬的台式光譜儀“搬”到了手腕上
- AI服務器電源機櫃Power Rack HVDC MW級測試方案
- 突破工藝邊界,奎芯科技LPDDR5X IP矽驗證通過,速率達9600Mbps
- 通過直接、準確、自動測量超低範圍的氯殘留來推動反滲透膜保護
- 從技術研發到規模量產:恩智浦第三代成像雷達平台,賦能下一代自動駕駛!
技術白皮書下載更多>>
- 車規與基於V2X的車輛協同主動避撞技術展望
- 數字隔離助力新能源汽車安全隔離的新挑戰
- 汽車模塊拋負載的解決方案
- 車用連接器的安全創新應用
- Melexis Actuators Business Unit
- Position / Current Sensors - Triaxis Hall
熱門搜索



