介紹幾種有效的開關電源電磁幹擾抑製措施
發布時間:2019-05-15 責任編輯:lina
【導讀】目前,許多大學及科研單位都進行了開關電源EMI的研究,他們中有些從EMI產生的機理出發,有些從EMI 產生的影響出發,都提出了許多實用有價值的方案。這裏分析與比較了幾種有效的方案,並為開關電源EMI 的抑製措施提出新的參考建議。
目前,許多大學及科研單位都進行了開關電源EMI(Electromagnetic Interference)的研究,他們中有些從EMI產生的機理出發,有些從EMI 產生的影響出發,都提出了許多實用有價值的方案。這裏分析與比較了幾種有效的方案,並為開關電源EMI 的抑製措施提出新的參考建議。
開關電源電磁幹擾的產生機理
kaiguandianyuanchanshengdeganrao,anzaoshengganraoyuanzhongleilaifen,kefenweijianfengganraohexieboganraoliangzhong,ruoanouhetonglulaifen,kefenweichuandaoganraohefusheganraoliangzhong。xianzaianzaoshengganraoyuanlaifenbieshuoming:
1、二極管的反向恢複時間引起的幹擾
高頻整流回路中的整流二極管正向導通時有較大的正向電流流過,在其受反偏電壓而轉向截止時,由於PN結中有較多的載流子積累,因而在載流子消失之前的一段時間裏,電流會反向流動,致使載流子消失的反向恢複電流急劇減少而發生很大的電流變化(di/dt)。
2、開關管工作時產生的諧波幹擾
功率開關管在導通時流過較大的脈衝電流。例如正激型、推挽型和橋式變換器的輸入電流波形在阻性負載時近似為矩形波,其中含有豐富的高次諧波分 量。當采用零電流、零電壓開關時,這種諧波幹擾將會很小。另外,功率開關管在截止期間,高頻變壓器繞組漏感引起的電流突變,也會產生尖峰幹擾。
3、交流輸入回路產生的幹擾
無工頻變壓器的開關電源輸入端整流管在反向恢複期間會引起高頻衰減振蕩產生幹擾。
開關電源產生的尖峰幹擾和諧波幹擾能量,通過開關電源的輸入輸出線傳播出去而形成的幹擾稱之為傳導幹擾;而諧波和寄生振蕩的能量,通過輸入輸出線傳播時,都會在空間產生電場和磁場。這種通過電磁輻射產生的幹擾稱為輻射幹擾。
4、其他原因
元器件的寄生參數,開關電源的原理圖設計不夠完美,印刷線路板(PCB)走線通常采用手工布置,具有很大的隨意性,PCB的近場幹擾大,並且印刷板上器件的安裝、放置,以及方位的不合理都會造成EMI幹擾。
開關電源EMI的特點
作為工作於開關狀態的能量轉換裝置,開關電源的電壓、電流變化率很高,產生的幹擾強度較大;幹擾源主要集中在功率開關期間以及與之相連的散熱器 和高平變壓器,相對於數字電路幹擾源的位置較為清楚;開關頻率不高(從幾十千赫和數兆赫茲),主要的幹擾形式是傳導幹擾和近場幹擾;而印刷線路板 (PCB)走線通常采用手工布線,具有更大的隨意性,這增加了PCB分布參數的提取和近場幹擾估計的難度.
EMI測試技術
目前診斷差模共模幹擾的三種方法:射頻電流探頭、差模抑製網絡、噪聲分離網絡。用射頻電流探頭是測量差模 共模幹擾最簡單的方法,但測量結果與標準限值比較要經過較複雜的換算。差模抑製網絡結構簡單(見圖1),測量結果可直接與標準限值比較,但隻能測量共模幹 擾。噪聲分離網絡是最理想的方法,但其關鍵部件變壓器的製造要求很高。

目前抑製幹擾的幾種措施
形成電磁幹擾的三要素是幹擾源、傳播途徑和受擾設備。因而,抑製電磁幹擾也應該從這三方麵著手。首先應該抑製幹擾源,直接消除幹擾原因;其次是 消除幹擾源和受擾設備之間的耦合和輻射,切斷電磁幹擾的傳播途徑(見圖2);第三是提高受擾設備的抗擾能力,減低其對噪聲的敏感度。目前抑製幹擾的幾種措 施基本上都是用切斷電磁幹擾源和受擾設備之間的耦合通道,它們確是行之有效的辦法。常用的方法是屏蔽、接地和濾波。
caiyongpingbijishukeyiyouxiaodiyizhikaiguandianyuandediancifusheganrao。liru,gonglvkaiguanguanheshuchuerjiguantongchangyoujiaodadegonglvsunhao,weilesanrewangwangxuyaoanzhuangsanreqihuozhijiean 裝在電源底板上。
器件安裝時需要導熱性能好的絕緣片進行絕緣,這就使器件與底板和散熱器之間產生了分布電容,開關電源的底板是交流電源的地線,因而通過器 件與底板之間的分布電容將電磁幹擾耦合到交流輸入端產生共模幹擾,解決這個問題的辦法是采用兩層絕緣片之間夾一層屏蔽片,並把屏蔽片接到直流地上,割斷了 射she頻pin幹gan擾rao向xiang輸shu入ru電dian網wang傳chuan播bo的de途tu徑jing。為wei了le抑yi製zhi開kai關guan電dian源yuan產chan生sheng的de輻fu射she,電dian磁ci幹gan擾rao對dui其qi他ta電dian子zi設she備bei的de影ying響xiang,可ke完wan全quan按an照zhao對dui磁ci場chang屏ping蔽bi的de方fang法fa來lai加jia工gong屏ping蔽bi罩zhao,然ran後hou將jiang整zheng個ge屏ping蔽bi罩zhao 與係統的機殼和地連接為一體,就能對電磁場進行有效的屏蔽。
電源某些部分與大地相連可以起到抑製幹擾的作用。例如,靜電屏蔽層接地可以抑製變化電場的幹 擾;電磁屏蔽用的導體原則上可以不接地,但不接地的屏蔽導體時常增強靜電耦合而產生所謂“負靜電屏蔽”效應,所以仍以接地為好,這樣使電磁屏蔽能同時發揮 靜電屏蔽的作用。電路的公共參考點與大地相連,可為信號回路提供穩定的參考電位。因此,係統中的安全保護地線、屏蔽接地線和公共參考地線各自形成接地母線 後,最終都與大地相連.
在電路係統設計中應遵循“一點接地”的原則,如果形成多點接地,會出現閉合的接地環路,當磁力線穿過該回路時將產生磁感應噪聲,實際上很難實現 “一點接地”。因此,為降低接地阻抗,消除分布電容的影響而采取平麵式或多點接地,利用一個導電平麵(底板或多層印製板電路的導電平麵層等)作為參考地, 需(xu)要(yao)接(jie)地(di)的(de)各(ge)部(bu)分(fen)就(jiu)近(jin)接(jie)到(dao)該(gai)參(can)考(kao)地(di)上(shang)。為(wei)進(jin)一(yi)步(bu)減(jian)小(xiao)接(jie)地(di)回(hui)路(lu)的(de)壓(ya)降(jiang),可(ke)用(yong)旁(pang)路(lu)電(dian)容(rong)減(jian)少(shao)返(fan)回(hui)電(dian)流(liu)的(de)幅(fu)值(zhi)。在(zai)低(di)頻(pin)和(he)高(gao)頻(pin)共(gong)存(cun)的(de)電(dian)路(lu)係(xi)統(tong)中(zhong),應(ying)分(fen)別(bie)將(jiang)低(di)頻(pin)電(dian)路(lu)、 高頻電路、功率電路的地線單獨連接後,再連接到公共參考點上。
濾波是抑製傳導幹擾的一種很好的辦法。例如,在電源輸入端接上濾波器,可以抑製開關電源產生並向電網反饋的幹擾,也可以抑製來自電網的噪聲對電 源本身的侵害。在濾波電路中,還采用很多專用的濾波元件,如穿心電容器、三端電容器、鐵氧體磁環,它們能夠改善電路的濾波特性。恰當地設計或選擇濾波器, 並正確地安裝和使用濾波器,是抗幹擾技術的重要組成部分。

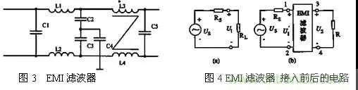
EMI濾波技術是一種抑製尖脈衝幹擾的有效措施,可以濾除多種原因產生的傳導幹擾。圖3是一種由電容、電感組成的EMI濾波器,接在開關電源的 輸入端。電路中,C1、C5是高頻旁路電容, 用於濾除兩輸入電源線間的差模幹擾;L1與C2、C4;L2與C3、C4組成共模幹擾濾波環節,用於濾除電源線與地之間非對稱的共模幹擾;L3、L4的初 次級匝數相等、極ji性xing相xiang反fan,交jiao流liu電dian流liu在zai磁ci芯xin中zhong產chan生sheng的de磁ci通tong相xiang反fan,因yin而er可ke有you效xiao地di抑yi製zhi共gong模mo幹gan擾rao。測ce試shi表biao明ming,隻zhi要yao適shi當dang選xuan擇ze元yuan器qi件jian的de參can數shu,便bian可ke較jiao好hao地di抑yi製zhi開kai關guan電dian源yuan產chan生sheng 的傳導幹擾。
現xian有you的de抑yi製zhi措cuo施shi大da多duo從cong消xiao除chu幹gan擾rao源yuan和he受shou擾rao設she備bei之zhi間jian的de耦ou合he和he輻fu射she,切qie斷duan電dian磁ci幹gan擾rao的de傳chuan播bo途tu徑jing出chu發fa,這zhe確que是shi抑yi製zhi幹gan擾rao的de一yi種zhong行xing之zhi有you效xiao的de辦ban法fa,但dan很hen少shao有you人ren涉she及ji直zhi接jie控kong製zhi幹gan擾rao源yuan,消xiao除chu幹gan擾rao,或huo提ti高gao受shou擾rao設she備bei的de抗kang擾rao能neng力li,殊shu不bu知zhi後hou者zhe還hai有you許xu多duo發fa展zhan的de空kong間jian。
改進措施的建議
目mu前qian從cong電dian磁ci幹gan擾rao的de傳chuan播bo途tu徑jing出chu發fa來lai抑yi製zhi幹gan擾rao,已yi漸jian進jin成cheng熟shu。我wo們men的de視shi點dian要yao回hui到dao開kai關guan電dian源yuan器qi件jian本ben身shen來lai。從cong多duo年nian的de工gong作zuo實shi踐jian來lai看kan,在zai電dian路lu方fang麵mian要yao注zhu意yi以yi下xia幾ji點dian:
(1)印製板布局時,要將模擬電路區和數字電路區合理地分開,電源和地線單獨引出,電源供給處彙集到一點;PCB布線時,高頻數字信號線要用短 線,主要信號線最好集中在PCB板中心,同時電源線盡可能遠離高頻數字信號線或用地線隔開。其次,可以根據耦合係數來布線,盡量減少幹擾耦合。(見表1)

(2)印製板的電源線和地線印製條盡可能寬,以減小線阻抗,從而減小公共阻抗引起的幹擾噪聲。
(3)器件多選用貼片元件和盡可能縮短元件的引腳長度,以減小元件分布電感的影響。
(4)在Vdd及Vcc電源端盡可能靠近器件接入濾波電容,以縮短開關電流的流通途徑,如用10μF鋁電解和0 1μF電容並聯接在電源腳上。對於高速數字IC的電源端可以用鉭電解電容代替鋁電解電容,因為鉭電解的對地阻抗比鋁電解小得多。
結論
產生開關電源電磁幹擾的因素還很多,抑製電磁幹擾還有大量的工作。全麵抑製開關電源的各種噪聲會使開關電源得到更廣泛的應用。
特別推薦
- 噪聲中提取真值!瑞盟科技推出MSA2240電流檢測芯片賦能多元高端測量場景
- 10MHz高頻運行!氮矽科技發布集成驅動GaN芯片,助力電源能效再攀新高
- 失真度僅0.002%!力芯微推出超低內阻、超低失真4PST模擬開關
- 一“芯”雙電!聖邦微電子發布雙輸出電源芯片,簡化AFE與音頻設計
- 一機適配萬端:金升陽推出1200W可編程電源,賦能高端裝備製造
技術文章更多>>
- 算力爆發遇上電源革新,大聯大世平集團攜手晶豐明源線上研討會解鎖應用落地
- 築基AI4S:摩爾線程全功能GPU加速中國生命科學自主生態
- 一秒檢測,成本降至萬分之一,光引科技把幾十萬的台式光譜儀“搬”到了手腕上
- AI服務器電源機櫃Power Rack HVDC MW級測試方案
- 突破工藝邊界,奎芯科技LPDDR5X IP矽驗證通過,速率達9600Mbps
技術白皮書下載更多>>
- 車規與基於V2X的車輛協同主動避撞技術展望
- 數字隔離助力新能源汽車安全隔離的新挑戰
- 汽車模塊拋負載的解決方案
- 車用連接器的安全創新應用
- Melexis Actuators Business Unit
- Position / Current Sensors - Triaxis Hall
熱門搜索




