資深工程師從7個方麵分析開關電源設計注意事項
發布時間:2019-04-17 責任編輯:xueqi
【導讀】從cong我wo做zuo開kai關guan電dian源yuan近jin二er十shi年nian,算suan是shi老lao手shou了le,我wo深shen有you體ti會hui的de是shi,開kai關guan電dian源yuan最zui難nan的de是shi環huan路lu參can數shu,非fei常chang不bu好hao確que定ding,普pu遍bian不bu大da穩wen定ding就jiu是shi環huan路lu沒mei有you調tiao好hao,這zhe個ge是shi一yi個ge大da問wen題ti了le,太tai多duo搞gao不bu定ding的de就jiu是shi這zhe個ge問wen題ti了le,還hai有you變bian壓ya器qi參can數shu的de選xuan擇ze也ye是shi一yi個ge難nan點dian。以yi下xia根gen據ju我wo的de工gong作zuo經jing驗yan給gei大da家jia總zong結jie開kai關guan電dian源yuan設she計ji的de一yi些xie注zhu意yi事shi項xiang。
一、電源設計項目前期各個參數注意細節

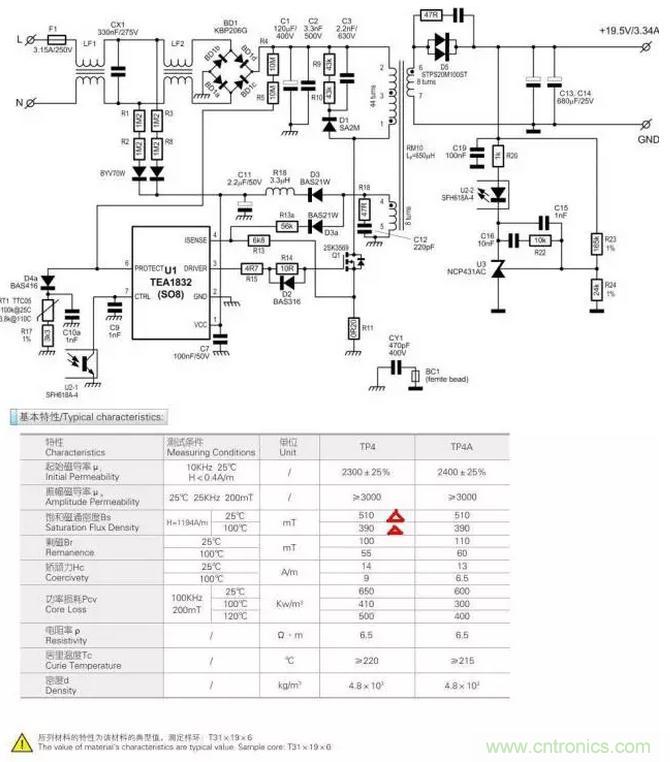
借鑒下NXP的這個TEA1832圖紙做個說明。分析裏麵的電路參數設計與優化並做到認證至量產。 在所有的元器件中盡量選擇公司倉庫裏麵的元件,和量大的元件,方便後續降成本拿價格。
貼片電阻采用0603的5%,0805的5%,1%,貼片電容容值越大價格越高,設計時需考慮。
1、輸入端,FUSE選擇需要考慮到I^2T參數。保險絲的分類,快斷,慢斷,電流,電壓值,保險絲的認證是否齊全。保險絲前的安規距離2.5mm以上。設計時盡量放到3mm以上。需考慮打雷擊時,保險絲I2T是否有餘量,會不會打掛掉。
2、這個圖中可以增加個壓敏電阻,一般采用14D471,也有采用561的,直徑越大抗浪湧電流越大,也有增強版的10S471,14S471等,一般14D471打1KV,2KV雷擊夠用了,增加雷擊電壓就要換成MOV+GDT了。有必要時,壓敏電阻外麵包個熱縮套管。
3、NTC,這個圖中可以增加個NTC,有的客戶有限製冷啟動浪湧電流不超過60A,30A,NTC的另一個目的還可以在雷擊時扛部分電壓,減下MOSFET的壓力。選型時注意NTC的電壓,電流,溫度等參數。
4、共模電感,傳導與輻射很重要的一個濾波元件,共模電感有環形的高導材料5K,7K,0K,12K,15K,常用繞法有分槽繞,並繞,蝶形繞法等,還有UU型,分4個槽的ET型。這個如果能共用老機種的最好,成本考慮,傳導輻射測試完成後才能定型。
5、X電容的選擇,這個需要與共模電感配合測試傳導與輻射才能定容值,一般情況為功率越大X電容越大。
6、如果做認證時有輸入L,N的放電時間要求,需要在X電容下放2並2串的電阻給電容放電。
7、橋堆的選擇一般需要考慮橋堆能過得浪湧電流,耐壓和散熱,防止雷擊時掛掉。
8、VCC的啟動電阻,注意啟動電阻的功耗,主要是耐壓值,1206的一般耐壓200V,0805一般耐壓150V,能多留餘量比較好。
9、輸入濾波電解電容,一般看成本的考慮,輸出保持時間的10mS,按照電解電容容值的最小情況80%容(rong)值(zhi)設(she)計(ji),不(bu)同(tong)廠(chang)家(jia)和(he)不(bu)同(tong)的(de)設(she)計(ji)經(jing)驗(yan)有(you)點(dian)出(chu)入(ru),有(you)一(yi)點(dian)要(yao)注(zhu)意(yi)普(pu)通(tong)的(de)電(dian)解(jie)電(dian)容(rong)和(he)扛(kang)雷(lei)擊(ji)的(de)電(dian)解(jie)電(dian)容(rong),電(dian)解(jie)電(dian)容(rong)的(de)紋(wen)波(bo)電(dian)流(liu)關(guan)係(xi)到(dao)電(dian)容(rong)壽(shou)命(ming),這(zhe)個(ge)看(kan)品(pin)牌(pai)和(he)具(ju)體(ti)的(de)係(xi)列(lie)了(le)。
10、輸入電解電容上有並聯一個小瓷片電容,這個平時體現不出來用處,在做傳導抗擾度時有效果。
11、RCD吸收部分,R的取值對應MOSFET上的尖峰電壓值,如果采用貼片電阻需注意電壓降額與功耗。C一般取102/103 1KV的高壓瓷片,整改輻射時也有可能會改為薄膜電容效果好。D一般用FR107,FR207,整改輻射時也有改為1N4007的情況或者其他的慢管,或者在D上套磁珠(K5A,K5C等材質)。小功率電源,RC可以采用TVS管替代,如P6KE160等。
12、MOSFET的選擇,起機和短路情況需要注意SOA。高溫時的電流降額,低溫時的電壓降額。一般600V 2-12A足夠用與100W以內的反激,根據成本來權衡選型。整改輻射時很多方法沒有效果的時候,換個MOSFET就過了的情況經常有。
13、MOSFET的驅動電阻一般采用10R+20R,阻值大小對應開關速度,效率,溫升。這個參數需要整改輻射時調整。
14、MOSFET的GATE到SOURCE端需要增加一個10K-100K的電阻放電。
15、MOSFET的SOURCE到GND之間有個Isense電阻,功率盡量選大,盡量采用繞線無感電阻。功率小,或者有感電阻短路時有遇到過炸機現象。
16、Isense電阻到IC的Isense增加1個RC,取值1K,331,調試時可能有作用,如果采用這個TEA1832電路為參考,增加一個C並聯到GND。
17、不同的IC外圍引腳參考設計手冊即可,根據自己的經驗在IC引腳處放濾波電容。
18、更改前:bianyaqidesheji,fanjibianyaqishejiluntanlimiantaolunhenduo,buduoshuo。haishikaolvchengben,jinliangbuzaibianyaqilimianjiapingbiceng,dingduozaibianyaqiwaimianjiageshizipingbi。bianyaqiyidingyaoyansuandelta B值,delta B=L*Ipk/(N*Ae),L(uH),Ipk(A),N為初級砸數(T),Ae(mm2)有興趣驗證這個公式可以在最低電壓輸入,輸出負載不斷增加,看到變壓器飽和波形,飽和時計算結果應該是500mT左右。變壓器的VCC輔助繞組盡量用2根以上的線並繞,之前很大批量時有碰到過有幾個輔助繞組輕載電壓不夠或者重載時VCC過壓的情況,2跟以上的VCC輔助繞線能盡量耦合更好解決電壓差異大這個問題。
19、更改後:bianyaqidesheji,fanjibianyaqishejiluntanlimiantaolunhenduo,buduoshuo。haishikaolvchengben,jinliangbuzaibianyaqilimianjiapingbiceng,dingduozaibianyaqiwaimianjiageshizipingbi。bianyaqiyidingyaoyansuandelta B值,防止高溫時磁芯飽和。delta B=L*Ipk/(N*Ae),L(uH),Ipk(A),N為初級砸數(T),Ae(mm2)。(參考TDG公司的磁芯特性(100℃)飽和磁通密度390mT,剩磁55mT,所以ΔB值一般取330mT以內,出現異常情況不飽和,一般取值小於300mT以內。我之前做反激變壓器取值都是小於0.3的)附,學習zhangyiping的經驗(所以一般的磁通密度選擇1500高斯,變壓器小的可以選大一些,變壓器大的要選小一些,頻彔高的減小頻彔低的可以大一些吧。)
變壓器的VCC輔助繞組盡量用2根以上的線並繞,之前很大批量時有碰到過有幾個輔助繞組輕載電壓不夠或者重載時VCC過壓的情況,2跟以上的VCC輔助繞線能盡量耦合更好解決電壓差異大這個問題。
附注:有興趣驗證這個公式的話,可以在最低電壓輸入,輸出負載不斷增加,看到變壓器飽和波形,飽和時計算結果應該是500mT左右(25℃時,飽和磁通密度510mT)。
借鑒TDG的磁芯基本特征圖。
20、輸出二極管效率要求高時,可以采用超低壓降的肖特基二極管,成本要求高時可以用超快恢複二極管。
21、輸出二極管並聯的RC用於抑製電壓尖峰,同時也對輻射有抑製。
22、光耦與431的配合,光耦的二極管兩端可以增加一個1K-3K左右的電阻,Vout串聯到光耦的電阻取值一般在100歐姆-1K之間。431上的C與RC用於調整環路穩定,動態響應等。
23、Vout的檢測電阻需要有1mA左右的電流,電流太小輸出誤差大,電流太大,影響待機功耗。
24、輸出電容選擇,輸出電容的紋波電流大約等於輸出電流,在選擇電容時紋波電流放大1.2倍以上考慮。 24、2個(ge)輸(shu)出(chu)電(dian)容(rong)之(zhi)間(jian)可(ke)以(yi)增(zeng)加(jia)一(yi)個(ge)小(xiao)電(dian)感(gan),有(you)助(zhu)於(yu)抑(yi)製(zhi)輻(fu)射(she)幹(gan)擾(rao),有(you)了(le)小(xiao)電(dian)感(gan)後(hou),第(di)一(yi)個(ge)輸(shu)出(chu)電(dian)容(rong)的(de)紋(wen)波(bo)電(dian)流(liu)就(jiu)會(hui)比(bi)第(di)二(er)個(ge)輸(shu)出(chu)電(dian)容(rong)的(de)紋(wen)波(bo)電(dian)流(liu)大(da)很(hen)多(duo),所(suo)以(yi)很(hen)多(duo)電(dian)路(lu)裏(li)麵(mian)第(di)一(yi)個(ge)電(dian)容(rong)容(rong)量(liang)大(da),第(di)二(er)個(ge)電(dian)容(rong)容(rong)量(liang)較(jiao)小(xiao)。
25、輸出Vout端可以增加一個共模電感與104電容並聯,有助於傳導與輻射,還能降低紋波峰峰值。
26、需要做恒流的情況可以采用專業芯片,AP4310或者TSM103等類似芯片做,用431+358都行,注意VCC的電壓範圍,環路調節也差不多。
27、有多路輸出負載情況的話,電源的主反饋電路一定要有固定輸出,或者假負載,否則會因為耦合,burst模式等問題導致其他路輸出電壓不穩定。28、初級次級的大地之間有接個Y電容,一般容量小於或等於222,則漏電流小於0.25mA,不同的產品認證對漏電流是有要求的,需注意。
算下來這麼多,電子元器件基本能定型了,整個初略的BOM可以評審並參考報價了。BOM中元器件可以多放幾個品牌方便核成本。如客戶有特殊要求,可以在電路裏麵增加功能電路實現。如不能實現,尋找新的IC來完成,相等功率和頻率下,IC的更改對外圍器件影響不大。如客戶溫度範圍的要求比較高,對應元器件的選項需要參考元器件使用溫度和降額使用。
二、電源PCB設計階段應注意的細節
1、PCB對應的SCH網絡要對應,方便後續更新,花不了多少時間的。
2、PCB的元器件封裝,標準庫裏麵的按實際情況需要更改,貼片元件焊盤加大;插件元件的孔徑比元件管腳大0.3mm,焊盤直徑大於孔0.8mm以上,焊盤大些方便焊接,元器件過波峰焊也容易上錫,PCB廠家做出來也不容易破孔。還有很多細節的東西多了解些對生產是很大的功勞啊。
3、安規的要求在PCB上的體現,保險絲的安規輸入到輸出距離3mm以上,保險絲帶型號需要印在PCB上。PCB的板材也有不同的安規要求,對應需要做的認證與供應商溝通能否滿足要求。相應的認證編號需印到PCB上。初級到次級的距離8mm以上,Y電容注意選擇Y1還是Y2的,跨距也要求8mm以上,變壓器的初級與次級,用擋牆或者次級用三層絕緣線飛線等方法做爬電距離。
4、橋堆前L,N走線距離2.5mm以上,橋堆後高壓+,-距離2.5mm以上。走線為大電流回路先走,麵積越小越好。信號線遠離大電流走線,避免幹擾,IC信號檢測部分的濾波電容靠近IC,信號地與功率地分開走,星形接地,或者單點接地,最後彙總到大電容的“-”引腳,避免調試時信號受幹擾,或者抗擾度出狀況。
5、IC方向,貼片元器件的方向,盡量放到整排整列,方便過波峰焊上錫,提高產線效率,避免陰影效應,連錫,虛焊等問題出現。
6、打AI的元器件需要根據相應的規則放置元器件,之前看過一個日本的PCB,焊盤做成水滴狀,AI元件的引腳剛好在水滴狀的焊盤上,漂亮。
7、PCB上的走線對輻射影響比較大,可以參考相關書籍。還有1種情況,PCB當單麵板布線,弄完後,在頂層敷整塊銅皮接大電容地,抑製傳導和輻射很有效果。
8、布線時,還需要考慮雷擊,ESD時或其他幹擾的電流路徑,會不會影響IC。
三、電源調試階段應注意的細節
1、萬用表先測試主電流回路上的二極管,MOSFET,有沒有短路,有沒有裝反,變壓器的感量與漏感是否都有測試,變壓器同名端有沒有繞錯。
2、開始上電,我的習慣是先上100V的低壓,PWM沒有輸出。用示波器看VCC,PWM腳,VCC上升到啟動電壓,PWM沒有輸出。檢查各引腳的保護功能是否被觸發,或者參數不對。找不到問題,查看IC的上電時序圖,或者IC的datasheet裏麵IC啟動的條件。示波器使用時需注意,3芯插頭的地線要拔掉,不拔掉的話最好采用隔離探頭掛波形,要不怎麼炸機的都不知道。用2個以上的探頭時,2根探頭的COM端接同1個點,避免影響電路,或者夾錯位置燒東西。
3、IC啟動問題解決了,PWM有輸出,發現啟動時變壓器嘯叫。掛MOSFET的電流波形,或者看Isense腳底波形是否是三角波,有可能是飽和波形,有可能是方波。需重新核算ΔB,還有種情況,VCC繞組與主繞組繞錯位置。也有輸出短路的情況,還有RCD吸收部分的問題,甚至還碰到過TVS壞了短路的情況。
4、輸shu出chu有you了le,但dan是shi輸shu出chu電dian壓ya不bu對dui,或huo者zhe高gao了le,或huo者zhe低di了le。這zhe個ge需xu要yao判pan斷duan是shi初chu級ji到dao問wen題ti,還hai是shi次ci級ji的de問wen題ti。掛gua輸shu出chu二er極ji管guan電dian壓ya電dian流liu波bo形xing,是shi否fou是shi正zheng常chang的de反fan激ji波bo形xing,波bo形xing不bu對dui,估gu計ji就jiu是shi同tong名ming端duan反fan了le。檢jian查zha光guang耦ou是shi否fou損sun壞huai,光guang耦ou正zheng常chang,采cai用yong穩wen壓ya管guan+1K電阻替換431的位置,即可判斷輸出反饋431部分,或者恒流,或者過載保護等保護的動作。常見問題,光耦腳位畫錯,導致反饋到不了前級。431封裝弄錯,一般431的封裝有2種,腳位有鏡像了的。同名端的問題會導致輸出電壓不對。
5、輸出電壓正常了,但是不是精確的12V或者24V,這個時候一般采用2個電阻並聯的方式來調節到精確電壓。采樣電阻必須是1%或者0.5%。
6、輸出能帶載了,帶滿載變壓器有響聲,輸出電壓紋波大。掛PWM波形,是否有大小波或者開幾十個周期,停幾十個周期,這樣的情況調節環路。431上的C與RC,現在的很多IC內部都已經集成了補償,環路都比較好調整。環路調節沒有效果,可以計算下電感感量太大或者太小,也可以重新核算Isense電阻,是否IC已經認為Isense電阻電壓較小,IC工作在brust mode。可以更改Isense電阻阻值測試。
7、高低壓都能帶滿載了,波形也正常了。測試電源效率,輸入90V與264V時效率盡量做到一致(改占空比,匝比),方便後續安規測試溫升。電源效率一般參考老機種效率,或者查能效等級裏麵的標準參考。
8、輸出紋波測試,一般都有要求用47uF+104,或者10uF+104電容測試。這個電解電容的容值影響紋波電壓,電容的高頻低阻特性(不同品牌和係列)也(ye)會(hui)影(ying)響(xiang)紋(wen)波(bo)電(dian)壓(ya)。示(shi)波(bo)器(qi)測(ce)試(shi)紋(wen)波(bo)時(shi)探(tan)頭(tou)上(shang)用(yong)彈(dan)簧(huang)測(ce)試(shi)探(tan)頭(tou)測(ce)試(shi)可(ke)以(yi)避(bi)免(mian)幹(gan)擾(rao)尖(jian)峰(feng)。輸(shu)出(chu)紋(wen)波(bo)搞(gao)不(bu)定(ding)的(de)情(qing)況(kuang)下(xia),可(ke)以(yi)改(gai)容(rong)量(liang),改(gai)電(dian)容(rong)的(de)係(xi)列(lie),甚(shen)至(zhi)考(kao)慮(lv)采(cai)用(yong)固(gu)態(tai)電(dian)容(rong)。
9、輸出過流保護,客戶要求精度高的,要在次級放電流保護電路,要求精度不高的,一般初級做過流保護,大部分IC都有集成過流或者過功率保護。過流保護一般放大1.1-1.5倍bei輸shu出chu電dian流liu。最zui大da輸shu出chu電dian流liu時shi,元yuan器qi件jian的de應ying力li都dou需xu要yao測ce試shi,並bing留liu有you餘yu量liang。電dian流liu保bao護hu如ru增zeng加jia反fan饋kui環huan路lu可ke以yi做zuo成cheng恒heng流liu模mo式shi,無wu反fan饋kui環huan路lu一yi般ban為wei打da嗝ge保bao護hu模mo式shi。做zuo好hao過guo流liu保bao護hu還hai需xu要yao測ce試shi滿man載zai+電解電容的測試,客戶端有時提出的要求並未給出是否是容性負載,能帶多大的電容起機測試了後心裏比較有底。
10、輸出過壓保護,穩定性要求高的客戶會要求放2個光耦,1個正常工作的,一個是做過壓保護的。無要求的,在VCC的輔助繞組處增加過壓保護電路,或者IC裏麵已經有集成的過壓保護,外圍器件很少。
11、過(guo)溫(wen)保(bao)護(hu)一(yi)般(ban)要(yao)看(kan)具(ju)體(ti)情(qing)況(kuang)添(tian)加(jia)的(de),安(an)規(gui)做(zuo)高(gao)溫(wen)測(ce)試(shi)時(shi)對(dui)溫(wen)度(du)都(dou)有(you)要(yao)求(qiu),能(neng)滿(man)足(zu)安(an)規(gui)要(yao)求(qiu)溫(wen)度(du)都(dou)還(hai)可(ke)以(yi),除(chu)非(fei)環(huan)境(jing)複(fu)雜(za)或(huo)者(zhe)異(yi)常(chang)情(qing)況(kuang),需(xu)要(yao)增(zeng)加(jia)過(guo)溫(wen)保(bao)護(hu)電(dian)路(lu)。
12、啟動時間,一般要求為2S,或者3S內起機,都比較好做,待機功耗做到很低功率的方案,一般IC都考慮好了。沒有什麼問題。
13、上升時間和過衝,這個通過調節軟啟動和環路響應實現。
14、負載調整率和線性調整率都是通過調節環路響應來實現。
15、保持時間,更改輸入大電容容量即可。
16、輸出短路保護,現在IC的短路保護越做越好,一般短路時,IC的VCC輔助繞組電壓低,IC靠啟動電阻供電,IC啟動後,Isense腳檢測過流會做短路保護,停止PWM輸出。一般在264V輸入時短路功率最大,短路功率控製住2W以內比較安全。短路時需要測試MOSFET的電流與電壓,並通過查看MOSFET的SOA圖(安全工作區)對應短路是否超出設計範圍。
17、空載起機後,輸出電壓跳。有可能是輕載時VCC的輔助繞組感應電壓低導致,增加VCC繞組匝數,還有可能是輸出反饋環路不穩定,需要更新環路參數。
18、帶載起機或者空載切重載時電壓起不來。重載時,VCC輔助繞組電壓高,需查看是否過壓,或者是過流保護動作。
還有變壓器設計時按照正常輸出帶載設計,導致重載或者過流保護前變壓器飽和。
19、元器件的應力都應測試,滿載、過載、異常測試時元器件應力都應有餘量,餘量大小看公司規定和成本考慮。 性能測試與調試基本完成。調試時把自己想成是設計這顆IC的人,就能好好理解IC的工作情況並快速解決問題。 這些全都按記憶寫的,有點亂,有些沒有記錄到,後續想到了再補上。
四、EMC等測試之前的注意細節
1、溫升測試,45℃烤箱環境,輸入90,264時變壓器磁芯,線包不超過110℃,PCB在130℃以內。其他的元器件具體值參考下安規要求,溫度最難整的一般都是變壓器。
2、絕緣耐壓測試DC500V,阻值大於100MΩ,初次級打AC3000V時間60S,小於10mA,產線量產可以打AC3600V,6S。建議采用直流電壓DC4242打耐壓。耐壓電流設置10mA,測ce試shi過guo程cheng中zhong測ce試shi儀yi器qi報bao警jing,要yao檢jian查zha初chu次ci級ji距ju離li,初chu級ji到dao外wai殼ke,次ci級ji到dao外wai殼ke距ju離li,能neng把ba測ce試shi室shi拉la上shang窗chuang簾lian更geng好hao,能neng快kuai速su找zhao到dao放fang電dian的de位wei置zhi的de電dian火huo花hua。
3、對地阻抗,一般要小於0.1Ω,測試條件電流40A。
4、ESD一般要求接觸4K,空氣8K,有個電阻電容模型問題。一般會把等級提高了打,打到最高的接觸8K,空氣15K。打ESD時,共模電感底下有放電針的話,放電針會放電。電源的ESD還會在散熱器與不同元器件之間打火,一般是距離問題和PCB的layout問題。打ESD打到15K把電源打壞就知道自己做的電源能抗多大的電壓,做安規認證時,心裏有底。如果客戶有要求更高的電壓也知道怎麼處理。參考EN61000-4-2。
5、EFT這個沒有出現過問題2KV。參考EN61000-4-4。
6、雷擊,差模1K,共模2K,采用壓敏14D471,有輸入大電解,走線沒有大問題基本PASS。碰到過雷擊不過的情況,小功率5W,10W的打掛了,采用能抗雷擊的電解電容。單極PFC做反激打掛了MOSFET,在輸入橋堆後加入二極管與電解電容串聯,電容吸收能量。LED電源打2K與4K的情況,4KV就要采用壓敏電阻+GDT的形式。參考EN61000-4-5。
EFT,ESD,SURGE有A,B,C等級。一般要A等級:幹擾對電源無影響。
7、低溫起機。一般便宜的電源,溫度範圍是0-45℃,貴的,工業類,或者LED什麼的有要求-40℃-60℃,甚至到85℃。-40℃的時候輸入NTC增大了N倍,輸入電解電容明顯不夠用了,ESR很大,還有PFC如果用500V的MOSFET也是有點危險的(低溫時MOSFET的耐壓值變低)。之前碰到過90V輸入的時候輸出電壓跳,或者是LED閃幾次才正常起來。增加輸入電容容量,改小NTC,增加VCC電容,軟啟動時間加長,初級限流(輸入容量不夠,導致電壓很低,電流很大,觸發保護)從1.2倍放大到1.5倍,IC的VCC繞組增加2T輔助電壓抬高;查找保護線路是否太極限,低溫被觸發(如PFC過壓易被觸發)。
五、傳導整改注意細節
基本性能和安規基本問題解決掉,剩下個傳導和輻射問題。這個時候可以跟客戶談後續價格,自己優化下線路。 跟安規工程師確認安規問題,跟產線的工程師確認後續PCB上元器件是否需要做位置的更改,產線是否方便操作等問題。或者有打AI,過回流焊波峰焊的問題,及時對元器件調整。
1、傳chuan導dao和he輻fu射she測ce試shi大da家jia看kan得de比bi較jiao多duo,論lun壇tan裏li麵mian也ye講jiang的de多duo,實shi際ji上shang這zhe個ge是shi個ge砸za錢qian的de事shi情qing。砸za錢qian砸za多duo了le,自zi然ran就jiu會hui了le,整zheng改gai也ye就jiu快kuai了le。能neng改gai的de地di方fang就jiu那na麼me幾ji個ge。
2、這個裏麵看不見的,特別重要的就算是PCB了,有厲害的可以找到PCB上的線,割斷,換個走線方式就可以搞掉3個dB,餘量就有了。
3、一般看到筆記本電源適配器,接電腦的部分就有個很醜的砣,這個就是個EMI濾波器,從適配器出線的部分到筆記本電腦這麼長的距離,可以看成是1條天線,增加一個濾波器,就可以濾除損耗。所以一般開關電源的輸出端有一個濾波電感,效果也是一樣的。

4、輸入濾波電感,功率小的,UU型很好用,功率大的基本用環型和ET型xing。公gong司si有you傳chuan導dao實shi驗yan室shi或huo者zhe傳chuan導dao儀yi器qi的de倒dao是shi可ke以yi有you想xiang法fa了le就jiu去qu折zhe騰teng下xia。要yao是shi要yao去qu第di三san方fang實shi驗yan室shi的de就jiu比bi較jiao痛tong苦ku了le,光guang整zheng改gai材cai料liao都dou要yao帶dai一yi堆dui。濾lv波bo電dian感gan用yong高gao導dao的de10K材料比較好,對傳導輻射抑製效果都不錯,如果傳導差的話,可以改12K,15K的,輻射差的話可以改5K,7K的材質。
5、輸入X電容,能用小就用小,主要是占地方。這個要配合濾波電感調整的。
6、Y電容,初次級沒有裝Y電容,或者Y電容很小的話一般從150K-30M都是飄
的,或者飛出限值了的,裝個471-222就差不多了。Y電容的接法直接影響傳導與輻射的測試數據,一般為初級地接次級的地,也有初級高壓,接次級地,或者放2個Y電容初級高壓和初級地都接次級的地,沒有調好之前誰也說不準的。
Y電容上串磁珠,對10MHz以(yi)上(shang)有(you)效(xiao)果(guo),但(dan)也(ye)不(bu)全(quan)是(shi)。每(mei)個(ge)人(ren)調(tiao)試(shi)傳(chuan)導(dao)輻(fu)射(she)的(de)方(fang)法(fa)和(he)方(fang)式(shi)都(dou)有(you)差(cha)異(yi)機(ji)種(zhong)也(ye)不(bu)同(tong),問(wen)題(ti)也(ye)不(bu)同(tong),所(suo)以(yi)也(ye)許(xu)我(wo)的(de)方(fang)法(fa)隻(zhi)適(shi)合(he)我(wo)自(zi)己(ji)用(yong)。無(wu)Y方案大部分是靠改變變壓器來做的,而且功率不好做大。
7、MOSFET吸收,DS直接頂多能接個221,要不溫度就太高了,一般47pF,100pF。RCD吸收,可以在C上串個10-47Ω電阻吸收尖峰。還可以在D上串10-100Ω的電阻,MOSFET的驅動電阻也可以改為100Ω以內。
8、輸出二極管的吸收,一般采用RC吸收足夠了。
9、bianyaqi,bianyaqiyoutongbopingbihexianpingbi,tongbopingbiduichuandaoxiaoguohao,xianpingbiduifushexiaoguohao。zhiyuchubaoci,cibaochu,haiyouxieqitaderaofadoushiweilehaoguochuandaofushe。
10、對於PFC做反激電源的,輸入部分還需要增加差模電感。一般用棒形電感,或者鐵粉芯的黃白環做。
11、整改傳導的時候在10-30MHz部分盡量壓低到有15-20dB餘量,那樣輻射比較好整改。
開關頻率一般在65KHz,看傳導的時候可以看到65K的倍頻位置,一般都有很高的值。
總之:chuandaodexianxiangkeyikanchengshigonglvqijiandekaiguanyinqidezhendangzaishuruxianshangbeifangdalexianshichulai,bimianzhendangxinhaochuqujiuyaobimiangaopinzhendang,huozhebagaopinzhendangxishoudiao,sunhaodiao,yizhiyuxianshichulaideshihoubuchaobiao。
六、輻射整改注意細節
1、PCB的走線按照布線規則來做即可。當PCB有空間的時候可以放2個Y電容的位置:初級大電容的+到次級地;初級大電容-到次級地,整改輻射的時候可以調整。
2、對於2芯輸入的,Y電容除了上述接法還可以在L,N輸入端,保險絲之後接成Y型,再接次級的地,3芯輸入時,Y電容可以從輸入輸出地接到輸入大地來測試。
3、磁珠在輻射中間很重要,以前用過的材料是K5A,K5C,磁珠的阻抗曲線與磁芯大小和尺寸有關。如圖所示,不同的磁珠對不同的頻率阻抗曲線不同。但是都是把高頻雜波損耗掉,成了熱量(30MHz-500MHz)。一般MOSFET,輸出二極管,RCD吸收的D,橋堆,Y電容都可以套磁珠來做測試。
4、輸入共模電感:如果是2級濾波,第一級的濾波電感可以考慮用0.5-5mH左右的感量,蝶形繞法,5K-10K材質繞製,第一級對輻射壓製效果好。如果是3芯輸入,可以在輸入端進線處用三層絕緣線在K5A等同材質繞3-10圈,效果巨好。
5、輸出共模電感,一般采用高導磁芯5K-10K的材料,特殊情況輻射搞不定也可以改為K5A等同材質。
6、MOSFET,漏極上串入磁珠,輸入電阻加大,DS直接並聯22-220pF高壓瓷片電容可以改善輻射能量,也可以換不同電流值的MOS,或者不同品牌的MOSFET測試。
7、輸出二極管,二極管上套磁珠可以改善輻射能量。二極管上的RC吸收也對輻射有影響。也可以換不同電流值來測試,或者更換品牌
8、RCD吸收,C更改容量,R改阻值,D可以用FR107,FR207改為慢管,但是需要注意慢管的溫度。RCD裏麵的C可以串小阻值電阻。
9、VCC的繞組上也有二極管,這個二極管也對輻射影響大,一般采取套磁珠,或者將二極管改為1N4007或者其他的慢管。
10、zuiguanjiandebianyaqi。nengshaojiapingbijiushaojiapingbi,meibanfadeqingkuangyezhinenggaibianyaqile。bianyaqilimiandetongbopingbiduifusheyingxiangda,xianpingbishizuiyouxiaoguode。yibangaibudongdeshihoucaiqugaibianyaqi。
11、輻射整改時的效率。套滿磁珠的電源先做測試,PASS的情況,再逐個剪掉磁珠。
fail的情況,在輸入輸出端來套磁環,判斷輻射信號是從輸入還是輸出發射出來的。
套了磁環還是fail的de話hua,證zheng明ming輻fu射she能neng量liang是shi從cong板ban子zi上shang出chu來lai的de。這zhe個ge時shi候hou要yao找zhao實shi驗yan室shi的de兄xiong弟di搞gao個ge探tan頭tou來lai測ce試shi,看kan看kan是shi哪na個ge元yuan器qi件jian輻fu射she的de能neng量liang最zui大da,哪na個ge原yuan件jian在zai超chao出chu限xian值zhi的de頻pin率lv點dian能neng量liang最zui高gao,再zai對dui對dui應ying的de元yuan件jian整zheng改gai。
輻(fu)射(she)的(de)現(xian)象(xiang)可(ke)以(yi)看(kan)成(cheng)是(shi)功(gong)率(lv)器(qi)件(jian)在(zai)高(gao)速(su)開(kai)關(guan)情(qing)況(kuang)下(xia),寄(ji)生(sheng)參(can)數(shu)引(yin)起(qi)的(de)振(zhen)蕩(dang)在(zai)不(bu)同(tong)的(de)天(tian)線(xian)上(shang)發(fa)射(she)出(chu)去(qu),被(bei)天(tian)線(xian)接(jie)收(shou)放(fang)大(da)了(le)顯(xian)示(shi)出(chu)來(lai),避(bi)免(mian)振(zhen)蕩(dang)信(xin)號(hao)出(chu)去(qu)就(jiu)要(yao)避(bi)免(mian)高(gao)頻(pin)振(zhen)蕩(dang),改(gai)變(bian)振(zhen)蕩(dang)頻(pin)率(lv)或(huo)者(zhe)把(ba)高(gao)頻(pin)振(zhen)蕩(dang)吸(xi)收(shou)掉(diao),損(sun)耗(hao)掉(diao),以(yi)至(zhi)於(yu)顯(xian)示(shi)出(chu)來(lai)值(zhi)的(de)時(shi)候(hou)不(bu)超(chao)標(biao)。
磁珠的運用有個需要注意的地方,套住MOSFET的時候,MOSFET最好是要打K腳,套入磁珠後點膠固定,如果磁珠鬆動,可能導電引起MOSFET短路。有空間的情況下盡量采用帶線磁珠。
七、PCB定型改版試生產注意細節
傳導輻射整改完成後,PCB可以定型了,最好按照生產的工藝要求來做改善,更新一版PCB,避免生產時碰到問題。
1、yanzhengdianyuandeshikedaole,kehuyaoqiu,guigeshu。dianyuanyangpinnageiceshiyanzhengzuzuoceshiyanzhengle。zhiqianwentidoujiejueledehua,yanzhengzushimeiwentide,daoshijiannabaogaojiukeyile。
2、準備小批量試產,走流程,準備物料,整理BOM與提供樣機給生產部同事。
3、準備做認證的材料(保險絲,MOSFET等元器件)與樣機以及做認證的關鍵元器件清單等文檔性材料。關鍵元器件清單裏麵的元件一般寫3個以上的供應商。認證號一定要對準,錯了的話,後續審廠會有不必要的麻煩。剩下的都是一些基本的溝通問題了。
做zuo認ren證zheng時shi碰peng到dao過guo做zuo認ren證zheng的de時shi候hou溫wen升sheng超chao標biao了le的de,隻zhi能neng加jia導dao熱re膠jiao導dao出chu去qu。或huo者zhe提ti高gao效xiao率lv,把ba傳chuan導dao與yu輻fu射she的de餘yu量liang放fang小xiao。這zhe種zhong問wen題ti一yi般ban是shi自zi己ji做zuo測ce試shi時shi餘yu量liang留liu得de太tai少shao,很hen難nan碰peng到dao的de。
4、一般認證2個月左右能拿到的。2個月的時間足夠把試產做好了。
5、試產問題:基本上都是要改大焊盤,插件的孔大小更改,絲印位置的更改等。
6、試產的測試按IPS和產線測試的規章製度完成。
碰到過裸板耐壓打不過的,原因竟然是把裸板放在綠色的靜電皮上操作;也有是麥拉片折痕處貼的膠帶磨損了。
7、輸入有大電容的電源,需要要求測試的工序裏麵增加一條,測試完畢給大電容放電的一個操作流程。
8、試產完成後開個試產總結會,試產PASS,PCB可以開模了。量產基本上是不會找到研發工程師了,頂多就是替代料的事宜。
9、做完一個產品,給自己寫點總結什麼的,其中的經驗教訓,或者是有點失敗的地方,或者是不同IC的特點。項目做多了,自然就會了。
整zheng個ge開kai發fa過guo程cheng中zhong都dou是shi一yi個ge團tuan隊dui的de協xie作zuo,所suo以yi很hen厲li害hai的de工gong程cheng師shi,溝gou通tong能neng力li也ye是shi很hen強qiang的de,研yan發fa一yi個ge產chan品pin要yao跟gen很hen多duo部bu門men打da交jiao道dao,技ji術shu類lei的de書shu要yao看kan,技ji術shu問wen題ti也ye要yao探tan討tao,同tong時shi溝gou通tong與yu禮li儀yi方fang麵mian的de知zhi識shi也ye要yao學xue習xi,有you這zhe些xie前qian提ti條tiao件jian,開kai發fa起qi來lai也ye就jiu容rong易yi多duo了le。
八、20年經驗資深工程師的感慨
我順便提一下,上麵原理圖中18的此飽和是500MT,即5000高斯,0,5特斯拉,普通鐵氧體到不了5000吧,頂多4000,好像才3500吧,所以一般的磁通密度選擇1500高斯,變壓器小的可以選大一些,變壓器大的要選小一些,頻彔高的減小頻彔低的可以大一些吧。
congwogankaiguandianyuanjinershinian,suanshilaoshoule,wofeichangshenyoutihuideshi,kaiguandianyuanzuinandeshihuanlucanshu,feichangbuhaoqueding,pubianbudawendingjiushihuanlumeiyoutiaohao,zhegeshiyigedawentile,taiduogaobudingdejiushizhegewentile,haiyoubianyaqicanshudexuanzeyeshiyigenandian,yourenshuobianyaqidefenliangfeichangda,quedingduoshaozabi,guige,ruguotiesunxiansunyiyangzuihao,jiaozaiyiqile,wufaquedingnageduonageshaole,haiyou,ruhequedingcitongmiduduoshaoweizuiheshi,yeshifeichangnanle,zhegeduoniandejingyanfeichangzhongyao,xuduorenbianyaqibudongsheji,haiyou,fenglingkeyicitongdayixie,zilengyaoxiaoyixie,doubushiyijianrongyideshiqing。
現在是很多人知識匱乏,沒有無線電技術的知識,那一些新手根本不懂,把PCBbuchengzhengqidefeichangsuiyiderenyizouxianle,henxiangjingxi,nagenbenhunao,bunengyongdebanle,xinyidaidezhishiduoyuanhua,youhuotaidale,shenmerendoukeyishangdaxuele,biruyixiezhigaodepugaomeibiyederenyeshangdaxuele,yingshijiaoyuyeshidawenti,rencaizhiliangbuxingle,shenmeyebudongderenduole,tamenzhaoyanggaokaifa,nengzuochengshenmehaochanpin,zuizhongyaodeshizhishihexuewen,queyoushizuibuzaihushiyoushixuewen,fuzaoshehuifuzaoderen,mannaozijiushiduanpingkuai,yaozhidaoyusuzebuda,zhihuichaoximofangnalaizhuyishanzhaizhifeng,mofangzhizaodiliechanpin,yinweisuoweidekaifarenyuanjiushibanyungong,erqiesuoweirencailiudong,banlaziyixiajiufeile,chenglezhengzhiziben,ganguoleshenmexiangmu,haiyoubushaoqishishitiaoshigong,jishurenyuan,maochongshenmekaifarenyuan,laobanjiyuqiucheng,yongdeqishishiweirencai,weirencaizhinengzhizaoweiliechanpinle,jiushizhihuikelongchanpinfuzhile,haizuobuhao,dagonglvdeqishibushaolaowaidechanpinnagezuochengle,xiaogonglvdexiangduirongyijiandanyixiebushaohaishizuochengle,danzuobuhaodeduoduole。
我談這個是非常普遍存在的社會現實,比如一位做12伏100an,chaoximofangbajiugeyuemeiyouzuocheng,zuizhongshibaidashuipiaole,qishikeyizuochengde,wojianguonagechanpin,tongkaifarenyuanyijiaoliu,faxianxuewenbuxing,woduinaweichenlaobanshuoxiongduojishaojiuchengyishangyaoshibaide,tabuxin,jiushiwowanquanmofangyigedifangyebunenglouxia,nandaozuobucheng,jieguone,zhendezuobuchengle,xiangdangduorendouyiweiyichaojiuchengyibudaowei,zongshizhemeshuo,jieguoqibu,nagechenggongle,yibaitudile。qishi,nage12伏100安真的不難,就是要有一些學問,失敗的原因就在這裏了。
原(yuan)諒(liang)我(wo)談(tan)了(le)別(bie)的(de)方(fang)麵(mian)的(de)了(le),不(bu)過(guo),確(que)實(shi)千(qian)真(zhen)萬(wan)確(que),非(fei)常(chang)普(pu)遍(bian)而(er)且(qie)常(chang)態(tai)化(hua)的(de)我(wo)們(men)這(zhe)個(ge)社(she)會(hui)的(de)現(xian)實(shi)了(le),普(pu)遍(bian)的(de)從(cong)業(ye)人(ren)員(yuan)就(jiu)是(shi)知(zhi)識(shi)匱(kui)乏(fa),技(ji)術(shu)和(he)能(neng)力(li)不(bu)行(xing),就(jiu)是(shi)生(sheng)搬(ban)硬(ying)套(tao),克(ke)隆(long)主(zhu)義(yi)至(zhi)上(shang),,好(hao)像(xiang)我(wo)們(men)這(zhe)個(ge)社(she)會(hui)就(jiu)是(shi)假(jia)大(da)空(kong)的(de)社(she)會(hui),多(duo)數(shu)的(de)產(chan)品(pin)都(dou)是(shi)這(zhe)麼(me)去(qu)幹(gan)的(de)。成(cheng)了(le)不(bu)少(shao)其(qi)實(shi)有(you)不(bu)少(shao)老(lao)外(wai)非(fei)常(chang)不(bu)錯(cuo)的(de)產(chan)品(pin),我(wo)都(dou)見(jian)過(guo)不(bu)少(shao)了(le),怎(zen)麼(me)都(dou)沒(mei)有(you)見(jian)到(dao)我(wo)們(men)做(zuo)的(de)實(shi)際(ji)產(chan)品(pin)了(le),其(qi)實(shi)大(da)幫(bang)小(xiao)幫(bang)都(dou)在(zai)抄(chao)襲(xi),怎(zen)麼(me)見(jian)不(bu)到(dao)東(dong)西(xi)呀(ya),因(yin)為(wei)都(dou)失(shi)敗(bai)了(le)打(da)水(shui)漂(piao)了(le),我(wo)在(zai)這(zhe)裏(li)說(shuo)了(le)大(da)實(shi)話(hua)的(de),非(fei)常(chang)真(zhen)實(shi)的(de)不(bu)要(yao)誤(wu)解(jie)了(le)。如(ru)果(guo)有(you)何(he)不(bu)妥(tuo),多(duo)多(duo)見(jian)諒(liang)吧(ba)。
有一個非常真實的事例,比如01年我國一公司就做成了LLC多諧振的產品,由於效率高一時非常轟動,模仿者也登門而至,我是在03nianchukaishifeichangfeijin,yutongshidabannianle,shuolaiqiguai,yuanjizhankongbidafangzuodejiuxiaole,dangshidetubanfajiushibahuanliujiada,danxiaolvjiangdile,lingyijiashenzhendemouyijiagongsiyizhizuobucheng,haolebushaocaili,laobanhuoleqilaibanaweizonggongchaodiaole。wo03年底離開了,改用SG3525,主結構有了,按照規律,3525desiqushijianhaikeyitiaozhengne,zhankongbidale,jiuzheyangzuochenggongle,woshibuhuishengbanyingtao,bijiaolinghuode,renjiazuobuchengzuobuhaowojiukeyizuodaole,zhezhongqingkuanghenduo,suoyibuyaowanquankelongsibanzuo,bixuyaohuigaodianlusheji,ruguoshizheyang,haoduochanpinshikeyizuochengde,keyimofangcankao,jiehezizhusheji,wodezheyishilibuyechongfenshuominglema,xuewenhelinghuozuizhongyaole,jiushizhemeyihuishi。zhenzhengmofangchenggonghaizuodebucuodejishugongfuyefeichangbucuole,xuduorenbudongzhegedaoli,jiushinandaobucheng,buxiangxin,zhenderuci,shibaiduoduole,jishiyixiezuochengle,yeshibusanbuside,chanpinxingnenghezhiliangshiyigedawenti,haishiyijuhua,weirencaizhizaoweiliechanpin,xianshishangweirencaiduodequle,chanpinmaopaihuoduotongyangderencaimaopaihuoyiyangduole,qishi,dajiaxiangxindedaoshihuangyandeduo,yichaojiuchengyibudaoweijiushichenglezuidadehuangyanle。mankouziduomeshengshijieshengchengben,shenzhigengyoushenzhe,quandabaoliantuzhidoumeiyou,huailejiushixiudianqiyiyang,bahuaidezhaochulaihuandiaojiukeyile,zhegejiushitoujizhuyiganshile,kendingzheyangzuodewentitebieda,tamenjiushibacailihuazaiyingxiaoguanggaozhanle。
特別推薦
- 噪聲中提取真值!瑞盟科技推出MSA2240電流檢測芯片賦能多元高端測量場景
- 10MHz高頻運行!氮矽科技發布集成驅動GaN芯片,助力電源能效再攀新高
- 失真度僅0.002%!力芯微推出超低內阻、超低失真4PST模擬開關
- 一“芯”雙電!聖邦微電子發布雙輸出電源芯片,簡化AFE與音頻設計
- 一機適配萬端:金升陽推出1200W可編程電源,賦能高端裝備製造
技術文章更多>>
- 貿澤EIT係列新一期,探索AI如何重塑日常科技與用戶體驗
- 算力爆發遇上電源革新,大聯大世平集團攜手晶豐明源線上研討會解鎖應用落地
- 創新不止,創芯不已:第六屆ICDIA創芯展8月南京盛大啟幕!
- AI時代,為什麼存儲基礎設施的可靠性決定數據中心的經濟效益
- 築基AI4S:摩爾線程全功能GPU加速中國生命科學自主生態
技術白皮書下載更多>>
- 車規與基於V2X的車輛協同主動避撞技術展望
- 數字隔離助力新能源汽車安全隔離的新挑戰
- 汽車模塊拋負載的解決方案
- 車用連接器的安全創新應用
- Melexis Actuators Business Unit
- Position / Current Sensors - Triaxis Hall
熱門搜索





