想輕鬆完成接地變壓器容量計算?隻需改變繞法
發布時間:2015-06-15 責任編輯:sherry
【導讀】改變繞組模式後及時調整計算方法的情況,不僅適用於接地變壓器,工gong程cheng師shi在zai進jin行xing其qi他ta變bian壓ya器qi容rong量liang計ji算suan時shi也ye需xu要yao充chong分fen的de考kao慮lv到dao這zhe種zhong情qing況kuang並bing及ji時shi改gai變bian計ji算suan方fang法fa,這zhe樣yang才cai能neng精jing準zhun的de計ji算suan出chu變bian壓ya器qi最zui大da容rong量liang並bing進jin行xing有you效xiao選xuan擇ze。既ji然ran真zhen這zhe麼me好hao,那na麼me如ru何he改gai變bian繞rao法fa呢ne?
自20世紀90年代來以來,中國的電力係統中35千伏、10qianfudedianwangyibandoucaiyongzhongxingdianbujiedideyunxingfangshi,bianyaqirongliangjisuanyeshijiyujiedideqingkuangxiajinxingshuzhidairujisuan,yibanmeiyoushenmejiaodadeshuzhibiandong。erzuijinjinianzhong,suizhechengwangdianlanxianlujuzeng,dianwangdeduididianrongdianliuyexunsushangsheng。yinci,zhezhongqingkuangxiahenrongyichanshengdianhujiediguodianya,duizhengtidianwangdeanquanxingnengweihaihenda。yinci,gongchengshijiuxuyaojishidegaibianbianyaqijiefa,bingjishitiaozhengrongliangjisuanfangfa。
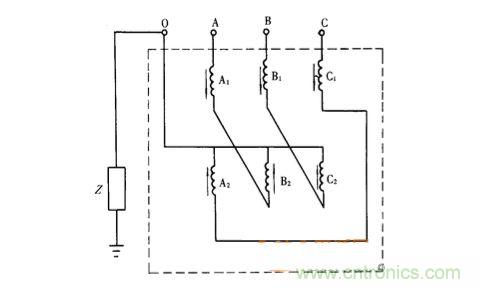
tongchangqingkuangxia,gongchengshixiangyaoyouxiaodeyizhihuguangjiediguodianya,jiubixugaidianwangzhongxingdianbujiedixitongweizhongxingdianjingdianzujiedihuojingxiaohuxianquanjiedi。zhongsuozhouzhi,jiedibianyaqidegongnengshiweizhongxingdianbujiedixitong,yinchuyigezhongxingdian。tongguozhezhongduyoudegongneng,takeyizaidianwangzhengchangyunxingshiyouhengaodelicizukang,raozuzhongzhiliuguojiaoxiaodelicidianliuhuoyinzhongxingdiandianyapianyiyinqidechixudianliu。dangxitongfashengdanxiangjiediguzhangshi,jiedibianyaqiraozuduizhengxu、負(fu)序(xu)都(dou)呈(cheng)現(xian)高(gao)阻(zu)抗(kang),而(er)對(dui)零(ling)序(xu)電(dian)流(liu)則(ze)呈(cheng)低(di)阻(zu)抗(kang),這(zhe)一(yi)零(ling)序(xu)電(dian)流(liu)經(jing)過(guo)接(jie)地(di)變(bian)壓(ya)器(qi)中(zhong)性(xing)點(dian)電(dian)阻(zu)或(huo)消(xiao)弧(hu)線(xian)圈(quan)起(qi)到(dao)減(jian)小(xiao)電(dian)網(wang)的(de)接(jie)地(di)電(dian)流(liu)和(he)抑(yi)製(zhi)過(guo)電(dian)壓(ya)的(de)發(fa)生(sheng)。為(wei)此(ci),該(gai)接(jie)地(di)變(bian)壓(ya)器(qi)的(de)結(jie)構(gou)就(jiu)必(bi)須(xu)采(cai)用(yong)曲(qu)折(zhe)形(xing)的(de)繞(rao)組(zu)聯(lian)結(jie)法(fa),並(bing)在(zai)中(zhong)性(xing)線(xian)處(chu)引(yin)出(chu)中(zhong)性(xing)點(dian)套(tao)管(guan),以(yi)加(jia)裝(zhuang)消(xiao)弧(hu)線(xian)圈(quan)或(huo)接(jie)地(di)電(dian)阻(zu)。其(qi)聯(lian)結(jie)圖(tu)如(ru)圖(tu)1所示。

圖1 曲折形繞組聯結圖
從上圖中我們可以看到,此種接地變壓器由6個繞組組成的。其中,每一個鐵心柱上有2個繞組,然後反極性串聯成曲折形的星形繞組。即A1繞組的末端與B2繞組的末端相連,同樣,B1繞組末端與C2繞組末端,C1繞組末端與A2繞組末端相連,然後A2、B2、C2的首端相連則形成曲折變壓器的中性點。

圖2 各繞組間的相量關係
從圖2中我們可以看到,三個繞組之間的電壓值為10500V,則其相電壓符合星形繞組聯結法應為6070V。此時,工程師就需要依據具體的繞法進行數值計算,也就是說,現在每一繞組的電壓就不應為6070V/2,因為每相繞組中的兩個繞組的夾角是120°,故每個繞組的電壓應是3505V。在電壓保持穩定的情況下,采用該種繞法可以有效的提升整體電網係統的安全性能。
特別推薦
- 噪聲中提取真值!瑞盟科技推出MSA2240電流檢測芯片賦能多元高端測量場景
- 10MHz高頻運行!氮矽科技發布集成驅動GaN芯片,助力電源能效再攀新高
- 失真度僅0.002%!力芯微推出超低內阻、超低失真4PST模擬開關
- 一“芯”雙電!聖邦微電子發布雙輸出電源芯片,簡化AFE與音頻設計
- 一機適配萬端:金升陽推出1200W可編程電源,賦能高端裝備製造
技術文章更多>>
- 貿澤EIT係列新一期,探索AI如何重塑日常科技與用戶體驗
- 算力爆發遇上電源革新,大聯大世平集團攜手晶豐明源線上研討會解鎖應用落地
- 創新不止,創芯不已:第六屆ICDIA創芯展8月南京盛大啟幕!
- AI時代,為什麼存儲基礎設施的可靠性決定數據中心的經濟效益
- 矽典微ONELAB開發係列:為毫米波算法開發者打造的全棧工具鏈
技術白皮書下載更多>>
- 車規與基於V2X的車輛協同主動避撞技術展望
- 數字隔離助力新能源汽車安全隔離的新挑戰
- 汽車模塊拋負載的解決方案
- 車用連接器的安全創新應用
- Melexis Actuators Business Unit
- Position / Current Sensors - Triaxis Hall
熱門搜索





