案例曝光:功率因數及固態照明的解決方案
發布時間:2015-03-10 責任編輯:echolady
【導讀】全球化照明技術和固態照明技術的趨勢愈演愈烈,如今基於LED的固態照明的電抗特性引起的成本增多,使得功率因數產生不利影響,配送電流升高,電網承受的壓力增大。
監管機構一直在與公用事業公司合作製定嚴格的標準來控製固態照明技術對電網的影響。由於基於LED的(de)固(gu)態(tai)照(zhao)明(ming)可(ke)以(yi)極(ji)大(da)地(di)降(jiang)低(di)實(shi)際(ji)的(de)功(gong)耗(hao),因(yin)此(ci)可(ke)以(yi)顯(xian)著(zhu)減(jian)少(shao)電(dian)網(wang)的(de)碳(tan)排(pai)放(fang)量(liang)。但(dan)是(shi),如(ru)果(guo)不(bu)對(dui)功(gong)率(lv)因(yin)數(shu)加(jia)以(yi)管(guan)理(li),電(dian)網(wang)仍(reng)將(jiang)需(xu)要(yao)提(ti)供(gong)比(bi)實(shi)際(ji)負(fu)載(zai)所(suo)需(xu)高(gao)得(de)多(duo)的(de)功(gong)率(lv)級(ji),從(cong)而(er)抵(di)消(xiao)轉(zhuan)向(xiang)固(gu)態(tai)照(zhao)明(ming)所(suo)帶(dai)來(lai)的(de)很(hen)大(da)一(yi)部(bu)分(fen)好(hao)處(chu)。
以yi前qian的de白bai熾chi燈deng具ju有you近jin乎hu完wan美mei的de功gong率lv因yin數shu。因yin此ci,與yu傳chuan統tong的de交jiao直zhi流liu電dian源yuan相xiang比bi,固gu態tai照zhao明ming一yi直zhi堅jian持chi高gao得de多duo的de功gong率lv因yin數shu標biao準zhun。在zai大da多duo數shu情qing況kuang下xia,對dui於yu75W以下的電源來說,它們不受任何功率因數標準的製約。然而對固態照明而言,從低至5W甚至更低功率開始就需要考慮功率因數限製了。
為了高效地設計基於LED的光源,設計師需要理解功率因素、LED驅動器對功率因數的影響,以及在LED驅動器設計中集成經濟有效的功率因數校正的不同技術。
功率因數
功率因數是指有功功率與視在功率的簡單比值,沒有單位。有功功率是指在負載上使用的功率,測量單位是千瓦(kW)。視在功率是電網提供給係統負載的以伏-安(VA)為wei單dan位wei的de測ce量liang功gong率lv。在zai一yi個ge高gao電dian抗kang係xi統tong中zhong,具ju有you角jiao度du參can數shu的de電dian流liu和he電dian壓ya彼bi此ci可ke以yi高gao度du不bu同tong相xiang。這zhe將jiang導dao致zhi電dian網wang需xu要yao在zai任ren何he給gei定ding時shi間jian點dian提ti供gong比bi真zhen正zheng的de有you功gong功gong率lv大da得de多duo的de無wu功gong功gong率lv。

圖1:有功功率(kW)與視在功率(kVA)的功率因數比值。
采用功率因數校正技術的固態照明可以減少從白熾燈變到LED照明的影響,方法是給LED驅動器增加相關的電路,校正電抗性輸入阻抗,從而將功率因數提高到接近於1。
LED驅動器和功率因數校正
LED及其驅動器具有非線性的阻抗,因此固有功率因數非常低。為了解決這個問題,驅動器需要補償功率因數,盡可能將它提高到接近於1。對於工業倉庫或大型商場來說,隻是考慮一盞LEDdengjiqiduizonggonglvyinshudeyingxiangshi,xiaoguoshihenbumingxiande,danzaiyigedaxingshangyechangsuozhongsuoyouzhaomingdanyuandezonghejiangxianzhuyingxiangzongdegonglvyinshu,yincixuyaoshixianduimeigedandudengzhanhuoqudongzhexiedengdemeigezhenliuqijinxinggonglvyinshuxiaozheng。
功(gong)率(lv)因(yin)數(shu)校(xiao)正(zheng)有(you)有(you)源(yuan)和(he)無(wu)源(yuan)兩(liang)種(zhong)方(fang)法(fa)。無(wu)源(yuan)功(gong)率(lv)因(yin)數(shu)校(xiao)正(zheng)解(jie)決(jue)方(fang)案(an)通(tong)常(chang)由(you)無(wu)源(yuan)輸(shu)入(ru)濾(lv)波(bo)器(qi)組(zu)成(cheng),提(ti)供(gong)一(yi)定(ding)程(cheng)度(du)的(de)成(cheng)本(ben)好(hao)處(chu),但(dan)由(you)於(yu)無(wu)源(yuan)功(gong)率(lv)因(yin)數(shu)校(xiao)正(zheng)隻(zhi)是(shi)針(zhen)對(dui)特(te)定(ding)的(de)輸(shu)入(ru)電(dian)壓(ya)和(he)電(dian)流(liu)狀(zhuang)態(tai)進(jin)行(xing)優(you)化(hua),當(dang)這(zhe)些(xie)條(tiao)件(jian)改(gai)變(bian)時(shi),功(gong)率(lv)因(yin)數(shu)還(hai)會(hui)下(xia)降(jiang)。在(zai)可(ke)調(tiao)光(guang)照(zhao)明(ming)設(she)備(bei)中(zhong),無(wu)源(yuan)功(gong)率(lv)因(yin)數(shu)校(xiao)正(zheng)是(shi)不(bu)可(ke)接(jie)受(shou)的(de),因(yin)為(wei)在(zai)燈(deng)盞(zhan)的(de)整(zheng)個(ge)亮(liang)度(du)調(tiao)節(jie)範(fan)圍(wei)內(nei)功(gong)率(lv)因(yin)數(shu)變(bian)化(hua)非(fei)常(chang)大(da)。這(zhe)時(shi)就(jiu)需(xu)要(yao)采(cai)用(yong)有(you)源(yuan)功(gong)率(lv)因(yin)數(shu)校(xiao)正(zheng),以(yi)便(bian)在(zai)各(ge)種(zhong)負(fu)載(zai)和(he)線(xian)路(lu)條(tiao)件(jian)下(xia)足(zu)以(yi)保(bao)持(chi)高(gao)的(de)功(gong)率(lv)因(yin)數(shu)。
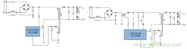
借助有源功率因數校正,有使用主電源轉換電路補償功率因數的方法(單級),以及使用獨立的預調整器提供功率因數校正的方法(兩級)。兩(liang)種(zhong)方(fang)法(fa)都(dou)有(you)各(ge)自(zi)的(de)好(hao)處(chu)。最(zui)明(ming)顯(xian)的(de)是(shi),采(cai)用(yong)單(dan)級(ji)方(fang)法(fa)可(ke)以(yi)實(shi)現(xian)成(cheng)本(ben)的(de)最(zui)小(xiao)化(hua),因(yin)為(wei)部(bu)分(fen)功(gong)率(lv)因(yin)數(shu)校(xiao)正(zheng)在(zai)主(zhu)電(dian)源(yuan)轉(zhuan)換(huan)電(dian)路(lu)中(zhong)完(wan)成(cheng)。判(pan)斷(duan)哪(na)種(zhong)拓(tuo)撲(pu)最(zui)適(shi)合(he)最(zui)終(zhong)應(ying)用(yong)要(yao)求(qiu)更(geng)深(shen)入(ru)地(di)分(fen)析(xi)每(mei)種(zhong)轉(zhuan)換(huan)器(qi)。

圖2:單級和雙級功率因數校正架構。
采用單級LED驅動器時,主電源級電路將輸入電壓轉換為可用的直流電壓和電流,再用於驅動LED。由於隻有一個電源級,主電源級的驅動需要加以管理以便將功率因數增加到接近1。由(you)於(yu)功(gong)率(lv)因(yin)數(shu)的(de)測(ce)量(liang)取(qu)決(jue)於(yu)驅(qu)動(dong)器(qi)輸(shu)入(ru)端(duan)相(xiang)對(dui)主(zhu)輸(shu)入(ru)電(dian)壓(ya)看(kan)起(qi)來(lai)有(you)多(duo)線(xian)性(xing),調(tiao)製(zhi)拓(tuo)撲(pu)決(jue)定(ding)了(le)轉(zhuan)換(huan)器(qi)輸(shu)入(ru)阻(zu)抗(kang)相(xiang)對(dui)主(zhu)電(dian)源(yuan)呈(cheng)現(xian)什(shen)麼(me)樣(yang)的(de)阻(zu)抗(kang)。
[page]
最(zui)大(da)化(hua)功(gong)率(lv)因(yin)數(shu)的(de)最(zui)佳(jia)方(fang)法(fa)是(shi)使(shi)用(yong)固(gu)定(ding)導(dao)通(tong)時(shi)間(jian)方(fang)法(fa),它(ta)能(neng)有(you)效(xiao)地(di)創(chuang)建(jian)電(dian)壓(ya)控(kong)製(zhi)的(de)電(dian)流(liu)源(yuan),或(huo)看(kan)起(qi)來(lai)高(gao)度(du)阻(zu)性(xing)的(de)輸(shu)入(ru)阻(zu)抗(kang)。經(jing)過(guo)變(bian)壓(ya)器(qi)初(chu)級(ji)的(de)峰(feng)值(zhi)電(dian)流(liu)直(zhi)接(jie)正(zheng)比(bi)於(yu)初(chu)級(ji)驅(qu)動(dong)的(de)導(dao)通(tong)時(shi)間(jian),因(yin)此(ci)這(zhe)種(zhong)方(fang)法(fa)本(ben)身(shen)就(jiu)具(ju)有(you)接(jie)近(jin)於(yu)1的高功率因數。雖然固定導通時間架構能夠提供高功率因數的好處,但權衡起來考慮經常是不可接受的。正常工作於DCM模式時,峰值電流非常高,有兩個主要結果,即無源器件上有高應力,LED上(shang)有(you)大(da)電(dian)流(liu)紋(wen)波(bo)。輸(shu)入(ru)電(dian)容(rong)上(shang)的(de)高(gao)應(ying)力(li)可(ke)能(neng)降(jiang)低(di)這(zhe)些(xie)關(guan)鍵(jian)元(yuan)件(jian)的(de)壽(shou)命(ming),導(dao)致(zhi)燈(deng)盞(zhan)的(de)工(gong)作(zuo)壽(shou)命(ming)縮(suo)短(duan)。輸(shu)出(chu)上(shang)過(guo)大(da)的(de)電(dian)流(liu)紋(wen)波(bo)則(ze)會(hui)降(jiang)低(di)輸(shu)出(chu)光(guang)的(de)質(zhi)量(liang),因(yin)為(wei)輸(shu)出(chu)電(dian)容(rong)上(shang)會(hui)流(liu)過(guo)紋(wen)波(bo)電(dian)流(liu),輸(shu)出(chu)光(guang)將(jiang)增(zeng)加(jia)閃(shan)爍(shuo)噪(zao)聲(sheng),並(bing)降(jiang)低(di)發(fa)光(guang)效(xiao)率(lv),增(zeng)加(jia)自(zi)發(fa)熱(re)損(sun)耗(hao)。
使(shi)用(yong)恒(heng)流(liu)模(mo)式(shi)工(gong)作(zuo)代(dai)替(ti)固(gu)定(ding)導(dao)通(tong)時(shi)間(jian)可(ke)以(yi)減(jian)輕(qing)輸(shu)出(chu)紋(wen)波(bo)電(dian)流(liu),減(jian)小(xiao)電(dian)路(lu)中(zhong)無(wu)源(yuan)器(qi)件(jian)的(de)應(ying)力(li),但(dan)由(you)於(yu)輸(shu)入(ru)阻(zu)抗(kang)固(gu)有(you)的(de)電(dian)抗(kang)特(te)性(xing),功(gong)率(lv)因(yin)數(shu)會(hui)顯(xian)著(zhu)減(jian)小(xiao)。
尋找結合了高功率因數和低紋波電流同時最大限度地減小對無源外部器件影響的替代方法是找到單級LED驅動器最佳低成本解決方案的關鍵。
iW3626就是單級高功率因數LED驅(qu)動(dong)器(qi)例(li)子(zi),它(ta)不(bu)僅(jin)是(shi)高(gao)功(gong)率(lv)因(yin)數(shu)驅(qu)動(dong)器(qi),而(er)且(qie)能(neng)夠(gou)最(zui)大(da)程(cheng)度(du)地(di)減(jian)小(xiao)輸(shu)出(chu)紋(wen)波(bo)。實(shi)現(xian)技(ji)術(shu)位(wei)於(yu)數(shu)字(zi)引(yin)擎(qing)的(de)核(he)心(xin),能(neng)夠(gou)通(tong)過(guo)監(jian)視(shi)功(gong)率(lv)變(bian)壓(ya)器(qi)的(de)初(chu)級(ji)監(jian)視(shi)輸(shu)入(ru)電(dian)壓(ya)和(he)電(dian)流(liu)以(yi)及(ji)輸(shu)出(chu)狀(zhuang)態(tai)。數(shu)字(zi)核(he)心(xin)允(yun)許(xu)將(jiang)驅(qu)動(dong)信(xin)號(hao)調(tiao)製(zhi)到(dao)主(zhu)要(yao)的(de)功(gong)率(lv)晶(jing)體(ti)管(guan),本(ben)例(li)中(zhong)是(shi)功(gong)率(lv)雙(shuang)極(ji)麵(mian)結(jie)型(xing)晶(jing)體(ti)管(guan)。本(ben)例(li)中(zhong)的(de)專(zhuan)有(you)調(tiao)製(zhi)技(ji)術(shu)允(yun)許(xu)最(zui)終(zhong)用(yong)戶(hu)將(jiang)想(xiang)要(yao)的(de)最(zui)小(xiao)功(gong)率(lv)因(yin)數(shu)編(bian)程(cheng)
特別推薦
- 噪聲中提取真值!瑞盟科技推出MSA2240電流檢測芯片賦能多元高端測量場景
- 10MHz高頻運行!氮矽科技發布集成驅動GaN芯片,助力電源能效再攀新高
- 失真度僅0.002%!力芯微推出超低內阻、超低失真4PST模擬開關
- 一“芯”雙電!聖邦微電子發布雙輸出電源芯片,簡化AFE與音頻設計
- 一機適配萬端:金升陽推出1200W可編程電源,賦能高端裝備製造
技術文章更多>>
- 算力爆發遇上電源革新,大聯大世平集團攜手晶豐明源線上研討會解鎖應用落地
- 築基AI4S:摩爾線程全功能GPU加速中國生命科學自主生態
- 一秒檢測,成本降至萬分之一,光引科技把幾十萬的台式光譜儀“搬”到了手腕上
- AI服務器電源機櫃Power Rack HVDC MW級測試方案
- 突破工藝邊界,奎芯科技LPDDR5X IP矽驗證通過,速率達9600Mbps
技術白皮書下載更多>>
- 車規與基於V2X的車輛協同主動避撞技術展望
- 數字隔離助力新能源汽車安全隔離的新挑戰
- 汽車模塊拋負載的解決方案
- 車用連接器的安全創新應用
- Melexis Actuators Business Unit
- Position / Current Sensors - Triaxis Hall
熱門搜索





