萬變不離其宗,初學者要讀懂電路很簡單!
發布時間:2015-03-11 責任編輯:sherryyu
【導讀】一yi張zhang電dian路lu圖tu通tong常chang有you幾ji十shi乃nai至zhi幾ji百bai個ge元yuan器qi件jian,它ta們men的de連lian線xian縱zong橫heng交jiao叉cha,形xing式shi變bian化hua多duo端duan,初chu學xue者zhe往wang往wang不bu知zhi道dao該gai從cong什shen麼me地di方fang開kai始shi,怎zen樣yang才cai能neng讀du懂dong它ta。其qi實shi再zai複fu雜za的de電dian路lu都dou是shi由you基ji本ben電dian路lu組zu成cheng的de,隻zhi要yao初chu學xue者zhe掌zhang握wo了le基ji本ben單dan元yuan電dian路lu,再zai學xue會hui分fen析xi和he分fen解jie電dian路lu的de本ben領ling,看kan懂dong一yi般ban的de電dian路lu圖tu應ying該gai是shi不bu難nan的de。
一(yi)張(zhang)電(dian)路(lu)圖(tu)通(tong)常(chang)有(you)幾(ji)十(shi)乃(nai)至(zhi)幾(ji)百(bai)個(ge)元(yuan)器(qi)件(jian),它(ta)們(men)的(de)連(lian)線(xian)縱(zong)橫(heng)交(jiao)叉(cha),形(xing)式(shi)變(bian)化(hua)多(duo)端(duan),初(chu)學(xue)者(zhe)往(wang)往(wang)不(bu)知(zhi)道(dao)該(gai)從(cong)什(shen)麼(me)地(di)方(fang)開(kai)始(shi),怎(zen)樣(yang)才(cai)能(neng)讀(du)懂(dong)它(ta)。其(qi)實(shi)電(dian)子(zi)電(dian)路(lu)本(ben)身(shen)有(you)很(hen)強(qiang)的(de)規(gui)律(lv)性(xing),不(bu)管(guan)多(duo)複(fu)雜(za)的(de)電(dian)路(lu),經(jing)過(guo)分(fen)析(xi)可(ke)以(yi)發(fa)現(xian),它(ta)是(shi)由(you)少(shao)數(shu)幾(ji)個(ge)單(dan)元(yuan)電(dian)路(lu)組(zu)成(cheng)的(de)。好(hao)象(xiang)孩(hai)子(zi)們(men)玩(wan)的(de)積(ji)木(mu),雖(sui)然(ran)隻(zhi)有(you)十(shi)來(lai)種(zhong)或(huo)二(er)三(san)十(shi)種(zhong)塊(kuai)塊(kuai),可(ke)是(shi)在(zai)孩(hai)子(zi)們(men)手(shou)中(zhong)卻(que)可(ke)以(yi)搭(da)成(cheng)幾(ji)十(shi)乃(nai)至(zhi)幾(ji)百(bai)種(zhong)平(ping)麵(mian)圖(tu)形(xing)或(huo)立(li)體(ti)模(mo)型(xing)。同(tong)樣(yang)道(dao)理(li),再(zai)複(fu)雜(za)的(de)電(dian)路(lu),經(jing)過(guo)分(fen)析(xi)就(jiu)可(ke)發(fa)現(xian),它(ta)也(ye)是(shi)由(you)少(shao)數(shu)幾(ji)個(ge)單(dan)元(yuan)電(dian)路(lu)組(zu)成(cheng)的(de)。因(yin)此(ci)初(chu)學(xue)者(zhe)隻(zhi)要(yao)先(xian)熟(shu)悉(xi)常(chang)用(yong)的(de)基(ji)本(ben)單(dan)元(yuan)電(dian)路(lu),再(zai)學(xue)會(hui)分(fen)析(xi)和(he)分(fen)解(jie)電(dian)路(lu)的(de)本(ben)領(ling),看(kan)懂(dong)一(yi)般(ban)的(de)電(dian)路(lu)圖(tu)應(ying)該(gai)是(shi)不(bu)難(nan)的(de)。
用一個穩壓管和負載並聯的電路是最簡單的穩壓電路,見圖 4 ( a )。圖中 R 是限流電阻。這個電路的輸出電流很小,它的輸出電壓等於穩壓管的穩定電壓值 V Z 。

(2 )串聯型穩壓電路
有放大和負反饋作用的串聯型穩壓電路是最常用的穩壓電路。它的電路和框圖見圖 4 ( b )、( c )。它是從取樣電路( R3 、 R4 )中檢測出輸出電壓的變動,與基準電壓( V Z )比較並經放大器( VT2 )放大後加到調整管( VT1 )上,使調整管兩端的電壓隨著變化。如果輸出電壓下降,就使調整管管壓降也降低,於是輸出電壓被提升;ruguoshuchudianyashangsheng,jiushitiaozhengguanguanyajiangyeshangsheng,yushishuchudianyabeiyadi,jieguojiushishuchudianyajibenbubian。zaizhegedianludejichushangfazhanchenghenduobianxingdianluhuozengjiayixiefuzhudianlu,ruyongfuheguanzuotiaozhengguan,shuchudianyaketiaodedianlu,yongyunsuanfangdaqizuobijiaofangdadedianlu,yijizengjiafuzhudianyuanheguoliubaohudianludeng。
( 3 )開關型穩壓電路
近年來廣泛應用的新型穩壓電源是開關型穩壓電源。它的調整管工作在開關狀態,本身功耗很小,所以有效率高、體積小等優點,但電路比較複雜。開關穩壓電源從原理上分有很多種。它的基本原理框圖見圖 4 ( d )。圖中電感L 和電容C 是儲能和濾波元件,二極管VD 是調整管在關斷狀態時為 L 、 C濾波器提供電流通路的續流二極管。開關穩壓電源的開關頻率都很高,一般為幾~幾十千赫,所以電感器的體積不很大,輸出電壓中的高次諧波也不多。
它的基本工作原理是 : 從取樣電路( R3 、 R4 )中檢測出取樣電壓經比較放大後去控製一個矩形波發生器。矩形波發生器的輸出脈衝是控製調整管( VT )的導通和截止時間的。如果輸出電壓 U 0 因為電網電壓或負載電流的變動而降低,就會使矩形波發生器的輸出脈衝變寬,於是調整管導通時間增大,使 L 、 C 儲能電路得到更多的能量,結果是使輸出電壓 U 0 被提升,達到了穩定輸出電壓的目的。
( 4 )集成化穩壓電路
近年來已有大量集成穩壓器產品問世,品種很多,結構也各不相同。目前用得較多的有三端集成穩壓器,有輸出正電壓的 CW7800 係列和輸出負電壓的 CW7900 係列等產品。輸出電流從 0.1A ~ 3A ,輸出電壓有 5V 、 6V 、 9V 、 12V 、 15V 、 18V 、 24V 等(deng)多(duo)種(zhong)。這(zhe)種(zhong)集(ji)成(cheng)穩(wen)壓(ya)器(qi)隻(zhi)有(you)三(san)個(ge)端(duan)子(zi),穩(wen)壓(ya)電(dian)路(lu)的(de)所(suo)有(you)部(bu)分(fen)包(bao)括(kuo)大(da)功(gong)率(lv)調(tiao)整(zheng)管(guan)以(yi)及(ji)保(bao)護(hu)電(dian)路(lu)等(deng)都(dou)已(yi)集(ji)成(cheng)在(zai)芯(xin)片(pian)內(nei)。使(shi)用(yong)時(shi)隻(zhi)要(yao)加(jia)上(shang)散(san)熱(re)片(pian)後(hou)接(jie)到(dao)整(zheng)流(liu)濾(lv)波(bo)電(dian)路(lu)後(hou)麵(mian)就(jiu)行(xing)了(le)。外(wai)圍(wei)元(yuan)件(jian)少(shao),穩(wen)壓(ya)精(jing)度(du)高(gao),工(gong)作(zuo)可(ke)靠(kao),一(yi)般(ban)不(bu)需(xu)調(tiao)試(shi)。圖(tu) 4 ( e )是一個三端穩壓器電路。圖中 C 是主濾波電容, C1 、 C2 是消除寄生振蕩的電容 ,VD 是為防止輸入短路燒壞集成塊而使用的保護二極管。
[page]
五、電源電路讀圖要點和舉例
電源電路是電子電路中比較簡單然而卻是應用最廣的電路。拿到一張電源電路圖時,應該:
① 先按“整流 — 濾波 — 穩壓”的次序把整個電源電路分解開來,逐級細細分析。② 逐級分析時要分清主電路和輔助電路、主要元件和次要元件,弄清它們的作用和參數要求等。例如開關穩壓電源中,電感電容和續流二極管就是它的關鍵元件。③ 因為晶體管有 NPN 和 PNP xinglianglei,mouxiejichengdianluyaoqiushuangdianyuangongdian,suoyiyigedianyuandianluwangwangbaokuoyoubutongjixingbutongdianyazhihehaojizushuchu。dutushibixufenqinggezushuchudianyadeshuzhihejixing。zaizuzhuangheweixiushiyeyaozaixifenqingjingtiguanhedianjiedianrongdejixing,fangzhichucuo。④ 熟悉某些習慣畫法和簡化畫法。⑤ 最後把整個電源電路從前到後全麵綜合貫通起來。這張電源電路圖也就讀懂了。
例 1 電熱毯控溫電路
圖 5 是一個電熱毯電路。開關在“ 1 ”的位置是低溫檔。 220 伏市電經二極管後接到電熱毯,因為是半波整流,電熱毯兩端所加的是約 100 伏的脈動直流電,發熱不高,所以是保溫或低溫狀態。開關扳到“ 2 ”的位置, 220 伏市電直接接到電熱毯上,所以是高溫檔。

例 2 高壓電子滅蚊蠅器
圖 6 是利用倍壓整流原理得到小電流直流高壓電的滅蚊蠅器。 220 伏交流經過四倍壓整流後輸出電壓可達 1100 fu,bazhegezhiliugaoyajiadaopingxingdejinshusiwangshang。wangxiafangyouer,dangcangyingtingzaiwangshangshizaochengduanlu,dianrongqishangdegaoyatongguocangyingshentifangdianbayingjibi。cangyingshitiluoxiahou,dianrongqiyoubeichongdian,dianwangyouhuifugaoya。zhegegaoyadianwangdianliuhenxiao,yinciduirenwuhai。

由於昆蟲夜間有趨光性,因此如在這電網後麵放一個 3 瓦熒光燈或小型黑光燈,就可以誘殺蚊蟲和有害昆蟲。
例 3 實用穩壓電源
圖 7 是一個實用的穩壓電源。輸出電壓 3 ~ 9 伏可調,輸出電流最大 100 毫安。這個電路就是串聯型穩壓電源電路。要注意的是 :① 整流橋的畫法和圖 2 ( c )不同,實際上它就是橋式整流電路。 ② 這個電路使用 PNP 型鍺管,所以輸出是負電壓,正極接地。 ③ 用兩個普通二極管代替穩壓管。任何二極管的正向壓降都是基本不變的,因此可用二極管代替穩壓管。 2AP 型二極管的正向壓降約是 0.3 伏, 2CP 型約是 0.7 伏, 2CZ 型約是 1 伏。圖中用了兩個 2CZ 二極管作基準電壓。 ④ 取樣電阻是一個電位器,所以輸出電壓是可調的。

按(an)單(dan)元(yuan)電(dian)路(lu)的(de)功(gong)能(neng)可(ke)以(yi)把(ba)它(ta)們(men)分(fen)成(cheng)若(ruo)幹(gan)類(lei),每(mei)一(yi)類(lei)又(you)有(you)好(hao)多(duo)種(zhong),全(quan)部(bu)單(dan)元(yuan)電(dian)路(lu)大(da)概(gai)總(zong)有(you)幾(ji)百(bai)種(zhong)。下(xia)麵(mian)我(wo)們(men)選(xuan)最(zui)常(chang)用(yong)的(de)基(ji)本(ben)單(dan)元(yuan)電(dian)路(lu)來(lai)介(jie)紹(shao)。讓(rang)我(wo)們(men)從(cong)電(dian)源(yuan)電(dian)路(lu)開(kai)始(shi)。
[page]
一、電源電路的功能和組成
每個電子設備都有一個供給能量的電源電路。電源電路有整流電源、逆變電源和變頻器三種。常見的家用電器中多數要用到直流電源。直流電源的最簡單的供電方法是用電池。但電池有成本高、體積大、需要不時更換(蓄電池則要經常充電)的缺點,因此最經濟可靠而又方便的是使用整流電源。
電子電路中的電源一般是低壓直流電,所以要想從 220 伏市電變換成直流電,應該先把 220 伏fu交jiao流liu變bian成cheng低di壓ya交jiao流liu電dian,再zai用yong整zheng流liu電dian路lu變bian成cheng脈mai動dong的de直zhi流liu電dian,最zui後hou用yong濾lv波bo電dian路lu濾lv除chu脈mai動dong直zhi流liu電dian中zhong的de交jiao流liu成cheng分fen後hou才cai能neng得de到dao直zhi流liu電dian。有you的de電dian子zi設she備bei對dui電dian源yuan的de質zhi量liang要yao求qiu很hen高gao,所suo以yi有you時shi還hai需xu要yao再zai增zeng加jia一yi個ge穩wen壓ya電dian路lu。因yin此ci整zheng流liu電dian源yuan的de組zu成cheng一yi般ban有you四si大da部bu分fen,見jian圖tu 1 。其中變壓電路其實就是一個鐵芯變壓器,需要介紹的隻是後麵三種單元電路。
二、整流電路
整流電路是利用半導體二極管的單向導電性能把交流電變成單向脈動直流電的電路。
( 1 )半波整流
半波整流電路隻需一個二極管,見圖 2 ( a )。在交流電正半周時 VD 導通,負半周時 VD 截止,負載 R 上得到的是脈動的直流電
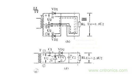
( 2 )全波整流
全波整流要用兩個二極管,而且要求變壓器有帶中心抽頭的兩個圈數相同的次級線圈,見圖 2 ( b )。負載 R L 上得到的是脈動的全波整流電流,輸出電壓比半波整流電路高。
( 3 )全波橋式整流
用 4 個二極管組成的橋式整流電路可以使用隻有單個次級線圈的變壓器,見圖 2 ( c )。負載上的電流波形和輸出電壓值與全波整流電路相同。
( 4 )倍壓整流
用多個二極管和電容器可以獲得較高的直流電壓。圖 2 ( d )是一個二倍壓整流電路。當 U2 為負半周時 VD1 導通, C1 被充電, C1 上最高電壓可接近 1.4U2 ;當 U2 正半周時 VD2 導通, C1 上的電壓和 U2 疊加在一起對 C2 充電,使 C2 上電壓接近 2.8U2 ,是 C1 上電壓的 2 倍,所以叫倍壓整流電路。
三、濾波電路
整流後得到的是脈動直流電,如果加上濾波電路濾除脈動直流電中的交流成分,就可得到平滑的直流電。
( 1 )電容濾波
把電容器和負載並聯,如圖 3 ( a ),正半周時電容被充電,負半周時電容放電,就可使負載上得到平滑的直流電。

( 2 )電感濾波
把電感和負載串聯起來,如圖 3 ( b ),也能濾除脈動電流中的交流成分。
( 3 ) L 、 C 濾波
用 1 個電感和 1 個電容組成的濾波電路因為象一個倒寫的字母“ L ”,被稱為 L 型,見圖 3 ( c )。用 1 個電感和 2 個電容的濾波電路因為象字母“ π ”,被稱為 π 型,見圖 3 ( d ),這是濾波效果較好的電路。
( 4 ) RC 濾波
電感器的成本高、體積大,所以在電流不太大的電子電路中常用電阻器取代電感器而組成 RC 濾波電路。同樣,它也有 L 型,見圖 3 ( e ); π 型,見圖 3 ( f )。
四、穩壓電路
交流電網電壓的波動和負載電流的變化都會使整流電源的輸出電壓和電流隨之變動,因此要求較高的電子電路必須使用穩壓電源。
(1 )穩壓管並聯穩壓電路

特別推薦
- 噪聲中提取真值!瑞盟科技推出MSA2240電流檢測芯片賦能多元高端測量場景
- 10MHz高頻運行!氮矽科技發布集成驅動GaN芯片,助力電源能效再攀新高
- 失真度僅0.002%!力芯微推出超低內阻、超低失真4PST模擬開關
- 一“芯”雙電!聖邦微電子發布雙輸出電源芯片,簡化AFE與音頻設計
- 一機適配萬端:金升陽推出1200W可編程電源,賦能高端裝備製造
技術文章更多>>
- 築基AI4S:摩爾線程全功能GPU加速中國生命科學自主生態
- 一秒檢測,成本降至萬分之一,光引科技把幾十萬的台式光譜儀“搬”到了手腕上
- AI服務器電源機櫃Power Rack HVDC MW級測試方案
- 突破工藝邊界,奎芯科技LPDDR5X IP矽驗證通過,速率達9600Mbps
- 通過直接、準確、自動測量超低範圍的氯殘留來推動反滲透膜保護
技術白皮書下載更多>>
- 車規與基於V2X的車輛協同主動避撞技術展望
- 數字隔離助力新能源汽車安全隔離的新挑戰
- 汽車模塊拋負載的解決方案
- 車用連接器的安全創新應用
- Melexis Actuators Business Unit
- Position / Current Sensors - Triaxis Hall
熱門搜索
微波功率管
微波開關
微波連接器
微波器件
微波三極管
微波振蕩器
微電機
微調電容
微動開關
微蜂窩
位置傳感器
溫度保險絲
溫度傳感器
溫控開關
溫控可控矽
聞泰
穩壓電源
穩壓二極管
穩壓管
無焊端子
無線充電
無線監控
無源濾波器
五金工具
物聯網
顯示模塊
顯微鏡結構
線圈
線繞電位器
線繞電阻



