經驗之談:解析三相電供電故障及其改善措施
發布時間:2015-01-08 責任編輯:echolady
【導讀】shebeiguzhangdeyuanyinyouhenduo,zuijingdiandejiushidianlixitongzhong,youyudianyuanshejidebuhelisuozaochengdeshebeiguzhang。youcikejian,gongdiandianludekekaoxinghewendingxingshiduomezhongyao。benwenjiuxiangxijiexilesanxiangdiangongdianguochengzhongsuofashengdeguzhangyijigaishanfangan。
傳chuan統tong的de供gong電dian電dian路lu多duo采cai用yong工gong頻pin變bian壓ya器qi加jia後hou級ji降jiang壓ya電dian路lu來lai實shi現xian。由you於yu近jin年nian來lai三san相xiang電dian供gong電dian故gu障zhang頻pin發fa,為wei了le很hen好hao的de解jie決jue三san相xiang電dian供gong電dian出chu現xian故gu障zhang後hou,供gong電dian係xi統tong仍reng能neng穩wen定ding可ke靠kao的de為wei電dian力li檢jian測ce設she備bei供gong電dian。許xu多duo電dian源yuan廠chang家jia推tui出chu電dian力li專zhuan用yong的de的de高gao頻pin開kai關guan電dian源yuan,這zhe種zhong電dian源yuan具ju有you許xu多duo優you點dian:安全、可靠、體積小、重量輕、綜合效率高以及噪音低等優點,非常適應電網設備的應用,目前很多大型設備廠家已開始批量使用。
一、三相電供電常見故障分析
我國供電大多都采用三相四線供電方式。下圖為三相四線製示意圖,從圖中可以看出此種供電方式可以提供兩種不同的電壓——線電壓(380V)和相電壓(220V),keyishiyingyonghubutongdexuyao。sanxiangsixianzhigongdianjiaoweilixiangdezhuangtaishisanxiangfuzaipingheng,cishizhongxiandianliuweiling,conglilunfenxicishizhongxiankeyoukewu,buyingxiangshebeidezhengchangyunxing。danxianshiqingkuangsanxiangpinghengzhishixiangduide,bupinghengzeshijueduide,suoyixianshiyingyongzhongdezhongxianshibixuyoude,zheyangcainengbaozhenggexiangdianyadewendingshuchu。suizhejingjidefazhan,yongdianqidafuduzengjia,danxiangduanlujilvbiranshenggao,danxiangduanluheshunjianduanluyinqilingpiaoguodianyawentijiweipubian。xiamianwomenzhenduiciyixiechangjianguzhangwentijinxingfenxi,weiwomenshejidianlishebeigongdianxitongshitigongfangxiang,congershigongdianxitongwendingkekaodeyunxing。

圖1 三相電壓示意圖
1、單相短路故障現xian在zai很hen多duo場chang合he為wei了le取qu電dian方fang便bian,直zhi接jie采cai用yong三san相xiang電dian的de相xiang電dian壓ya供gong電dian。包bao括kuo目mu前qian很hen多duo農nong村cun電dian網wang設she計ji都dou是shi將jiang三san相xiang電dian中zhong的de三san相xiang平ping均jun分fen給gei三san組zu用yong戶hu使shi用yong,從cong而er省sheng掉diao了le三san相xiang變bian壓ya器qi。這zhe種zhong供gong電dian方fang式shi雖sui然ran節jie省sheng了le一yi些xie設she備bei的de投tou入ru,但dan是shi對dui用yong戶hu的de用yong電dian設she備bei帶dai來lai很hen大da隱yin患huan。在zai實shi際ji應ying用yong中zhong,單相短路接地故障發生的概率最高可達65%,兩相短路約占10%,兩相短路接地約占20%,三相短路約占5%。下麵簡單分析一下單相短路的威脅。

圖2 三相電單相短路示意圖
如上圖所示,一旦出現單相短路現象,會抬高中線電位,對用電人員的安全有較大威脅(有零線接外殼保護的設備)。同時在短路瞬間,負載2與負載3需要承受瞬間大電壓衝擊,嚴重時電壓值直接上升到線電壓(380VAC)。致使用電設備出現過電壓損壞現象。2、輸電線中線開路
在zai實shi際ji用yong電dian環huan境jing環huan境jing中zhong,往wang往wang會hui由you於yu線xian路lu安an裝zhuang不bu當dang,或huo熔rong斷duan器qi及ji開kai關guan安an裝zhuang位wei置zhi不bu當dang,導dao致zhi中zhong線xian斷duan開kai。如ru果guo中zhong線xian斷duan了le,三san相xiang負fu荷he中zhong性xing點dian電dian位wei就jiu要yao發fa生sheng位wei移yi。中zhong性xing點dian電dian位wei位wei移yi直zhi接jie導dao致zhi各ge相xiang的de輸shu出chu電dian壓ya不bu平ping衡heng,而er相xiang電dian壓ya太tai高gao會hui使shi設she備bei過guo電dian壓ya而er直zhi接jie燒shao毀hui,而er相xiang電dian壓ya偏pian低di的de相xiang,可ke能neng會hui由you於yu電dian壓ya降jiang低di,電dian流liu增zeng大da而er損sun壞huai設she備bei。由you於yu三san相xiang電dian電dian壓ya計ji算suan非fei常chang複fu雜za,由you於yu負fu載zai矢shi量liang的de引yin入ru,最zui終zhong詳xiang細xi計ji算suan公gong式shi也ye異yi常chang難nan懂dong。下xia麵mian以yi一yi種zhong簡jian單dan的de方fang式shi解jie釋shi一yi下xia中zhong線xian短duan路lu對dui線xian電dian壓ya的de影ying響xiang。

圖3 三相電中線開路示意圖
如上圖,假設負載3開路,同時中線出現中斷。此時負載1與負載2串聯後接在線電壓UUV(380VAC)上,兩個負載上的電壓主要取決於Z1與Z2的大小。若Z1遠遠大於Z2時,則負載1的的電壓會接近與380VAC的線電壓,此時負載1就很可能由於過電壓而損壞,而負載2可能會由於電壓過低而停止工作。在正常情況下,相電壓之間影響較小,可正常使用。[page]
3、設備供電中線開路
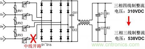
電dian力li設she備bei除chu了le輸shu電dian線xian容rong易yi出chu現xian故gu障zhang外wai,設she備bei電dian源yuan輸shu入ru及ji插cha座zuo等deng出chu現xian故gu障zhang也ye有you可ke能neng使shi設she備bei出chu現xian損sun毀hui。由you於yu大da多duo數shu場chang合he均jun采cai用yong三san相xiang四si線xian製zhi電dian源yuan,同tong時shi三san相xiang四si線xian製zhi電dian源yuan還hai有you一yi個ge比bi較jiao特te殊shu的de應ying用yong,及ji采cai用yong三san相xiang四si線xian製zhi全quan波bo整zheng流liu時shi,隻zhi要yao任ren何he一yi相xiang有you電dian設she備bei均jun能neng正zheng常chang運yun轉zhuan。

圖4 供電設備中線開路示意圖
rushangtusuoshi,sanxiangsixianzhiquanbozhengliu,cidianluhaochuzaizaisanxiangdianrenyiliangxiangchuxianwentishi,cigongdiandianlurenrankeyijixugongzuo。danshiyidanzhengliudianluzhongdezhongxianzhongduanhuozeweilianjie,cidianlujiubianweisanxiangsanxianzhizhengliudianlu,cishidianyayouyuanlai310VDC升高到538VDC,若後級設備無法承受538VDC高壓,將後損壞後級設備。二、三相電供電改善措施
由(you)於(yu)在(zai)實(shi)際(ji)應(ying)用(yong)中(zhong)有(you)較(jiao)多(duo)限(xian)製(zhi),不(bu)可(ke)能(neng)避(bi)免(mian)很(hen)多(duo)電(dian)力(li)故(gu)障(zhang)的(de)發(fa)生(sheng),但(dan)我(wo)們(men)能(neng)可(ke)以(yi)通(tong)過(guo)一(yi)些(xie)手(shou)段(duan)減(jian)少(shao)設(she)備(bei)損(sun)壞(huai)概(gai)率(lv),從(cong)而(er)提(ti)升(sheng)產(chan)品(pin)的(de)可(ke)靠(kao)性(xing)。具(ju)體(ti)改(gai)善(shan)措(cuo)施(shi)如(ru)下(xia):
1、單相短路故障改善措施
此故障可適當提高電源輸入端的抗衝擊能力,一般需要抗335VACchongji。zheyangkeyizaishunshiduanlushi,baohudaohoujidianlubuhuiyinguodianyaersunhuai。weilejianxiaoyinlingpiaoerzhaochengdedianyashenggao,keshidangjiadalingxianjiemianji,jiangdilingdianpiaoyi,laisuoxiaolingwailiangxiangdianyataigaofudu。
2、輸電線中線開路改善措施
congguzhangfenxiwomenkeyikanchu,zhongxiankailuzhuyaoshiyingxiangdaoxiangdianyadedianliuhuilu,shidianliuweinenghuidaozhongxingdian。zhinengtongguolianggenxiangxianxingchenghuilu,congerzengjialeshebeiguodianyadefengxian。weilegeixiangdianyatigongkekaodedianliuhuilu,zaibuxianzhongkecaiqusanxiangsanlingliuxiangongdianfangshi,sanxiangsanlingduligongzuo。cibuxianquedianshizengjialingxiantouzihexiansun,danzheyangnengyouxiaoyizhilingpiao,jianxiaolemeixiangdianyadexianghuyingxiang。
3、設備供電中線開路改善措施
yibanshebeicaiqusanxiangsixianquanbozhengliudianlu,zhuyaoshikaolvqigongdianderongyusheji,zhiyaosanxiangdianrenyiyixiangdianshebeijiunengzhengchanggongzuo。danshiyidanzaizhongxianweilianjieshangshebei,zhengliudianludianyajiuhuijijushenggao。jiejueciwenti,xuyaozaidianyashenggaoshiqieduanhoujidianlu,congerbaohuhoujidianlubushousunhuai。danzaishejishixubaozhengjiancekongzhidianluwendinggongdian。
三、從根源解決電力係統供電故障
隨(sui)著(zhe)社(she)會(hui)的(de)發(fa)展(zhan),用(yong)電(dian)設(she)備(bei)的(de)功(gong)率(lv)逐(zhu)漸(jian)增(zeng)加(jia),同(tong)時(shi)各(ge)種(zhong)設(she)備(bei)質(zhi)量(liang)也(ye)參(can)差(cha)不(bu)齊(qi)。這(zhe)些(xie)設(she)備(bei)不(bu)但(dan)對(dui)電(dian)網(wang)形(xing)成(cheng)了(le)較(jiao)大(da)幹(gan)擾(rao),而(er)且(qie)還(hai)存(cun)在(zai)較(jiao)大(da)的(de)短(duan)路(lu)風(feng)險(xian)。電(dian)力(li)故(gu)障(zhang)誘(you)因(yin)很(hen)多(duo),不(bu)可(ke)能(neng)做(zuo)到(dao)完(wan)全(quan)避(bi)免(mian)其(qi)發(fa)生(sheng)。但(dan)是(shi)一(yi)旦(dan)故(gu)障(zhang)發(fa)生(sheng)後(hou),我(wo)們(men)需(xu)要(yao)及(ji)時(shi)反(fan)饋(kui)並(bing)處(chu)理(li)。此(ci)時(shi)就(jiu)需(xu)要(yao)有(you)電(dian)力(li)檢(jian)測(ce)設(she)備(bei)對(dui)電(dian)網(wang)實(shi)時(shi)檢(jian)測(ce),並(bing)在(zai)故(gu)障(zhang)發(fa)生(sheng)時(shi)采(cai)取(qu)必(bi)要(yao)措(cuo)施(shi),避(bi)免(mian)造(zao)成(cheng)更(geng)大(da)損(sun)失(shi)。
在(zai)電(dian)網(wang)在(zai)出(chu)現(xian)異(yi)常(chang)時(shi),電(dian)力(li)檢(jian)測(ce)設(she)備(bei)仍(reng)需(xu)要(yao)保(bao)證(zheng)正(zheng)常(chang)工(gong)作(zuo)。此(ci)時(shi)電(dian)力(li)係(xi)統(tong)的(de)供(gong)電(dian)設(she)計(ji)就(jiu)顯(xian)得(de)尤(you)為(wei)重(zhong)要(yao)。供(gong)電(dian)係(xi)統(tong)需(xu)要(yao)保(bao)證(zheng)在(zai)大(da)多(duo)數(shu)電(dian)力(li)故(gu)障(zhang)發(fa)生(sheng)時(shi),其(qi)仍(reng)能(neng)為(wei)電(dian)力(li)檢(jian)測(ce)設(she)備(bei)提(ti)供(gong)穩(wen)定(ding)的(de)電(dian)能(neng)。電(dian)力(li)故(gu)障(zhang)一(yi)般(ban)表(biao)現(xian)為(wei):缺項運行、單相電壓飄高、電路過負載電壓拉低、中線開路、雷擊事故等。故此供電電源需要較寬的電壓輸入範圍及較強的抗擾度。
單相電路應用特點:單相電路簡單,可適應市電大幅的電壓波動。

圖5

圖6

圖7
特別推薦
- 噪聲中提取真值!瑞盟科技推出MSA2240電流檢測芯片賦能多元高端測量場景
- 10MHz高頻運行!氮矽科技發布集成驅動GaN芯片,助力電源能效再攀新高
- 失真度僅0.002%!力芯微推出超低內阻、超低失真4PST模擬開關
- 一“芯”雙電!聖邦微電子發布雙輸出電源芯片,簡化AFE與音頻設計
- 一機適配萬端:金升陽推出1200W可編程電源,賦能高端裝備製造
技術文章更多>>
- 築基AI4S:摩爾線程全功能GPU加速中國生命科學自主生態
- 一秒檢測,成本降至萬分之一,光引科技把幾十萬的台式光譜儀“搬”到了手腕上
- AI服務器電源機櫃Power Rack HVDC MW級測試方案
- 突破工藝邊界,奎芯科技LPDDR5X IP矽驗證通過,速率達9600Mbps
- 通過直接、準確、自動測量超低範圍的氯殘留來推動反滲透膜保護
技術白皮書下載更多>>
- 車規與基於V2X的車輛協同主動避撞技術展望
- 數字隔離助力新能源汽車安全隔離的新挑戰
- 汽車模塊拋負載的解決方案
- 車用連接器的安全創新應用
- Melexis Actuators Business Unit
- Position / Current Sensors - Triaxis Hall
熱門搜索
微波功率管
微波開關
微波連接器
微波器件
微波三極管
微波振蕩器
微電機
微調電容
微動開關
微蜂窩
位置傳感器
溫度保險絲
溫度傳感器
溫控開關
溫控可控矽
聞泰
穩壓電源
穩壓二極管
穩壓管
無焊端子
無線充電
無線監控
無源濾波器
五金工具
物聯網
顯示模塊
顯微鏡結構
線圈
線繞電位器
線繞電阻


