解析IGBT脈衝激光電源的工作原理與設計要點
發布時間:2014-12-24 責任編輯:xueqi
【導讀】本文介紹的IGBT脈(mai)衝(chong)激(ji)光(guang)電(dian)源(yuan),為(wei)工(gong)作(zuo)於(yu)重(zhong)複(fu)脈(mai)衝(chong)方(fang)式(shi)的(de)固(gu)體(ti)激(ji)光(guang)器(qi)提(ti)供(gong)電(dian)能(neng)。該(gai)激(ji)光(guang)器(qi)采(cai)用(yong)氙(xian)燈(deng)作(zuo)泵(beng)浦(pu)光(guang)源(yuan),在(zai)惰(duo)性(xing)氣(qi)體(ti)燈(deng)中(zhong),氙(xian)氣(qi)的(de)總(zong)轉(zhuan)換(huan)效(xiao)率(lv)最(zui)高(gao)。
近年來,高功率Nd:YAG固體激光器已廣泛用於工業加工領域和醫療儀器領域,如材料加工、激光測距、激光打標、激光醫療、激光核聚變等。與氣體激光器或其他激光器(如化學激光器,自由電子激光器等)相比,固體激光器具有結構緊湊、牢固耐用等優點,其運行方式多樣,可在脈衝、連續、調Q及鎖模下運行。
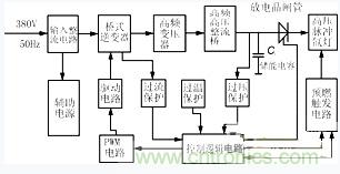
1、原理框圖
本ben文wen介jie紹shao的de激ji光guang電dian源yuan為wei工gong作zuo於yu重zhong複fu脈mai衝chong方fang式shi的de固gu體ti激ji光guang器qi提ti供gong電dian能neng。該gai激ji光guang器qi采cai用yong氙xian燈deng作zuo泵beng浦pu光guang源yuan,在zai惰duo性xing氣qi體ti燈deng中zhong,氙xian氣qi的de總zong轉zhuan換huan效xiao率lv最zui高gao。激ji光guang器qi用yong於yu激ji光guang打da標biao,工gong作zuo頻pin率lv每mei秒miao60次。電源係統采用IGBT管全橋逆變方式,工作頻率為20kHz,控製電路采用PWM方式。
圖1:原理框圖
圖1示出電源原理框圖,整個電路可分為主電路(電力變換電路)和控製電路兩大部分。來自電網的380V交流電壓經整流濾波後得到約520V左右的直流電壓,加到橋式逆變器上。逆變器主功率開關采用三菱公司的CT60型IGBT管。PWM電路產生一對相位互差180°的脈衝電壓控製逆變橋的四個功率管,將直流電壓變換為高頻方波電壓,再經高頻高壓整流橋得到高壓直流(約1400V),向儲能電容Co充電。電容Co上電壓充到預定值(1000V)後,控製電路發出信號,將放電晶閘管觸發導通,Co上電壓快速向負載氙燈釋放,激光器正常工作。
預燃觸發電路針對負載氙燈特性而設,該型激光器要求先通入近兩萬伏的高壓脈衝,將其內部擊穿,再維持較低的連續電流(約100~200mA),激光器才能在電容Co的斷續放電狀態下正常工作。因此,電源的工作步驟應是:開機——預燃觸發——電容放電。
2、工作原理及仿真波形
圖2示出電源主電路,V1—V4組成橋式逆變器,兩端並聯RCD吸收支路,L為限流電感,Co為儲能電容,Lo用於限製Co對負載氙燈的放電電流,保護氙燈。
圖2:主電路圖
此處將限流電感L放在變壓器原邊。這除了能實現功率管的零電壓開通外,例如在V1,V4關斷後,由於L的續流作用,D2,D3導通,則V2,V3可實現零電壓開通;還可分擔變壓器原邊繞組上的壓降,減少變壓器匝數,進而減小變壓器磁心。
圖3為利用PSPICE軟件對圖2仿真的結果。圖中上部為變壓器原邊繞組電流i1,下部為輸出電壓Uo。
圖3:仿真波形
仿真參數:開關頻率f=20kHz,
死區時間t=2μs,
L=100μH,變壓器變比N1:N2=24:60
C0=100μF。
[page]
3、設計要點
電源係統中,電感L與高頻變壓器T的設計是關鍵。從圖2看出,逆變電路的負載隻有電感L及變壓器T的原邊,當功率管導通,直流電壓Ui加於圖4所示位置時,電感上電壓為Ui-UT1,則變壓器原邊電流i1=(Ui-UT1)t/L
圖4:計算電路
式中,UT1為輸出電壓Uo(高壓整流橋導通時就是UT2)折算到變壓器原邊的值,UT1=U0/n,n為變壓器副、原邊匝比,又△Uo=(1/C0),
i2=i1/n
考慮到輸出電壓在逐步上升,而電流i1的幅值在不斷下降,計算過程應該是一個迭代過程。
i1(m)=[Ui-U0(m-1)/n]t/L
U0(m)=U0(m-1)+△U0(m)=U0(m-1)+(1/C0)(i1(m)/n)dt
=U0(m-1)+Uit2/2CLn-U0(m-1)t2/2CLn2
其中,t為半個周期,開關頻率f為20kHz時,t=25μs;C0=100μF;L為限流電感電感量。
根據負載特性,最大工作頻率為60Hz,即儲能電容在1秒鍾內放電60次,周期為16.7ms。考慮放電時間,則充電時間最多隻有11ms。所以上式中m最大值取11ms/25μs=440
用MATLAB對上式進行計算,並繪出不同的L值、不同的n值、不同的直流電壓Ui(Ui有一允許變化範圍)情況下,電容電壓U0的上升曲線。從中選取最佳方案,最終確定參數如下:
L=100μH
n=N2:N1=60:24
圖5中,橫坐標表示變壓器副邊繞組匝數N2,縱坐標表示輸出電壓U0,在L=100μH,Ui=520V,f=20kHz,N2=60時,輸出電壓U0為峰值。
圖5:MATLAB計算最佳變比
4、試驗結果
圖6為實測波形,(b)圖示出(a)圖的前幾個周期。圖中上部是變壓器原邊電源i1波形,下部是儲能電容U0的電壓波形,與圖3仿真波形對應。由圖中看出,i1為零後,U0並未立刻下降,而是保持一段時間,這是因為充放電時間固定的緣故,當U0達到預定值後保持至充電時間終了。
圖6:實驗波形
特別推薦
- 噪聲中提取真值!瑞盟科技推出MSA2240電流檢測芯片賦能多元高端測量場景
- 10MHz高頻運行!氮矽科技發布集成驅動GaN芯片,助力電源能效再攀新高
- 失真度僅0.002%!力芯微推出超低內阻、超低失真4PST模擬開關
- 一“芯”雙電!聖邦微電子發布雙輸出電源芯片,簡化AFE與音頻設計
- 一機適配萬端:金升陽推出1200W可編程電源,賦能高端裝備製造
技術文章更多>>
- 築基AI4S:摩爾線程全功能GPU加速中國生命科學自主生態
- 一秒檢測,成本降至萬分之一,光引科技把幾十萬的台式光譜儀“搬”到了手腕上
- AI服務器電源機櫃Power Rack HVDC MW級測試方案
- 突破工藝邊界,奎芯科技LPDDR5X IP矽驗證通過,速率達9600Mbps
- 通過直接、準確、自動測量超低範圍的氯殘留來推動反滲透膜保護
技術白皮書下載更多>>
- 車規與基於V2X的車輛協同主動避撞技術展望
- 數字隔離助力新能源汽車安全隔離的新挑戰
- 汽車模塊拋負載的解決方案
- 車用連接器的安全創新應用
- Melexis Actuators Business Unit
- Position / Current Sensors - Triaxis Hall
熱門搜索
微波功率管
微波開關
微波連接器
微波器件
微波三極管
微波振蕩器
微電機
微調電容
微動開關
微蜂窩
位置傳感器
溫度保險絲
溫度傳感器
溫控開關
溫控可控矽
聞泰
穩壓電源
穩壓二極管
穩壓管
無焊端子
無線充電
無線監控
無源濾波器
五金工具
物聯網
顯示模塊
顯微鏡結構
線圈
線繞電位器
線繞電阻




