家用電磁爐原理電路設計
發布時間:2014-08-18 責任編輯:sherryyu
【導讀】電dian磁ci爐lu是shi一yi種zhong利li用yong電dian磁ci感gan應ying原yuan理li將jiang電dian能neng轉zhuan換huan為wei熱re能neng的de廚chu房fang電dian器qi。那na麼me家jia用yong電dian磁ci爐lu到dao底di是shi怎zen麼me工gong作zuo的de呢ne?本ben文wen將jiang為wei大da家jia詳xiang解jie家jia用yong電dian磁ci爐lu的de工gong作zuo原yuan理li,同tong時shi分fen享xiang大da家jia其qi工gong作zuo原yuan理li電dian路lu圖tu。

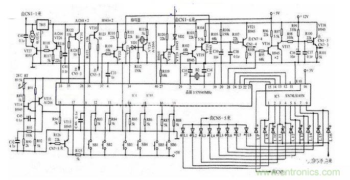
電磁爐是一種利用電磁感應原理將電能轉換為熱能的廚房電器。在電磁灶內部,由整流電路將50/60Hz的交流電壓變成直流電壓,再經過控製電路將直流電壓轉換成頻率為20-40KHz的高頻電壓,高速變化的電流流過線圈會產生高速變化的磁場,當磁場內的磁力線通過金屬器皿(導磁又導電材料)底部金屬體內產生無數的小渦流,使器皿本身自行高速發熱,然後再加熱器皿內的東西。如下圖所示,為家用電磁爐的原理電路圖。
特別推薦
- 噪聲中提取真值!瑞盟科技推出MSA2240電流檢測芯片賦能多元高端測量場景
- 10MHz高頻運行!氮矽科技發布集成驅動GaN芯片,助力電源能效再攀新高
- 失真度僅0.002%!力芯微推出超低內阻、超低失真4PST模擬開關
- 一“芯”雙電!聖邦微電子發布雙輸出電源芯片,簡化AFE與音頻設計
- 一機適配萬端:金升陽推出1200W可編程電源,賦能高端裝備製造
技術文章更多>>
- 築基AI4S:摩爾線程全功能GPU加速中國生命科學自主生態
- 一秒檢測,成本降至萬分之一,光引科技把幾十萬的台式光譜儀“搬”到了手腕上
- AI服務器電源機櫃Power Rack HVDC MW級測試方案
- 突破工藝邊界,奎芯科技LPDDR5X IP矽驗證通過,速率達9600Mbps
- 通過直接、準確、自動測量超低範圍的氯殘留來推動反滲透膜保護
技術白皮書下載更多>>
- 車規與基於V2X的車輛協同主動避撞技術展望
- 數字隔離助力新能源汽車安全隔離的新挑戰
- 汽車模塊拋負載的解決方案
- 車用連接器的安全創新應用
- Melexis Actuators Business Unit
- Position / Current Sensors - Triaxis Hall
熱門搜索
微波功率管
微波開關
微波連接器
微波器件
微波三極管
微波振蕩器
微電機
微調電容
微動開關
微蜂窩
位置傳感器
溫度保險絲
溫度傳感器
溫控開關
溫控可控矽
聞泰
穩壓電源
穩壓二極管
穩壓管
無焊端子
無線充電
無線監控
無源濾波器
五金工具
物聯網
顯示模塊
顯微鏡結構
線圈
線繞電位器
線繞電阻


