一款單線紅外遙控開關電路設計
發布時間:2014-08-12 責任編輯:sherryyu
【導讀】建築物照明線路如果采用4線製的電子開關qukongzhizhexiezhaomingdeng,haiyaolingjiedianyuanergaizaoxianlu,qiegongchenghaoshifeili,youyingxiangmeiguan。jintianwomenlaishejibingzhizuoleyikuandanxianhongwaiyaokongkaiguan。tazhiyoudangenjinxian、單根出線,可以直接代換家居中非常普及的牆壁開關,安裝和代換都很方便;還可以方便地實現遙控。
現在的建築物照明線路大都采用暗線,如果采用4xianzhidedianzikaiguanqukongzhizhexiezhaomingdeng,haiyaolingjiedianyuanergaizaoxianlu,qiegongchenghaoshifeili,youyingxiangmeiguan。jintianwomenlaishejibingzhizuoleyikuandanxianhongwaiyaokongkaiguan。tazhiyoudangenjinxian、單根出線,可以直接代換家居中非常普及的牆壁開關,安裝和代換都很方便;還可以方便地實現遙控。
一、性能簡介:
該電路的優點是:⑴電路采用電流互感器原理來升壓,采用二極管限幅、穩壓, 巧妙地解決了開關自身供電的難題;⑵ 適用範圍廣,隨便用彩電或影碟機遙控器就能遙控 ⑶它還具有自身壓降小、功耗小等優點。

二、工作原理:
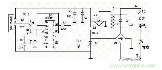
如圖所示,電路左邊A B端為單線進出端,和負載串聯後接在220V市電上。集成塊CD4017 接成雙穩態觸發電路,用來控製單向可控矽;SCR作為控製負載的通斷的開關,可控矽導通相當於開關閉合;微型變壓器B1是用來解決電子開關導通時自身電源的供給;二極管D1 D2並接在變壓器的初級,將初級電壓限製在0.7V左右,可以防止微型變壓器初級線圈燒壞,也可以防止因負載電流過大而造成輸出電壓過高 。
當紅外接收頭接收到紅外遙控信號時輸出負脈衝,通過三極管T1到相後,通過R3 C2構成脈寬選通電路,輸入到IC的脈衝輸入端14腳。集成塊IC 接成雙穩態觸發電路 ,每輸入一個脈衝輸出端②腳的狀態就翻轉一次,從而實現開、關的控製。
開關斷開時:IC1的②腳為低電平,可控矽截止,負載斷電。此時,市電通過全橋Q1整流、然後通過電阻R1分壓後給電子開關提供低壓直流電,保障了待機電源的供給。
開關導通時, IC1的輸出端②jiaoweigaodianping,kekongguibeichufadaotong,xiangdangyukaiguanbihe,fuzaidedianerzhengchanggongzuo。fuzaihuiluzhongyoudianliuliuguo,biranyoudianliuliuguobianyaqidechujixianquan。youweixingbianyaqishengya,ranhoutongguoquanqiaoQ2整流後,同樣能給電子開關提供低壓直流電。
可ke見jian,不bu論lun電dian子zi開kai關guan是shi導dao通tong還hai是shi截jie止zhi,都dou能neng夠gou解jie決jue電dian子zi開kai關guan電dian路lu的de自zi身shen供gong電dian問wen題ti。每mei按an動dong遙yao控kong器qi一yi次ci,電dian子zi開kai關guan的de狀zhuang態tai就jiu會hui改gai變bian一yi次ci,從cong而er實shi現xian遙yao控kong開kai關guan的de功gong能neng。
三、器材選用與調試:
1. 圖中可控矽、二極管、橋堆應根據負載電流大小而選定,擊穿電壓要在400V以上。
2. 微型變壓器B1選用EE12以下的微型鐵心。製作時,可以通過調整線圈匝數和匝數比,使次級輸出電壓達到電路的要求。如:輸出電壓要求為5V,那麼初級和次級的匝數比一般選在1:10左右便可。
3. 紅外接收頭應選用負脈衝輸出的一體化接收頭,最好加裝金屬屏蔽罩,可以提高抗幹擾能力
特別推薦
- 噪聲中提取真值!瑞盟科技推出MSA2240電流檢測芯片賦能多元高端測量場景
- 10MHz高頻運行!氮矽科技發布集成驅動GaN芯片,助力電源能效再攀新高
- 失真度僅0.002%!力芯微推出超低內阻、超低失真4PST模擬開關
- 一“芯”雙電!聖邦微電子發布雙輸出電源芯片,簡化AFE與音頻設計
- 一機適配萬端:金升陽推出1200W可編程電源,賦能高端裝備製造
技術文章更多>>
- 邊緣AI的發展為更智能、更可持續的技術鋪平道路
- 每台智能體PC,都是AI時代的新入口
- IAR作為Qt Group獨立BU攜兩項重磅汽車電子應用開發方案首秀北京車展
- 構建具有網絡彈性的嵌入式係統:來自行業領袖的洞見
- 數字化的線性穩壓器
技術白皮書下載更多>>
- 車規與基於V2X的車輛協同主動避撞技術展望
- 數字隔離助力新能源汽車安全隔離的新挑戰
- 汽車模塊拋負載的解決方案
- 車用連接器的安全創新應用
- Melexis Actuators Business Unit
- Position / Current Sensors - Triaxis Hall
熱門搜索
SATA連接器
SD連接器
SII
SIM卡連接器
SMT設備
SMU
SOC
SPANSION
SRAM
SSD
ST
ST-ERICSSON
Sunlord
SynQor
s端子線
Taiyo Yuden
TDK-EPC
TD-SCDMA功放
TD-SCDMA基帶
TE
Tektronix
Thunderbolt
TI
TOREX
TTI
TVS
UPS電源
USB3.0
USB 3.0主控芯片
USB傳輸速度




