一款自激反饋開關穩壓電源電路設計
發布時間:2014-07-05 責任編輯:sherryyu
【導讀】開關穩wen壓ya電dian源yuan的de電dian路lu設she計ji方fang法fa不bu隻zhi一yi種zhong,這zhe裏li為wei大da家jia介jie紹shao一yi種zhong自zi激ji反fan饋kui開kai關guan穩wen壓ya電dian源yuan電dian路lu設she計ji,該gai開kai關guan穩wen壓ya電dian源yuan電dian路lu設she計ji有you別bie於yu其qi他ta的de普pu通tong開kai關guan電dian源yuan設she計ji,到dao底di有you什shen麼me好hao的de優you點dian呢ne?請qing看kan下xia文wen詳xiang細xi的de自zi激ji反fan饋kui開kai關guan穩wen壓ya電dian源yuan電dian路lu設she計ji。
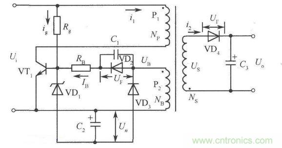
自激反饋開關穩壓電源基本原理如圖所示。當加上輸入電壓時,電流經Rg流向開關管VTl的基極,使VTl導通,此時變壓器副邊的二極管反向偏置,無電流流過,於是VTl集電極電流和變壓器繞組Np中流動的電流相等。由於是從零啟動,因此基極電流不大就能使VTl導通。

特別推薦
- 噪聲中提取真值!瑞盟科技推出MSA2240電流檢測芯片賦能多元高端測量場景
- 10MHz高頻運行!氮矽科技發布集成驅動GaN芯片,助力電源能效再攀新高
- 失真度僅0.002%!力芯微推出超低內阻、超低失真4PST模擬開關
- 一“芯”雙電!聖邦微電子發布雙輸出電源芯片,簡化AFE與音頻設計
- 一機適配萬端:金升陽推出1200W可編程電源,賦能高端裝備製造
技術文章更多>>
- 築基AI4S:摩爾線程全功能GPU加速中國生命科學自主生態
- 一秒檢測,成本降至萬分之一,光引科技把幾十萬的台式光譜儀“搬”到了手腕上
- AI服務器電源機櫃Power Rack HVDC MW級測試方案
- 突破工藝邊界,奎芯科技LPDDR5X IP矽驗證通過,速率達9600Mbps
- 通過直接、準確、自動測量超低範圍的氯殘留來推動反滲透膜保護
技術白皮書下載更多>>
- 車規與基於V2X的車輛協同主動避撞技術展望
- 數字隔離助力新能源汽車安全隔離的新挑戰
- 汽車模塊拋負載的解決方案
- 車用連接器的安全創新應用
- Melexis Actuators Business Unit
- Position / Current Sensors - Triaxis Hall
熱門搜索
微波功率管
微波開關
微波連接器
微波器件
微波三極管
微波振蕩器
微電機
微調電容
微動開關
微蜂窩
位置傳感器
溫度保險絲
溫度傳感器
溫控開關
溫控可控矽
聞泰
穩壓電源
穩壓二極管
穩壓管
無焊端子
無線充電
無線監控
無源濾波器
五金工具
物聯網
顯示模塊
顯微鏡結構
線圈
線繞電位器
線繞電阻



