低成本、高PF、高亮度調節的 LED照明設計
發布時間:2014-03-27 責任編輯:sherryyu
本文介紹了具有TRIAC亮度調節功能的7W AC/DC LED照明驅動器的參考設計。該解決方案采用具有一次側恒定功率控製的單級功率因數校正(PFC)反相拓撲。文章為您介紹功率轉換器的完整分析與設計。最後,我們還為您提供了基於7W應用獲得的實驗結果。對該設計進行簡單修改,便可適用於其他應用。
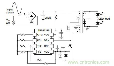
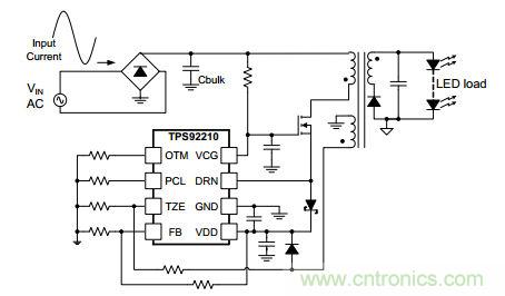
本PMP4304A參考設計是一款使用TI TPS92210 LED照明功率控製器的TRIAC亮度調節單級功率因數校正LED驅動器。本LED應用主要針對PAR燈泡更換,其擁有小體積、低成本、高PF和高TRIAC亮度調節性能。
該解決方案采用帶有一次側恒定功率控製的單級功率因數校正(PFC)反相轉換器。它在沒有光耦合器的情況下,在單級反相拓撲中實現了一次側恒定功率控製。這種驅動器可使用高線壓AC或者低線壓AC工作。輸出可提供350mA的恒定電流,以驅動6支串聯LED。
LED照明驅動器工作原理
功率因數校正單級反相轉換器
這種單級功率因數校正轉換器采用隔離式反相AC/DC拓撲,它把AC輸入線壓整流為輸入正弦電流的DC輸出。單級反相拓撲被廣泛用作隔離式LED解決方案,因為它擁有非常低的BOM成本和高效率。

圖1:單級反相轉換器
傳統的單級反相解決方案均采用轉換模式來按時調節常量,以實現PFC功能。但是,轉換模式的反相拓撲並非為自然PFC,因為占空比和頻率經常變化。因此,PF和THD在這種條件下的準確性並不高。
但是,一次側恒定功率單級反相是一種自然PFC

當Vin的RMS變化時,占空比反向變化。當Vin的RMS受限時,占空比不再變化。因此,當係統穩定時,占空時間和占空度恒定。
與此同時,為了保持恒定功率,係統保持在相同的開關頻率下。
由於Ton、L、f和Vin均為常量,因此輸入電流為方程式2的自然正弦。
另一方麵,輸入功率也為方程式3的常量。
總(zong)之(zhi),我(wo)們(men)可(ke)以(yi)看(kan)到(dao),在(zai)這(zhe)種(zhong)應(ying)用(yong)中(zhong),相(xiang)比(bi)傳(chuan)統(tong)的(de)方(fang)案(an),一(yi)次(ci)側(ce)恒(heng)定(ding)功(gong)率(lv)單(dan)級(ji)方(fang)案(an)擁(yong)有(you)一(yi)定(ding)的(de)優(you)勢(shi)。首(shou)先(xian),一(yi)次(ci)側(ce)恒(heng)定(ding)功(gong)率(lv)方(fang)案(an)是(shi)一(yi)種(zhong)自(zi)然(ran)的(de)PFC,其PF和THD均優於傳統方案。其次,顧名思義,一次側恒定功率方案僅受一次側控製。因此,可以把光耦合器排除在外,從而達到低成本BOM。
[page]
TPS92210控製器和係統運行
就TPS92210控製器而言,有一個OTM引腳,其可以通過連接它的電阻器來控製Ton時間;詳情如下:

為了實現一次側恒定功率控製,我們使用下列電路,如圖2所示。

圖2:一次側恒定功率控製的前饋電路
假設Vin_rms= x,Ton和Vin_rms之間的關係可計算如下:

該公式可簡寫為方程式7:

為了滿足一次側恒定功率控製的要求( Vrms *Ton= K),選擇B=0。同時,可根據輸入功率選擇A和C。
[page]
7W離線恒定功率LED照明驅動器設計
設計規範

表1:電氣設計規範
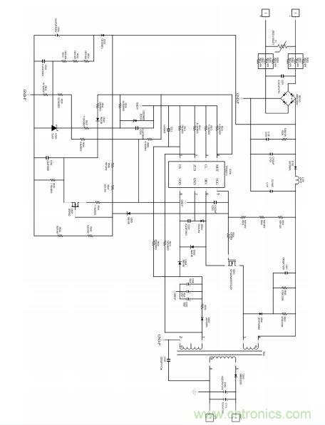
原理圖

圖3:PMP4304A原理圖
[page]
PCB布局

圖4:電路板組裝圖—層1

圖5:電路板組裝圖—層2
[page]
效率

圖6:效率與輸入電壓的關係
線壓調節

圖7:輸出電流與輸入電壓
功率因數

圖8:功率因數與輸入電壓的關係
[page]
TRIAC亮度調節性能

表2:不同亮度調節器導通角的輸出電流

圖9:輸出電流與亮度調節器導通角的關係

[page]

圖11:不同導通角的輸入電流與輸入電壓
結論
本文分析了一次側恒定功率控製單級反相LED驅動器,並介紹了使用基於TPS92210的一次側控製的優勢。同時,我們還實施了一款實際的7W設計。它體現了TPS92210解決方案的諸多好處,如小外形尺寸、低成本、高PF和高TRIAC亮度調節性能。
相關閱讀:
技術剖析:為什麼LED驅動器可靠性那麼低?
http://www.0-fzl.cn/power-art/80022397
詳解:可實現精確調光的LED驅動器設計
http://www.0-fzl.cn/opto-art/80021799
一款由太陽能供電的節能型LED驅動器電路設計
http://www.0-fzl.cn/opto-art/80021791
- 噪聲中提取真值!瑞盟科技推出MSA2240電流檢測芯片賦能多元高端測量場景
- 10MHz高頻運行!氮矽科技發布集成驅動GaN芯片,助力電源能效再攀新高
- 失真度僅0.002%!力芯微推出超低內阻、超低失真4PST模擬開關
- 一“芯”雙電!聖邦微電子發布雙輸出電源芯片,簡化AFE與音頻設計
- 一機適配萬端:金升陽推出1200W可編程電源,賦能高端裝備製造
- 築基AI4S:摩爾線程全功能GPU加速中國生命科學自主生態
- 一秒檢測,成本降至萬分之一,光引科技把幾十萬的台式光譜儀“搬”到了手腕上
- AI服務器電源機櫃Power Rack HVDC MW級測試方案
- 突破工藝邊界,奎芯科技LPDDR5X IP矽驗證通過,速率達9600Mbps
- 通過直接、準確、自動測量超低範圍的氯殘留來推動反滲透膜保護
- 車規與基於V2X的車輛協同主動避撞技術展望
- 數字隔離助力新能源汽車安全隔離的新挑戰
- 汽車模塊拋負載的解決方案
- 車用連接器的安全創新應用
- Melexis Actuators Business Unit
- Position / Current Sensors - Triaxis Hall


