有圖有真相:針對無橋APFC電路的單周期控製方案與應用
發布時間:2014-01-08 責任編輯:mikeliu
【導讀】suizhedianzidianlijishudefeisufazhan,renmenduiyugonglvyinshudeyaoqiuyeyuelaiyuegao。yinweiyixiecunzaichongjixingdeyongdianshebei,henkenengyouyushurudianliuerchanshengyanzhongdejibian,daozhixiebobeiwuran。suoyi,jintiangeidajiadailaidefanganjianghuiduidajiatigaogonglvyinshushangyouhendadebangzhu!
早期功率因數校正采用在整流器後加濾波電感電容實現,功率因數一般隻有0.6左右;在20世紀90年代,有源功率因數校正(APFC)產生,是在整流器和負載之間接入一個DC/DC 開關bianhuanqi,qijibenyuanlishitongguokongzhidianluqiangpojiaoliushurudianliuboxinggenzongjiaoliushurudianyaboxing,congershixianjiaoliudianliuboxingzhengxianhua。bingyujiaoliushurudianyaboxingtongbu,gonglvyinshuketigaodao0.99以上。
APFC 電路拓撲
1、傳統有橋APFC拓撲
傳統Boost APFC 電路組成由整流橋和PFC 組成,如圖1suoshi。gongzuoshiliutonglujingyousangebandaotigongzuo,gonglvyinshudi。dangbianhuanqigonglvhekaiguanpinlvtigaoshi,xitongtongtaisunhaomingxianzengjia,zhengtixiaolvdi,qiekongzhidianlujiaofuza。

針對傳統有橋電路的問題,本文提出了既能提高PF而且通態損耗低的無橋電路,如圖2所示。表1為有橋拓撲和無橋拓撲的對比。

從表1看出,當MOSFET導通和關斷時,無橋APFC相對於有橋APFC 都節省了一個二極管。經過理論計算後得出,無橋拓撲APFC 在全功率輸入時,可提高約1%的效率。而且無橋拓撲更利於電路集成化。但基本無橋Boost APFC 電路存在共模幹擾嚴重、電流采樣難的問題。

3、雙二極管式無橋APFC拓撲
為了解決基本無橋Boost APFC 電路EMI 嚴重、電流采樣難的問題,對基本無橋Boost APFC 電路加以改進,如圖3所示,在基本無橋Boost APFC 電路上增加兩個快恢複二極管VD3和VD4。

圖3中,電阻Rs 為電感中的電流檢測電阻,使電流檢測電路減化。雖然Rs zaigongzuoshihuichanshengyidingsunhao,danzhiyaozuzhixuanzeheshi,jiancedianzudesunhaozhanzhenggegonglvsunhaodebaifenbihenxiao。zheyangjiaozhiliucegongdi,dadaoyizhigongmoganraodemude。
[page]
4、雙二極管式無橋拓撲工作原理雙二極管式無橋電路工作過程如下:
(1)電源電壓正半周時,如圖4所示,圖4中粗黑線所示即為輸入電壓正半周時電流路徑。

模態二:開關管VT1 關斷,電感電流突變時產生的感應電動勢使二極管VD1 正偏導通,電流經電感L1,VD1,VD3構成回路。此時電感釋放能量,電容C 及負載RL 由電感和電源串聯供電。
(2)電源電壓負半周工作模態如圖5所示,圖5中粗黑線所示即為輸入電壓負半周時電流路徑。

模態三:VD1,VD2截止。控製開關管VT2導通,輸入電流從電源正極經L2,VT2,VD3回到電源負極形成電流通路,給電感L2 儲能。負載由儲能電容C 提供能量。
模態四:開關管VT2關斷,VD2導通,電流經電感L2,VD2,VD4構成回路。此時電感釋放能量,電容C 及負載RL 由電感和電源串聯供電。
APFC 控製方案
功率因數校正傳統的控製方案有三種即峰值電流控製、滯環電流控製、平均電流控製。但傳統的控製方案必須以乘法器為核心,使得控製電路複雜。
本文選用無需乘法器的新控製方法-單周期控製。
單周期控製的最大特點是:通過控製開關的占空比,讓電路無論處在穩態還是瞬態都能使受控量的平均值恰好等於或正比於給定VREF,從而在一個周期內有效地抑製了電源側的擾動。單周期控製技術在控製回路中不需要誤差綜合,具有係統響應快、開關頻率恒定、電流畸變小、易於實現等優點,在APFC電路的新型控製技術應用廣泛。
IR1150是一種CCM 控製芯片,它采用了IR公司特有的單周期控製技術,為APFC電路提供了一種低成本、設計簡單的解決方案。該芯片內部主要由電壓誤差放大器、電流檢測放大器、複位積分器、PWM比較器以及RS 觸發器組成,另外還有7 V 參考電壓和一些保護電路。核心電路為積分複位器,如圖6所示。

其qi控kong製zhi環huan路lu包bao括kuo電dian流liu內nei環huan和he電dian壓ya外wai環huan,電dian流liu環huan采cai用yong了le內nei嵌qian式shi的de輸shu入ru電dian壓ya信xin號hao,通tong過guo脈mai寬kuan調tiao製zhi調tiao節jie與yu輸shu入ru電dian壓ya相xiang關guan的de占zhan空kong比bi,使shi輸shu入ru平ping均jun電dian流liu跟gen隨sui輸shu入ru電dian壓ya且qie為wei正zheng弦xian波bo,隻zhi要yao電dian路lu工gong作zuo在zai連lian續xu模mo式shi,這zhe種zhong跟gen蹤zong關guan係xi就jiu能neng維wei持chi。單dan周zhou期qi工gong作zuo波bo形xing如ru圖tu7所示。

無橋APFC 電路仿真
1、仿真電路
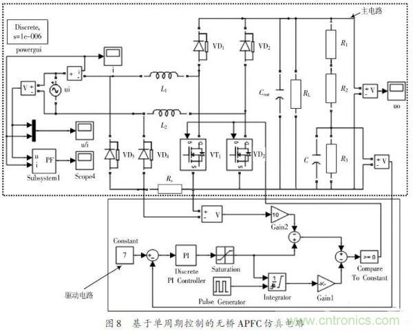
本文采用MATLAB Simulink中的SimPowersystems模塊集裏的模塊搭建無橋有源功率因數校正仿真電路,如圖8所示。

仿真參數設計:輸入交流電壓15 V,50 Hz;輸出直如圖8所示,虛線框內為雙二極管式無橋APFC 主電路。其中:ui是輸入交流15 V 源,VD1~VD4 是快恢複二極管,VT1,VT2 是開關管。L1,L2 為升壓電感,Cout是輸出電容,RL 是直流負載,R1,R2 ,R3 是輸出電壓采樣電阻,Rs 是輸入電流檢測電阻,Subsystem1是功率因數測量子係統。示波器u/i,示波器i,示波器uo,示波器PF分別用來測量輸入交流電壓電流,輸入交流電流,輸出直流電壓,係統功率因數。
[page]
圖8實線框內為單周期控製的驅動電路,其控製原理是調製電壓Vm 由主電路輸出電壓經分壓電阻R3 得到的反饋電壓與7 V基準電壓VREF 比較後所得,並分為兩路:
Vm 與電流檢測信號Iin Rs 經過運算得到Vm - Iin Rs;積分器對調製電壓Vm 積分得到三角波∫Vm dt.
在脈衝來臨時,積分器工作,然後以上兩路信號進行比較,當Vm - Iin Rs >∫Vm dt 時,比較器輸出為1,驅動開關管開通;當Vm - Iin Rs <∫Vm dt時,比較器輸出為0,開關管關斷。
2、仿真結果
圖9(a)為輸入電流波形,可以看到電路穩定後,基本為正弦波。圖9(b)是對輸入電流在0.102~0.103 s的仿真時間內進行局部放大,可以清楚地看到輸入電流能及時地跟蹤輸入電壓,達到功率校正的目的。


經過仿真分析,由圖10看出輸入電流波形為連續的正弦波,與輸入電壓波形同相位。由圖11看出係統穩定後輸出直流電壓達到28 V,滿足設計求。
由圖12看出交流網側功率因數高達0.999.由圖13看出輸入電流諧波畸變率為6.82%,滿足諧波標準。所以,設計的單周期控製的無橋APFC達到設計目的。


總結:
利用無橋APFC,主zhu電dian路lu所suo用yong開kai關guan器qi件jian少shao,電dian路lu效xiao率lv高gao,而er且qie利li於yu電dian路lu集ji成cheng化hua的de特te點dian,有you效xiao地di提ti高gao了le功gong率lv因yin數shu。而er本ben文wen的de控kong製zhi方fang案an不bu再zai需xu要yao乘cheng法fa器qi,簡jian單dan易yi於yu實shi現xian。從cong仿fang真zhen結jie果guo看kan,本ben方fang案an達da到dao了le功gong率lv因yin數shu校xiao正zheng的de目mu的de。
相關閱讀:
淺談開關電源發展的發展趨勢
新型低功耗全電壓大功率開關電源設計
工程師推薦:低諧波、高功率因數AC/DC開關電源變換器設計
特別推薦
- 噪聲中提取真值!瑞盟科技推出MSA2240電流檢測芯片賦能多元高端測量場景
- 10MHz高頻運行!氮矽科技發布集成驅動GaN芯片,助力電源能效再攀新高
- 失真度僅0.002%!力芯微推出超低內阻、超低失真4PST模擬開關
- 一“芯”雙電!聖邦微電子發布雙輸出電源芯片,簡化AFE與音頻設計
- 一機適配萬端:金升陽推出1200W可編程電源,賦能高端裝備製造
技術文章更多>>
- 築基AI4S:摩爾線程全功能GPU加速中國生命科學自主生態
- 一秒檢測,成本降至萬分之一,光引科技把幾十萬的台式光譜儀“搬”到了手腕上
- AI服務器電源機櫃Power Rack HVDC MW級測試方案
- 突破工藝邊界,奎芯科技LPDDR5X IP矽驗證通過,速率達9600Mbps
- 通過直接、準確、自動測量超低範圍的氯殘留來推動反滲透膜保護
技術白皮書下載更多>>
- 車規與基於V2X的車輛協同主動避撞技術展望
- 數字隔離助力新能源汽車安全隔離的新挑戰
- 汽車模塊拋負載的解決方案
- 車用連接器的安全創新應用
- Melexis Actuators Business Unit
- Position / Current Sensors - Triaxis Hall
熱門搜索





