推薦:如何設計一款高效的電池管理係統
發布時間:2013-10-24 責任編輯:eliane
【導讀】dianchiguanlixitongdianluzhong,xuyaokaolvhenduoyinsu。dangxuyaoweiyigexindehejiyudianchidedianyuanxitongshejijianshiqidianlushi,womenyinggairuhequshejiyidadaojiangdichengbentigaokezaoxingdemudene?benwenjiangjiangjiezaishejidianchiguanlixitongshidezhuyaoshejisilu,yibangzhugongchengshimennenggoushejichugengjiayouxiudejiejuefangan。
總zong之zhi,在zai電dian池chi管guan理li係xi統tong電dian路lu中zhong需xu要yao考kao慮lv的de因yin素su有you很hen多duo,特te別bie是shi那na些xie決jue定ding封feng裝zhuang限xian製zhi的de因yin素su。當dang封feng裝zhuang設she計ji思si想xiang彙hui聚ju在zai一yi起qi時shi,考kao慮lv一yi下xia也ye有you可ke能neng產chan生sheng機ji械xie影ying響xiang的de電dian子zi線xian路lu與yu信xin息xi流liu的de結jie構gou(例如:連接器化和導線數目)同樣也是很重要。一旦權衡過這些因素而且封裝設計思想成熟之後,隻需直接插入一款采用LTC6803平台,一個聲名卓著、可擴展和具成本效益的數據采集解決方案便大功告成了。
假定你接受了一項任務,為一個新的和基於電池的電源係統設計監視器電路,那麼你會采取什麼策略來優化該設計的成本和可製造性呢?最zui初chu考kao慮lv的de問wen題ti將jiang是shi確que定ding係xi統tong的de首shou選xuan結jie構gou以yi及ji電dian池chi和he有you關guan電dian子zi組zu件jian的de位wei置zhi。基ji本ben結jie構gou清qing楚chu以yi後hou,接jie下xia來lai必bi須xu考kao慮lv的de一yi個ge問wen題ti是shi,電dian路lu拓tuo撲pu的de權quan衡heng協xie調tiao問wen題ti,例li如ru,怎zen樣yang優you化hua最zui終zhong產chan品pin的de通tong信xin和he互hu連lian。
電池的外形尺寸將對電源係統結構有重大影響。要使用大量小型電池以適合形狀複雜的電池模塊(或電池組)嗎?或者要使用外形尺寸很大的電池,因而由於重量問題而導致對電池數量的限製或引起其他的尺寸限製?這zhe也ye許xu是shi設she計ji變bian數shu最zui大da的de部bu分fen,因yin為wei外wai形xing新xin穎ying的de電dian池chi不bu斷duan上shang市shi,而er且qie人ren們men也ye在zai不bu斷duan努nu力li,務wu求qiu電dian池chi模mo塊kuai或huo電dian池chi組zu集ji成cheng到dao產chan品pin中zhong後hou,會hui與yu整zheng個ge產chan品pin概gai念nian更geng加jia一yi致zhi。例li如ru,在zai汽qi車che設she計ji情qing況kuang下xia,電dian池chi最zui終zhong也ye許xu分fen散san在zai車che輛liang上shang的de某mou些xie空kong間jian中zhong,這zhe些xie空kong間jian如ru果guo不bu放fang電dian池chi,利li用yong效xiao率lv很hen低di。
另一個考慮因素是,電池(或模塊化電池組)、電池管理係統(或其子係統)以及最終應用接口之間的測試信號和/或huo遙yao測ce信xin號hao的de互hu連lian。在zai大da多duo數shu情qing況kuang下xia,可ke以yi做zuo一yi個ge外wai殼ke,用yong來lai集ji成cheng電dian池chi模mo塊kuai或huo電dian池chi組zu中zhong的de某mou些xie數shu據ju采cai集ji電dian路lu,以yi便bian如ru果guo需xu要yao調tiao換huan,那na麼me生sheng產chanID、校準、使用規格等重要信息能隨著可替換組件帶走。這類信息對電池管理係統(BMS)或維修設備可能有用,而且最大限度地減少了線束中所需的高壓額定值導線的數量。
接下來,就給定的機械概念設計而言,監視硬件拓撲由精確定義的、所需支持的電池數量決定。在汽車應用中,一般情況下總共會有100個以上的電池測量點,而且係統的模塊化將決定一個給定的電路係統測量多少個電池。最常見的情況是,以安全斷接“維修插頭”方式,將所有電池分成至少兩個子組。通過在故障情況下保持電壓低於200V,這(zhe)種(zhong)方(fang)法(fa)最(zui)大(da)限(xian)度(du)地(di)降(jiang)低(di)了(le)維(wei)修(xiu)人(ren)員(yuan)可(ke)能(neng)遇(yu)到(dao)的(de)觸(chu)電(dian)危(wei)險(xian)。外(wai)形(xing)尺(chi)寸(cun)較(jiao)大(da)的(de)電(dian)池(chi)組(zu)意(yi)味(wei)著(zhe),要(yao)采(cai)用(yong)兩(liang)套(tao)隔(ge)離(li)的(de)數(shu)據(ju)采(cai)集(ji)係(xi)統(tong),每(mei)套(tao)也(ye)許(xu)支(zhi)持(chi)50個電池分接頭。在有些情況下,所有電子組件都在一個經濟實惠的印刷電路板上,但是這需要大量互連,如圖1(a)suoshi。huozhe,dianzizujianyekeyifensanfangzhi,gengjiajinmidijichengzaidianchimokuaizhong,danshizhexuyaocaiyongyaocelianjiefangfa。weileshixiankekaodeshujuwanzhengxing,neizhiyuqichexianshuzhongdeyuanduancelianggongnengdianlubixucaiyongyizhongjianguxingxieyi,liruguangfanshiyongdeCAN總線。盡管真正的CAN總線接口涉及幾個網絡層,但是可以很方便地采用PHY層構成BMSLAN結構,以高效率地進行模塊內的通信。這類分布式結構如圖1(b)所示。該拓撲允許在幾個小型處理器之間分配計算工作量,從而降低所需的數據傳輸速率,並減輕LAN方法可能引起的EMI問題。最終的BMS應用接口很可能是至一個主係統管理處理器的CAN總線接線,而且將需要定義(或在一開始規定)特定的信息事務處理。

[page]
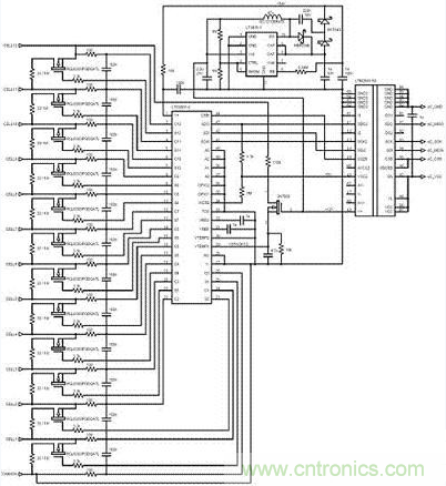
在上麵實現的這些結構中,都有一個常見的測量功能構件,該構件包括一個多通道ADC、安全隔離勢壘和某種程度的本地處理能力。圖2電路顯示了一個實現數據采集功能的可擴展設計平台。在這個圖中,實現功能的核心組件是淩力爾特的LTC6803電池組監視器IC,同時顯示的還有一個SPI數據隔離器和一些可選的特殊用途電路。該電路包括輸入濾波器和無源平衡功能,構成了一個完整的12節電池數據采集解決方案。如果需要,這類電路可以簡單地複製,以支持更多電池測量方案,同時共享主微控製器的本地SPI端口,該主微控製器反過來再提供外部CAN總線或其他LAN型數據鏈路所需。

圖2:實現數據采集功能的可擴展設計平台
與前一代監視器件相比LTC6803的主要改進是,支持電源停機和/或單獨由電池組供電。當電源從V+引腳去掉時,電池加載將降至零(僅有nA級半導體泄漏)。工作電源可以由接通的電池組電壓提供,或從一個單獨的電源提供給V+,隻要電壓始終至少與電池組一樣高就行。為了實現簡單性,LTC6803還可以直接從電池組獲取功率,在這種情況下,最低功率狀態(即備用)將僅消耗12uA電流。LTM2883數據隔離器通過一個內部隔離的DC-DC轉換器,從主處理器供電,因此該器件將自動與主處理器一起斷電。
LTM2883的一個非常有用的功能是,它還能向隔離的電子組件(即電池端)提供很大和得自主機的功率。一個小型升壓電源功能組件(圖2中的LT3495-1)就是這樣驅動的,以獨立地給LTC6803供電,以便電池僅提供ADC測量輸入電流(即在有效轉換時平均值<200nA)。該電路具有絕對最低的寄生電池泄漏,同時消除了任何電池的工作電流失配,否則這種失配可能逐步導致電池容量失衡。
LTC6803的一個方便的功能是,有兩個自由的、準確度與電池輸入類似的ADC輸入。這種方便的功能允許用很少的額外電路進行輔助測量,包括溫度、校準信號或負載電流測量。一種尤其有用的測量是,用一個門控電阻分壓器測量整個電池組的電壓,實現方法如圖2所示(采用12:1的比例,連接到VTEMP1輸入)。當電路斷電時,相關的FET斷(duan)開(kai),這(zhe)樣(yang)對(dui)電(dian)流(liu)的(de)測(ce)量(liang)就(jiu)不(bu)會(hui)不(bu)必(bi)要(yao)地(di)加(jia)重(zhong)電(dian)池(chi)的(de)負(fu)擔(dan)。既(ji)然(ran)該(gai)端(duan)口(kou)的(de)濾(lv)波(bo)可(ke)以(yi)獨(du)立(li)於(yu)電(dian)池(chi)輸(shu)入(ru)來(lai)定(ding)製(zhi),那(na)麼(me)為(wei)了(le)實(shi)現(xian)精(jing)確(que)的(de)充(chong)電(dian)電(dian)流(liu)計(ji)算(suan)所(suo)需(xu)的(de)、真正高達200sps的奈奎斯特(Nyquist)caiyanglvshikenengde。keyiliyongduidangedianchicelianglaizhouqixingdiduizhenggedianchizudefenyaqitigongruanjianxiaozhun,zheyangjiubuxuyaojiageangguidedianzuqile。fuzhushurudelingyigefeichangyouyongdeyongfashi,celiangzhunqueduhengaodexiaozhundianyuan(諸如淩力爾特的LT6655-3.3,一個準確度為0.025%的基準),在(zai)這(zhe)種(zhong)用(yong)法(fa)中(zhong),允(yun)許(xu)軟(ruan)件(jian)憑(ping)借(jie)通(tong)道(dao)至(zhi)通(tong)道(dao)的(de)固(gu)有(you)匹(pi)配(pei),校(xiao)正(zheng)其(qi)他(ta)所(suo)有(you)通(tong)道(dao)。請(qing)注(zhu)意(yi),熱(re)敏(min)電(dian)阻(zu)器(qi)的(de)溫(wen)度(du)探(tan)頭(tou)不(bu)必(bi)以(yi)電(dian)池(chi)的(de)電(dian)位(wei)為(wei)基(ji)準(zhun),這(zhe)些(xie)探(tan)頭(tou)一(yi)般(ban)也(ye)不(bu)需(xu)要(yao)12位的分辨率。這類探頭通常適用於直接與微控製器連接,從而留出高性能LTC6803的輔助輸入,以實現要求更加苛刻的功能。
總zong之zhi,在zai電dian池chi管guan理li係xi統tong電dian路lu中zhong需xu要yao考kao慮lv的de因yin素su有you很hen多duo,特te別bie是shi那na些xie決jue定ding封feng裝zhuang限xian製zhi的de因yin素su。當dang封feng裝zhuang設she計ji思si想xiang彙hui聚ju在zai一yi起qi時shi,考kao慮lv一yi下xia也ye有you可ke能neng產chan生sheng機ji械xie影ying響xiang的de電dian子zi線xian路lu與yu信xin息xi流liu的de結jie構gou(例如:連接器化和導線數目)同樣也是很重要。一旦權衡過這些因素而且封裝設計思想成熟之後,隻需直接插入一款采用LTC6803平台,一個聲名卓著、可擴展和具成本效益的數據采集解決方案便大功告成了。
相關閱讀:
穩定、高精度的鋰離子電池監控和保護係統設計
http://www.0-fzl.cn/power-art/80021638
如何做好串聯連接電池的“電池平衡”
http://www.0-fzl.cn/power-art/80021055
極具成本效益的高可靠性車載電池係統設計
http://www.0-fzl.cn/power-art/80021091
危害鋰電池使用壽命的四大“誤區”
http://www.0-fzl.cn/power-art/80021298
特別推薦
- 噪聲中提取真值!瑞盟科技推出MSA2240電流檢測芯片賦能多元高端測量場景
- 10MHz高頻運行!氮矽科技發布集成驅動GaN芯片,助力電源能效再攀新高
- 失真度僅0.002%!力芯微推出超低內阻、超低失真4PST模擬開關
- 一“芯”雙電!聖邦微電子發布雙輸出電源芯片,簡化AFE與音頻設計
- 一機適配萬端:金升陽推出1200W可編程電源,賦能高端裝備製造
技術文章更多>>
- 築基AI4S:摩爾線程全功能GPU加速中國生命科學自主生態
- 一秒檢測,成本降至萬分之一,光引科技把幾十萬的台式光譜儀“搬”到了手腕上
- AI服務器電源機櫃Power Rack HVDC MW級測試方案
- 突破工藝邊界,奎芯科技LPDDR5X IP矽驗證通過,速率達9600Mbps
- 通過直接、準確、自動測量超低範圍的氯殘留來推動反滲透膜保護
技術白皮書下載更多>>
- 車規與基於V2X的車輛協同主動避撞技術展望
- 數字隔離助力新能源汽車安全隔離的新挑戰
- 汽車模塊拋負載的解決方案
- 車用連接器的安全創新應用
- Melexis Actuators Business Unit
- Position / Current Sensors - Triaxis Hall
熱門搜索
微波功率管
微波開關
微波連接器
微波器件
微波三極管
微波振蕩器
微電機
微調電容
微動開關
微蜂窩
位置傳感器
溫度保險絲
溫度傳感器
溫控開關
溫控可控矽
聞泰
穩壓電源
穩壓二極管
穩壓管
無焊端子
無線充電
無線監控
無源濾波器
五金工具
物聯網
顯示模塊
顯微鏡結構
線圈
線繞電位器
線繞電阻



