教你如何六個步驟打造簡易工頻小功率逆變器
發布時間:2013-10-10 責任編輯:sherryyu
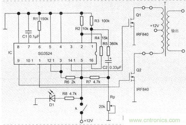
該逆變器電路簡單,易於調試,性能可靠,原理圖如下圖所示。逆變器主要由PWM信號發生器、電源開關電路和逆變輸出電路三部分組成。

一、PWM信號發生器
PWM信號發生器是采用美國矽通用公司(SILICon General)生產的雙端輸出式脈寬調製芯片SG3524來實現。SG3524的引腳排列及內部結構圖如圖2所示。SG3524內部集成了精密基準電源、誤差放大器、可調振蕩器、脈衝同步觸發器、輸出晶體管、高增益比較器、限流檢測放大器以及關斷電路。SG3524具有以下特點:
(1)PWM控製電路功能完善;
(2)提供推挽和單端兩種輸出模式;
(3)待機電流低,典型值為8mA;
(4)具有過電流和過熱保護功能;
SG3524的引腳功能簡介如下圖所示;


振蕩頻率為:

式中f的單位為可kHz,RT的單位為kΩ,CT的單位μF。定時電阻RT向定時電容CT提供恒定的充電電流,CT上生成的鋸齒波信號與誤差放大器輸出信號比較,由高增益比較器輸出控製脈衝,實現對脈衝寬度的控製。電容CT上的充電電流由RT決定,而CT本身容量的大小則決定了輸出脈衝的寬度。
[page]
二、電源開關電路
電路由兩個MOS場效應管組成,Ql、Q2兩個場效應管在SG3524的PWM控製脈衝的作用下,交替導通,實現了由直流電源向交流電源的逆變。
三、逆變輸出電路
主要由輸出變壓器和負載組成,其功能是經變壓器升壓後的220V交流電供給負載使用。
1、元器件選擇
IC選用SG3524普通型PWM控製器。T變壓器可以選擇一般常見的雙9V的小型變壓器,場效應管選擇IRF840,C1選用普通的瓷片電容即可。C2選擇耐壓大於25V、容量0.22~0.47μF的電解電容均可。電阻選用1/8W的小型電阻。RP可調電阻選用一般的電位器即可。詳見下表。

四、製作印製電路板
用熱轉印法製作印製電路板,製作過程:
(1)製圖。用ProteIDXP 2004 SP2按圖1畫出原理圖,從原理圖生成印製電路板圖,參考圖如下圖所示,使用單麵敷鋼板,參考尺寸為:80×60mm。
(2)打印。用激光打印機將印製電路板圖打印在熱轉印紙上。
(3)加熱轉印。用細砂紙擦幹淨敷銅板,磨平四周,將打印好的熱轉印紙覆蓋在敷銅板上,送入照片過塑機(調到180.5℃~200℃)來回壓幾次,使融化的墨粉完全吸附在敷銅板上。
(4)腐蝕。敷銅板冷卻後揭去熱轉印紙,放到雙氧水+鹽酸+水(2:1:2)混合液或FeC13溶液中腐蝕後即可形成做工精細的印刷電路板。
(5)鑽孔與後續處理。腐蝕完後,對電路板進行鑽孔和磨邊處理,再用濕的細砂紙去掉表麵的墨粉。

[page]
五、安裝與調試
(1)元器件測試:所有的元器件分別用萬用表測試參數及辨別好壞。
(2)元器件裝配:插入集成芯片時要注意管腳位置,發光二極管、電解電容器、場效應管要注意極性,場效應管加裝散熱片。
(3)焊接:元yuan件jian焊han接jie時shi要yao依yi就jiu由you低di到dao高gao的de順shun序xu焊han接jie,導dao線xian焊han接jie時shi要yao預yu先xian鍍du錫xi,焊han接jie時shi間jian不bu要yao太tai長chang,以yi免mian把ba元yuan件jian燙tang壞huai,但dan也ye不bu要yao時shi間jian過guo短duan,以yi免mian造zao成cheng虛xu焊han。
(4)調試:通(tong)電(dian)前(qian)除(chu)對(dui)元(yuan)器(qi)件(jian)進(jin)行(xing)目(mu)觀(guan)檢(jian)查(zha)有(you)無(wu)錯(cuo)漏(lou)外(wai),還(hai)要(yao)用(yong)萬(wan)用(yong)表(biao)的(de)電(dian)阻(zu)擋(dang)檢(jian)查(zha)逆(ni)變(bian)器(qi)的(de)電(dian)源(yuan)輸(shu)入(ru)端(duan),看(kan)有(you)無(wu)短(duan)路(lu)現(xian)象(xiang),在(zai)排(pai)除(chu)了(le)無(wu)短(duan)路(lu)故(gu)障(zhang)後(hou),方(fang)可(ke)通(tong)電(dian)進(jin)行(xing)調(tiao)試(shi)。
通電時,可用萬用表電壓擋監測電源電壓,如果電壓維持在12V左zuo右you,說shuo明ming電dian路lu基ji本ben正zheng常chang,逆ni變bian器qi或huo負fu載zai無wu短duan路lu現xian象xiang,若ruo電dian壓ya低di於yu正zheng常chang值zhi較jiao多duo,可ke能neng存cun在zai有you短duan路lu故gu障zhang,要yao盡jin快kuai切qie斷duan電dian源yuan,查zha清qing原yuan因yin,待dai故gu障zhang排pai除chu後hou,方fang可ke繼ji續xu通tong電dian調tiao試shi。
連接逆變輸出電路,按圖1將變壓器初級分別與場效應管Q1、Q2的漏極連接,變壓器次級與節能燈連接。
如果節能燈無法點亮,首先要檢查PWM信號發生器是否有正常的脈衝輸出。檢查的方法,可用示波器測量SG3524的第③腳,電路正常時,應該有矩形脈衝波輸出。其次要檢查逆變器的輸出端的電壓值,正常時此電壓值應該在220V左右,如果電壓太低甚至無電壓,應重點檢查電源開關電路。若節能燈暗或一閃一閃,可調節RP使燈正常工作。
六、逆變器的主要參數測試
在實際應中輸入直流電壓12V采用蓄電池,作為實訓項目測試可用直流穩壓電源。通過示波器可觀察電源開關電路場效應管Q1、Q2漏極的電壓波形、逆變器輸出電壓波形,測試時應注意示波器的探棒至衰減10倍擋,以避免電壓過高損壞儀器。
用頻率計測逆變器的輸出頻率,用萬用表測逆變器的輸出電壓有效值。逆變器的主要參數測試數據如表所示。

相關閱讀:
網友獨創:不怕停電的帶外殼逆變器設計方案
http://www.0-fzl.cn/power-art/80021579
網友熱議:光伏逆變器並網方式探討
http://www.0-fzl.cn/power-art/80021486
- 噪聲中提取真值!瑞盟科技推出MSA2240電流檢測芯片賦能多元高端測量場景
- 10MHz高頻運行!氮矽科技發布集成驅動GaN芯片,助力電源能效再攀新高
- 失真度僅0.002%!力芯微推出超低內阻、超低失真4PST模擬開關
- 一“芯”雙電!聖邦微電子發布雙輸出電源芯片,簡化AFE與音頻設計
- 一機適配萬端:金升陽推出1200W可編程電源,賦能高端裝備製造
- 築基AI4S:摩爾線程全功能GPU加速中國生命科學自主生態
- 一秒檢測,成本降至萬分之一,光引科技把幾十萬的台式光譜儀“搬”到了手腕上
- AI服務器電源機櫃Power Rack HVDC MW級測試方案
- 突破工藝邊界,奎芯科技LPDDR5X IP矽驗證通過,速率達9600Mbps
- 通過直接、準確、自動測量超低範圍的氯殘留來推動反滲透膜保護
- 車規與基於V2X的車輛協同主動避撞技術展望
- 數字隔離助力新能源汽車安全隔離的新挑戰
- 汽車模塊拋負載的解決方案
- 車用連接器的安全創新應用
- Melexis Actuators Business Unit
- Position / Current Sensors - Triaxis Hall



