由IR2130組成的無刷直流電機驅動設計
發布時間:2013-03-17 責任編輯:easonxu
【導讀】功率MOSFET驅(qu)動(dong)保(bao)護(hu)電(dian)路(lu)的(de)設(she)計(ji)可(ke)直(zhi)接(jie)決(jue)定(ding)係(xi)統(tong)對(dui)執(zhi)行(xing)機(ji)構(gou)的(de)驅(qu)動(dong)品(pin)質(zhi)。文(wen)中(zhong)針(zhen)對(dui)具(ju)體(ti)的(de)微(wei)電(dian)機(ji)驅(qu)動(dong)保(bao)護(hu)係(xi)統(tong),有(you)針(zhen)對(dui)性(xing)地(di)功(gong)率(lv)驅(qu)動(dong)保(bao)護(hu)電(dian)路(lu)進(jin)行(xing)計(ji)算(suan)分(fen)析(xi)與(yu)設(she)計(ji)。實(shi)驗(yan)證(zheng)明(ming)該(gai)電(dian)路(lu)設(she)計(ji)簡(jian)單(dan)可(ke)靠(kao),驅(qu)動(dong)與(yu)保(bao)護(hu)效(xiao)果(guo)良(liang)好(hao),完(wan)全(quan)可(ke)以(yi)滿(man)足(zu)控(kong)製(zhi)係(xi)統(tong)對(dui)執(zhi)行(xing)機(ji)構(gou)的(de)驅(qu)動(dong)要(yao)求(qiu)。
永磁無刷直流電機是隨著高性能永磁材料、電機控製技術和電力電子技術發展而出現的一種新型電機,它既具有交流電機結構簡單、運行可靠、維護方便、壽命長等優點,又具備直流電機運行效率高、無勵磁損耗及調速性能好等諸多優點,且還具有功率密度高,低轉速,大轉矩的特點。它的應用已從最初的軍事工業,向航空航天、醫療、信息、家電以及工業自動化等領域迅速發展。
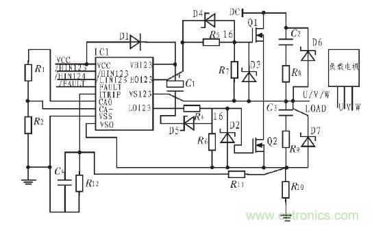
圖1是由IR2130組成的無刷直流電機驅動原理圖為便於表示隻畫出其中一個橋臂的電路示意圖,通過IR2130輸入信號控製MOSFET的開關,由此驅動無刷直流動機。C1是自舉電容,為上橋臂功率管驅動的懸浮電源存儲能量,D1的作用是防止上橋臂導通時母線電壓倒流到IR2130的電源上而使器件損壞,因此D1應有足夠的反向耐壓,當然D1與C1串聯也是為了滿足主電路功率開關頻率的要求,D1應選快速恢複二極管。 R1、R2、R10、R11、R12、C4組成過流檢測電路。R5、R6為柵極驅動電阻,D4、D5為功率管提供了一個低阻抗的放電回路,使功率管能夠快速的泄放電荷。

圖1:無刷直流電機驅動原理圖
功(gong)率(lv)場(chang)效(xiao)應(ying)管(guan)的(de)柵(zha)極(ji)與(yu)源(yuan)極(ji)之(zhi)間(jian)並(bing)聯(lian)了(le)一(yi)個(ge)電(dian)阻(zu)和(he)一(yi)個(ge)齊(qi)納(na)二(er)極(ji)管(guan),電(dian)阻(zu)的(de)作(zuo)用(yong)是(shi)降(jiang)低(di)柵(zha)極(ji)與(yu)源(yuan)極(ji)間(jian)的(de)阻(zu)抗(kang),齊(qi)納(na)二(er)極(ji)管(guan)的(de)作(zuo)用(yong)是(shi)防(fang)止(zhi)柵(zha)極(ji)與(yu)源(yuan)極(ji)間(jian)尖(jian)端(duan)電(dian)壓(ya)擊(ji)穿(chuan)功(gong)率(lv)管(guan)。同(tong)時(shi)在(zai)功(gong)率(lv)場(chang)效(xiao)應(ying)管(guan)的(de)漏(lou)極(ji)與(yu)源(yuan)極(ji)之(zhi)間(jian)並(bing)聯(lian)了(le)一(yi)個(ge)RC電路和齊納二極管,由於器件開關瞬間電流的突變而產生漏極尖峰電壓,所以必須加上RC緩衝電路和齊納二極管對其進行保護。
在實際應用中柵極的驅動波形如圖4所示,此波形是在電機3000RPM時的驅動波形,可以看出此波形完全能夠滿足要求,同時進行了短路、電機堵轉等試驗,圖1電路也能過很好地保護功率MOSFET管。

圖2:柵極驅動波形
- 噪聲中提取真值!瑞盟科技推出MSA2240電流檢測芯片賦能多元高端測量場景
- 10MHz高頻運行!氮矽科技發布集成驅動GaN芯片,助力電源能效再攀新高
- 失真度僅0.002%!力芯微推出超低內阻、超低失真4PST模擬開關
- 一“芯”雙電!聖邦微電子發布雙輸出電源芯片,簡化AFE與音頻設計
- 一機適配萬端:金升陽推出1200W可編程電源,賦能高端裝備製造
- 築基AI4S:摩爾線程全功能GPU加速中國生命科學自主生態
- 一秒檢測,成本降至萬分之一,光引科技把幾十萬的台式光譜儀“搬”到了手腕上
- AI服務器電源機櫃Power Rack HVDC MW級測試方案
- 突破工藝邊界,奎芯科技LPDDR5X IP矽驗證通過,速率達9600Mbps
- 通過直接、準確、自動測量超低範圍的氯殘留來推動反滲透膜保護
- 車規與基於V2X的車輛協同主動避撞技術展望
- 數字隔離助力新能源汽車安全隔離的新挑戰
- 汽車模塊拋負載的解決方案
- 車用連接器的安全創新應用
- Melexis Actuators Business Unit
- Position / Current Sensors - Triaxis Hall




