MCM的電磁兼容性研究
發布時間:2012-12-12 責任編輯:abbywang
【導讀】對MCM功率電源而言,由於其工作在幾百kHz的高頻開關狀態,故易成為幹擾源。電磁兼容性EMC(Electro Magnetic Compatibility),是指設備或係統在其電磁環境中符合要求運行並不對其環境中的任何設備產生無法忍受的電磁幹擾的能力。
EMC包括兩個方麵的要求:一方麵是指設備在正常運行過程中對所在環境產生的電磁幹擾不能超過一定的限值;另一方麵是指器具對所在環境中存在的電磁幹擾具有一定程度的抗擾度,即電磁敏感性。從國外同類公司的報告及實際措施來看,解決DC/DC變換器電磁幹擾主要就是滿足10kHz~10MHz電源線傳導發射的要求。
解決的關鍵技術
電路的設計技術
通過EDA仿真,利用可靠性優化和可靠性簡化技術設計電路參數,著重解決如下問題。
① 線路的自激振蕩:合理地選擇消振網絡,消除DC/DC變換器的R、L、C參數選取的不合理性引起的振蕩,減小EMI的電平。DC/DC電源由於工作在高頻開關狀態,有時反應為帶滿載時正常帶輕載時自激,有時反映為常溫時正常高溫或低溫時自激,因此元器件的選取、補償網絡的應用顯得尤為重要。
② 紋波與噪聲的有效抑製:抑製的方法大致可以歸結為二類,即降低本身的紋波與噪聲和設計濾波電路。
為了抑製外來的高頻幹擾,也為了抑製DC/DC變換器對外傳導幹擾,通過在DC/DC變換器的輸入端、輸出端設計濾波電路,抑製共模、差模幹擾,降低EMI電平。
為了減少DC/DC變換器通過輸入、輸出端傳導EMI,除了在輸入、輸出端采取LC濾波外,還在電源的輸入地到金屬外殼之間、輸出地到金屬外殼之間增加高頻濾波電容,以減少共模幹擾的產生。但此處要注意電容耐壓要大於500V,以滿足產品隔離電壓的要求。

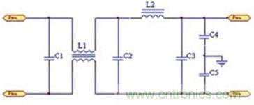
圖1:濾波器的原理圖
圖中,L1、C1組成的輸入濾波電路和L2、C2組成的輸出濾波電路能減少紋波電流的大小,從而減少通過輻射傳播的電磁幹擾。濾波電容C1、C2采用多個電容並聯,以減少等效串聯電阻,從而減小紋波電壓。C3、C4、C5、C6用於濾除共模幹擾,其值不宜取大,以避免有較大的漏電流。
lvboqishiyoudianganqihedianrongqigouchengdewanglu,keshihunhedejiaozhiliudianliufenkai。dianyuanzhengliuqizhong,jijiezhuciwanglulvjingmaidongzhiliuzhongdelianbo,erhuodebijiaochunjingdezhiliushuchu。zuijibendelvboqi,shiyouyigedianrongqiheyigedianganqigoucheng,chengweiL型濾波。所有各型的濾波器,都是集合L型xing單dan節jie濾lv波bo器qi而er成cheng。基ji本ben單dan節jie式shi濾lv波bo器qi由you一yi個ge串chuan聯lian臂bi及ji一yi個ge並bing聯lian臂bi所suo組zu成cheng,串chuan聯lian臂bi為wei電dian感gan器qi,並bing聯lian臂bi為wei電dian容rong器qi。在zai電dian源yuan及ji聲sheng頻pin電dian路lu中zhong之zhi濾lv波bo器qi,最zui通tong用yong者zhe為weiL型及π型兩種。
抑製幹擾源技術
DC/DC變換器的主要幹擾源有高頻變壓器、功率開關管及整流二極管,為此逐一地采取措施。
① 高頻變壓器
在開關電源中,變壓器在電路中起到電壓變換、隔離及能量轉化作用,其工作在高頻狀態,初、次級將產生噪聲並形成電磁幹擾EMI。當開關管關斷時,高頻變壓器漏感會產生反電動勢E=-Ldi/dt,其值與集電極的電流變化率(di/dt)成cheng正zheng比bi,與yu漏lou感gan量liang成cheng正zheng比bi,疊die加jia在zai關guan斷duan電dian壓ya上shang,形xing成cheng關guan斷duan電dian壓ya尖jian峰feng,從cong而er形xing成cheng傳chuan導dao性xing電dian磁ci幹gan擾rao。此ci外wai,變bian壓ya器qi對dui外wai殼ke的de分fen布bu電dian容rong形xing成cheng另ling一yi條tiao高gao頻pin通tong道dao,從cong而er使shi變bian壓ya器qi周zhou圍wei產chan生sheng的de電dian磁ci波bo更geng容rong易yi在zai其qi他ta引yin線xian上shang耦ou合he形xing成cheng噪zao聲sheng。
高(gao)頻(pin)變(bian)壓(ya)器(qi)是(shi)作(zuo)為(wei)開(kai)關(guan)電(dian)源(yuan)最(zui)主(zhu)要(yao)的(de)組(zu)成(cheng)部(bu)分(fen)。開(kai)關(guan)電(dian)源(yuan)中(zhong)的(de)拓(tuo)撲(pu)結(jie)構(gou)有(you)很(hen)多(duo)。比(bi)如(ru)半(ban)橋(qiao)式(shi)功(gong)率(lv)轉(zhuan)換(huan)電(dian)路(lu),工(gong)作(zuo)時(shi)兩(liang)個(ge)開(kai)關(guan)三(san)極(ji)管(guan)輪(lun)流(liu)導(dao)通(tong)來(lai)產(chan)生(sheng)100kHz的(de)高(gao)頻(pin)脈(mai)衝(chong)波(bo),然(ran)後(hou)通(tong)過(guo)高(gao)頻(pin)變(bian)壓(ya)器(qi)進(jin)行(xing)變(bian)壓(ya),輸(shu)出(chu)交(jiao)流(liu)電(dian),高(gao)頻(pin)變(bian)壓(ya)器(qi)各(ge)個(ge)繞(rao)組(zu)線(xian)圈(quan)的(de)匝(za)數(shu)比(bi)例(li)則(ze)決(jue)定(ding)了(le)輸(shu)出(chu)電(dian)壓(ya)的(de)多(duo)少(shao)。典(dian)型(xing)的(de)半(ban)橋(qiao)式(shi)變(bian)壓(ya)電(dian)路(lu)中(zhong)最(zui)為(wei)顯(xian)眼(yan)的(de)是(shi)三(san)隻(zhi)高(gao)頻(pin)變(bian)壓(ya)器(qi):主變壓器、驅動變壓器和輔助變壓器(待機變壓器),每種變壓器在國家規定中都有各自的衡量標準,因此,在設計中采取了以下措施。
為減小變壓器漏感的影響,采用初、次級交叉繞製的方法,並使其緊密耦合。
盡可能采用罐型磁芯。由於罐型磁芯可以把所有的線圈繞組封在磁芯裏麵,因此具有良好的自我屏蔽作用,可以有效地減少EMI。

圖2:輸入輸出濾波電路
為吸收上升沿和下降沿產生的過衝,並有可能造成的自激振蕩,在初、次級電路中增加R、C吸收網絡,以減少尖峰幹擾。在調試時須仔細調整R、C的參數,確保電阻R1的值在30~200Ω,電容C1的值在100~1000P之間,以免影響變壓器的效率。
② 功率開關管
由於功率管工作於高頻通斷開關狀態,將產生電磁幹擾EMI。當dang開kai關guan管guan流liu過guo大da的de脈mai衝chong電dian流liu時shi,大da體ti上shang形xing成cheng了le矩ju形xing波bo,含han有you許xu多duo高gao頻pin成cheng分fen。凡fan有you短duan路lu電dian流liu的de導dao線xian及ji這zhe種zhong脈mai衝chong電dian流liu流liu經jing的de變bian壓ya器qi和he電dian感gan產chan生sheng的de電dian磁ci場chang都dou可ke形xing成cheng噪zao聲sheng源yuan。開kai關guan管guan的de負fu載zai是shi高gao頻pin變bian壓ya器qi,在zai開kai關guan管guan導dao通tong的de瞬shun間jian,變bian壓ya器qi初chu級ji出chu現xian很hen大da的de湧yong流liu,造zao成cheng尖jian峰feng噪zao聲sheng。這zhe個ge尖jian峰feng噪zao聲sheng實shi際ji上shang是shi尖jian脈mai衝chong,輕qing者zhe造zao成cheng幹gan擾rao,重zhong者zhe有you可ke能neng擊ji穿chuan開kai關guan管guan。因yin此ci,須xu采cai取qu以yi下xia措cuo施shi。
優化功率管的驅動電路設計。通過緩衝電路,可以延緩功率開關管的通斷過程。
采用R、C吸收電路,從而在維持電路性能不變的同時,降低其電磁幹擾的EMI電平。
③ 整流二極管
整流二極管一般為平麵型矽二極管,用於各種電源整流電路中。選用整流二極管時,主要應考慮其最大整流電流、最大反向工作電流、截jie止zhi頻pin率lv及ji反fan向xiang恢hui複fu時shi間jian等deng參can數shu。普pu通tong串chuan聯lian穩wen壓ya電dian源yuan電dian路lu中zhong使shi用yong的de整zheng流liu二er極ji管guan,對dui截jie止zhi頻pin率lv的de反fan向xiang恢hui複fu時shi間jian要yao求qiu不bu高gao,隻zhi要yao根gen據ju電dian路lu的de要yao求qiu選xuan擇ze最zui大da整zheng流liu電dian流liu和he最zui大da反fan向xiang工gong作zuo電dian流liu符fu合he要yao求qiu的de整zheng流liu二er極ji管guan即ji可ke。
開關穩壓電源的整流電路及脈衝整流電路中使用的整流二極管,應選用工作頻率較高、反向恢複時間較短的整流二極管(例如RU係列、EU係列、V係列、1SR係列等)或選擇快恢複二極管。
整流二極管在關斷期,由於反向恢複時間會引起尖峰幹擾。為減少這種電磁幹擾,必須選用具有軟恢複特性的、反向恢複電流小的、fanxianghuifushijianduandeerjiguan。xiaotejishileierjiguanshiduoshuzailiuzidaoliu,bucunzaishaozidecunchuyufuhexiaoying,yineryejiuhuichanshenghenxiaodedianyajianfengganrao,gucaiquyixiacuoshi。
● 采用R1、C1組成旁路吸收網絡。
● 采用多個肖特基並聯分擔負載電流,有效地抑製整流二極管形成的EMI電平。

圖3:初級吸收網絡
產品平麵轉化時EMC設計技術
影響產品EMCdefangmianhenduo。chulezaixianlushangjinxingyouhuashejiwai,ruhezaijipianyouxiandekongjianneihelideanpaiyuanqijiandeweizhiyijidaodaidebuxian,yejiangzhijieyingxiangdaodianluzhonggeyuanqijianzishendekangganraoxinghechanpindediancijianrongxingEMC指標。
① 平麵轉換設計規範
對於電源內部高頻開關器件,如功率VMOS管、高頻變壓器、整流管等,應盡可能地減少其電路電流的環路麵積,且不要與其他導帶長距離平行分布。
設計布線時走線盡量少拐彎,因為直角或夾角會產生電流突變,產生EMI幹擾。導帶上的線寬不要突變,無尖刺毛邊。
導帶印製時應盡量采用高目數的印製網,以便使線電流達到均衡。應選用電流噪聲係數較小、性能穩定性較好的電阻漿料和導帶漿料,保證不會因為工藝參數的因數帶來新的幹擾。

圖4:次級整流電路
② 采用金屬全密封結構進行封裝
pingbiyoulianggemude,yishixianzhineibufushedediancinengliangxielouchu,ershifangzhiwailaifusheganraojinrugaineibuquyu。qiyuanlishiliyongpingbitiduidiancinengliangjinxingfanshe、吸xi收shou和he引yin導dao。電dian磁ci騷sao擾rao對dui其qi他ta電dian子zi設she備bei的de影ying響xiang,可ke完wan全quan按an照zhao對dui磁ci場chang屏ping蔽bi的de方fang法fa來lai加jia工gong金jin屬shu外wai殼ke,然ran後hou將jiang金jin屬shu外wai殼ke與yu係xi統tong的de機ji殼ke和he地di連lian接jie為wei一yi體ti,就jiu能neng對dui電dian磁ci場chang進jin行xing有you效xiao的de屏ping蔽bi。
地線設計技術
電路地線:在zai電dian路lu設she計ji時shi,主zhu要yao是shi防fang止zhi幹gan擾rao與yu提ti高gao無wu線xian電dian波bo的de輻fu射she效xiao率lv。地di線xian被bei廣guang泛fan作zuo為wei電dian位wei的de參can考kao點dian,為wei整zheng個ge電dian路lu提ti供gong一yi個ge基ji準zhun電dian位wei。此ci時shi,地di線xian未wei必bi與yu真zhen正zheng的de大da地di相xiang連lian,而er往wang往wang與yu輸shu入ru電dian源yuan線xian的de一yi根gen相xiang連lian(通常是零線),其電位也與大地電位無關。整個電路在設計時,以地線上電壓為0V,以(yi)統(tong)一(yi)整(zheng)個(ge)電(dian)路(lu)電(dian)位(wei)。為(wei)進(jin)一(yi)步(bu)減(jian)小(xiao)接(jie)地(di)回(hui)路(lu)的(de)壓(ya)降(jiang),可(ke)用(yong)旁(pang)路(lu)電(dian)容(rong)減(jian)少(shao)返(fan)回(hui)電(dian)流(liu)的(de)幅(fu)值(zhi)。在(zai)低(di)頻(pin)和(he)高(gao)頻(pin)共(gong)存(cun)的(de)電(dian)路(lu)係(xi)統(tong)中(zhong),還(hai)應(ying)分(fen)別(bie)將(jiang)低(di)頻(pin)電(dian)路(lu)、高頻電路、功率電路的地線單獨連接後,再連接到公共參考點上,如果有可能最好設計地線層。
- 噪聲中提取真值!瑞盟科技推出MSA2240電流檢測芯片賦能多元高端測量場景
- 10MHz高頻運行!氮矽科技發布集成驅動GaN芯片,助力電源能效再攀新高
- 失真度僅0.002%!力芯微推出超低內阻、超低失真4PST模擬開關
- 一“芯”雙電!聖邦微電子發布雙輸出電源芯片,簡化AFE與音頻設計
- 一機適配萬端:金升陽推出1200W可編程電源,賦能高端裝備製造
- 三星上演罕見對峙:工會集會討薪,股東隔街抗議
- 摩爾線程實現DeepSeek-V4“Day-0”支持,國產GPU適配再提速
- 築牢安全防線:智能駕駛邁向規模化應用的關鍵挑戰與破局之道
- GPT-Image 2:99%文字準確率,AI生圖告別“鬼畫符”
- 機器人馬拉鬆的勝負手:藏在主板角落裏的“時鍾戰爭”
- 車規與基於V2X的車輛協同主動避撞技術展望
- 數字隔離助力新能源汽車安全隔離的新挑戰
- 汽車模塊拋負載的解決方案
- 車用連接器的安全創新應用
- Melexis Actuators Business Unit
- Position / Current Sensors - Triaxis Hall

