一種節能環保型開關電源的創新設計
發布時間:2012-03-06
中心議題:
- 新型開關電源原理簡釋
- 節能、環保、高效率的特點闡述
- 開關電源是用調節占空比的方法穩定或改變輸出
- 一機多用是新型開關電源的創新之一
開關電源是現代直流穩定電源的發展方向。它因體小、量輕、效率高等優勢,在生產、科研、教學諸多領域被廣泛采用。但它有不易大幅可調,輸出噪聲高等缺陷,限製了它在高頻設備、儀器儀表等領域中的應用。直流線性穩壓電源的輸出大幅可調,輸出無噪聲,但又存在體大、量重、效率低的缺陷。本新型開關電源就是對二種電源揚利棄弊研製而成,並因而獲得獲國家知識產權局實用新型專利(專利號:ZL2007201531075)。
1 新型開關電源原理簡釋
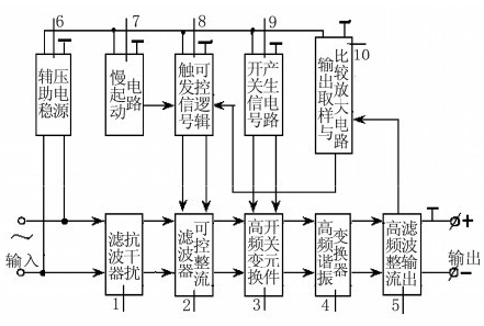
如圖1所示,它由抗幹擾濾波器1、可控整流濾波器2、高頻變換開關元件3、高頻諧振變換器4、高頻整流濾波輸出5依次連接而成。可控整流濾波器2的導通角的控製由觸發信號控製邏輯8完成。慢起動電路7使觸發信號控製邏輯8在開機時的導通角由零度逐步上升。輸出取樣與比較放大電路10,將高頻整流濾波輸出5的輸出電壓與基準電壓源相比較且進行放大,從而控製觸發信號控製邏輯8,使輸出電壓穩定。改變基準電壓源的大小,就能改變觸發信號控製邏輯8的觸發導通角,從而調節輸出電壓的大小。開關信號產生電路9產生一個適合高頻諧振變換器4的方波信號,用來控製高頻變換開關元件3的導通和截止,使直流電能進入高頻諧振變換器4,形成高頻電流震蕩;並經高頻變壓器輸出至高頻整流濾波輸出5,減小了開關噪聲。輔助穩壓電源6給慢起動電路7、觸發信號控製邏輯8、開關信號產生電路9、輸出取樣與比較放大電路10提供能量和基準電。

圖1 原理圖
2 節能、環保、高效率
一般直流線性穩定電源的能量轉換效率約為30%zuoyou,bujinlangfeidianneng,qiezhengjiyifare,yuanjianlaohuakuai。yibankaiguandianyuandelvbodianlushidianrong,qijiaoliuzukangxiao,yiyinqikaijishidelangyongdianliu,weicijiajiewenmindianzulaifangzhilangyongdianliu,congerzaochengnenglianglangfei。yibankaiguandianyuancaiyongfangbobianhuanxingshi,erfangbopinpufengfu,hennanyonglvbodefangfalvchu。qizaoshengdianpingyueweishuchude2%左(zuo)右(you),造(zao)成(cheng)對(dui)高(gao)頻(pin)設(she)備(bei)的(de)幹(gan)擾(rao)和(he)對(dui)工(gong)業(ye)電(dian)網(wang)的(de)汙(wu)染(ran)。新(xin)型(xing)開(kai)關(guan)電(dian)源(yuan)通(tong)過(guo)可(ke)控(kong)整(zheng)流(liu)電(dian)路(lu)與(yu)電(dian)網(wang)連(lian)接(jie),開(kai)機(ji)時(shi)導(dao)通(tong)角(jiao)從(cong)零(ling)開(kai)始(shi)上(shang)升(sheng),無(wu)需(xu)溫(wen)敏(min)電(dian)阻(zu),通(tong)過(guo)慢(man)啟(qi)動(dong)電(dian)路(lu)便(bian)有(you)效(xiao)地(di)控(kong)製(zhi)了(le)過(guo)大(da)的(de)浪(lang)湧(yong)電(dian)流(liu)。慢(man)啟(qi)動(dong)電(dian)路(lu)元(yuan)件(jian)數(shu)量(liang)少(shao),基(ji)本(ben)無(wu)能(neng)量(liang)損(sun)耗(hao)。
又利用物理學諧振電路的方法,將方波變換成近似正弦波,克服了方波上衝和下衝帶來的問題,使噪聲電平降為輸出的1‰以下。
3 輸出穩定、大幅可調
一yi般ban開kai關guan電dian源yuan是shi用yong調tiao節jie占zhan空kong比bi的de方fang法fa穩wen定ding或huo改gai變bian輸shu出chu。但dan占zhan空kong比bi是shi受shou限xian製zhi的de。因yin此ci一yi般ban開kai關guan電dian源yuan的de輸shu出chu固gu定ding不bu可ke調tiao。新xin型xing開kai關guan電dian源yuan的de輸shu入ru端duan采cai用yong可ke控kong整zheng流liu濾lv波bo器qi,它ta的de導dao通tong角jiao可ke以yi從cong零ling開kai始shi。
當輸出不穩時,變化導通角使其不變,就保證了輸出的穩定。用控製可控整流濾波電路導通角---即控製開關電源輸入電壓的方法來穩定和調節輸出,開創了開關電源一種新的穩定形式。
[page]
4 恒流恒壓、一機多用
一(yi)機(ji)多(duo)用(yong)是(shi)新(xin)型(xing)開(kai)關(guan)電(dian)源(yuan)的(de)創(chuang)新(xin)之(zhi)一(yi)。即(ji)輸(shu)出(chu)可(ke)以(yi)由(you)恒(heng)流(liu)轉(zhuan)換(huan)成(cheng)恒(heng)壓(ya)。負(fu)載(zai)連(lian)續(xu)變(bian)化(hua)時(shi),為(wei)保(bao)持(chi)恒(heng)流(liu),輸(shu)出(chu)電(dian)壓(ya)可(ke)自(zi)動(dong)相(xiang)應(ying)變(bian)化(hua)。這(zhe)是(shi)一(yi)般(ban)電(dian)源(yuan)做(zuo)不(bu)到(dao)的(de)。一(yi)般(ban)電(dian)源(yuan)當(dang)輸(shu)出(chu)變(bian)化(hua)量(liang)較(jiao)大(da)時(shi),調(tiao)整(zheng)管(guan)的(de)功(gong)耗(hao)會(hui)引(yin)起(qi)問(wen)題(ti)。新(xin)型(xing)開(kai)關(guan)電(dian)源(yuan)輸(shu)出(chu)電(dian)壓(ya)的(de)變(bian)化(hua)由(you)可(ke)控(kong)整(zheng)流(liu)濾(lv)波(bo)器(qi)的(de)導(dao)通(tong)角(jiao)跟(gen)蹤(zong),它(ta)可(ke)以(yi)在(zai)零(ling)到(dao)設(she)計(ji)額(e)定(ding)值(zhi)之(zhi)間(jian)自(zi)動(dong)跟(gen)蹤(zong),使(shi)調(tiao)整(zheng)管(guan)的(de)電(dian)壓(ya)降(jiang)始(shi)終(zhong)保(bao)持(chi)一(yi)定(ding)值(zhi)。
新型開關電源具有創造性、節能性、環保性等諸多優勢。它可作為工礦企業、科研機構和高等院校實驗室的先進電源裝備,並已在實驗教學使用中,取得了良好效果。
- 噪聲中提取真值!瑞盟科技推出MSA2240電流檢測芯片賦能多元高端測量場景
- 10MHz高頻運行!氮矽科技發布集成驅動GaN芯片,助力電源能效再攀新高
- 失真度僅0.002%!力芯微推出超低內阻、超低失真4PST模擬開關
- 一“芯”雙電!聖邦微電子發布雙輸出電源芯片,簡化AFE與音頻設計
- 一機適配萬端:金升陽推出1200W可編程電源,賦能高端裝備製造
- 築基AI4S:摩爾線程全功能GPU加速中國生命科學自主生態
- 一秒檢測,成本降至萬分之一,光引科技把幾十萬的台式光譜儀“搬”到了手腕上
- AI服務器電源機櫃Power Rack HVDC MW級測試方案
- 突破工藝邊界,奎芯科技LPDDR5X IP矽驗證通過,速率達9600Mbps
- 通過直接、準確、自動測量超低範圍的氯殘留來推動反滲透膜保護
- 車規與基於V2X的車輛協同主動避撞技術展望
- 數字隔離助力新能源汽車安全隔離的新挑戰
- 汽車模塊拋負載的解決方案
- 車用連接器的安全創新應用
- Melexis Actuators Business Unit
- Position / Current Sensors - Triaxis Hall




