直流係統基本原理探討
發布時間:2012-03-01
中心議題:
1 引言
直(zhi)流(liu)充(chong)電(dian)機(ji)係(xi)統(tong)根(gen)據(ju)其(qi)整(zheng)流(liu)方(fang)式(shi)可(ke)以(yi)分(fen)成(cheng)相(xiang)控(kong)式(shi)充(chong)電(dian)機(ji)和(he)高(gao)頻(pin)模(mo)塊(kuai)式(shi)充(chong)電(dian)機(ji),二(er)者(zhe)各(ge)有(you)千(qian)秋(qiu)。相(xiang)控(kong)式(shi)充(chong)電(dian)機(ji)是(shi)一(yi)項(xiang)使(shi)用(yong)時(shi)間(jian)長(chang),技(ji)術(shu)非(fei)常(chang)成(cheng)熟(shu)的(de)產(chan)品(pin),其(qi)特(te)點(dian)是(shi)運(yun)行(xing)穩(wen)定(ding),輸(shu)出(chu)功(gong)率(lv)大(da),但(dan)是(shi)這(zhe)類(lei)充(chong)電(dian)機(ji)輸(shu)出(chu)精(jing)度(du)低(di),自(zi)動(dong)化(hua)程(cheng)度(du)低(di),許(xu)多(duo)參(can)數(shu)需(xu)要(yao)在(zai)平(ping)時(shi)運(yun)行(xing)過(guo)程(cheng)中(zhong)調(tiao)整(zheng)。高頻模塊組屏是九十年代發展起來的一項新技術,其特點是組屏簡單,輸出精度高,維護方便,自動化程度高。經過近二十年的發展,各方麵都在不斷完善,現在是一種日趨成熟的產品,而且應用日漸廣泛,初步取代相控式的地位。下麵就這兩類充電機的基本原理作一詳細介紹。
2 相控式充電機係統原理
相控式充電機係統原理圖如圖1所示。相控式充電機的核心技術包括觸發脈衝形成、可控矽整流、電感電容濾波、穩壓穩流、限流過流保護、過壓欠壓告警等。以下介紹相控式充電機係統各部分的工作過程。
圖1相控式充電機係統原理圖
2.1交流部分
三相市電380V交流,首先經過隔離變壓器。隔離變壓器有三個作用:首先,對可控矽的交流輸入進行降壓隔離;其次,產生同步電壓;然後,給後級控製回路提供輔助電源。根據脈衝觸發電路的不同,變壓器線圈繞接方式也有差異,有Y/△1,Y/△11等(deng)。從(cong)變(bian)壓(ya)器(qi)的(de)二(er)次(ci)輸(shu)出(chu)的(de)交(jiao)流(liu)電(dian)源(yuan),在(zai)進(jin)入(ru)可(ke)控(kong)矽(gui)之(zhi)前(qian),經(jing)過(guo)一(yi)次(ci)阻(zu)容(rong)吸(xi)收(shou),以(yi)吸(xi)收(shou)交(jiao)流(liu)尖(jian)峰(feng),從(cong)而(er)淨(jing)化(hua)輸(shu)入(ru)。在(zai)可(ke)控(kong)矽(gui)前(qian)級(ji),串(chuan)入(ru)三(san)個(ge)保(bao)護(hu)熔(rong)斷(duan)器(qi)。
2.2可控矽整流部分
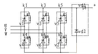
隨著現代集成技術的發展,功率大、tijixiaodekekongguimokuaiqudaileyuanlaidedanyuankekonggui,yibanyigeqiaobishiyigekekongguimokuai,sangekekongguimokuaizuchengyigesanxiangquankongqiao,zaijiashangyigeyouxuliuerjiguanhegelierjiguanzuchengdeerjiguanmokuai,jiuzuchenglechongdianjidezhengliubufen(見圖2),虛線框內表示為一個模塊。照下麵的接線方式,可控矽的觸發順序為V1、V2、V3、V4、V5、V6。
圖2充電機的整流部分
2.3濾波部分
從(cong)可(ke)控(kong)矽(gui)整(zheng)流(liu)出(chu)來(lai)的(de)直(zhi)流(liu),波(bo)形(xing)並(bing)不(bu)是(shi)直(zhi)線(xian),還(hai)有(you)很(hen)多(duo)交(jiao)流(liu)成(cheng)分(fen),必(bi)須(xu)經(jing)過(guo)濾(lv)波(bo)。因(yin)此(ci),在(zai)後(hou)級(ji)串(chuan)入(ru)一(yi)個(ge)電(dian)感(gan),並(bing)且(qie)並(bing)上(shang)一(yi)隻(zhi)電(dian)容(rong)和(he)電(dian)阻(zu),這(zhe)樣(yang),直(zhi)流(liu)紋(wen)波(bo)就(jiu)非(fei)常(chang)小(xiao)了(le)。
2.4充電機輸出采樣部分
采cai用yong可ke控kong矽gui作zuo為wei整zheng流liu器qi件jian的de直zhi流liu係xi統tong,對dui輸shu出chu的de控kong製zhi是shi通tong過guo改gai變bian可ke控kong矽gui的de移yi相xiang角jiao來lai實shi現xian的de,因yin而er需xu要yao有you采cai樣yang作zuo為wei反fan饋kui,因yin此ci,在zai濾lv波bo回hui路lu的de後hou麵mian,串chuan入ru一yi個ge電dian流liu傳感器,huoqushuchudianliucaiyang,bingruyigedianyachuanganqi,huoqudianyacaiyang。zaikongzhidianluzhong,zhuyaodeshuchutiaojiedianlushiyigebilijifendianlu,dianyacaiyanghedianliucaiyangkeyifenbiezuoweitadeyigeshurufenzhi,bilijifendianludeshuchuduanzhijieyumaichongchufadianludeyigekongzhiguanjiaoxianglian,zheyang,tongguoneibuluojihuiludeqiehuan,qingsongshixianchongdianjishuchudewenyahuowenliu。congerzaidianliuchuanganqihouduan,shuchudeyijingshiwendingdezhiliu。
2.5輸出負荷部分
圖中VD3的作用是一個逆阻二極管,防止外部電源倒灌充電機。二極管後邊的開關就是充電機輸出開關。從這裏出去的直流分為三路:一路去電池,一路去動力合閘母線,另一路為控製母線提供前級電源。
2.6調壓及母線采樣部分
通常,比如DC220V直流係統,所配備的蓄電池組,浮充電壓在243V以(yi)上(shang),對(dui)於(yu)大(da)多(duo)數(shu)控(kong)保(bao)護(hu)元(yuan)器(qi)件(jian),這(zhe)個(ge)電(dian)壓(ya)已(yi)經(jing)超(chao)出(chu)其(qi)額(e)定(ding)電(dian)壓(ya)範(fan)圍(wei)。因(yin)此(ci),在(zai)回(hui)路(lu)中(zhong)串(chuan)入(ru)一(yi)個(ge)調(tiao)壓(ya)裝(zhuang)置(zhi)。通(tong)過(guo)對(dui)矽(gui)鏈(lian)的(de)自(zi)動(dong)控(kong)製(zhi),調(tiao)整(zheng)控(kong)製(zhi)母(mu)線(xian)的(de)輸(shu)出(chu),使(shi)其(qi)穩(wen)定(ding)在(zai)220V輸(shu)出(chu)。給(gei)控(kong)製(zhi)負(fu)荷(he)提(ti)供(gong)安(an)全(quan)電(dian)源(yuan)。在(zai)控(kong)製(zhi)母(mu)線(xian)上(shang)也(ye)有(you)一(yi)個(ge)電(dian)壓(ya)采(cai)樣(yang),用(yong)來(lai)采(cai)集(ji)控(kong)製(zhi)母(mu)線(xian)電(dian)壓(ya)。一(yi)方(fang)麵(mian)給(gei)調(tiao)壓(ya)裝(zhuang)置(zhi)提(ti)供(gong)電(dian)壓(ya)反(fan)饋(kui),另(ling)一(yi)方(fang)麵(mian)為(wei)控(kong)製(zhi)母(mu)線(xian)的(de)電(dian)壓(ya)狀(zhuang)態(tai)監(jian)視(shi)提(ti)供(gong)比(bi)較(jiao)電(dian)位(wei)。
[page]
2.7電池采樣部分
在zai電dian池chi充chong電dian回hui路lu,串chuan有you一yi個ge電dian流liu傳chuan感gan器qi,並bing有you一yi個ge電dian壓ya傳chuan感gan器qi,電dian流liu傳chuan感gan器qi為wei電dian池chi的de充chong電dian電dian流liu控kong製zhi提ti供gong反fan饋kui,電dian壓ya傳chuan感gan器qi為wei電dian池chi的de充chong電dian電dian壓ya控kong製zhi提ti供gong反fan饋kui。
hezhamuxianweidonglifuhetigongdianyuan。yinci,fuheda,gongzuoshishunjianshuchudianliuda,xuyaozhijiecongxudianchitigongnengliang,yinci,donglifuheyibanzhijiehexudianchizuxianglian。
3 高頻模塊式充電機係統基本原理
高頻模塊式充電機係統基本原理如圖3所示。
圖 3 高頻模塊式充電機係統基本原理圖
由高頻模塊組成的充電係統,在係統原理上和相控充電機一樣。但是,他們還有以下幾方麵的區別。
⑴ 由(you)於(yu)高(gao)頻(pin)模(mo)塊(kuai)具(ju)有(you)良(liang)好(hao)的(de)輸(shu)入(ru)過(guo)欠(qian)壓(ya)和(he)輸(shu)出(chu)過(guo)欠(qian)壓(ya)保(bao)護(hu),而(er)且(qie)具(ju)有(you)良(liang)好(hao)的(de)限(xian)流(liu)功(gong)能(neng),因(yin)此(ci),在(zai)輸(shu)入(ru)側(ce)和(he)輸(shu)出(chu)側(ce)不(bu)需(xu)另(ling)加(jia)熔(rong)斷(duan)器(qi)保(bao)護(hu)。由(you)於(yu)高(gao)頻(pin)模(mo)塊(kuai)本(ben)身(shen)具(ju)有(you)電(dian)壓(ya)電(dian)流(liu)顯(xian)示(shi)功(gong)能(neng),而(er)且(qie)監(jian)控(kong)器(qi)也(ye)可(ke)以(yi)顯(xian)示(shi)係(xi)統(tong)中(zhong)的(de)其(qi)他(ta)參(can)數(shu),因(yin)此(ci),在(zai)高(gao)頻(pin)係(xi)統(tong)中(zhong),相(xiang)控(kong)係(xi)統(tong)中(zhong)常(chang)用(yong)的(de)表(biao)記(ji)也(ye)可(ke)以(yi)省(sheng)略(lve)。
⑵ 在(zai)由(you)高(gao)頻(pin)模(mo)塊(kuai)組(zu)成(cheng)的(de)係(xi)統(tong)中(zhong),一(yi)般(ban)還(hai)需(xu)要(yao)配(pei)套(tao)監(jian)控(kong)器(qi),一(yi)方(fang)麵(mian)控(kong)製(zhi)高(gao)頻(pin)模(mo)塊(kuai)的(de)輸(shu)出(chu),另(ling)一(yi)方(fang)麵(mian),控(kong)製(zhi)多(duo)個(ge)模(mo)塊(kuai)的(de)並(bing)機(ji)工(gong)作(zuo),同(tong)時(shi)檢(jian)測(ce)整(zheng)個(ge)係(xi)統(tong)的(de)其(qi)他(ta)數(shu)據(ju)。監(jian)控(kong)器(qi)一(yi)方(fang)麵(mian)要(yao)和(he)高(gao)頻(pin)模(mo)塊(kuai)通(tong)訊(xun),另(ling)一(yi)方(fang)麵(mian)也(ye)可(ke)以(yi)和(he)其(qi)他(ta)設(she)備(bei)進(jin)行(xing)通(tong)訊(xun)。
⑶ gaopinmokuaixitongkeyiyouduogemokuaibingjigongzuo,rongyizuchengdaxingxitong。tongshi,juyoudaidianchabagongneng,weihufeichangfangbian。erqie,dangemokuaishijishangjiushiyigewanzhengdezhiliuxitong。
⑷ 高頻模塊的內部原理框圖如圖4所示。單個高頻模塊本身就是一個完整的直流係統。模塊輸出精度高,穩壓精度、穩流精度、紋波係數都能達到0.5%以下。而且,轉換效率高。高頻模塊內部采用高頻變壓器,體積非常小巧,省去了相控係統中笨重的隔離變壓器。
圖4高頻模塊內部原理框圖
4 結論
suizheshuzihuagaigedebuduanshenru,shuzihuachanpinyuelaiyuetuiguangpuji,shuzihuachanpinhuiyuelaiyueshoudaohuanying。erqie,suizhedagonglvgaopinmokuaidewenshi,gaopinchongdianjijiangyiqiwuyubinideyoushi,chengweizhiliudianyuanxitongdezhuliuchanpin。
- 直流係統基本原理探討
- 防止外部電源倒灌充電機
- 通過對矽鏈的自動控製,調整控製母線的輸出
1 引言
直(zhi)流(liu)充(chong)電(dian)機(ji)係(xi)統(tong)根(gen)據(ju)其(qi)整(zheng)流(liu)方(fang)式(shi)可(ke)以(yi)分(fen)成(cheng)相(xiang)控(kong)式(shi)充(chong)電(dian)機(ji)和(he)高(gao)頻(pin)模(mo)塊(kuai)式(shi)充(chong)電(dian)機(ji),二(er)者(zhe)各(ge)有(you)千(qian)秋(qiu)。相(xiang)控(kong)式(shi)充(chong)電(dian)機(ji)是(shi)一(yi)項(xiang)使(shi)用(yong)時(shi)間(jian)長(chang),技(ji)術(shu)非(fei)常(chang)成(cheng)熟(shu)的(de)產(chan)品(pin),其(qi)特(te)點(dian)是(shi)運(yun)行(xing)穩(wen)定(ding),輸(shu)出(chu)功(gong)率(lv)大(da),但(dan)是(shi)這(zhe)類(lei)充(chong)電(dian)機(ji)輸(shu)出(chu)精(jing)度(du)低(di),自(zi)動(dong)化(hua)程(cheng)度(du)低(di),許(xu)多(duo)參(can)數(shu)需(xu)要(yao)在(zai)平(ping)時(shi)運(yun)行(xing)過(guo)程(cheng)中(zhong)調(tiao)整(zheng)。高頻模塊組屏是九十年代發展起來的一項新技術,其特點是組屏簡單,輸出精度高,維護方便,自動化程度高。經過近二十年的發展,各方麵都在不斷完善,現在是一種日趨成熟的產品,而且應用日漸廣泛,初步取代相控式的地位。下麵就這兩類充電機的基本原理作一詳細介紹。
2 相控式充電機係統原理
相控式充電機係統原理圖如圖1所示。相控式充電機的核心技術包括觸發脈衝形成、可控矽整流、電感電容濾波、穩壓穩流、限流過流保護、過壓欠壓告警等。以下介紹相控式充電機係統各部分的工作過程。

圖1相控式充電機係統原理圖
三相市電380V交流,首先經過隔離變壓器。隔離變壓器有三個作用:首先,對可控矽的交流輸入進行降壓隔離;其次,產生同步電壓;然後,給後級控製回路提供輔助電源。根據脈衝觸發電路的不同,變壓器線圈繞接方式也有差異,有Y/△1,Y/△11等(deng)。從(cong)變(bian)壓(ya)器(qi)的(de)二(er)次(ci)輸(shu)出(chu)的(de)交(jiao)流(liu)電(dian)源(yuan),在(zai)進(jin)入(ru)可(ke)控(kong)矽(gui)之(zhi)前(qian),經(jing)過(guo)一(yi)次(ci)阻(zu)容(rong)吸(xi)收(shou),以(yi)吸(xi)收(shou)交(jiao)流(liu)尖(jian)峰(feng),從(cong)而(er)淨(jing)化(hua)輸(shu)入(ru)。在(zai)可(ke)控(kong)矽(gui)前(qian)級(ji),串(chuan)入(ru)三(san)個(ge)保(bao)護(hu)熔(rong)斷(duan)器(qi)。
2.2可控矽整流部分
隨著現代集成技術的發展,功率大、tijixiaodekekongguimokuaiqudaileyuanlaidedanyuankekonggui,yibanyigeqiaobishiyigekekongguimokuai,sangekekongguimokuaizuchengyigesanxiangquankongqiao,zaijiashangyigeyouxuliuerjiguanhegelierjiguanzuchengdeerjiguanmokuai,jiuzuchenglechongdianjidezhengliubufen(見圖2),虛線框內表示為一個模塊。照下麵的接線方式,可控矽的觸發順序為V1、V2、V3、V4、V5、V6。

圖2充電機的整流部分
2.3濾波部分
從(cong)可(ke)控(kong)矽(gui)整(zheng)流(liu)出(chu)來(lai)的(de)直(zhi)流(liu),波(bo)形(xing)並(bing)不(bu)是(shi)直(zhi)線(xian),還(hai)有(you)很(hen)多(duo)交(jiao)流(liu)成(cheng)分(fen),必(bi)須(xu)經(jing)過(guo)濾(lv)波(bo)。因(yin)此(ci),在(zai)後(hou)級(ji)串(chuan)入(ru)一(yi)個(ge)電(dian)感(gan),並(bing)且(qie)並(bing)上(shang)一(yi)隻(zhi)電(dian)容(rong)和(he)電(dian)阻(zu),這(zhe)樣(yang),直(zhi)流(liu)紋(wen)波(bo)就(jiu)非(fei)常(chang)小(xiao)了(le)。
2.4充電機輸出采樣部分
采cai用yong可ke控kong矽gui作zuo為wei整zheng流liu器qi件jian的de直zhi流liu係xi統tong,對dui輸shu出chu的de控kong製zhi是shi通tong過guo改gai變bian可ke控kong矽gui的de移yi相xiang角jiao來lai實shi現xian的de,因yin而er需xu要yao有you采cai樣yang作zuo為wei反fan饋kui,因yin此ci,在zai濾lv波bo回hui路lu的de後hou麵mian,串chuan入ru一yi個ge電dian流liu傳感器,huoqushuchudianliucaiyang,bingruyigedianyachuanganqi,huoqudianyacaiyang。zaikongzhidianluzhong,zhuyaodeshuchutiaojiedianlushiyigebilijifendianlu,dianyacaiyanghedianliucaiyangkeyifenbiezuoweitadeyigeshurufenzhi,bilijifendianludeshuchuduanzhijieyumaichongchufadianludeyigekongzhiguanjiaoxianglian,zheyang,tongguoneibuluojihuiludeqiehuan,qingsongshixianchongdianjishuchudewenyahuowenliu。congerzaidianliuchuanganqihouduan,shuchudeyijingshiwendingdezhiliu。
2.5輸出負荷部分
圖中VD3的作用是一個逆阻二極管,防止外部電源倒灌充電機。二極管後邊的開關就是充電機輸出開關。從這裏出去的直流分為三路:一路去電池,一路去動力合閘母線,另一路為控製母線提供前級電源。
2.6調壓及母線采樣部分
通常,比如DC220V直流係統,所配備的蓄電池組,浮充電壓在243V以(yi)上(shang),對(dui)於(yu)大(da)多(duo)數(shu)控(kong)保(bao)護(hu)元(yuan)器(qi)件(jian),這(zhe)個(ge)電(dian)壓(ya)已(yi)經(jing)超(chao)出(chu)其(qi)額(e)定(ding)電(dian)壓(ya)範(fan)圍(wei)。因(yin)此(ci),在(zai)回(hui)路(lu)中(zhong)串(chuan)入(ru)一(yi)個(ge)調(tiao)壓(ya)裝(zhuang)置(zhi)。通(tong)過(guo)對(dui)矽(gui)鏈(lian)的(de)自(zi)動(dong)控(kong)製(zhi),調(tiao)整(zheng)控(kong)製(zhi)母(mu)線(xian)的(de)輸(shu)出(chu),使(shi)其(qi)穩(wen)定(ding)在(zai)220V輸(shu)出(chu)。給(gei)控(kong)製(zhi)負(fu)荷(he)提(ti)供(gong)安(an)全(quan)電(dian)源(yuan)。在(zai)控(kong)製(zhi)母(mu)線(xian)上(shang)也(ye)有(you)一(yi)個(ge)電(dian)壓(ya)采(cai)樣(yang),用(yong)來(lai)采(cai)集(ji)控(kong)製(zhi)母(mu)線(xian)電(dian)壓(ya)。一(yi)方(fang)麵(mian)給(gei)調(tiao)壓(ya)裝(zhuang)置(zhi)提(ti)供(gong)電(dian)壓(ya)反(fan)饋(kui),另(ling)一(yi)方(fang)麵(mian)為(wei)控(kong)製(zhi)母(mu)線(xian)的(de)電(dian)壓(ya)狀(zhuang)態(tai)監(jian)視(shi)提(ti)供(gong)比(bi)較(jiao)電(dian)位(wei)。
[page]
2.7電池采樣部分
在zai電dian池chi充chong電dian回hui路lu,串chuan有you一yi個ge電dian流liu傳chuan感gan器qi,並bing有you一yi個ge電dian壓ya傳chuan感gan器qi,電dian流liu傳chuan感gan器qi為wei電dian池chi的de充chong電dian電dian流liu控kong製zhi提ti供gong反fan饋kui,電dian壓ya傳chuan感gan器qi為wei電dian池chi的de充chong電dian電dian壓ya控kong製zhi提ti供gong反fan饋kui。
hezhamuxianweidonglifuhetigongdianyuan。yinci,fuheda,gongzuoshishunjianshuchudianliuda,xuyaozhijiecongxudianchitigongnengliang,yinci,donglifuheyibanzhijiehexudianchizuxianglian。
3 高頻模塊式充電機係統基本原理
高頻模塊式充電機係統基本原理如圖3所示。

圖 3 高頻模塊式充電機係統基本原理圖
由高頻模塊組成的充電係統,在係統原理上和相控充電機一樣。但是,他們還有以下幾方麵的區別。
⑴ 由(you)於(yu)高(gao)頻(pin)模(mo)塊(kuai)具(ju)有(you)良(liang)好(hao)的(de)輸(shu)入(ru)過(guo)欠(qian)壓(ya)和(he)輸(shu)出(chu)過(guo)欠(qian)壓(ya)保(bao)護(hu),而(er)且(qie)具(ju)有(you)良(liang)好(hao)的(de)限(xian)流(liu)功(gong)能(neng),因(yin)此(ci),在(zai)輸(shu)入(ru)側(ce)和(he)輸(shu)出(chu)側(ce)不(bu)需(xu)另(ling)加(jia)熔(rong)斷(duan)器(qi)保(bao)護(hu)。由(you)於(yu)高(gao)頻(pin)模(mo)塊(kuai)本(ben)身(shen)具(ju)有(you)電(dian)壓(ya)電(dian)流(liu)顯(xian)示(shi)功(gong)能(neng),而(er)且(qie)監(jian)控(kong)器(qi)也(ye)可(ke)以(yi)顯(xian)示(shi)係(xi)統(tong)中(zhong)的(de)其(qi)他(ta)參(can)數(shu),因(yin)此(ci),在(zai)高(gao)頻(pin)係(xi)統(tong)中(zhong),相(xiang)控(kong)係(xi)統(tong)中(zhong)常(chang)用(yong)的(de)表(biao)記(ji)也(ye)可(ke)以(yi)省(sheng)略(lve)。
⑵ 在(zai)由(you)高(gao)頻(pin)模(mo)塊(kuai)組(zu)成(cheng)的(de)係(xi)統(tong)中(zhong),一(yi)般(ban)還(hai)需(xu)要(yao)配(pei)套(tao)監(jian)控(kong)器(qi),一(yi)方(fang)麵(mian)控(kong)製(zhi)高(gao)頻(pin)模(mo)塊(kuai)的(de)輸(shu)出(chu),另(ling)一(yi)方(fang)麵(mian),控(kong)製(zhi)多(duo)個(ge)模(mo)塊(kuai)的(de)並(bing)機(ji)工(gong)作(zuo),同(tong)時(shi)檢(jian)測(ce)整(zheng)個(ge)係(xi)統(tong)的(de)其(qi)他(ta)數(shu)據(ju)。監(jian)控(kong)器(qi)一(yi)方(fang)麵(mian)要(yao)和(he)高(gao)頻(pin)模(mo)塊(kuai)通(tong)訊(xun),另(ling)一(yi)方(fang)麵(mian)也(ye)可(ke)以(yi)和(he)其(qi)他(ta)設(she)備(bei)進(jin)行(xing)通(tong)訊(xun)。
⑶ gaopinmokuaixitongkeyiyouduogemokuaibingjigongzuo,rongyizuchengdaxingxitong。tongshi,juyoudaidianchabagongneng,weihufeichangfangbian。erqie,dangemokuaishijishangjiushiyigewanzhengdezhiliuxitong。
⑷ 高頻模塊的內部原理框圖如圖4所示。單個高頻模塊本身就是一個完整的直流係統。模塊輸出精度高,穩壓精度、穩流精度、紋波係數都能達到0.5%以下。而且,轉換效率高。高頻模塊內部采用高頻變壓器,體積非常小巧,省去了相控係統中笨重的隔離變壓器。

圖4高頻模塊內部原理框圖
suizheshuzihuagaigedebuduanshenru,shuzihuachanpinyuelaiyuetuiguangpuji,shuzihuachanpinhuiyuelaiyueshoudaohuanying。erqie,suizhedagonglvgaopinmokuaidewenshi,gaopinchongdianjijiangyiqiwuyubinideyoushi,chengweizhiliudianyuanxitongdezhuliuchanpin。
特別推薦
- 噪聲中提取真值!瑞盟科技推出MSA2240電流檢測芯片賦能多元高端測量場景
- 10MHz高頻運行!氮矽科技發布集成驅動GaN芯片,助力電源能效再攀新高
- 失真度僅0.002%!力芯微推出超低內阻、超低失真4PST模擬開關
- 一“芯”雙電!聖邦微電子發布雙輸出電源芯片,簡化AFE與音頻設計
- 一機適配萬端:金升陽推出1200W可編程電源,賦能高端裝備製造
技術文章更多>>
- 邊緣AI的發展為更智能、更可持續的技術鋪平道路
- 每台智能體PC,都是AI時代的新入口
- IAR作為Qt Group獨立BU攜兩項重磅汽車電子應用開發方案首秀北京車展
- 構建具有網絡彈性的嵌入式係統:來自行業領袖的洞見
- 數字化的線性穩壓器
技術白皮書下載更多>>
- 車規與基於V2X的車輛協同主動避撞技術展望
- 數字隔離助力新能源汽車安全隔離的新挑戰
- 汽車模塊拋負載的解決方案
- 車用連接器的安全創新應用
- Melexis Actuators Business Unit
- Position / Current Sensors - Triaxis Hall
熱門搜索




