抑製直流供電電源噪聲幹擾的濾波器方案設計
發布時間:2012-02-01
中心議題:
- 抑製直流供電電源噪聲幹擾的濾波器方案設計
解決方案:
- 雙探針測量技術
- 選擇合理的濾波器拓撲結構
本ben文wen采cai用yong電dian路lu測ce量liang的de方fang法fa設she計ji一yi款kuan通tong用yong濾lv波bo器qi,用yong來lai抑yi製zhi數shu字zi電dian路lu板ban給gei直zhi流liu供gong電dian電dian源yuan帶dai來lai的de噪zao聲sheng幹gan擾rao。本ben文wen介jie紹shao了le雙shuang探tan針zhen測ce量liang技ji術shu,使shi用yong雙shuang探tan針zhen法fa測ce量liang出chu直zhi流liu供gong電dian電dian源yuan和he印yin製zhi電dian路lu板ban在zai實shi際ji加jia電dian工gong作zuo中zhong的de阻zu抗kang,用yong測ce量liang出chu的de阻zu抗kang信xin息xi,選xuan擇ze出chu合he理li的de濾lv波bo器qi拓tuo撲pu結jie構gou,並bing通tong過guo計ji算suan確que定ding元yuan器qi件jian值zhi,而er並bing不bu需xu要yao反fan複fu做zuo實shi驗yan和he付fu出chu額e外wai的de代dai價jia。通過實際進行的測試,驗證了這種濾波器的有效性和可行性。
0 引言
為抑製電磁幹擾(EMI),通常在印製電路板(PCB)的輸入電源端放置EMI濾波器。在實際應用中,一個電子產品中的幾塊PCB板常共用一個直流供電電源,這樣造成一塊PCB上的噪聲幹擾到另外一塊PCB上的電路。使用電源濾波器可以抑製共用一路電源的PCB板間的耦合噪聲。
1 方案設計
設計PCB上的電源EMI濾波器時,要麼按照芯片資料的推薦電路來設計,要麼通過試驗來確定濾波器的布局和元器件值。但是對於一塊指定的PCB來說,沒有通用的方法來設計EMI濾波器,這樣就造成了設計時的困難。該文的目標是設計一種通用濾波器,但前提條件是PCB上的噪聲、阻抗和電源是已知的或是可求的。在已知噪聲和阻抗的情況下可以設計出最優的EMI濾波器。
為了測試這種設計,用線性電源(0~32V,5A)來給數字PCB供電。這樣選擇的線性電源不會引入高頻噪聲影響測試結果。直流輸入噪聲的時域和頻域圖如圖1所示。圖1中可以看出,頻率1MHz的噪聲最大,因此EMI濾波器要抑製頻率為1MHz的噪聲。

圖1 直流輸入噪聲的時域和頻域
EMI濾波器通常要削弱5次以上諧波來減少共用電源上其他電路引入的噪聲。然而如果測得的基礎噪聲頻率小於10MHz,設計時要濾掉9次諧波。
在該案例中,測的基礎噪聲主要在1MHz,測量帶寬是0~10MHz,包含9次諧波噪聲。PCB的供電電源輸出阻抗和直流輸入阻抗可用雙探針電路測量方法測出,這樣就可以設計出有效抑製EMI的濾波器。
[page]
1.1 雙探針測量法
圖2簡要地描述了雙探針測量供電電源輸出阻抗的基本理念。測量裝置如圖2(a)所示,供電電源串聯負載電阻R。2個探針分別接至矢量分析儀(VNA)(R&S ZVB8)的端口1和端口2上,並接入電路用於輸入和接收信號。正常工作時,供電電壓6V,輸出電流3mA.因此等效電路選取R=2kΩ。
為了減少電流負載引起的幹擾,把2個電流探針的等效電路接入電路。通過把雙探針接入電路反映出的阻抗特性,等效電路如圖2(b)所示。雙探針的阻抗分別為ZM1和ZM2,LW和rW為等效電感和電阻,VM1為VNA端口1的等效電壓。

圖2 雙探針測量阻抗裝置及等效電路
由圖2(b)知,環路電流為:

式中,Zsetup=ZR+ZM2+ZM1+rW+jωLW;ZX=ZPS。
環路中輸入信號的電壓為:

式中,M1為輸入探針與耦合環路的互感應係數;V1為VNA端口1的輸出電壓;Z1為端口1的輸出阻抗;ZP1為從端口1測得的探針阻抗。由接收探針測得的IW為:

這裏V2為VNA端口2接收電壓,ZT2為由是製造商給出的接收探針阻抗,將式(2)和式(3)代入式(1),可求出供電電源的阻抗為:

式中,
為頻率特性參數。
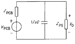
Zsetup和k的值可通過一個用已知電阻代替ZPS等效電路求得。由此ZPS可由式(4)求出,阻抗變化範圍20~120Ω。把PCB電路板代替ZPS接入圖3中,PCB的輸入阻抗為:
![]()
ZT為實測的PCB連續阻抗,得出ZPCB變化範圍200~600Ω。
[page]
1.2 選擇濾波器
第1步應選定濾波器拓撲結構。常用阻抗匹配的拓撲結構有4種,分別是並聯電容、串聯電感、L-C回路和C-L回路。ZPS和ZPCB的阻抗都在幾十歐至幾百歐間,若采用並聯電容拓撲結構,並聯電容的值要遠小於ZPS ||ZPCB的並聯電容,若采用串聯電感拓撲結構,串聯電感的值要遠大於ZPS+ZPCB的串聯電感,按並聯電容和串聯電感拓撲結構分別估算出C和L的值為:

由於電感的計算值為550μH,其體積遠大於電容的體積,因此選定並聯電容拓撲結構,等效電路如圖3所示。

圖3 並聯電容濾波器的等效電路
帶濾波器比不帶濾器時衰減值為:

由式(8)可以求出不同衰減對應的電容值。例如,在1MHz時衰減6dB,對應容值約為7nF。
1.3 驗證
選取一隻10nF電容並聯在PCB直流供電電源2端。測試結果如圖4所示。圖4(a)為噪聲頻域圖,頻率1MHz的噪聲輻度由24dB減少至18dB。圖4(b)為噪聲時域圖,均方根振幅由圖2(b)的11.03mV降到濾波後的4.98mV。

圖4 直流輸入噪聲的時域和頻域
選取一隻2.2nF電容並聯在PCB直流供電電源2端。頻率1M的噪聲輻度由24dB減少至22.8dB.
2 結束語
通過測試證明基於電路測量方法,抑製數字電路板對供電電源的噪聲幹擾的濾波器設計是有效的。需要設計抑製EMI濾波器時,都可以采用這種方法,計算出電源的輸出阻抗和數字電路板的輸入阻抗,得出的阻抗信息可以確定EMI濾波器的拓撲結構和元件值,而不需要額外的試驗和代價。
- 噪聲中提取真值!瑞盟科技推出MSA2240電流檢測芯片賦能多元高端測量場景
- 10MHz高頻運行!氮矽科技發布集成驅動GaN芯片,助力電源能效再攀新高
- 失真度僅0.002%!力芯微推出超低內阻、超低失真4PST模擬開關
- 一“芯”雙電!聖邦微電子發布雙輸出電源芯片,簡化AFE與音頻設計
- 一機適配萬端:金升陽推出1200W可編程電源,賦能高端裝備製造
- 邊緣AI的發展為更智能、更可持續的技術鋪平道路
- 每台智能體PC,都是AI時代的新入口
- IAR作為Qt Group獨立BU攜兩項重磅汽車電子應用開發方案首秀北京車展
- 構建具有網絡彈性的嵌入式係統:來自行業領袖的洞見
- 數字化的線性穩壓器
- 車規與基於V2X的車輛協同主動避撞技術展望
- 數字隔離助力新能源汽車安全隔離的新挑戰
- 汽車模塊拋負載的解決方案
- 車用連接器的安全創新應用
- Melexis Actuators Business Unit
- Position / Current Sensors - Triaxis Hall



