電壓型PWM逆變控製係統補償網絡的設計與實現
發布時間:2012-01-12
中心議題:
- 電壓型PWM逆變控製係統結構及原理
- 電壓型PWM逆變控製係統的分析和設計
解決方案:
- 加入補償網絡
電壓型單環回路控製簡單,在各個領域應用最為廣泛。應用於小功率開關dianyuanshi,buchangwangluokeyijiandandiyongfenyafankuiyujizhunfangdabijiaolaishixian。erzaidagonglvdianluzhongxiaozhengdenanduhenda,jingdubuzu。muqianjinmanzuyufanfutiaoshi,feishifeili。benwenjiuzhegewentizuoyitantao。
1、電壓型PWM逆變控製係統結構及原理
逆變控製係統的最終輸出可以是直流電壓、交流電壓、直流電流、交流電流、頻(pin)率(lv)或(huo)功(gong)率(lv),在(zai)輸(shu)出(chu)部(bu)分(fen)需(xu)進(jin)行(xing)濾(lv)波(bo)。大(da)多(duo)數(shu)逆(ni)變(bian)係(xi)統(tong)輸(shu)出(chu)是(shi)直(zhi)流(liu)電(dian)壓(ya),也(ye)就(jiu)是(shi)說(shuo),係(xi)統(tong)輸(shu)出(chu)和(he)調(tiao)節(jie)的(de)是(shi)直(zhi)流(liu)電(dian)壓(ya)量(liang),當(dang)然(ran)逆(ni)變(bian)變(bian)壓(ya)器(qi)副(fu)邊(bian)還(hai)有(you)整(zheng)流(liu)電(dian)路(lu)。脈(mai)寬(kuan)調(tiao)製(zhi)(PWM)型開關穩壓電源就是隻對輸出電壓進行采樣,實行閉環控製,這種控製方式屬電壓控製型,是一種單環控製係統。
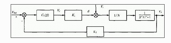
對於這些係統,其反饋量就是輸出電壓的一定比例值,用給定電壓與反饋電壓的誤差信號來調節PWM脈衝的寬度,我們通常把這種逆變控製係統稱作電壓型PWM控製係統。對於大部分電壓型PWM逆變控製係統,不論是直流輸出還是交流輸出,其控製係統的結構框圖都可以統一地畫成如圖1所示的形式。

圖1電壓型PWM逆變控製係統結構框圖

圖2電壓型PWM逆變控製係統
該逆變係統的開環傳遞函數G(S)H(S)由下式給出:

其最大缺點是:控製過程中電源電路內的電流值沒有參與進去。
眾所周知,開關電源的輸出電流是要流經電感的,故對於電壓信號有90度(du)的(de)相(xiang)位(wei)延(yan)遲(chi),然(ran)而(er)對(dui)於(yu)穩(wen)壓(ya)電(dian)源(yuan)來(lai)說(shuo),應(ying)當(dang)考(kao)慮(lv)電(dian)流(liu)的(de)大(da)小(xiao),以(yi)適(shi)應(ying)輸(shu)出(chu)電(dian)壓(ya)的(de)變(bian)化(hua)和(he)負(fu)載(zai)的(de)需(xu)求(qiu),從(cong)而(er)達(da)到(dao)穩(wen)定(ding)輸(shu)出(chu)電(dian)壓(ya)的(de)目(mu)的(de),因(yin)此(ci)僅(jin)采(cai)用(yong)輸(shu)出(chu)電(dian)壓(ya)采(cai)樣(yang)的(de)方(fang)法(fa),其(qi)響(xiang)應(ying)速(su)度(du)慢(man),穩(wen)定(ding)性(xing)差(cha),甚(shen)至(zhi)在(zai)大(da)信(xin)號(hao)變(bian)化(hua)時(shi),會(hui)產(chan)生(sheng)振(zhen)蕩(dang),造(zao)成(cheng)功(gong)率(lv)管(guan)損(sun)壞(huai)等(deng)故(gu)障(zhang)。
[page]
2、係統的分析和設計
誤差放大器(或調節器)若是比例環節,式(6.12)和(6.13)都是二階的,即係統是二階係統。二階係統是一個有條件的穩定係統。另外,由於輸出濾波參數LC一般比較大,頻率參數
比較低。所以,係統在中頻段是以-40dB/dec的斜率穿過L(ω)=0這條線.在這個係統中,即使采用PI調節器,也隻是為了減小穩態誤差。所以,零點也很低,中頻段仍然以-40dB/dec的斜率穿越零線,如圖3所示。

圖3電壓型PWM逆變控製係統幅頻特性曲線
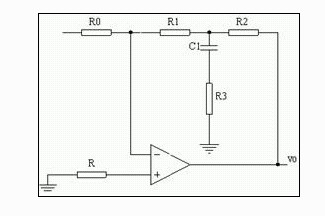
為了使係統滿足穩態性能、動態性能和穩定性的要求,就要使在該係統中就要進行校正。顯然,在中頻段,加一個串聯的超前校正環節(有源或無源)如圖4,就能使其開環幅頻特性的低、中、高頻段都能滿足要求,如圖4所示。

圖4校正網絡
3、加入補償網絡
分壓反饋處,由於電感電壓滯後,所以在反饋處將R1兩端並聯一條電阻和電容的支路,通過電容電壓的超前從而使反饋能瞬時反映出輸出電壓的變化。由於R1,R2的比值很大,通過在R2的兩端並聯一個電容來感應輸出的微弱變化。

其幅頻特性曲線如下:

加校正環節的電壓型PWM逆變控製係統幅頻特性曲線。

- 噪聲中提取真值!瑞盟科技推出MSA2240電流檢測芯片賦能多元高端測量場景
- 10MHz高頻運行!氮矽科技發布集成驅動GaN芯片,助力電源能效再攀新高
- 失真度僅0.002%!力芯微推出超低內阻、超低失真4PST模擬開關
- 一“芯”雙電!聖邦微電子發布雙輸出電源芯片,簡化AFE與音頻設計
- 一機適配萬端:金升陽推出1200W可編程電源,賦能高端裝備製造
- 貿澤EIT係列新一期,探索AI如何重塑日常科技與用戶體驗
- 算力爆發遇上電源革新,大聯大世平集團攜手晶豐明源線上研討會解鎖應用落地
- 創新不止,創芯不已:第六屆ICDIA創芯展8月南京盛大啟幕!
- AI時代,為什麼存儲基礎設施的可靠性決定數據中心的經濟效益
- 矽典微ONELAB開發係列:為毫米波算法開發者打造的全棧工具鏈
- 車規與基於V2X的車輛協同主動避撞技術展望
- 數字隔離助力新能源汽車安全隔離的新挑戰
- 汽車模塊拋負載的解決方案
- 車用連接器的安全創新應用
- Melexis Actuators Business Unit
- Position / Current Sensors - Triaxis Hall




