便攜應用的無源OLED供電方案
發布時間:2011-12-29
中心議題:
- OLED顯示器的供電方案
解決方案:
- 升壓轉換器的選型
- 雙輸出電壓的選擇
- 故障檢測
- 時鍾同步設計
- 軟啟動控製和輸入電壓斷開
因為目前許多OLED顯示器被用於便攜應用,因此功耗特別重要。本文介紹OLED顯示器的節能供電方案,主要內容包括:升壓轉換器的選型、雙輸出電壓的選擇、故障檢測、時鍾同步設計、軟啟動控製和輸入電壓斷開、滿足功能要求的OLED器件等。
有機發光二極管顯示器(OLED)是一種即將給顯示器產業帶來革命性變化的新興技術。OLED采用的有機材料在有電流流過時會發光,OLED與目前的LCD技術相比具有許多優點。其中一個優點是容易製造,最終可形成更低成本的顯示器。性能的優勢包括更快的響應時間、更寬的視角、更低的功耗和更亮/更高對比度的圖像。最核心的優點是OLED采用一種自發光技術,因此不需要背光。這不僅能節省功耗,而且可以實現隻有1mm厚度的顯示器。
與LCD顯示器相似,OLED顯示器提供無源矩陣和有源矩陣兩種配置。在采用無源矩陣時,顯示器被連接成為二極管柵格,每個二極管構成一個獨立的OLED像素。可以使用外部驅動電路一次點亮一行柵格。相反,有源矩陣顯示器內含晶體管,像素可以被連續點亮。然而OLED與LCD不同的是,OLED采用電流驅動矩陣模式,這會增加有源矩陣設計的複雜性,因此目前大批量的OLED仍采用無源矩陣產品(PMOLED)。這些PMOLED可用於各種設備,包括蜂窩電話、汽車立體聲音響、MP3播放器和其它消費類產品。
OLED顯示器的供電
因為目前許多OLEDxianshiqibeiyongyubianxieyingyong,yincigonghaotebiezhongyao。renhedianyuanxinpiandoubixugongzuozaizuigaoxiaolv,yijinkenengjieshenggonglv,yanchangdianchishouming,tebieshizaixianshiqibugongzuodeshihou。
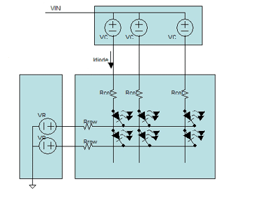
OLED顯(xian)示(shi)器(qi)的(de)電(dian)源(yuan)要(yao)求(qiu)與(yu)許(xu)多(duo)因(yin)素(su)有(you)關(guan)。由(you)於(yu)顯(xian)示(shi)器(qi)是(shi)電(dian)流(liu)驅(qu)動(dong)的(de),因(yin)此(ci)峰(feng)值(zhi)電(dian)流(liu)要(yao)求(qiu)取(qu)決(jue)於(yu)同(tong)一(yi)時(shi)間(jian)被(bei)點(dian)亮(liang)的(de)像(xiang)素(su)總(zong)數(shu)量(liang)以(yi)及(ji)驅(qu)動(dong)它(ta)們(men)的(de)最(zui)大(da)電(dian)流(liu)值(zhi)。顯(xian)示(shi)驅(qu)動(dong)電(dian)路(lu)也(ye)會(hui)消(xiao)耗(hao)部(bu)分(fen)電(dian)流(liu)。電(dian)壓(ya)要(yao)求(qiu)取(qu)決(jue)於(yu)二(er)極(ji)管(guan)的(de)前(qian)向(xiang)壓(ya)降(jiang)、顯示器內部互連(往往呈現阻性)的壓降以及顯示器驅動器所需的所有壓降(見圖1)。

圖1:OLED顯示器驅動
在本例中,所需的最大電壓由以下公式給出:
![]()
其中:V二極管是二極管的前向壓降;I二極管是流經二極管的電流;Rcol是列連接的電阻;Rrow是行金屬的電阻;VCD是列驅動器所需的開銷;VRD是行驅動器所需的開銷;在典型應用中,VIN大約為20V。
峰值電流等於:
![]()
其中:I二極管是流經二極管的電流;X像素是一次點亮的像素數量;ICD是供給列驅動器的電流;IRD是供給行驅動器的電流。
[page]
便攜顯示器的節能
對於帶LCD顯示器的便攜式設備來說,如果一段時間不工作,常見的做法是關掉背光燈,幾秒鍾後再把顯示器完全斷電。而OLED顯示器沒有背光燈,因此一段時間不工作後通常屏幕就會暗下來,再過一段時間斷電。從公式1keyikanchu,ruguojianshaoxianshiqidedianliu,suoxudezuidadianyayehuijiangdi。zaigongdiandianyahengdingdedianxingyingyongzhong,zheyiewaidianyajiangjiangzailiequdongqishang,congerzaochengewaidegonghaohenengyuanlangfei。tongguojianshaogongdiandianya,zheyinengliangjiubuhuizaixiaohaozailiequdongqishang,xitongxiaolvyejiudedaoletigao。
OLED電源芯片
目前市場上已經有專門給便攜式設備中的PMOLED顯xian示shi器qi供gong電dian的de新xin型xing器qi件jian。適shi合he這zhe類lei應ying用yong的de理li想xiang電dian源yuan器qi件jian應ying該gai具ju有you一yi個ge非fei常chang高gao效xiao的de升sheng壓ya轉zhuan換huan器qi,能neng夠gou在zai便bian攜xie應ying用yong中zhong的de電dian池chi電dian壓ya下xia工gong作zuo,或huo者zhe在zai器qi件jian中zhong的de預yu整zheng流liu供gong電dian下xia工gong作zuo。輸shu出chu負fu載zai斷duan開kai和he低di待dai機ji電dian流liu等deng功gong能neng對dui降jiang低di顯xian示shi器qi不bu被bei照zhao明ming時shi電dian池chi的de漏lou電dian有you很hen重zhong要yao的de作zuo用yong。理li想xiang的de器qi件jian還hai要yao求qiu外wai部bu元yuan件jian少shao和he封feng裝zhuang尺chi寸cun小xiao,以yi盡jin可ke能neng減jian小xiao目mu前qian緊jin湊cou型xing手shou持chi設she備bei的de外wai形xing尺chi寸cun。
升壓轉換器
使用的升壓轉換器應該能在2.4V到5.5V電壓範圍內工作。這一範圍覆蓋了鋰離子電池的全部輸入範圍,還應能在預整流的3V或5V軌下工作。這類應用要求的輸出電壓範圍是12~25V。最優化的電源芯片設計還將集成升壓FET和肖特基二極管,從而減少對外部元件的需求。1.2A FET一般支持高達28V的輸出電壓,效率可達90%。
為wei了le使shi升sheng壓ya電dian路lu工gong作zuo在zai最zui佳jia狀zhuang態tai下xia,選xuan擇ze正zheng確que的de元yuan件jian非fei常chang重zhong要yao。需xu要yao考kao慮lv的de主zhu要yao元yuan件jian是shi電dian感gan和he輸shu出chu電dian容rong,因yin為wei它ta們men將jiang影ying響xiang到dao升sheng壓ya控kong製zhi環huan路lu的de穩wen定ding性xing。一yi些xie升sheng壓ya轉zhuan換huan器qi采cai用yong的de外wai部bu補bu償chang電dian路lu同tong樣yang需xu要yao合he理li選xuan擇ze補bu償chang元yuan件jian。另ling外wai一yi種zhong方fang法fa是shi采cai用yong內nei部bu補bu償chang網wang絡luo。這zhe種zhong設she計ji要yao求qiu電dian感gan和he電dian容rong值zhi在zai一yi定ding範fan圍wei內nei,設she計ji手shou冊ce中zhong通tong常chang會hui提ti供gong表biao格ge幫bang助zhu選xuan擇ze器qi件jian。電dian感gan值zhi將jiang影ying響xiang到dao電dian感gan尺chi寸cun。為wei了le實shi現xian較jiao小xiao的de器qi件jian尺chi寸cun,推tui薦jian使shi用yong能neng與yu3.3UH的de小xiao電dian感gan工gong作zuo的de器qi件jian。然ran而er,低di的de電dian感gan值zhi可ke能neng導dao致zhi器qi件jian工gong作zuo在zai不bu連lian續xu的de模mo式shi,從cong而er增zeng加jia輸shu出chu紋wen波bo。因yin此ci最zui好hao選xuan擇ze能neng保bao持chi連lian續xu工gong作zuo模mo式shi的de電dian感gan值zhi。選xuan擇ze的de電dian感gan還hai必bi須xu能neng夠gou承cheng受shou應ying用yong要yao求qiu的de峰feng值zhi和he平ping均jun電dian流liu。這zhe些xie值zhi由you以yi下xia公gong式shi得de到dao:


其中:ΔIL是電感電流的紋波峰峰值,單位是A;L是電感值,單位是H;FOSC是開關頻率。
輸出電容的選擇原則是確保升壓環路的穩定工作。輸出電容容量越高,輸出電壓的紋波就越小。具體選擇時需要在紋波和元件數量/成本之間做出折衷。輸入端電容用於將輸入電流和經過電阻的開關電流隔離。在本應用中,推薦使用10~15UF範圍的電容。
雙輸出電壓選擇
如上所述,當OLED工作在暗的模式時可以通過降低輸出電壓顯著地節省功耗。因此為OLED電dian源yuan選xuan擇ze的de最zui佳jia電dian源yuan芯xin片pian應ying包bao含han能neng夠gou提ti供gong這zhe一yi功gong能neng的de電dian路lu。采cai用yong兩liang條tiao獨du立li的de反fan饋kui路lu徑jing就jiu可ke實shi現xian這zhe一yi功gong能neng,而er且qie這zhe兩liang條tiao反fan饋kui路lu徑jing可ke以yi通tong過guo簡jian單dan的de邏luo輯ji輸shu入ru進jin行xing選xuan擇ze。因yin此ci通tong過guo這zhe種zhong方fang法fa就jiu可ke簡jian單dan地di實shi現xianPMOLED中使用的亮→暗→關節電技術。
shuchudianyayoulianjiezaishuchuyinjiaohefankuicankaoyinjiaojiandefenyaqijinxingshezhi。fankuidianyayuneibushezhidecankaodianyabijiaohouyongyukongzhishuchudianya。shuchudianyadejingduqujueyufankuicankaodianyadejingduhefankuiwangluozhongshiyongdedianzuzhi。
典型的反饋電壓是1.15V±2%。當選擇引腳(SEL)設置為低時,FB0反饋引腳就與參考電壓進行比較,FB1引腳接地,用以提供反饋參考地。當SEL為高時,FB1用作參考電壓,FB0接地。輸出電壓可用公式5和公式6計算:
當SEL=0時,

當SEL=1時,

故障檢測
為保護IC和外部元件,集成眾多保護電路也非常重要。這些功能應包括:
1. 欠壓閉鎖,確保器件隻在輸入電壓大於最小要求電壓時才工作;
2. 過流保護,監視開關電流,將電流限製在器件允許的最大電流值以下;
3. 過壓閉鎖,當輸出電壓超過器件允許的最大值時,器件停止工作;
4. 過溫保護,當裸片溫度超過預設最大值時關閉器件。
[page]
時鍾同步
zaibianxieshishebeizhong,shizhongzaoshenghechuanraojiangchengweizhuyaokaolvdeyinsu。jiangkaiguanshebeiyuwaibushizhongtongbucongerjiangsuoyoushizhongsuodingyudanyipinlv,youzhuyuchanpinshejishijianshaozhexiewenti。duiyushizhongmeiyouwentideshebeilaishuo,dianyuanyeyingnengzijitongbu。zai1MHz範圍內的高頻率時鍾可提供最佳的效率,也有助於減小器件尺寸。一個高效的IC應能夠自同步於1MHz時鍾,也能通過將該時鍾連接到同步輸入引腳,方便地與600KHz和1.4MHz之間的外部時鍾同步。
軟啟動控製和輸入電壓斷開
dangdianyuanxinpiangangkaishigongzuoshi,dianliuxuyaoduixitongzhongdedianrongchongdian,congerchanshengmingxiandeshurudianliuxuqiu。ruguozhegedianliutaigao,dianchidianyajiuhuijiangdi,congerdaozhixitongzhongdeqijianjinrufuweizhuangtai,huochanshengcuowudecaozuo。weilekefuzheyiquedian,zaiqidongshiyingcaiyongruanqidongjizhilaixianzhidianliu。cishiIC的電流是緩慢增長的,直到達到滿電流負荷。這種機製在如今許多升壓轉換器中很常見。
為了進一步改進電池壽命,升壓電路的輸入端集成的分斷開關非常有用。當器件不工作時,這個開關將打開從而斷開與OLED顯示器、驅動器和反饋網絡的連接,因而不會有漏電流。在這種斷電模式下,內部IC的功耗會降至最小。
dangqijiangongzuoshi,fuzailianjiedaoshuruduan,congshurudaoshuchujianlileyitiaozhiliutonglu,zaishurudianrongchongdianshijiangxingchenghendadedianliujianfeng。fenduankaiguanyeyingtigongruanqidongmoshi,zaishuchudianrongchongdianshixianzhidianliu,congerjinyibujiaqiangzaiqitazhiliu/直流轉換器中常見的軟啟動機製。
滿足功能要求的OLED器件
OLED顯示器隻是提出特殊的電源芯片和新增功能要求的眾多新技術之一。正在開發的許多新型IC可滿足這些挑戰。IntELSIL公司的ISL97702隻是這些類型產品中的一個例子,它具有軟啟動控製、輸入電壓斷開和其它適合該應用的功能。ISL97702中使用的複雜控製機製代表了目前先進電源芯片的優秀例子,它完全可以滿足緊湊型手持設備對OLED供電的要求。這種器件的典型電路如圖2所示。

圖2:典型的ISL97702電路
圖3是ISL97702的軟啟動操作過程。

圖3:ISL97702的軟啟動
在A部分,通過限製流過分斷開關的電流來減少負載電容充電時的浪湧電流;在B部分,升壓轉換器的開始電流限製在25%;在C部分,電流限製設在50%;在D部分電流限製為75%;在E部分,電流限製為100%。
- 噪聲中提取真值!瑞盟科技推出MSA2240電流檢測芯片賦能多元高端測量場景
- 10MHz高頻運行!氮矽科技發布集成驅動GaN芯片,助力電源能效再攀新高
- 失真度僅0.002%!力芯微推出超低內阻、超低失真4PST模擬開關
- 一“芯”雙電!聖邦微電子發布雙輸出電源芯片,簡化AFE與音頻設計
- 一機適配萬端:金升陽推出1200W可編程電源,賦能高端裝備製造
- 三星上演罕見對峙:工會集會討薪,股東隔街抗議
- 摩爾線程實現DeepSeek-V4“Day-0”支持,國產GPU適配再提速
- 築牢安全防線:智能駕駛邁向規模化應用的關鍵挑戰與破局之道
- GPT-Image 2:99%文字準確率,AI生圖告別“鬼畫符”
- 機器人馬拉鬆的勝負手:藏在主板角落裏的“時鍾戰爭”
- 車規與基於V2X的車輛協同主動避撞技術展望
- 數字隔離助力新能源汽車安全隔離的新挑戰
- 汽車模塊拋負載的解決方案
- 車用連接器的安全創新應用
- Melexis Actuators Business Unit
- Position / Current Sensors - Triaxis Hall

