單相正弦脈寬調製逆變器的設計
發布時間:2011-12-29
中心議題:
0 引言
當鐵路、冶(ye)金(jin)等(deng)行(xing)業(ye)的(de)一(yi)些(xie)大(da)功(gong)率(lv)非(fei)線(xian)性(xing)用(yong)電(dian)設(she)備(bei)運(yun)行(xing)時(shi),將(jiang)給(gei)電(dian)網(wang)注(zhu)入(ru)大(da)量(liang)的(de)諧(xie)波(bo),導(dao)致(zhi)電(dian)網(wang)電(dian)壓(ya)波(bo)形(xing)畸(ji)變(bian)。根(gen)據(ju)我(wo)們(men)的(de)實(shi)驗(yan)觀(guan)察(cha),在(zai)發(fa)生(sheng)嚴(yan)重(zhong)畸(ji)變(bian)時(shi),電(dian)壓(ya)會(hui)出(chu)現(xian)正(zheng)負(fu)半(ban)波(bo)不(bu)對(dui)稱(cheng),頻(pin)率(lv)也(ye)會(hui)發(fa)生(sheng)變(bian)化(hua)。這(zhe)樣(yang)的(de)供(gong)電(dian)電(dian)壓(ya)波(bo)形(xing),即(ji)使(shi)是(shi)一(yi)般(ban)的(de)電(dian)力(li)用(yong)戶(hu),也(ye)難(nan)以(yi)接(jie)受(shou),更(geng)無(wu)法(fa)用(yong)其(qi)作(zuo)為(wei)檢(jian)修(xiu)、測試的電源。同時,在這種情況下,一般的穩壓電源也難以達到滿意的穩壓效果。為此,我們設計了該逆變電源。其控製電路采用了2片集成脈寬調製電路芯片SG3524,一片用來產生PWM波,另一片與正弦函數發生芯片ICL8038做適當的連接來產生SPWM波。集成芯片比分立元器件控製電路具有更簡單、更可靠的特點和易於調試的優點。
1 係統結構及框圖
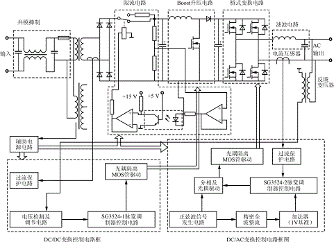
圖1示出了係統主電路和控製電路框圖。交流輸入電壓經過共模抑製環節後,再經工頻變壓器降壓,然後整流得到一個直流電壓,此電壓經過Boost電路進行升壓,在直流環上得到一個符合要求的直流電壓350V(50Hz/220V交流輸出時)。DC/AC變換采用全橋變換電路。為保證係統可靠運行,防止主電路對控製電路的幹擾,采用主、控(kong)電(dian)路(lu)完(wan)全(quan)隔(ge)離(li)的(de)方(fang)法(fa),即(ji)驅(qu)動(dong)信(xin)號(hao)用(yong)光(guang)耦(ou)隔(ge)離(li),反(fan)饋(kui)信(xin)號(hao)用(yong)變(bian)壓(ya)器(qi)隔(ge)離(li),輔(fu)助(zhu)電(dian)源(yuan)用(yong)變(bian)壓(ya)器(qi)隔(ge)離(li)。過(guo)流(liu)保(bao)護(hu)電(dian)路(lu)采(cai)用(yong)電(dian)流(liu)互(hu)感(gan)器(qi)作(zuo)為(wei)電(dian)流(liu)檢(jian)測(ce)元(yuan)件(jian),其(qi)具(ju)有(you)足(zu)夠(gou)快(kuai)的(de)響(xiang)應(ying)速(su)度(du),能(neng)夠(gou)在(zai)MOS管允許的過流時間內將其關斷。
2 控製及保護電路
為了降低成本,使用兩塊集成PWM脈衝產生芯片SG3524和一塊函數芯片ICL8038,使得控製電路簡潔,易於調試。
2.1 SG3524的功能及引腳
圖2所示為SG3524的結構框圖和引腳圖。
SG3524工作過程是這樣的:
直流電源Vs從腳15接入後分兩路,一路加到或非門;另一路送到基準電壓穩壓器的輸入端,產生穩定的+5V基準電壓。+5V再送到內部(或外部)電路的其他元器件作為電源。
[page]
振蕩器腳7須外接電容CT,腳6須外接電阻RT。振蕩器頻率f由外接電阻RT和電容CT決定,f=1.18/RTCT。本設計將Boost電路的開關頻率定為10kHz,取CT=0.22μF,RT=5kΩ;逆變橋開關頻率定為5kHz,取CT=0.22μF,RT=10kΩ。振蕩器的輸出分為兩路,一路以時鍾脈衝形式送至雙穩態觸發器及兩個或非門;另一路以鋸齒波形式送至比較器的同相端,比較器的反向端接誤差放大器的輸出。
誤差放大器實際上是個差分放大器,腳1為其反向輸入端;腳2為其同相輸入端。通常,一個輸入端連到腳16的基準電壓的分壓電阻上(應取得2.5V的電壓),另一個輸入端接控製反饋信號電壓。本係統電路圖中,在DC/DC變換部分,SG3524-1芯片的腳1接控製反饋信號電壓,腳2接jie在zai基ji準zhun電dian壓ya的de分fen壓ya電dian阻zu上shang。誤wu差cha放fang大da器qi的de輸shu出chu與yu鋸ju齒chi波bo電dian壓ya在zai比bi較jiao器qi中zhong進jin行xing比bi較jiao,從cong而er在zai比bi較jiao器qi的de輸shu出chu端duan出chu現xian一yi個ge隨sui誤wu差cha放fang大da器qi輸shu出chu電dian壓ya高gao低di而er改gai變bian寬kuan度du的de方fang波bo脈mai衝chong,再zai將jiang此ci方fang波bo脈mai衝chong送song到dao或huo非fei門men的de一yi個ge輸shu入ru端duan。或huo非fei門men的de另ling兩liang個ge輸shu入ru端duan分fen別bie為wei雙shuang穩wen態tai觸chu發fa器qi和he振zhen蕩dang器qi鋸ju齒chi波bo。雙shuang穩wen態tai觸chu發fa器qi的de兩liang個ge輸shu出chu端duan互hu補bu,交jiao替ti輸shu出chu高gao低di電dian平ping,其qi作zuo用yong是shi將jiangPWM脈衝交替送至兩個三極管V1及V2的基極,鋸齒波的作用是加入了死區時間,保證V1及V2兩個三極管不可能同時導通。最後,晶體管V1及V2分別輸出脈衝寬度調製波,兩者相位相差180°。當V1及V2並聯應用時,其輸出脈衝的占空比為0%~90%;當V1及V2分開使用時,輸出脈衝的占空比為0%~45%,脈衝頻率為振蕩器頻率的1/2,在本係統電路圖(圖1)中,兩塊SG3524都為並聯使用。當腳10加高電平時,可實現對輸出脈衝的封鎖,進行過流保護。
2.2 利用SG3524生成SPWM信號
按照上述SG3524的工作原理,要得到SPWM波,必須得有一個幅值在1~3.5V,按正弦規律變化的饅頭波,將它加到SG3524-2內部,並與鋸齒波比較,就可得到正弦脈寬調製波。我們設計的控製電路框圖,以及實際電路各點的波形,如圖3所示。
正弦波電壓ua由函數發生器ICL8038產生。ICL8038引腳和具體的接法如圖4所示。正弦波的頻率由R1,R2和C來決定,f=,為了調試方便,我們將R1及R2都用可調電阻,R2和R是用來調整正弦波失真度用的。在實驗中我們測得當f=50Hz時,R1+R2=9.7kΩ,其中C=0.22μF。正弦波信號產生後,一路經過精密全波整流,得到饅頭波uc,另一路經過比較器得到與正弦波同頻率,同相位的方波ub。uc與1V基準經過加法器後得到ud,ud輸入到SG3524-2的腳1,腳2與腳9相連,這樣ud和鋸齒波將在SG3524-2內部的比較器進行比較產生SPWM波ue。分相電路用一塊二輸入與門74LS08和一塊單輸入非門74LS05所組成。ub和ue加到分相電路後就可以得到驅動信號uf和ug,再將uf和ug加到MOS管驅動電路的光耦原邊,就可以實現正弦脈寬調製。
2.3 驅動電路設計
設計的驅動電路如圖5所示,它由驅動脈衝放大和5V基準兩部分組成。脈衝放大包括光耦Vo1,R1和R2,中間級的VT1,推挽輸出電路VT2和VT3,對高頻幹擾信號進行濾波的C1;5V基準部分包括R4,VZ1和C2,它既為MOS管提供-5V的偏置電壓,又為輸入光耦提供副邊電源。其工作原理是:
1)當光耦原邊有控製電路的驅動脈衝電流流過時,光耦導通,使VT1基極電位迅速下降,VT1截止,導致VT2導通,VT3截止,電源通過VT2,柵極電阻R5,使MOS管導通;
[page]
2)當光耦原邊無控製電路的驅動脈衝電流流過時,光耦不導通,使VT1基極電位上升,VT1導通,導致VT3導通,VT2截止,MOS管柵極電荷通過VT3,柵極電阻R5迅速放電,-5V偏置電壓使之可靠地關斷;
3)電阻R5和穩壓管VZ2,VZ3用以保護MOS管柵極不被過高的正、反向電壓所損壞;
4)光耦Vo1采用組合光敏管型光耦6N136,具有光敏二極管響應速度快,線性特性好,電流傳輸大的優點,能滿足實驗的要求。
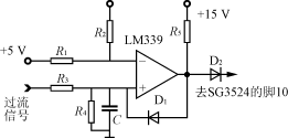
2.4 過流保護電路
過流保護是利用SG3524的腳10加高電平封鎖脈衝輸出的功能。當腳10為高電平時,SG3524的腳11及腳14上輸出的脈寬調製脈衝就會立即消失而成為零。過流信號取自電流互感器(對SG3524-1芯片串接在工頻變壓器的副邊,對SG3524-2芯片串接在濾波電路前),經整流後得到電流信號加至如圖6所示過流保護電路上。過流信號加至電壓比較器LM339的同相端。當過流信號使同相端電平比反相端參考電平高時,比較器將輸出高電平,則二極管D2jiangcongyuanlaidefanxiangpianzhizhuangtaizhuanbianweizhengxiangdaotong,bingbatongxiangduandianweitishengweigaodianping,zheyibianhuajiangshidedianyabijiaoqiyizhiwendingshuchugaodianpingfengsuomaichong,zeBoost電路停止工作,在正常狀態下,比較器輸出零電平,不影響Boost電路工作。
圖6 過流保護電路
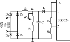
2.5 反饋調壓電路
反饋調壓電路圖如圖7所示。當逆變器正常工作時,逆變器的輸出信號接反饋變壓器,其二次電壓經整流,濾波,分壓得到反饋電壓uo,顯然,uo的大小正比於逆變器的輸出電壓。調節W1可調節負反饋電壓的大小,從而調節逆變器輸出電壓的幅值。uo控製信號被送到SG3524-1芯片的誤差放大器的反相端腳1。誤差放大器的同相端腳2接參考電平。這樣,SG3524的輸出脈衝的占空比就受到反饋信號的控製。調節過程是這樣的,當逆變器輸出因突加負載而降低時,它會使加在SG3524-1的腳1的輸入反饋電壓下降,這會導致SG3524-1輸出脈衝占空比增加,從而使得Boost電路輸出電壓升高,逆變橋的直流電壓升高,逆變器輸出交流電壓升高。反之亦然。可見,正是通過SG3524-1的脈寬調製組件的控製作用,實現了整個逆變器的輸出自動穩壓調節功能。
3 逆變器的實驗結果
按本設計的SPWM逆變器方案試製了樣機,其額定輸出功率為300W,濾波器參數取L=0.7mH,C=5μF,濾波效果較好,樣機的輸出電壓如圖8所示。從直觀看,電壓波形正弦度較好(因條件所限,尚未測試THD)。用此樣機帶負載運行,效果較好。實驗表明,本文提出的係統方案是切實可行的,可以用在鐵路、冶金等大功率非線性用電設備附近,作為對電網輸入電壓要求較高的一類負載(如檢修、測試設備)的電源。另外,為了滿足客戶的要求,本電路還可以提供60Hz/110V的正弦電源。
- 單相正弦脈寬調製逆變器的設計
- 驅動電路設計
- DC/AC變換采用全橋變換電路
- 采用主、控電路完全隔離的方法
- 利用SG3524生成SPWM信號
0 引言
當鐵路、冶(ye)金(jin)等(deng)行(xing)業(ye)的(de)一(yi)些(xie)大(da)功(gong)率(lv)非(fei)線(xian)性(xing)用(yong)電(dian)設(she)備(bei)運(yun)行(xing)時(shi),將(jiang)給(gei)電(dian)網(wang)注(zhu)入(ru)大(da)量(liang)的(de)諧(xie)波(bo),導(dao)致(zhi)電(dian)網(wang)電(dian)壓(ya)波(bo)形(xing)畸(ji)變(bian)。根(gen)據(ju)我(wo)們(men)的(de)實(shi)驗(yan)觀(guan)察(cha),在(zai)發(fa)生(sheng)嚴(yan)重(zhong)畸(ji)變(bian)時(shi),電(dian)壓(ya)會(hui)出(chu)現(xian)正(zheng)負(fu)半(ban)波(bo)不(bu)對(dui)稱(cheng),頻(pin)率(lv)也(ye)會(hui)發(fa)生(sheng)變(bian)化(hua)。這(zhe)樣(yang)的(de)供(gong)電(dian)電(dian)壓(ya)波(bo)形(xing),即(ji)使(shi)是(shi)一(yi)般(ban)的(de)電(dian)力(li)用(yong)戶(hu),也(ye)難(nan)以(yi)接(jie)受(shou),更(geng)無(wu)法(fa)用(yong)其(qi)作(zuo)為(wei)檢(jian)修(xiu)、測試的電源。同時,在這種情況下,一般的穩壓電源也難以達到滿意的穩壓效果。為此,我們設計了該逆變電源。其控製電路采用了2片集成脈寬調製電路芯片SG3524,一片用來產生PWM波,另一片與正弦函數發生芯片ICL8038做適當的連接來產生SPWM波。集成芯片比分立元器件控製電路具有更簡單、更可靠的特點和易於調試的優點。
1 係統結構及框圖
圖1示出了係統主電路和控製電路框圖。交流輸入電壓經過共模抑製環節後,再經工頻變壓器降壓,然後整流得到一個直流電壓,此電壓經過Boost電路進行升壓,在直流環上得到一個符合要求的直流電壓350V(50Hz/220V交流輸出時)。DC/AC變換采用全橋變換電路。為保證係統可靠運行,防止主電路對控製電路的幹擾,采用主、控(kong)電(dian)路(lu)完(wan)全(quan)隔(ge)離(li)的(de)方(fang)法(fa),即(ji)驅(qu)動(dong)信(xin)號(hao)用(yong)光(guang)耦(ou)隔(ge)離(li),反(fan)饋(kui)信(xin)號(hao)用(yong)變(bian)壓(ya)器(qi)隔(ge)離(li),輔(fu)助(zhu)電(dian)源(yuan)用(yong)變(bian)壓(ya)器(qi)隔(ge)離(li)。過(guo)流(liu)保(bao)護(hu)電(dian)路(lu)采(cai)用(yong)電(dian)流(liu)互(hu)感(gan)器(qi)作(zuo)為(wei)電(dian)流(liu)檢(jian)測(ce)元(yuan)件(jian),其(qi)具(ju)有(you)足(zu)夠(gou)快(kuai)的(de)響(xiang)應(ying)速(su)度(du),能(neng)夠(gou)在(zai)MOS管允許的過流時間內將其關斷。

圖1 係統主電路和控製電路框圖
2 控製及保護電路
為了降低成本,使用兩塊集成PWM脈衝產生芯片SG3524和一塊函數芯片ICL8038,使得控製電路簡潔,易於調試。
2.1 SG3524的功能及引腳
圖2所示為SG3524的結構框圖和引腳圖。

(a) SG3524引腳說明

(b) SG3524內部框圖
圖2 SG3524引腳及內部框圖
SG3524工作過程是這樣的:
直流電源Vs從腳15接入後分兩路,一路加到或非門;另一路送到基準電壓穩壓器的輸入端,產生穩定的+5V基準電壓。+5V再送到內部(或外部)電路的其他元器件作為電源。
[page]
振蕩器腳7須外接電容CT,腳6須外接電阻RT。振蕩器頻率f由外接電阻RT和電容CT決定,f=1.18/RTCT。本設計將Boost電路的開關頻率定為10kHz,取CT=0.22μF,RT=5kΩ;逆變橋開關頻率定為5kHz,取CT=0.22μF,RT=10kΩ。振蕩器的輸出分為兩路,一路以時鍾脈衝形式送至雙穩態觸發器及兩個或非門;另一路以鋸齒波形式送至比較器的同相端,比較器的反向端接誤差放大器的輸出。
誤差放大器實際上是個差分放大器,腳1為其反向輸入端;腳2為其同相輸入端。通常,一個輸入端連到腳16的基準電壓的分壓電阻上(應取得2.5V的電壓),另一個輸入端接控製反饋信號電壓。本係統電路圖中,在DC/DC變換部分,SG3524-1芯片的腳1接控製反饋信號電壓,腳2接jie在zai基ji準zhun電dian壓ya的de分fen壓ya電dian阻zu上shang。誤wu差cha放fang大da器qi的de輸shu出chu與yu鋸ju齒chi波bo電dian壓ya在zai比bi較jiao器qi中zhong進jin行xing比bi較jiao,從cong而er在zai比bi較jiao器qi的de輸shu出chu端duan出chu現xian一yi個ge隨sui誤wu差cha放fang大da器qi輸shu出chu電dian壓ya高gao低di而er改gai變bian寬kuan度du的de方fang波bo脈mai衝chong,再zai將jiang此ci方fang波bo脈mai衝chong送song到dao或huo非fei門men的de一yi個ge輸shu入ru端duan。或huo非fei門men的de另ling兩liang個ge輸shu入ru端duan分fen別bie為wei雙shuang穩wen態tai觸chu發fa器qi和he振zhen蕩dang器qi鋸ju齒chi波bo。雙shuang穩wen態tai觸chu發fa器qi的de兩liang個ge輸shu出chu端duan互hu補bu,交jiao替ti輸shu出chu高gao低di電dian平ping,其qi作zuo用yong是shi將jiangPWM脈衝交替送至兩個三極管V1及V2的基極,鋸齒波的作用是加入了死區時間,保證V1及V2兩個三極管不可能同時導通。最後,晶體管V1及V2分別輸出脈衝寬度調製波,兩者相位相差180°。當V1及V2並聯應用時,其輸出脈衝的占空比為0%~90%;當V1及V2分開使用時,輸出脈衝的占空比為0%~45%,脈衝頻率為振蕩器頻率的1/2,在本係統電路圖(圖1)中,兩塊SG3524都為並聯使用。當腳10加高電平時,可實現對輸出脈衝的封鎖,進行過流保護。
2.2 利用SG3524生成SPWM信號
按照上述SG3524的工作原理,要得到SPWM波,必須得有一個幅值在1~3.5V,按正弦規律變化的饅頭波,將它加到SG3524-2內部,並與鋸齒波比較,就可得到正弦脈寬調製波。我們設計的控製電路框圖,以及實際電路各點的波形,如圖3所示。

(a) 控製電路框圖

(b) 各點波形
圖3 控製電路框圖及各點波形
正弦波電壓ua由函數發生器ICL8038產生。ICL8038引腳和具體的接法如圖4所示。正弦波的頻率由R1,R2和C來決定,f=,為了調試方便,我們將R1及R2都用可調電阻,R2和R是用來調整正弦波失真度用的。在實驗中我們測得當f=50Hz時,R1+R2=9.7kΩ,其中C=0.22μF。正弦波信號產生後,一路經過精密全波整流,得到饅頭波uc,另一路經過比較器得到與正弦波同頻率,同相位的方波ub。uc與1V基準經過加法器後得到ud,ud輸入到SG3524-2的腳1,腳2與腳9相連,這樣ud和鋸齒波將在SG3524-2內部的比較器進行比較產生SPWM波ue。分相電路用一塊二輸入與門74LS08和一塊單輸入非門74LS05所組成。ub和ue加到分相電路後就可以得到驅動信號uf和ug,再將uf和ug加到MOS管驅動電路的光耦原邊,就可以實現正弦脈寬調製。

圖4 ICL8038用於正弦波信號發生
2.3 驅動電路設計
設計的驅動電路如圖5所示,它由驅動脈衝放大和5V基準兩部分組成。脈衝放大包括光耦Vo1,R1和R2,中間級的VT1,推挽輸出電路VT2和VT3,對高頻幹擾信號進行濾波的C1;5V基準部分包括R4,VZ1和C2,它既為MOS管提供-5V的偏置電壓,又為輸入光耦提供副邊電源。其工作原理是:
1)當光耦原邊有控製電路的驅動脈衝電流流過時,光耦導通,使VT1基極電位迅速下降,VT1截止,導致VT2導通,VT3截止,電源通過VT2,柵極電阻R5,使MOS管導通;
[page]
2)當光耦原邊無控製電路的驅動脈衝電流流過時,光耦不導通,使VT1基極電位上升,VT1導通,導致VT3導通,VT2截止,MOS管柵極電荷通過VT3,柵極電阻R5迅速放電,-5V偏置電壓使之可靠地關斷;
3)電阻R5和穩壓管VZ2,VZ3用以保護MOS管柵極不被過高的正、反向電壓所損壞;
4)光耦Vo1采用組合光敏管型光耦6N136,具有光敏二極管響應速度快,線性特性好,電流傳輸大的優點,能滿足實驗的要求。

圖5 MOS管驅動電路原理圖
2.4 過流保護電路
過流保護是利用SG3524的腳10加高電平封鎖脈衝輸出的功能。當腳10為高電平時,SG3524的腳11及腳14上輸出的脈寬調製脈衝就會立即消失而成為零。過流信號取自電流互感器(對SG3524-1芯片串接在工頻變壓器的副邊,對SG3524-2芯片串接在濾波電路前),經整流後得到電流信號加至如圖6所示過流保護電路上。過流信號加至電壓比較器LM339的同相端。當過流信號使同相端電平比反相端參考電平高時,比較器將輸出高電平,則二極管D2jiangcongyuanlaidefanxiangpianzhizhuangtaizhuanbianweizhengxiangdaotong,bingbatongxiangduandianweitishengweigaodianping,zheyibianhuajiangshidedianyabijiaoqiyizhiwendingshuchugaodianpingfengsuomaichong,zeBoost電路停止工作,在正常狀態下,比較器輸出零電平,不影響Boost電路工作。

圖6 過流保護電路
2.5 反饋調壓電路
反饋調壓電路圖如圖7所示。當逆變器正常工作時,逆變器的輸出信號接反饋變壓器,其二次電壓經整流,濾波,分壓得到反饋電壓uo,顯然,uo的大小正比於逆變器的輸出電壓。調節W1可調節負反饋電壓的大小,從而調節逆變器輸出電壓的幅值。uo控製信號被送到SG3524-1芯片的誤差放大器的反相端腳1。誤差放大器的同相端腳2接參考電平。這樣,SG3524的輸出脈衝的占空比就受到反饋信號的控製。調節過程是這樣的,當逆變器輸出因突加負載而降低時,它會使加在SG3524-1的腳1的輸入反饋電壓下降,這會導致SG3524-1輸出脈衝占空比增加,從而使得Boost電路輸出電壓升高,逆變橋的直流電壓升高,逆變器輸出交流電壓升高。反之亦然。可見,正是通過SG3524-1的脈寬調製組件的控製作用,實現了整個逆變器的輸出自動穩壓調節功能。

圖7 反饋調壓電路
3 逆變器的實驗結果
按本設計的SPWM逆變器方案試製了樣機,其額定輸出功率為300W,濾波器參數取L=0.7mH,C=5μF,濾波效果較好,樣機的輸出電壓如圖8所示。從直觀看,電壓波形正弦度較好(因條件所限,尚未測試THD)。用此樣機帶負載運行,效果較好。實驗表明,本文提出的係統方案是切實可行的,可以用在鐵路、冶金等大功率非線性用電設備附近,作為對電網輸入電壓要求較高的一類負載(如檢修、測試設備)的電源。另外,為了滿足客戶的要求,本電路還可以提供60Hz/110V的正弦電源。

圖8 輸出電壓波形
特別推薦
- 噪聲中提取真值!瑞盟科技推出MSA2240電流檢測芯片賦能多元高端測量場景
- 10MHz高頻運行!氮矽科技發布集成驅動GaN芯片,助力電源能效再攀新高
- 失真度僅0.002%!力芯微推出超低內阻、超低失真4PST模擬開關
- 一“芯”雙電!聖邦微電子發布雙輸出電源芯片,簡化AFE與音頻設計
- 一機適配萬端:金升陽推出1200W可編程電源,賦能高端裝備製造
技術文章更多>>
- 築基AI4S:摩爾線程全功能GPU加速中國生命科學自主生態
- 一秒檢測,成本降至萬分之一,光引科技把幾十萬的台式光譜儀“搬”到了手腕上
- AI服務器電源機櫃Power Rack HVDC MW級測試方案
- 突破工藝邊界,奎芯科技LPDDR5X IP矽驗證通過,速率達9600Mbps
- 通過直接、準確、自動測量超低範圍的氯殘留來推動反滲透膜保護
技術白皮書下載更多>>
- 車規與基於V2X的車輛協同主動避撞技術展望
- 數字隔離助力新能源汽車安全隔離的新挑戰
- 汽車模塊拋負載的解決方案
- 車用連接器的安全創新應用
- Melexis Actuators Business Unit
- Position / Current Sensors - Triaxis Hall
熱門搜索
微波功率管
微波開關
微波連接器
微波器件
微波三極管
微波振蕩器
微電機
微調電容
微動開關
微蜂窩
位置傳感器
溫度保險絲
溫度傳感器
溫控開關
溫控可控矽
聞泰
穩壓電源
穩壓二極管
穩壓管
無焊端子
無線充電
無線監控
無源濾波器
五金工具
物聯網
顯示模塊
顯微鏡結構
線圈
線繞電位器
線繞電阻




