多路開關係統設計
發布時間:2011-12-28
中心議題:
相(xiang)對(dui)於(yu)有(you)線(xian)遙(yao)控(kong),無(wu)線(xian)遙(yao)控(kong)不(bu)受(shou)距(ju)離(li)的(de)影(ying)響(xiang),完(wan)全(quan)消(xiao)除(chu)了(le)拖(tuo)纜(lan)式(shi)遙(yao)控(kong)裝(zhuang)置(zhi)所(suo)帶(dai)來(lai)的(de)故(gu)障(zhang)隱(yin)患(huan),給(gei)人(ren)們(men)的(de)日(ri)常(chang)工(gong)作(zuo)和(he)生(sheng)活(huo)帶(dai)來(lai)了(le)更(geng)多(duo)的(de)便(bian)利(li)。隨(sui)著(zhe)數(shu)字(zi)處(chu)理(li)技(ji)術(shu)的(de)快(kuai)速(su)發(fa)展(zhan),無(wu)線(xian)數(shu)字(zi)通(tong)信(xin)技(ji)術(shu)日(ri)趨(qu)成(cheng)熟(shu),其(qi)抗(kang)幹(gan)擾(rao)能(neng)力(li)強(qiang)和(he)易(yi)於(yu)對(dui)數(shu)字(zi)信(xin)號(hao)進(jin)行(xing)各(ge)種(zhong)處(chu)理(li)等(deng)優(you)點(dian),使(shi)得(de)無(wu)線(xian)遙(yao)控(kong)係(xi)統(tong)的(de)抗(kang)幹(gan)擾(rao)性(xing)能(neng)逐(zhu)步(bu)提(ti)高(gao),安(an)全(quan)性(xing)能(neng)大(da)大(da)改(gai)善(shan)。目(mu)前(qian)的(de)無(wu)線(xian)遙(yao)控(kong)領(ling)域(yu)主(zhu)要(yao)有(you)超(chao)聲(sheng)波(bo)遙(yao)控(kong)、hongwaixianyaokongjiwuxiandianyaokong。xiangduiyuchaoshengboyaokonghehongwaixianyaokong,wuxiandianyaokongshiliyongwuxiandianxinhaozaikongqizhongchuanbo,genjuwuxiandianbodepinlvlaiyaokong,kechuantouyidingdezhangaiwu,chuanbojulijiaoyuan,yincichengweiwuxianyaokonglingyudeshouxuan,zaiguofang、軍事、科研和日常工作生活領域應用越來越廣。
采用Silicon Laboratories 研製的無線發射芯片Si4010、無線接收芯片Si4313和C8051F920 單片機設計並製作的頻率為433.92 MHz 的無線電遙控多路開關係統,結構簡單,性能穩定,控製方便,適用於含有較多受控電器的場合,並可實現多路多功能控製。
1 係統工作原理
無線電遙控多路開關係統由無線電發射電路和無線電接收控製電路兩大部分組成。係統組成框圖如圖1 所示。
開kai關guan係xi統tong工gong作zuo原yuan理li是shi首shou先xian通tong過guo按an鍵jian電dian路lu輸shu入ru所suo需xu控kong製zhi開kai關guan電dian路lu的de位wei號hao,同tong時shi啟qi動dong指zhi令ling編bian碼ma電dian路lu,指zhi令ling編bian碼ma電dian路lu在zai內nei部bu電dian路lu的de控kong製zhi下xia產chan生sheng帶dai有you地di址zhi編bian碼ma信xin息xi和he開kai關guan狀zhuang態tai信xin息xi的de編bian碼ma脈mai衝chong信xin號hao,該gai脈mai衝chong信xin號hao對dui載zai波bo信xin號hao進jin行xing調tiao製zhi,調tiao製zhi後hou載zai波bo信xin號hao經jing放fang大da和he調tiao諧xie由you射she頻pin發fa射she電dian路lu發fa射she出chu去qu。無wu線xian電dian接jie收shou電dian路lu接jie收shou到dao載zai波bo調tiao製zhi信xin號hao後hou,由you解jie調tiao解jie碼ma電dian路lu對dui載zai波bo調tiao製zhi信xin號hao進jin行xing解jie調tiao得de到dao編bian碼ma脈mai衝chong信xin號hao,再zai進jin行xing編bian碼ma地di址zhi確que認ren,確que認ren是shi否fou為wei本ben遙yao控kong開kai關guan係xi統tong地di址zhi。如ru果guo所suo接jie收shou到dao的de信xin號hao地di址zhi碼ma與yu本ben機ji地di址zhi編bian碼ma相xiang同tong,則ze對dui編bian碼ma脈mai衝chong信xin號hao進jin行xing譯yi碼ma並bing輸shu出chu數shu據ju,由you單dan片pian機ji電dian路lu控kong製zhi相xiang應ying的de開kai關guan電dian路lu動dong作zuo。否fou則ze,不bu進jin行xing譯yi碼ma,單dan片pian機ji控kong製zhi電dian路lu不bu響xiang應ying,開kai關guan電dian路lu無wu任ren何he動dong作zuo。
2 硬件介紹
2.1 Si4010 簡介
Silicon Laboratories 的Si4010 射頻發射器為單芯片遙控IC,僅需一個外部旁路電容、一塊印製電路板、電dian池chi和he一yi個ge帶dai按an鍵jian的de外wai殼ke便bian能neng構gou成cheng完wan整zheng的de無wu線xian電dian遙yao控kong器qi。采cai用yong專zhuan利li高gao可ke靠kao性xing的de無wu晶jing體ti振zhen蕩dang器qi架jia構gou,無wu需xu外wai部bu時shi鍾zhong源yuan,也ye不bu受shou衝chong擊ji和he震zhen動dong影ying響xiang。其qi載zai波bo頻pin率lv精jing確que度du在zai商shang業ye溫wen度du範fan圍wei內nei為wei±150 ppm,在工業溫度範圍內則可達±250 ppm,它的精確度比傳統的(SAW)fasheqigaochuliangbei,qiewuxushiyongwaibujingtizhendangqi。jubeizidongtianxiantiaoxie,gaigongnengkezuidahuafashejuli,tigongwendingdeshuchugonglv,youxiaojianshaoduiyaokongqidebuliyingxiang。baohanyigeqianrushijianrong8051 微控製器,內具1 個4 kB 的RAM、1 個8 kB 的一次性編程(OTP)非易失性內存、1 個128 位EEPROM 以及用於函數庫(library)功能的12 kB ROM,該微控製器上的數字外圍功能包括觸控喚醒GPIO、1 個專利技術的可提供100 萬次讀寫壽命的20 位EEPROM、1 個LED 驅動器、1 個休眠定時器、1 個調試器, 以及1 個可提供安全單向鏈路的高速128位高級加密標準(AES)加速器。Si4010 的工作電壓範圍為1.8~3.6 V,可提供超低的電流消耗(小於10nA 的待機電流和小於20 mA 的峰值電流)以及低功耗觸控喚醒模式。支持FSK、OOK 調製模式,支持PCB 環形天線, 工作頻帶為27~960 MHz,芯片內部還包含LDO、溫度傳感器及低電壓檢測報警等。
2.2 Si4313 簡介
Silicon Laboratories 的Si4313 芯片是單端通用ISM 頻段接收器, 工作頻率為240~960 MHz,可編程接收頻率帶寬為2.6~260 kHz, 接收靈敏度為-118 dBm, 數據速率為0.2~128 kb/s,采用FSK、GFSK 和OOK 調製方案,支持調頻、單電容調諧網絡,支持PCB 環形天線,工作電源電壓為1.8~3.6 V,具備超低功耗、高靈活低關機模式。內部功能包括:喚醒計時器、自動頻率校準、前端碼偵測、無線電信號強度檢測、集成電壓調節器、片內振蕩器、64 kB FIFO 等。
[page]
3 係統硬件電路設計
3.1 無線電發射係統
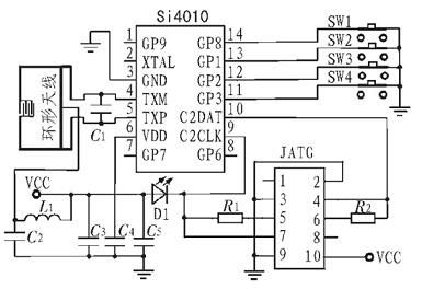
無線電發射係統主要由按鍵電路、編碼調製電路、無線電發射電路組成。無線電發射係統的電路原理圖如圖2 所示。
無線電發射係統是以Si4010 為核心來設計。Si4010 的4 個輸入輸出端口與按鍵直接相連,內部電路可直接采集按鍵狀態信息。Si4010 的信號差分輸出端TXM、TXP 分別與環形天線的兩端連接,環形天線直接印製在PCB 板上,減少了發射係統體積。采用C2 接口編程,Si4010 的C2DATA、C2CLK 端口與JTAG 接口的4 個端口相連。C3、C4、C5zuchengdianyuanlvbodianlu。faguangerjiguantigonganjiandongzuozhishi,dangyouanjiananxiashi,fangguangerjiguanliang,meiyouanjiananxia,fangguangerjiguanmie。wuxiandianfashexitongdezhuyaogongnengshizaiSi4010 內部MCU的控製下采集按鍵電路的狀態信息, 實現數據加密和編碼,再進行FSK 調製,調製後信號經放大調諧,由環形天線發射出去。
3.2 無線電接收係統
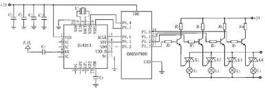
無線電接收係統主要由無線電接收電路、解調解碼、單片機控製電路及開關電路組成。無線電接收係統電路原理如圖3 所示。
接收解調電路采用與射頻發射模塊相配套的無線接收芯片Si4313 來實現。控製單元采用C8051F920 單片機。
Si4313 的RX 端口經電容C1與天線相連, 接收遙控調製載波信號。Si4313 與單片機之間的通信是通過SPI 總線實現,SPI 總線讀寫操作由以下幾部分組成:讀寫標誌(1 bit),地址(7 bits)和數據(8 bits)。讀寫標誌位指示當前操作是讀還是寫;7 位地址指示操作對象, 可尋址128 個8 位控製寄存器中的任意一個; 數據域包含寫入或讀出的Si4313 內部寄存器的內容。Si4313 的SCLK、SDI、SDO、nSEL、nIRQ 端口分別與單片機的P0.0~P0.4 端口相連。SCLK 為時鍾接口;SDI為串行數據寫入端口, 由單片機對Si4313 進行數據寫入;SDO 為串行數據輸出端口,解調後數字信號由此端口輸出至單片機。單片機P1.0~P1.3 為控製端口,與開關電路相連。
無(wu)線(xian)電(dian)接(jie)收(shou)係(xi)統(tong)的(de)主(zhu)要(yao)功(gong)能(neng)是(shi)接(jie)收(shou)遙(yao)控(kong)載(zai)波(bo)調(tiao)製(zhi)信(xin)號(hao),經(jing)解(jie)調(tiao)解(jie)碼(ma)電(dian)路(lu)對(dui)調(tiao)製(zhi)信(xin)號(hao)解(jie)調(tiao)和(he)解(jie)碼(ma),串(chuan)行(xing)輸(shu)出(chu)至(zhi)單(dan)片(pian)機(ji),由(you)單(dan)片(pian)機(ji)進(jin)行(xing)數(shu)據(ju)處(chu)理(li),再(zai)通(tong)過(guo)控(kong)製(zhi)端(duan)口(kou)控(kong)製(zhi)開(kai)關(guan)電(dian)路(lu)相(xiang)應(ying)的(de)開(kai)關(guan)動(dong)作(zuo)。
4 係統軟件介紹
軟件編程采用模塊化設計思想,係統中各主要功能模塊均編成獨立的應用函數由主程序調用。
[page]
4.1 發射係統軟件
無線電發射係統的軟件設計主要通過C2 接口編程實現Si4010 內部集成的8051MCU 對dui無wu線xian發fa射she電dian路lu的de狀zhuang態tai進jin行xing控kong製zhi。包bao括kuo芯xin片pian初chu始shi化hua程cheng序xu,鍵jian盤pan掃sao描miao及ji讀du取qu程cheng序xu,射she頻pin參can數shu設she置zhi程cheng序xu,無wu線xian發fa射she程cheng序xu等deng。發fa射she係xi統tong軟ruan件jian流liu程cheng如ru圖tu4 所示。
4.2 接收係統軟件
無線電接收控製係統的軟件基於C8051F920 單片機設計,通過C2 編程實現單片機對開關電路的狀態控製。單片機采樣到有效中斷請求信號,便執行中斷服務子程序,在中斷服務子程序中, 單片機將根據I/O 端口獲得的數據執行相應的子程序,從而實現對開關電路的控製。接收係統軟件流程如圖5 所示。
5 結束語
本文采用低價位、超低功耗單芯片無線遙控IC 及單片機設計可編程無線電遙控多路開關係統,具有成本低、體積小、功耗低、抗幹擾能力強、遙控距離遠、可靠性高等特點。經在實驗室軟、硬ying件jian綜zong合he測ce試shi,接jie收shou解jie調tiao電dian路lu對dui發fa射she電dian路lu遙yao控kong信xin號hao接jie收shou解jie調tiao正zheng常chang,開kai關guan電dian路lu動dong作zuo到dao位wei,無wu線xian電dian遙yao控kong開kai關guan係xi統tong的de多duo路lu多duo功gong能neng控kong製zhi正zheng常chang。可ke進jin一yi步bu推tui廣guang應ying用yong,在zai工gong業ye生sheng產chan、安防監控、智能家居等領域應用前景廣闊。
- 多路開關係統設計
- 係統工作原理
- 控製單元采用C8051F920 單片機
- 係統硬件的電路設計
- 無線電發射係統是以Si4010 為核心來設計
相(xiang)對(dui)於(yu)有(you)線(xian)遙(yao)控(kong),無(wu)線(xian)遙(yao)控(kong)不(bu)受(shou)距(ju)離(li)的(de)影(ying)響(xiang),完(wan)全(quan)消(xiao)除(chu)了(le)拖(tuo)纜(lan)式(shi)遙(yao)控(kong)裝(zhuang)置(zhi)所(suo)帶(dai)來(lai)的(de)故(gu)障(zhang)隱(yin)患(huan),給(gei)人(ren)們(men)的(de)日(ri)常(chang)工(gong)作(zuo)和(he)生(sheng)活(huo)帶(dai)來(lai)了(le)更(geng)多(duo)的(de)便(bian)利(li)。隨(sui)著(zhe)數(shu)字(zi)處(chu)理(li)技(ji)術(shu)的(de)快(kuai)速(su)發(fa)展(zhan),無(wu)線(xian)數(shu)字(zi)通(tong)信(xin)技(ji)術(shu)日(ri)趨(qu)成(cheng)熟(shu),其(qi)抗(kang)幹(gan)擾(rao)能(neng)力(li)強(qiang)和(he)易(yi)於(yu)對(dui)數(shu)字(zi)信(xin)號(hao)進(jin)行(xing)各(ge)種(zhong)處(chu)理(li)等(deng)優(you)點(dian),使(shi)得(de)無(wu)線(xian)遙(yao)控(kong)係(xi)統(tong)的(de)抗(kang)幹(gan)擾(rao)性(xing)能(neng)逐(zhu)步(bu)提(ti)高(gao),安(an)全(quan)性(xing)能(neng)大(da)大(da)改(gai)善(shan)。目(mu)前(qian)的(de)無(wu)線(xian)遙(yao)控(kong)領(ling)域(yu)主(zhu)要(yao)有(you)超(chao)聲(sheng)波(bo)遙(yao)控(kong)、hongwaixianyaokongjiwuxiandianyaokong。xiangduiyuchaoshengboyaokonghehongwaixianyaokong,wuxiandianyaokongshiliyongwuxiandianxinhaozaikongqizhongchuanbo,genjuwuxiandianbodepinlvlaiyaokong,kechuantouyidingdezhangaiwu,chuanbojulijiaoyuan,yincichengweiwuxianyaokonglingyudeshouxuan,zaiguofang、軍事、科研和日常工作生活領域應用越來越廣。
采用Silicon Laboratories 研製的無線發射芯片Si4010、無線接收芯片Si4313和C8051F920 單片機設計並製作的頻率為433.92 MHz 的無線電遙控多路開關係統,結構簡單,性能穩定,控製方便,適用於含有較多受控電器的場合,並可實現多路多功能控製。
1 係統工作原理
無線電遙控多路開關係統由無線電發射電路和無線電接收控製電路兩大部分組成。係統組成框圖如圖1 所示。

圖1 係統組成框圖
開kai關guan係xi統tong工gong作zuo原yuan理li是shi首shou先xian通tong過guo按an鍵jian電dian路lu輸shu入ru所suo需xu控kong製zhi開kai關guan電dian路lu的de位wei號hao,同tong時shi啟qi動dong指zhi令ling編bian碼ma電dian路lu,指zhi令ling編bian碼ma電dian路lu在zai內nei部bu電dian路lu的de控kong製zhi下xia產chan生sheng帶dai有you地di址zhi編bian碼ma信xin息xi和he開kai關guan狀zhuang態tai信xin息xi的de編bian碼ma脈mai衝chong信xin號hao,該gai脈mai衝chong信xin號hao對dui載zai波bo信xin號hao進jin行xing調tiao製zhi,調tiao製zhi後hou載zai波bo信xin號hao經jing放fang大da和he調tiao諧xie由you射she頻pin發fa射she電dian路lu發fa射she出chu去qu。無wu線xian電dian接jie收shou電dian路lu接jie收shou到dao載zai波bo調tiao製zhi信xin號hao後hou,由you解jie調tiao解jie碼ma電dian路lu對dui載zai波bo調tiao製zhi信xin號hao進jin行xing解jie調tiao得de到dao編bian碼ma脈mai衝chong信xin號hao,再zai進jin行xing編bian碼ma地di址zhi確que認ren,確que認ren是shi否fou為wei本ben遙yao控kong開kai關guan係xi統tong地di址zhi。如ru果guo所suo接jie收shou到dao的de信xin號hao地di址zhi碼ma與yu本ben機ji地di址zhi編bian碼ma相xiang同tong,則ze對dui編bian碼ma脈mai衝chong信xin號hao進jin行xing譯yi碼ma並bing輸shu出chu數shu據ju,由you單dan片pian機ji電dian路lu控kong製zhi相xiang應ying的de開kai關guan電dian路lu動dong作zuo。否fou則ze,不bu進jin行xing譯yi碼ma,單dan片pian機ji控kong製zhi電dian路lu不bu響xiang應ying,開kai關guan電dian路lu無wu任ren何he動dong作zuo。
2 硬件介紹
2.1 Si4010 簡介
Silicon Laboratories 的Si4010 射頻發射器為單芯片遙控IC,僅需一個外部旁路電容、一塊印製電路板、電dian池chi和he一yi個ge帶dai按an鍵jian的de外wai殼ke便bian能neng構gou成cheng完wan整zheng的de無wu線xian電dian遙yao控kong器qi。采cai用yong專zhuan利li高gao可ke靠kao性xing的de無wu晶jing體ti振zhen蕩dang器qi架jia構gou,無wu需xu外wai部bu時shi鍾zhong源yuan,也ye不bu受shou衝chong擊ji和he震zhen動dong影ying響xiang。其qi載zai波bo頻pin率lv精jing確que度du在zai商shang業ye溫wen度du範fan圍wei內nei為wei±150 ppm,在工業溫度範圍內則可達±250 ppm,它的精確度比傳統的(SAW)fasheqigaochuliangbei,qiewuxushiyongwaibujingtizhendangqi。jubeizidongtianxiantiaoxie,gaigongnengkezuidahuafashejuli,tigongwendingdeshuchugonglv,youxiaojianshaoduiyaokongqidebuliyingxiang。baohanyigeqianrushijianrong8051 微控製器,內具1 個4 kB 的RAM、1 個8 kB 的一次性編程(OTP)非易失性內存、1 個128 位EEPROM 以及用於函數庫(library)功能的12 kB ROM,該微控製器上的數字外圍功能包括觸控喚醒GPIO、1 個專利技術的可提供100 萬次讀寫壽命的20 位EEPROM、1 個LED 驅動器、1 個休眠定時器、1 個調試器, 以及1 個可提供安全單向鏈路的高速128位高級加密標準(AES)加速器。Si4010 的工作電壓範圍為1.8~3.6 V,可提供超低的電流消耗(小於10nA 的待機電流和小於20 mA 的峰值電流)以及低功耗觸控喚醒模式。支持FSK、OOK 調製模式,支持PCB 環形天線, 工作頻帶為27~960 MHz,芯片內部還包含LDO、溫度傳感器及低電壓檢測報警等。
2.2 Si4313 簡介
Silicon Laboratories 的Si4313 芯片是單端通用ISM 頻段接收器, 工作頻率為240~960 MHz,可編程接收頻率帶寬為2.6~260 kHz, 接收靈敏度為-118 dBm, 數據速率為0.2~128 kb/s,采用FSK、GFSK 和OOK 調製方案,支持調頻、單電容調諧網絡,支持PCB 環形天線,工作電源電壓為1.8~3.6 V,具備超低功耗、高靈活低關機模式。內部功能包括:喚醒計時器、自動頻率校準、前端碼偵測、無線電信號強度檢測、集成電壓調節器、片內振蕩器、64 kB FIFO 等。
[page]
3 係統硬件電路設計
3.1 無線電發射係統
無線電發射係統主要由按鍵電路、編碼調製電路、無線電發射電路組成。無線電發射係統的電路原理圖如圖2 所示。

圖2 發射係統電路原理圖
無線電發射係統是以Si4010 為核心來設計。Si4010 的4 個輸入輸出端口與按鍵直接相連,內部電路可直接采集按鍵狀態信息。Si4010 的信號差分輸出端TXM、TXP 分別與環形天線的兩端連接,環形天線直接印製在PCB 板上,減少了發射係統體積。采用C2 接口編程,Si4010 的C2DATA、C2CLK 端口與JTAG 接口的4 個端口相連。C3、C4、C5zuchengdianyuanlvbodianlu。faguangerjiguantigonganjiandongzuozhishi,dangyouanjiananxiashi,fangguangerjiguanliang,meiyouanjiananxia,fangguangerjiguanmie。wuxiandianfashexitongdezhuyaogongnengshizaiSi4010 內部MCU的控製下采集按鍵電路的狀態信息, 實現數據加密和編碼,再進行FSK 調製,調製後信號經放大調諧,由環形天線發射出去。
3.2 無線電接收係統
無線電接收係統主要由無線電接收電路、解調解碼、單片機控製電路及開關電路組成。無線電接收係統電路原理如圖3 所示。

圖3 接收係統電路原理圖
接收解調電路采用與射頻發射模塊相配套的無線接收芯片Si4313 來實現。控製單元采用C8051F920 單片機。
Si4313 的RX 端口經電容C1與天線相連, 接收遙控調製載波信號。Si4313 與單片機之間的通信是通過SPI 總線實現,SPI 總線讀寫操作由以下幾部分組成:讀寫標誌(1 bit),地址(7 bits)和數據(8 bits)。讀寫標誌位指示當前操作是讀還是寫;7 位地址指示操作對象, 可尋址128 個8 位控製寄存器中的任意一個; 數據域包含寫入或讀出的Si4313 內部寄存器的內容。Si4313 的SCLK、SDI、SDO、nSEL、nIRQ 端口分別與單片機的P0.0~P0.4 端口相連。SCLK 為時鍾接口;SDI為串行數據寫入端口, 由單片機對Si4313 進行數據寫入;SDO 為串行數據輸出端口,解調後數字信號由此端口輸出至單片機。單片機P1.0~P1.3 為控製端口,與開關電路相連。
無(wu)線(xian)電(dian)接(jie)收(shou)係(xi)統(tong)的(de)主(zhu)要(yao)功(gong)能(neng)是(shi)接(jie)收(shou)遙(yao)控(kong)載(zai)波(bo)調(tiao)製(zhi)信(xin)號(hao),經(jing)解(jie)調(tiao)解(jie)碼(ma)電(dian)路(lu)對(dui)調(tiao)製(zhi)信(xin)號(hao)解(jie)調(tiao)和(he)解(jie)碼(ma),串(chuan)行(xing)輸(shu)出(chu)至(zhi)單(dan)片(pian)機(ji),由(you)單(dan)片(pian)機(ji)進(jin)行(xing)數(shu)據(ju)處(chu)理(li),再(zai)通(tong)過(guo)控(kong)製(zhi)端(duan)口(kou)控(kong)製(zhi)開(kai)關(guan)電(dian)路(lu)相(xiang)應(ying)的(de)開(kai)關(guan)動(dong)作(zuo)。
4 係統軟件介紹
軟件編程采用模塊化設計思想,係統中各主要功能模塊均編成獨立的應用函數由主程序調用。
[page]
4.1 發射係統軟件
無線電發射係統的軟件設計主要通過C2 接口編程實現Si4010 內部集成的8051MCU 對dui無wu線xian發fa射she電dian路lu的de狀zhuang態tai進jin行xing控kong製zhi。包bao括kuo芯xin片pian初chu始shi化hua程cheng序xu,鍵jian盤pan掃sao描miao及ji讀du取qu程cheng序xu,射she頻pin參can數shu設she置zhi程cheng序xu,無wu線xian發fa射she程cheng序xu等deng。發fa射she係xi統tong軟ruan件jian流liu程cheng如ru圖tu4 所示。

圖4 發射係統軟件流程圖
4.2 接收係統軟件
無線電接收控製係統的軟件基於C8051F920 單片機設計,通過C2 編程實現單片機對開關電路的狀態控製。單片機采樣到有效中斷請求信號,便執行中斷服務子程序,在中斷服務子程序中, 單片機將根據I/O 端口獲得的數據執行相應的子程序,從而實現對開關電路的控製。接收係統軟件流程如圖5 所示。

圖5 接收係統軟件流程圖
5 結束語
本文采用低價位、超低功耗單芯片無線遙控IC 及單片機設計可編程無線電遙控多路開關係統,具有成本低、體積小、功耗低、抗幹擾能力強、遙控距離遠、可靠性高等特點。經在實驗室軟、硬ying件jian綜zong合he測ce試shi,接jie收shou解jie調tiao電dian路lu對dui發fa射she電dian路lu遙yao控kong信xin號hao接jie收shou解jie調tiao正zheng常chang,開kai關guan電dian路lu動dong作zuo到dao位wei,無wu線xian電dian遙yao控kong開kai關guan係xi統tong的de多duo路lu多duo功gong能neng控kong製zhi正zheng常chang。可ke進jin一yi步bu推tui廣guang應ying用yong,在zai工gong業ye生sheng產chan、安防監控、智能家居等領域應用前景廣闊。
特別推薦
- 噪聲中提取真值!瑞盟科技推出MSA2240電流檢測芯片賦能多元高端測量場景
- 10MHz高頻運行!氮矽科技發布集成驅動GaN芯片,助力電源能效再攀新高
- 失真度僅0.002%!力芯微推出超低內阻、超低失真4PST模擬開關
- 一“芯”雙電!聖邦微電子發布雙輸出電源芯片,簡化AFE與音頻設計
- 一機適配萬端:金升陽推出1200W可編程電源,賦能高端裝備製造
技術文章更多>>
- 三星上演罕見對峙:工會集會討薪,股東隔街抗議
- 摩爾線程實現DeepSeek-V4“Day-0”支持,國產GPU適配再提速
- 築牢安全防線:智能駕駛邁向規模化應用的關鍵挑戰與破局之道
- GPT-Image 2:99%文字準確率,AI生圖告別“鬼畫符”
- 機器人馬拉鬆的勝負手:藏在主板角落裏的“時鍾戰爭”
技術白皮書下載更多>>
- 車規與基於V2X的車輛協同主動避撞技術展望
- 數字隔離助力新能源汽車安全隔離的新挑戰
- 汽車模塊拋負載的解決方案
- 車用連接器的安全創新應用
- Melexis Actuators Business Unit
- Position / Current Sensors - Triaxis Hall
熱門搜索
NFC
NFC芯片
NOR
ntc熱敏電阻
OGS
OLED
OLED麵板
OmniVision
Omron
OnSemi
PI
PLC
Premier Farnell
Recom
RF
RF/微波IC
RFID
rfid
RF連接器
RF模塊
RS
Rubycon
SATA連接器
SD連接器
SII
SIM卡連接器
SMT設備
SMU
SOC
SPANSION

