探討串聯鋰離子電池組監測係統的設計
發布時間:2011-12-12
中心議題:
- 串聯鋰離子電池組監測係統的設計
- 技術和方案介紹
解決方案:
- 采用高共模抑製比差分運放INA117
- 選用高位A/D轉換器
- 保證接線正確
具有高電壓、高容量、循環壽命長、安全性能好等優點的鋰離子電池,在便攜式電子設備、電動汽車、空間技術、guofanggongyedengduofangmianjuyouguangkuodeyingyongqianjing。youruoganjielilizidianchijingchuanlianzuchengdedonglililizidianchizumuqianyingyongzuiweiguangfan。youyumeijiedantidianchidedianyabuyizhi,shiyongzhongdianchibuyunxuguochongdian、過(guo)放(fang)電(dian),電(dian)池(chi)的(de)性(xing)能(neng)和(he)壽(shou)命(ming)受(shou)溫(wen)度(du)影(ying)響(xiang)較(jiao)大(da)等(deng)特(te)點(dian),必(bi)須(xu)對(dui)串(chuan)聯(lian)鋰(li)離(li)子(zi)電(dian)池(chi)組(zu)進(jin)行(xing)監(jian)測(ce),確(que)保(bao)在(zai)使(shi)用(yong)中(zhong)鋰(li)離(li)子(zi)電(dian)池(chi)具(ju)有(you)良(liang)好(hao)的(de)狀(zhuang)態(tai),或(huo)者(zhe)使(shi)用(yong)中(zhong)電(dian)池(chi)出(chu)現(xian)問(wen)題(ti)立(li)即(ji)報(bao)警(jing),電(dian)源(yuan)管(guan)理(li)係(xi)統(tong)立(li)即(ji)采(cai)取(qu)保(bao)障(zhang)措(cuo)施(shi),並(bing)提(ti)醒(xing)相(xiang)關(guan)人(ren)員(yuan)檢(jian)修(xiu)。單(dan)體(ti)電(dian)壓(ya)和(he)電(dian)池(chi)組(zu)的(de)溫(wen)度(du)是(shi)辨(bian)別(bie)串(chuan)聯(lian)鋰(li)離(li)子(zi)電(dian)池(chi)組(zu)是(shi)否(fou)正(zheng)常(chang)工(gong)作(zuo)的(de)主(zhu)要(yao)技(ji)術(shu)指(zhi)標(biao)。采(cai)用(yong)直(zhi)接(jie)采(cai)樣(yang)法(fa),將(jiang)要(yao)測(ce)量(liang)的(de)單(dan)體(ti)電(dian)池(chi)電(dian)壓(ya)存(cun)儲(chu)在(zai)非(fei)電(dian)容(rong)上(shang)進(jin)行(xing)測(ce)量(liang)。該(gai)方(fang)法(fa)反(fan)應(ying)時(shi)間(jian)慢(man)、誤差較大、控製複雜; 采(cai)用(yong)運(yun)放(fang)和(he)光(guang)藕(ou)繼(ji)電(dian)器(qi)來(lai)測(ce)量(liang)串(chuan)聯(lian)電(dian)池(chi)組(zu)的(de)單(dan)體(ti)電(dian)壓(ya)。該(gai)方(fang)法(fa)對(dui)光(guang)耦(ou)的(de)線(xian)性(xing)度(du)要(yao)求(qiu)很(hen)高(gao),導(dao)致(zhi)硬(ying)件(jian)成(cheng)本(ben)較(jiao)高(gao)。目(mu)前(qian),直(zhi)接(jie)采(cai)用(yong)集(ji)成(cheng)芯(xin)片(pian)的(de)串(chuan)聯(lian)鋰(li)離(li)子(zi)電(dian)池(chi)組(zu)監(jian)控(kong)係(xi)統(tong)受(shou)到(dao)青(qing)睞(lai),但(dan)該(gai)方(fang)法(fa)串(chuan)聯(lian)電(dian)池(chi)的(de)數(shu)目(mu)固(gu)定(ding),導(dao)致(zhi)應(ying)用(yong)不(bu)靈(ling)活(huo)、硬ying件jian成cheng本ben高gao等deng缺que點dian。文wen中zhong研yan製zhi了le一yi種zhong動dong力li鋰li離li子zi電dian池chi組zu監jian測ce係xi統tong,對dui串chuan聯lian鋰li離li子zi電dian池chi組zu的de單dan體ti電dian壓ya和he電dian池chi組zu的de溫wen度du進jin行xing在zai線xian監jian測ce,當dang單dan體ti電dian池chi電dian壓ya偏pian離li規gui定ding區qu間jian時shi,監jian測ce係xi統tong啟qi動dong報bao警jing程cheng序xu進jin行xing聲sheng、光報警; dangdianchizuwendupianliguidingdequjianshi,jiancexitongqidongfengshanhuojiarekongzhidianlu,bingcunchuyouguanshuju,quebaodianchizuzhengchanggongzuo。zhenggejiancexitongjuyoulianxuceliangfenliang、簡單經濟、精度高和可靠性高的特點。
1 技術和方案
1. 1 係統結構
串聯鋰離子電池組監測係統包括采用51 係列單片機的核心控製模塊、鋰離子電池組狀態采集模塊、信號調理模塊,報警及處理係統模塊,監測係統可以通過RS485 接口與PC 機組成分布式監測係統,實現一台PC 監測多個串聯電池組,係統結構框圖如圖1 所示。
狀態采集模塊包括對單體電池的電壓和電池組的溫度等參數進行采集,然後待測量信號進行處理,通過A/D轉換器采樣後傳輸給單片機進行數據處理,將有效數據通過串口傳到本地PC 機,監測人員可以通過對狀態數據的進行分析從而掌握電池組的工作情況,對不安全的狀態進行及時的處理,確保其工作的可靠性。

圖1 串聯鋰離子電池組監測係統結構圖
1. 2 串聯鋰離子電池組的共地問題
串chuan聯lian鋰li離li子zi電dian池chi組zu電dian壓ya測ce量liang的de方fang法fa有you多duo種zhong,最zui簡jian單dan的de是shi電dian阻zu分fen壓ya測ce量liang方fang法fa,該gai方fang法fa缺que點dian是shi大da阻zu值zhi電dian阻zu的de漂piao移yi誤wu差cha和he電dian阻zu漏lou電dian流liu導dao致zhi測ce量liang精jing度du低di,且qie影ying響xiang電dian池chi組zu的de一yi致zhi性xing。另ling外wai一yi種zhong較jiao為wei常chang用yong的de方fang法fa是shi每mei一yi個ge單dan體ti電dian池chi用yong一yi個ge隔ge離li運yun算suan放fang大da器qi,但dan是shi它ta的de體ti積ji大da且qie價jia格ge高gao,適shi於yu測ce量liang精jing度du要yao求qiu高gao且qie不bu考kao慮lv漏lou電dian流liu和he成cheng本ben的de場chang合he。設she計ji選xuan用yong德de州zhou儀yi器qi公gong司si的deINA117 來解決串聯鋰離子電池組的共地問題INA117 的失真為0. 001%; 共模擬製比最小86 dB,共模輸入電壓範圍± 200 V,適合於高精度的測量。
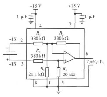
INA117 內置了380 kΩ、20 kΩ 和21. 1 kΩ3 個電阻,因此外部電路省去精密電阻,減少了精密電阻帶來的誤差和係統複雜程度。圖2 是INA117 輸出1 節電池電壓的接法,6 腳和1 腳之間的電壓就是1 節電池兩端的電壓差。

圖2 INA117 輸出電壓是兩輸入電壓之差的接法[page]
該檢測係統采用16 個INA117 分別把16 節鋰離子電池的單體電壓挑選出來。如果它們的1 腳都接相同的地,就可以使16 個INA117 都有相同的信號地,A/D 轉換器進行采樣。共地點選在第8 節電池負極和第9 節電池正極的連接處。
每節鋰離子電池最高電壓為5 V,由圖3 可得,第1 個INA117 的3 腳的輸入電勢最高為40 V.同理,第16 個INA117 的2 腳輸入電勢最低為- 40 V.第1 至8 個INA117 的輸出電壓為正,第9 至16 個INA117 的輸出電壓為負,所以多選一模擬開關和A/D 轉換器都要求可以輸入正、負電壓。多選一模擬開關選用MUX16,為16 選1 可正負電壓輸入模擬開關,因此16節電池隻需1 個MUX16.但由於單片機IO 口有限,文中用一片74LS154 擴展了IO 口,僅用單片機的4 個IO 口即可控製MUX16 分別選通單節鋰離子電池進行電壓采樣。

圖3 16 個INA117 的共地點接法
1. 3 A/D 轉換器
監測電池組無需用很高的采樣速度采樣每節電池的電壓,16 節電池電壓的采樣共用1 個A/D 轉換器。各節電池輸入的測量電壓通過多選一模擬開關MUX16 與A/D 轉換器連接。根據電池電壓的更新周期和電壓要求,A/D 轉換器傳送給單片機的電壓轉換值誤差最大為10 mV.選擇美信公司MAX1272.
MAX1272 是具有故障保護、可通過軟件選擇輸入範圍的12 位串行模擬數字轉換器,使用SPI 三線通信協議,+ 5 V 供電,模擬輸入電壓範圍0 ~ 10 V,0 ~ 5 V,± 10 V,± 5 V.內部自帶+ 4. 096 V 參考電壓。當采用內部+ 4. 096 V 參考電壓時,理想情況下模擬電壓輸入對應的數字輸出,如表1 所示。
表1 理想情況下模擬電壓輸入對應的數字輸出

由表1 可知,MAX1272 輸出的數字量最高位是符號位,餘下的11 位是數據。負數以補碼的形式給出。
參考電壓為+ 4. 096 V 時,1LSB = 1. 220 7 mV.
MAX1272 的最大量化誤差,加上非線性、失調等誤差的影響,總誤差約為5 mV.INA117 精度高,正常情況下,誤差在1 mV 以內。因此,使用INA117 和MAX1272 的組合,可以滿足串聯鋰離子電池組電池監測係統在電壓誤差10 mV 以下的要求。需要更高的電壓精度,需要選用更高分辨率的A/D 轉換器。
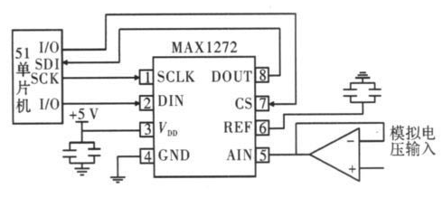
MAX1272 的線路連接圖如圖4 所示。

圖4 MAX1272 的線路連接圖[page]
圖4 中MAX1272 采用了內部參考電壓,6 腳VREF 和地之間接2. 2 μF 鉭電容和0. 1 μF 陶瓷電容。
PCB 布線時,這兩個電容都要求盡量接近MAX1272。
1. 4 溫度監測
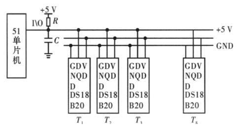
zhenduichuanliandianchizu,chuantongdecewenfangfaduocaiyongmoniwenduchuanganqijinxingceliang,zaishujudecaijihechuanshuguochengzhongyishouwaijiehuanjingdeganrao,congershicededejieguowuchajiaoda,qiedangceliangdianjiaoduoshi,lianxianjiaofuza。wenzhongcaiyongdanpianjihedanzongxianshuzishiwenduchuanganqiDS18B20 來解決上述問題。其原理如圖5 所示。

圖5 溫度巡回檢測係統框圖
采用外部5 V 供電,總線上可掛接多片DS18B20,且可以同時進行精確的溫度轉換,而無需外接驅動電路。測溫範圍- 55 ~ + 125 ℃; 測溫精度: 在- 10 ~+ 85 ℃範圍內的精度為± 0. 5 ℃; 在溫度采集過程中,單片機芯片需對DS18B20 發命令字,同時也需要讀取由DS18B20 采集到的溫度。因此,單片機控製器的I /O必須被設置為具有雙向傳輸數據能力。
本檢測係統每隔一節鋰離子電池在總線上掛接一片DS18B20,設置8 個溫度監測點,同時檢測8 點溫度。實際應用時由單片機軟件判斷出需要顯示的溫度值: 當溫度高於10 ℃時,顯示8 個溫度點中最高的溫度值; 當溫度低於10 ℃時,顯示8 個溫度點中最低的溫度值,達到有效合理的溫度監控效果。
1. 5 風扇及加熱控製電路
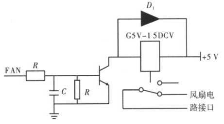
對dui於yu電dian池chi的de散san熱re問wen題ti,設she計ji了le風feng扇shan控kong製zhi電dian路lu,通tong過guo對dui測ce量liang到dao的de電dian池chi溫wen度du值zhi進jin行xing判pan斷duan,決jue定ding風feng扇shan的de開kai啟qi或huo關guan閉bi。當dang溫wen度du過guo高gao時shi,單dan片pian機ji將jiang發fa出chu信xin號hao開kai啟qi風feng扇shan。
電路如圖6 所示,FAN 為低電平時,晶體管9014 不導通,此時繼電器無動作; 當FAN 為高電平時,晶體管9014 導通,使得繼電器觸點吸合,風扇在24 V 電源電壓的供電下開始工作。

圖6 風扇控製電路
對dui於yu應ying用yong環huan境jing複fu雜za的de串chuan聯lian鋰li離li子zi電dian池chi組zu,除chu了le要yao考kao慮lv溫wen度du過guo高gao的de情qing況kuang,還hai要yao考kao慮lv溫wen度du過guo低di的de情qing況kuang。因yin為wei電dian池chi在zai溫wen度du過guo低di的de環huan境jing下xia運yun行xing時shi,會hui使shi鋰li離li子zi活huo性xing變bian差cha,嵌qian入ru和he脫tuo出chu能neng力li下xia降jiang,容rong易yi在zai石shi墨mo晶jing體ti表biao麵mian沉chen積ji,形xing成cheng鋰li金jin屬shu。形xing成cheng的de鋰li金jin屬shu會hui與yu電dian解jie液ye發fa生sheng不bu可ke逆ni的de反fan應ying。
如果鋰離子電池長期在低溫下工作,則將使電池的容量下降明顯。因此根據需要設計了加熱器控製電路,原理如風扇控製電路。
2 監測係統的性能
實測證明,使用INA117、16 選1 模擬開關MUX16、MAX1272、51 單片機和DS18B20 的串聯鋰離子電池組監測係統監測16 節3. 7 V 鋰離子電池,電壓的測量誤差完全在10 mV 以內。溫度方麵,由於DS18B20 精度較高,溫度誤差在1 ℃以內。電壓和溫度的測量均達到要求,係統運行可靠。當串聯鋰離子電池組任何一節電池電壓< 2. 2 V 時,單片機調用輕度報警程序進行聲光報警,並通報存在問題的電池。
當串聯鋰離子電池組任何一節電池電壓> 5 V 時shi,單dan片pian機ji調tiao用yong嚴yan重zhong報bao警jing程cheng序xu進jin行xing聲sheng光guang報bao警jing。如ru果guo溫wen度du值zhi超chao出chu預yu設she溫wen度du值zhi的de容rong許xu範fan圍wei,串chuan聯lian鋰li離li子zi電dian池chi組zu監jian測ce係xi統tong進jin行xing聲sheng光guang報bao警jing。風feng扇shan和he加jia熱re控kong製zhi電dian路lu均jun能neng根gen據ju設she定ding溫wen度du正zheng常chang啟qi動dong控kong製zhi電dian路lu。當dang溫wen度du低di於yu5 ℃時,啟動加熱控製電路; 溫度高於50 ℃時,啟動風扇控製電路。
3 結束語
串聯鋰離子電池組檢測係統,采用高共模抑製比差分運放INA117 解決了共地問題,監測電壓誤差正負10 mV,如要進一步提高檢測精度,可以選用高位A/D轉zhuan換huan器qi。檢jian測ce時shi,鋰li離li子zi電dian池chi是shi串chuan聯lian接jie在zai檢jian測ce模mo塊kuai上shang的de,要yao保bao證zheng接jie線xian正zheng確que。根gen據ju實shi際ji應ying用yong,可ke把ba幾ji個ge檢jian測ce係xi統tong串chuan接jie起qi來lai檢jian測ce更geng多duo的de串chuan聯lian鋰li離li子zi電dian池chi組zu,但dan要yao確que保bao共gong模mo電dian壓ya不bu超chao過guoINA117 的最大保護共模電壓範圍。
- 噪聲中提取真值!瑞盟科技推出MSA2240電流檢測芯片賦能多元高端測量場景
- 10MHz高頻運行!氮矽科技發布集成驅動GaN芯片,助力電源能效再攀新高
- 失真度僅0.002%!力芯微推出超低內阻、超低失真4PST模擬開關
- 一“芯”雙電!聖邦微電子發布雙輸出電源芯片,簡化AFE與音頻設計
- 一機適配萬端:金升陽推出1200W可編程電源,賦能高端裝備製造
- 算力爆發遇上電源革新,大聯大世平集團攜手晶豐明源線上研討會解鎖應用落地
- 築基AI4S:摩爾線程全功能GPU加速中國生命科學自主生態
- 一秒檢測,成本降至萬分之一,光引科技把幾十萬的台式光譜儀“搬”到了手腕上
- AI服務器電源機櫃Power Rack HVDC MW級測試方案
- 突破工藝邊界,奎芯科技LPDDR5X IP矽驗證通過,速率達9600Mbps
- 車規與基於V2X的車輛協同主動避撞技術展望
- 數字隔離助力新能源汽車安全隔離的新挑戰
- 汽車模塊拋負載的解決方案
- 車用連接器的安全創新應用
- Melexis Actuators Business Unit
- Position / Current Sensors - Triaxis Hall



