車載單元中智能電源的設計與實現
發布時間:2011-11-11
中心議題:
- ETC係統介紹
- 低功耗智能電源在電子不停車收費係統中應用設計方案
- 智能電源電路設計及器件選擇
高(gao)性(xing)能(neng)和(he)低(di)功(gong)耗(hao)是(shi)電(dian)子(zi)係(xi)統(tong)發(fa)展(zhan)的(de)必(bi)然(ran)趨(qu)勢(shi),嵌(qian)入(ru)式(shi)係(xi)統(tong)的(de)功(gong)耗(hao)越(yue)來(lai)越(yue)受(shou)到(dao)人(ren)們(men)的(de)關(guan)注(zhu),這(zhe)一(yi)點(dian)對(dui)於(yu)電(dian)池(chi)供(gong)電(dian)的(de)便(bian)攜(xie)式(shi)嵌(qian)入(ru)式(shi)係(xi)統(tong)尤(you)為(wei)明(ming)顯(xian),在(zai)大(da)多(duo)數(shu)嵌(qian)入(ru)式(shi)係(xi)統(tong)設(she)計(ji)中(zhong),性(xing)能(neng)的(de)提(ti)高(gao)總(zong)是(shi)伴(ban)隨(sui)著(zhe)係(xi)統(tong)功(gong)耗(hao)的(de)增(zeng)加(jia),解(jie)決(jue)好(hao)二(er)者(zhe)之(zhi)間(jian)的(de)矛(mao)盾(dun),探(tan)索(suo)低(di)功(gong)耗(hao)的(de)電(dian)源(yuan)管(guan)理(li)技(ji)術(shu),提(ti)供(gong)切(qie)實(shi)可(ke)行(xing)的(de)解(jie)決(jue)方(fang)案(an),將(jiang)是(shi)全(quan)球(qiu)相(xiang)關(guan)行(xing)業(ye)共(gong)同(tong)麵(mian)臨(lin)的(de)機(ji)遇(yu)和(he)挑(tiao)戰(zhan)。本(ben)文(wen)以(yi)電(dian)子(zi)不(bu)停(ting)車(che)收(shou)費(fei)係(xi)統(tong)為(wei)基(ji)礎(chu),對(dui)係(xi)統(tong)中(zhong)車(che)載(zai)單(dan)元(yuan)提(ti)出(chu)了(le)一(yi)種(zhong)有(you)效(xiao)的(de)智(zhi)能(neng)電(dian)源(yuan)管(guan)理(li)解(jie)決(jue)方(fang)案(an)。
1 ETC係統介紹
電子不停車收費(ElectronicTollCollection,ETC)設計成由路邊讀寫設備(Road Side Unit,簡稱RSU)、車載單元(OnBoardUnit,簡稱OBU)、IC卡、計算機安全控管技術、網絡及賬務等幾大部分組成。
其組成由圖1.1 所示:

圖1. 1 ETC係統組成圖
OBU 中存有車輛的識別信息,如車牌號、汽車ID號,一般安裝於車輛前麵的擋風玻璃上,RSU安(an)裝(zhuang)於(yu)收(shou)費(fei)站(zhan)旁(pang)邊(bian),環(huan)路(lu)感(gan)應(ying)器(qi)安(an)裝(zhuang)於(yu)車(che)道(dao)地(di)麵(mian)下(xia)。中(zhong)心(xin)管(guan)理(li)係(xi)統(tong)有(you)大(da)型(xing)的(de)數(shu)據(ju)庫(ku),存(cun)儲(chu)大(da)量(liang)注(zhu)冊(ce)車(che)輛(liang)和(he)用(yong)戶(hu)的(de)信(xin)息(xi)。當(dang)車(che)輛(liang)通(tong)過(guo)收(shou)費(fei)站(zhan)口(kou)時(shi),環(huan)路(lu)感(gan)應(ying)器(qi)感(gan)知(zhi)車(che)輛(liang),路(lu)邊(bian)單(dan)元(yuan)發(fa)出(chu)詢(xun)問(wen)信(xin)號(hao),車(che)載(zai)單(dan)元(yuan)做(zuo)出(chu)響(xiang)應(ying)。並(bing)進(jin)行(xing)雙(shuang)向(xiang)通(tong)信(xin)和(he)數(shu)據(ju)交(jiao)換(huan),中(zhong)心(xin)管(guan)理(li)係(xi)統(tong)獲(huo)取(qu)車(che)輛(liang)識(shi)別(bie)、車(che)型(xing)等(deng)信(xin)息(xi)並(bing)和(he)數(shu)據(ju)庫(ku)中(zhong)相(xiang)應(ying)信(xin)息(xi)進(jin)行(xing)比(bi)較(jiao)判(pan)斷(duan),根(gen)據(ju)不(bu)同(tong)情(qing)況(kuang)來(lai)控(kong)製(zhi)管(guan)理(li)係(xi)統(tong)產(chan)生(sheng)不(bu)同(tong)的(de)動(dong)作(zuo)。通(tong)過(guo)路(lu)邊(bian)單(dan)元(yuan)與(yu)車(che)載(zai)單(dan)元(yuan)進(jin)行(xing)相(xiang)互(hu)通(tong)信(xin)和(he)信(xin)息(xi)交(jiao)換(huan),以(yi)達(da)到(dao)對(dui)車(che)輛(liang)的(de)自(zi)動(dong)識(shi)別(bie),並(bing)自(zi)動(dong)從(cong)該(gai)用(yong)戶(hu)的(de)專(zhuan)用(yong)帳(zhang)戶(hu)中(zhong)扣(kou)除(chu)通(tong)行(xing)費(fei),從(cong)而(er)實(shi)現(xian)自(zi)動(dong)收(shou)費(fei)。
因為OBU在整個ETC 係統中起著非常重要的作用,而電源模塊的性能直接關係著OBU能否正常工作。現有的OBU供電方式一般有兩種,但各有缺憾。據此,新的低功耗電源設計方法應該產生。
2 低功耗智能電源在電子不停車收費係統中應用設計方案
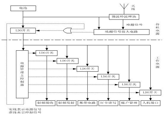
如OBUzhezhongyiqianrushichuliqiweihexindexitong,qigonghaozhuyaoyouchuliqigonghaohewaiweidianlugonghaozucheng。kaolvshijideyunxingqingkuang,qichezaigonglushangxingshidezhenggeguochengzhong,jingguoshoufeizhandeshijianshifeichangduande,OBU隻需要在汽車經過收費站時工作,而且工作時間不到一秒鍾,其他絕大部分時間都不需要工作。OBU智能電源管理采用電池供電的方法,控製OBU 工作在兩種模式,睡眠模式和激活模式;當車進入收費站時,OBU被激活,開始工作,處於激活模式;當交易完成,車離開收費站後,OBU馬上停止工作進入睡眠模式。根據這種特點,對電源采用分級管理的策略,即分為待機電源與工作電源,如圖2.1。

圖2. 1 OBU電源管理分級模塊結構圖[page]
同時,為實現進一步的分時供電控製,工作電源模塊又按功能模塊劃分獨立電源回路,各個模塊電源獨立可控,由主控製器統一協調。
激活的MCU,使用中斷編寫方式,對各個I/O 進行判斷後分時控製,輸出各個耗電模塊的DC/DC使能高電平信號,分時為射頻接收、射頻發送、基帶電路、IC卡讀寫、賬戶管理及人機接口供電;在任一時刻,係統除主控製器外最多隻為2 個模塊供電,大大減少了係統的功耗。
3 智能電源電路設計及器件選擇
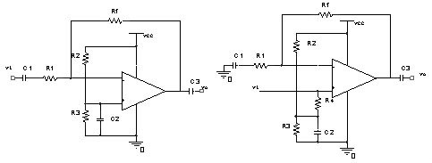
3.1 放大電路設計
congjianboqijiancechulaidexinhaoshifeichangweiruode,kenengshijihaoanshenzhishiweianjide,zhemexiaodexinhaoyibanshibunengmanzuhoujigezhongdianluduixinhaofududeyaoqiu,suoyibixuyaojinxingfangda。yunsuanfangdaqidejingtaidianliuyudaikuanshichengzhengbide,daikuanyueda,jingtaidianliuyeyueda,zheyidianzaigedabandaotishengchanshangdexuanxingbiaozhongkeyimingxiandekanchu;通過比對,為了設計出增益大、噪聲小、又具有一定帶寬的放大器,本設計選擇TLV2382 最為喚醒信號放大器。

圖3. 1 運算放大器單電源供電電路
3.2 低功耗M C U 軟硬件設計
為了實現低功耗,MCU應該選擇自身能耗低的型號,一款超低功耗MCU,主要從以下幾方麵綜合考慮:係統平均電流、時鍾係統、中斷、片內外設、BOR 保護、管腳漏電流、處理效率。根據這一特點,本設計選擇了美國德州儀器(TI ) 1996 年開始推向市場的一種16 位超低功耗的混合信號處理器(Mixed SignalProcessor) MSP430 係列單片機。
3.3 係統時鍾的設計
對於一個帶有低電壓睡眠喚醒的係統,晶振的de選xuan擇ze非fei常chang重zhong要yao。這zhe是shi因yin為wei低di供gong電dian電dian壓ya使shi提ti供gong給gei晶jing體ti的de激ji勵li功gong率lv減jian少shao,特te別bie在zai睡shui眠mian喚huan醒xing時shi,造zao成cheng晶jing振zhen啟qi振zhen很hen慢man或huo根gen本ben就jiu不bu能neng啟qi振zhen,而er啟qi動dong時shi間jian過guo長chang將jiang會hui明ming顯xian地di增zeng加jia係xi統tong的de功gong耗hao。MSP430F2001 設計的係統可以很好地解決這個問題。
低速時鍾選用12kHz 的VLOCLK,高頻由內部集成的DCO振蕩器產生,可以通過調整的控製參數選擇合適的輸出頻率。
3.4 電源供電的設計
本係統采用2 節幹電池作為測試供電,通過電源芯片產生+3.3V的電壓。由於TPS79633 的輸入電壓範圍是2.7~5.5V,使能信號高電平,而且低電平,因而可以直接使用單片機的I/O 管腳作為使能信號。
MCU的工作與否完全由總開關的輸出POW所決定,單片機隻在工作與斷電之間轉換。其他I/O 接口作為控製其餘模塊的輸出,進行分時控製。
3.5 軟件設計
在降低功耗上必須軟硬件結合才能達到理想的效果。軟件設計主要注意以下方麵:
係統采用中斷編寫方式,對各個I/O 進行判斷,分時控製,對每個模塊分時供電,從而降低功耗。其次輸出一個反饋信號,對總開關進行控製,達到斷電的功能。
係統的功耗會隨著係統的頻率升高而增加,在係統開始工作後使用12kHz 的主時鍾可以降低工作時的功耗。
4 結論
嵌qian入ru式shi係xi統tong的de低di功gong耗hao設she計ji是shi嵌qian入ru式shi係xi統tong設she計ji中zhong必bi須xu考kao慮lv的de設she計ji原yuan則ze,一yi個ge成cheng功gong的de低di功gong耗hao設she計ji應ying該gai是shi硬ying件jian設she計ji和he軟ruan件jian設she計ji的de結jie合he,從cong硬ying件jian設she計ji開kai始shi,就jiu應ying該gai充chong分fen意yi識shi到dao一yi個ge低di功gong耗hao應ying用yong的de特te性xing,選xuan擇ze一yi款kuan合he適shiMCU,通過對其特性的了解,設計係統方案;在軟件設計上,要考慮到低功耗編程的特殊性,並盡量使用單片機的低功耗模式。
- 噪聲中提取真值!瑞盟科技推出MSA2240電流檢測芯片賦能多元高端測量場景
- 10MHz高頻運行!氮矽科技發布集成驅動GaN芯片,助力電源能效再攀新高
- 失真度僅0.002%!力芯微推出超低內阻、超低失真4PST模擬開關
- 一“芯”雙電!聖邦微電子發布雙輸出電源芯片,簡化AFE與音頻設計
- 一機適配萬端:金升陽推出1200W可編程電源,賦能高端裝備製造
- 邊緣AI的發展為更智能、更可持續的技術鋪平道路
- 每台智能體PC,都是AI時代的新入口
- IAR作為Qt Group獨立BU攜兩項重磅汽車電子應用開發方案首秀北京車展
- 構建具有網絡彈性的嵌入式係統:來自行業領袖的洞見
- 數字化的線性穩壓器
- 車規與基於V2X的車輛協同主動避撞技術展望
- 數字隔離助力新能源汽車安全隔離的新挑戰
- 汽車模塊拋負載的解決方案
- 車用連接器的安全創新應用
- Melexis Actuators Business Unit
- Position / Current Sensors - Triaxis Hall




