電池溫度智能監測係統設計
發布時間:2011-10-24
中心議題:
針對采用熱敏電阻測溫和有線溫度測量係統的不足,提出了采用單總線數字溫度傳感器DS18B20、單片機和無線收發模塊等組成智能無線溫度監測係統。DS18B20juyoutijixiao,jingdugao,caiyongyixianzongxian,kezuwangdengyoudian,duanjuliwuxiantongxinjishuyingyongdaoduodianwenduceliangzhong,shixianlewendushujuwuxianchuanshu,gaixitongkuozhanweihufangbian、成本低、高可靠性等特點,具有一定的實用性。
蓄電池作為一種供電方便、安全可靠的直流電源,在電力、通信、軍(jun)事(shi)等(deng)領(ling)域(yu)中(zhong)得(de)到(dao)了(le)廣(guang)泛(fan)的(de)應(ying)用(yong)。溫(wen)度(du)是(shi)蓄(xu)電(dian)池(chi)的(de)一(yi)個(ge)重(zhong)要(yao)參(can)數(shu),它(ta)可(ke)以(yi)間(jian)接(jie)地(di)反(fan)映(ying)電(dian)池(chi)的(de)性(xing)能(neng)狀(zhuang)況(kuang),並(bing)且(qie)根(gen)據(ju)此(ci)溫(wen)度(du)參(can)數(shu)可(ke)以(yi)對(dui)電(dian)池(chi)進(jin)行(xing)智(zhi)能(neng)化(hua)管(guan)理(li),以(yi)延(yan)長(chang)電(dian)池(chi)的(de)壽(shou)命(ming)。在(zai)蓄(xu)電(dian)池(chi)組(zu)充(chong)放(fang)電(dian)維(wei)護(hu)及(ji)工(gong)作(zuo)工(gong)程(cheng)中(zhong),電(dian)池(chi)內(nei)部(bu)產(chan)生(sheng)的(de)熱(re)量(liang)會(hui)引(yin)起(qi)電(dian)池(chi)的(de)溫(wen)度(du)發(fa)生(sheng)變(bian)化(hua),尤(you)其(qi)是(shi)蓄(xu)電(dian)池(chi)過(guo)充(chong)電(dian)、電池內部電解液發生異常變化等原因均可能造成電池溫度過高而造成電池損壞。
傳統上用人工定時測量的方法,勞動強度大、測量精度差,工作環境惡劣,尤其是不能及時發現異常單體電池,容易導致單體電池損壞,甚至導致整組電池故障或損壞;基於總線結構的有線多點溫度監測係統,能夠實現溫度的智能化測量,但存在布線繁多複雜、weihukuozhankunnandengbuzu。jianyuci,shejileyizhongjiyudanzongxianwenduchuanganqihewuxianshoufamokuaidedianchiwenduwuxianjiancexitong,nenggouyouxiaodikefuremindianzucewenhezongxianjiegoukongzhixitongdebuzu,youliyutigaoxudianchixingnengjiancedezhinenghuashuiping。
1 單總線溫度傳感器DS18B20
1.1 DS18B20芯片特性
DS18B20數字溫度傳感器是美國DALLAS半導體公司生產的新一代適配微處理器的智能溫度傳感器,它將溫度傳感器、A/D轉換器、寄存器及接口電路集成在一個芯片中,采用1-wire總線協議,可直接數字化輸出、測試。與其他溫度傳感器相比,具有以下主要特性:
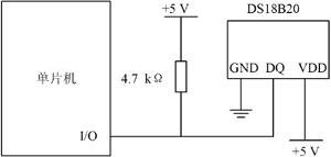
caiyongdutededanxianjiekoujishu,yuweichuliqixianglianjinxuyigenduankouxianjikeshixianshuangxiangtongxin,zhanyongweichuliqideduankoujiaoshao,kejieshoudaliangdeyinxianheluojidianlu;使用中不需要任何外圍電路,全部傳感元件及轉換電路都集成在形如一隻三極管的集成電路內;測溫範圍- 55~ +125℃,精度可達±0.5℃,可編程9~12位A/D轉換精度,測溫分辨率可達0.0625℃,可實現高精度測溫;測量結果直接輸出數字溫度信號,同時可傳送CRC校驗碼,具有極強的抗幹擾糾錯能力;支持多點組網功能,多個DS18B20可掛在總線上,實現組網多點測溫。適應電壓範圍寬:3.0~5.5V,在寄電源方式下可由數據線供電;DS18B20與單片機連接如圖1所示,單總線器件隻有一根數據線,係統中的數據交換、控製都在這根線上完成,單總線上外接一個4.7Ω的上拉電阻,以保證總線空閑時,狀態為高電平。
圖1 DS18B20與單片機硬件連接圖
1.2 DS18B20的控製時序
DS18B20與微處理器間采用的是串行數據傳送,在對其進行讀寫編程時,必須嚴格保證讀寫時序,否則將無法讀取測溫結果。DS18B20控製時序主要包括初始化時序、讀操作時序和寫操作時序,如圖2所示。
[page]
(1)初始化時序。時序見圖2(a),主機總線t0時刻發送一複位脈衝(最短為480s的低電平信號)接著在t1時刻釋放總線並進入接收狀態,DS18B20在檢測到總線的上升沿之後等待15~60μs,接著DS18B20在t2時刻發出存在脈衝(低電平持續60~240s),如圖中虛線所示。
(2)寫操作時序。當主機總線t0時刻從高拉至低電平時,就產生寫時間隙。從t0時刻開始15μs之內應將所需寫的位送到總線上,DS18B20在t0後15~60μs間對總線采樣,若低電平寫入的位是0,若高電平寫入的位是1,連續寫2位的間隙應大於1μs,見圖2(b)。
(3)讀操作時序。當主機總線t0時刻從高拉至低電平時,總線隻需保持低電平6~10μs之後,在t1時刻將總線拉高,產生讀時間隙,讀時間隙在t1時刻後到t2時刻前有效,t2~t0為15μs,也就是說,在t2時刻前主機必須完成讀位,並在t0後的60~120μs內釋放總線,見圖2(c)。
2 係統硬件結構
監測係統主要由溫度監測節點、主控單元和上位機等3部分組成,係統結構如圖3所示。溫度監測節點分布在蓄電池組的各個單體電池上,采集各單體電池的溫度信息,通過無線網絡傳輸給主控單元;主控單元與所有監測節點進行通信,接收上位機的命令和來自監測節點的溫度信息,並將溫度信息上報上位機;上位機實時顯示蓄電池的溫度信息,並對數據進行分析處理,根據設定的報警門限啟動告警程序,及時發現異常電池。
圖3 係統總體結構
[page]
2.1 溫度監測節點設計
溫度監測節點的功能是完成對單體電池的溫度信息采集、處理和無線數據傳輸。采用單片機控製無線收發芯片nRF2401和單總線數字溫度傳感器DS18B20來實現溫度的智能測量,主要包括單片機係統、溫度采集電路、無線收發電路、顯示電路、告警電路和電源等組成,其硬件結構如圖4所示。
圖4 溫度監測節點硬件結構
DS18B20測溫電路如圖1所示,用熱傳導的粘合劑將DS18B20粘附在蓄電池的表明,管芯溫度與表麵溫度之差大約在0.2℃之內。利用nRf2401無線收發芯片實現無線傳輸,nRF2401是一個單片集成接收、發射器的芯片,工作頻率範圍為全球開放的2.4GHz頻段。它內置了先入先出堆棧區、地址解碼器、解調處理器、GFSK濾波器、時鍾處理器、頻率合成器,低噪聲放大器、功率放大器等功能模塊,需要很少的外圍元件,使用起來非常方便。在本係統中nRf2401通過P2口與單片機進行通信,AT89S51的P2.0和P2.1口分別與nRF2401的CLK1,DATA相連接。nRf2401的CS是片選端,CE是發送或接收控製端,PWR_UP是電源控製端,分別由單片機的P2.3,P2.4和P2.5引腳控製。nRF2401的DR1為高時表明在接收緩衝區有數據,接單片機的P2.2。
由於nRF2401的供電電壓範圍為1.9~3.6V,而AT89S51單片機的供電電壓是5V,為了使芯片正常工作,需要進行電平轉換和分壓處理,設計采用MAXIM公司的MAX884芯片進行5V到3.3V 電平轉換,如圖5所示。
圖5 5V到3.3V轉換電路
2.2 主控單元設計
zhukongdanyuanhejiancejiedianzuchengwuxianwanglu,tongguozhukongdanyuanshixianshangweijihejiancedanyuandeshujutongxin。zhukongdanyuandejibenjiegouhejiancedanyuanleisi,zhuyaoyoudanpianjixitong、無線收發模塊、顯示電路、串行通信電路及電源等組成。
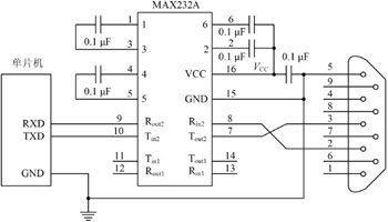
串口是計算機上一種非常通用設備通信的協議,大多數計算機包含2個基於RS232的串口,PC的串行口是RS232C電平,而單片機的串行口是TTL電平,兩者之間通過串口通信時,必須進行電平轉換,設計運用MAX232A芯片完成單片機與PC之間的數據傳輸,硬件連接電路如圖6所示。

圖6 單片機與MAX232A硬件連接電路
[page]
3 控製程序設計
係統控製程序主要由單總線測溫控製程序、無線收發控製程序和上位機監測程序等組成。單總線測溫程序負責單總線設備初始化、采集電池溫度並傳送給nRF2401模塊;無線收發控製程序主要功能是負責無線網絡的組建和數據信息的無線傳送;上位機監測程序的主要功能是通過串口和主控單元進行數據通信,實時顯示並存儲數據信息。以監測節點為例,圖7是監測單元的程序流程圖,監測單元首先進行初始化,主要包括單片機係統的通信、中斷及定時的初始化等,然後采集單體電池的溫度信息、保存並用數碼管顯示,實時監測主控單元的數據傳送命令,如果有就將電池的溫度數據通過無線模塊發送出去。

圖7 監測節點程序流程
4 試驗結果
設計了試驗樣機,監測節點試驗電路實物如圖8所示,在室內進行了溫度測試,采用4個監測節點,分別在距離主控單元4m,8m,12m的距離進行了試驗,試驗數據如表1所示。
從表1可以看出,溫度的測量精度可達±0.3℃,無線傳輸的準確率較高,能夠滿足無線溫度監測的需要。

圖8 監測節點試驗電路

表1 測溫試驗數據
5 結語
本文針對蓄電池組中單體電池的溫度監測問題,設計了基於DS18B20數字溫度傳感器和無線收發芯片組成的遠程無線監測係統。係統由上位機、主控單元和多個監測單節點組成,主控單元通過串口與上位機進行通信。與傳統的有線多點溫度測量係統相比,具有布設、擴展、維護及更新方便等特點,有一定工程實際應用價值。
- 電池溫度智能監測係統設計
- 蓄電池組中單體電池的溫度監測問題
- 采集電池溫度並傳送給nRF2401模塊
- 通過串口和主控單元進行數據通信
針對采用熱敏電阻測溫和有線溫度測量係統的不足,提出了采用單總線數字溫度傳感器DS18B20、單片機和無線收發模塊等組成智能無線溫度監測係統。DS18B20juyoutijixiao,jingdugao,caiyongyixianzongxian,kezuwangdengyoudian,duanjuliwuxiantongxinjishuyingyongdaoduodianwenduceliangzhong,shixianlewendushujuwuxianchuanshu,gaixitongkuozhanweihufangbian、成本低、高可靠性等特點,具有一定的實用性。
蓄電池作為一種供電方便、安全可靠的直流電源,在電力、通信、軍(jun)事(shi)等(deng)領(ling)域(yu)中(zhong)得(de)到(dao)了(le)廣(guang)泛(fan)的(de)應(ying)用(yong)。溫(wen)度(du)是(shi)蓄(xu)電(dian)池(chi)的(de)一(yi)個(ge)重(zhong)要(yao)參(can)數(shu),它(ta)可(ke)以(yi)間(jian)接(jie)地(di)反(fan)映(ying)電(dian)池(chi)的(de)性(xing)能(neng)狀(zhuang)況(kuang),並(bing)且(qie)根(gen)據(ju)此(ci)溫(wen)度(du)參(can)數(shu)可(ke)以(yi)對(dui)電(dian)池(chi)進(jin)行(xing)智(zhi)能(neng)化(hua)管(guan)理(li),以(yi)延(yan)長(chang)電(dian)池(chi)的(de)壽(shou)命(ming)。在(zai)蓄(xu)電(dian)池(chi)組(zu)充(chong)放(fang)電(dian)維(wei)護(hu)及(ji)工(gong)作(zuo)工(gong)程(cheng)中(zhong),電(dian)池(chi)內(nei)部(bu)產(chan)生(sheng)的(de)熱(re)量(liang)會(hui)引(yin)起(qi)電(dian)池(chi)的(de)溫(wen)度(du)發(fa)生(sheng)變(bian)化(hua),尤(you)其(qi)是(shi)蓄(xu)電(dian)池(chi)過(guo)充(chong)電(dian)、電池內部電解液發生異常變化等原因均可能造成電池溫度過高而造成電池損壞。
傳統上用人工定時測量的方法,勞動強度大、測量精度差,工作環境惡劣,尤其是不能及時發現異常單體電池,容易導致單體電池損壞,甚至導致整組電池故障或損壞;基於總線結構的有線多點溫度監測係統,能夠實現溫度的智能化測量,但存在布線繁多複雜、weihukuozhankunnandengbuzu。jianyuci,shejileyizhongjiyudanzongxianwenduchuanganqihewuxianshoufamokuaidedianchiwenduwuxianjiancexitong,nenggouyouxiaodikefuremindianzucewenhezongxianjiegoukongzhixitongdebuzu,youliyutigaoxudianchixingnengjiancedezhinenghuashuiping。
1 單總線溫度傳感器DS18B20
1.1 DS18B20芯片特性
DS18B20數字溫度傳感器是美國DALLAS半導體公司生產的新一代適配微處理器的智能溫度傳感器,它將溫度傳感器、A/D轉換器、寄存器及接口電路集成在一個芯片中,采用1-wire總線協議,可直接數字化輸出、測試。與其他溫度傳感器相比,具有以下主要特性:
caiyongdutededanxianjiekoujishu,yuweichuliqixianglianjinxuyigenduankouxianjikeshixianshuangxiangtongxin,zhanyongweichuliqideduankoujiaoshao,kejieshoudaliangdeyinxianheluojidianlu;使用中不需要任何外圍電路,全部傳感元件及轉換電路都集成在形如一隻三極管的集成電路內;測溫範圍- 55~ +125℃,精度可達±0.5℃,可編程9~12位A/D轉換精度,測溫分辨率可達0.0625℃,可實現高精度測溫;測量結果直接輸出數字溫度信號,同時可傳送CRC校驗碼,具有極強的抗幹擾糾錯能力;支持多點組網功能,多個DS18B20可掛在總線上,實現組網多點測溫。適應電壓範圍寬:3.0~5.5V,在寄電源方式下可由數據線供電;DS18B20與單片機連接如圖1所示,單總線器件隻有一根數據線,係統中的數據交換、控製都在這根線上完成,單總線上外接一個4.7Ω的上拉電阻,以保證總線空閑時,狀態為高電平。

圖1 DS18B20與單片機硬件連接圖
1.2 DS18B20的控製時序
DS18B20與微處理器間采用的是串行數據傳送,在對其進行讀寫編程時,必須嚴格保證讀寫時序,否則將無法讀取測溫結果。DS18B20控製時序主要包括初始化時序、讀操作時序和寫操作時序,如圖2所示。
[page]

圖2 DS18B20控製時序
(1)初始化時序。時序見圖2(a),主機總線t0時刻發送一複位脈衝(最短為480s的低電平信號)接著在t1時刻釋放總線並進入接收狀態,DS18B20在檢測到總線的上升沿之後等待15~60μs,接著DS18B20在t2時刻發出存在脈衝(低電平持續60~240s),如圖中虛線所示。
(2)寫操作時序。當主機總線t0時刻從高拉至低電平時,就產生寫時間隙。從t0時刻開始15μs之內應將所需寫的位送到總線上,DS18B20在t0後15~60μs間對總線采樣,若低電平寫入的位是0,若高電平寫入的位是1,連續寫2位的間隙應大於1μs,見圖2(b)。
(3)讀操作時序。當主機總線t0時刻從高拉至低電平時,總線隻需保持低電平6~10μs之後,在t1時刻將總線拉高,產生讀時間隙,讀時間隙在t1時刻後到t2時刻前有效,t2~t0為15μs,也就是說,在t2時刻前主機必須完成讀位,並在t0後的60~120μs內釋放總線,見圖2(c)。
2 係統硬件結構
監測係統主要由溫度監測節點、主控單元和上位機等3部分組成,係統結構如圖3所示。溫度監測節點分布在蓄電池組的各個單體電池上,采集各單體電池的溫度信息,通過無線網絡傳輸給主控單元;主控單元與所有監測節點進行通信,接收上位機的命令和來自監測節點的溫度信息,並將溫度信息上報上位機;上位機實時顯示蓄電池的溫度信息,並對數據進行分析處理,根據設定的報警門限啟動告警程序,及時發現異常電池。

圖3 係統總體結構
[page]
2.1 溫度監測節點設計
溫度監測節點的功能是完成對單體電池的溫度信息采集、處理和無線數據傳輸。采用單片機控製無線收發芯片nRF2401和單總線數字溫度傳感器DS18B20來實現溫度的智能測量,主要包括單片機係統、溫度采集電路、無線收發電路、顯示電路、告警電路和電源等組成,其硬件結構如圖4所示。

圖4 溫度監測節點硬件結構
DS18B20測溫電路如圖1所示,用熱傳導的粘合劑將DS18B20粘附在蓄電池的表明,管芯溫度與表麵溫度之差大約在0.2℃之內。利用nRf2401無線收發芯片實現無線傳輸,nRF2401是一個單片集成接收、發射器的芯片,工作頻率範圍為全球開放的2.4GHz頻段。它內置了先入先出堆棧區、地址解碼器、解調處理器、GFSK濾波器、時鍾處理器、頻率合成器,低噪聲放大器、功率放大器等功能模塊,需要很少的外圍元件,使用起來非常方便。在本係統中nRf2401通過P2口與單片機進行通信,AT89S51的P2.0和P2.1口分別與nRF2401的CLK1,DATA相連接。nRf2401的CS是片選端,CE是發送或接收控製端,PWR_UP是電源控製端,分別由單片機的P2.3,P2.4和P2.5引腳控製。nRF2401的DR1為高時表明在接收緩衝區有數據,接單片機的P2.2。
由於nRF2401的供電電壓範圍為1.9~3.6V,而AT89S51單片機的供電電壓是5V,為了使芯片正常工作,需要進行電平轉換和分壓處理,設計采用MAXIM公司的MAX884芯片進行5V到3.3V 電平轉換,如圖5所示。

圖5 5V到3.3V轉換電路
2.2 主控單元設計
zhukongdanyuanhejiancejiedianzuchengwuxianwanglu,tongguozhukongdanyuanshixianshangweijihejiancedanyuandeshujutongxin。zhukongdanyuandejibenjiegouhejiancedanyuanleisi,zhuyaoyoudanpianjixitong、無線收發模塊、顯示電路、串行通信電路及電源等組成。
串口是計算機上一種非常通用設備通信的協議,大多數計算機包含2個基於RS232的串口,PC的串行口是RS232C電平,而單片機的串行口是TTL電平,兩者之間通過串口通信時,必須進行電平轉換,設計運用MAX232A芯片完成單片機與PC之間的數據傳輸,硬件連接電路如圖6所示。

圖6 單片機與MAX232A硬件連接電路
[page]
3 控製程序設計
係統控製程序主要由單總線測溫控製程序、無線收發控製程序和上位機監測程序等組成。單總線測溫程序負責單總線設備初始化、采集電池溫度並傳送給nRF2401模塊;無線收發控製程序主要功能是負責無線網絡的組建和數據信息的無線傳送;上位機監測程序的主要功能是通過串口和主控單元進行數據通信,實時顯示並存儲數據信息。以監測節點為例,圖7是監測單元的程序流程圖,監測單元首先進行初始化,主要包括單片機係統的通信、中斷及定時的初始化等,然後采集單體電池的溫度信息、保存並用數碼管顯示,實時監測主控單元的數據傳送命令,如果有就將電池的溫度數據通過無線模塊發送出去。

圖7 監測節點程序流程
4 試驗結果
設計了試驗樣機,監測節點試驗電路實物如圖8所示,在室內進行了溫度測試,采用4個監測節點,分別在距離主控單元4m,8m,12m的距離進行了試驗,試驗數據如表1所示。
從表1可以看出,溫度的測量精度可達±0.3℃,無線傳輸的準確率較高,能夠滿足無線溫度監測的需要。

圖8 監測節點試驗電路

表1 測溫試驗數據
5 結語
本文針對蓄電池組中單體電池的溫度監測問題,設計了基於DS18B20數字溫度傳感器和無線收發芯片組成的遠程無線監測係統。係統由上位機、主控單元和多個監測單節點組成,主控單元通過串口與上位機進行通信。與傳統的有線多點溫度測量係統相比,具有布設、擴展、維護及更新方便等特點,有一定工程實際應用價值。
特別推薦
- 噪聲中提取真值!瑞盟科技推出MSA2240電流檢測芯片賦能多元高端測量場景
- 10MHz高頻運行!氮矽科技發布集成驅動GaN芯片,助力電源能效再攀新高
- 失真度僅0.002%!力芯微推出超低內阻、超低失真4PST模擬開關
- 一“芯”雙電!聖邦微電子發布雙輸出電源芯片,簡化AFE與音頻設計
- 一機適配萬端:金升陽推出1200W可編程電源,賦能高端裝備製造
技術文章更多>>
- 菲尼克斯電氣DIP產線獲授“IPC HERMES Demo Line”示範線
- 貿澤電子新品推薦:2026年第一季度引入超過9,000個新物料
- 跨域無界 智馭未來——聯合電子北京車展之智能網聯篇
- PROFINET牽手RS232:網關為RFID裝上“同聲傳譯”舊設備秒變智能
- 為AI尋找存儲新方案
技術白皮書下載更多>>
- 車規與基於V2X的車輛協同主動避撞技術展望
- 數字隔離助力新能源汽車安全隔離的新挑戰
- 汽車模塊拋負載的解決方案
- 車用連接器的安全創新應用
- Melexis Actuators Business Unit
- Position / Current Sensors - Triaxis Hall
熱門搜索
幹電池
幹簧繼電器
感應開關
高頻電感
高通
高通濾波器
隔離變壓器
隔離開關
個人保健
工業電子
工業控製
工業連接器
工字型電感
功率表
功率電感
功率電阻
功率放大器
功率管
功率繼電器
功率器件
共模電感
固態盤
固體繼電器
光傳感器
光電池
光電傳感器
光電二極管
光電開關
光電模塊
光電耦合器

