LED照明用恒流電源的實現方案
發布時間:2011-09-05
中心議題:
- LED照明用恒流電源方案比較與選擇
- LED照明用恒流電源電路與程序設計
- LED照明用恒流電源方案理論分析與計算
- LED照明用恒流電源測試方案與測試結果
解決方案:
- 控製電路與控製程序設計
- 保護電路設計
- 功率因數校正電路設計
- 自動調光電路設計
一、方案比較與選擇
1 電路拓撲結構方案
方案一:caiyongfanjishituopujiegoudegonglvyinshuxiaozhengdianlu,youdianshijianggonglvyinshuxiaozhengyudianyuanbianhuanqiheerweiyi,keyidadajianshaodianludesunhao,tigaodianludezhengtixiaolv,quedianshiyingyongzaifanjishidianludeyouyuangonglvyinshuxiaozhengkongzhixinpianzhongleijiaoshao,qiedianlubijiaofuza,hennanshejiyudanpianjiheshidejiekoudianlu,burongyishiyongdanpianjijinxingkongzhi。
方案二:將功率因數校正電路與主控電路分開,采用Boost xingdegonglvyinshuxiaozhengdianluhoujiedianyuanbianhuanqidefangan,youdianshidianlujiegoujiandan,bingbushejidanpianjiduigonglvyinshuxiaozhengdianludekongzhi,zhixushigonglvyinshuxiaozhengbufenshuchuyigewendingdedianyajike,quedianshihuiyidingchengdushangjiangdishejidezhengtixiaolv。
鑒於本題要求步進調壓的功能,需要單片機對PWM控製芯片有一個良好而穩定的控製,故選擇方案二。
2 電源變換器方案
方案一:采用半橋變換電路,優點是高頻變壓器利用率高,傳輸功率大,電路效率很高,缺點是電路較複雜,且有直通危險。
方案二:采用單端反激變換電路,優點是電路結構簡單,缺點是高頻變壓器利用率低,需要留有氣隙,電路效率不高。
鑒於本題要求最大負載隻有10 個1W 的led,傳輸功率較小,故采用方案二,即反激式電路拓撲結構。
3 閉環反饋控製方案
方案一:采用軟件閉環反饋控製,即使用單片機進行各參數的采樣,然後直接由單片機對PWM控製芯片進行控製,調節占空比。優點是電路結構簡單,缺點是反饋回路會受到采樣精度、采樣速度、單片機運算速度等因素的影響,使反饋係統變得不穩定。
方案二:采用硬件閉環反饋控製,即使用硬件電路構建反饋電路,由PWM控製芯片自身根據反饋信號調節占空比,而單片機對PWM控製芯片隻是進行輔助調整。優點是反饋速度快,調節精度高,缺點是易受外部幹擾。
4 有源功率因數校正方案
方案一:采用UC3854作為有源功率因數校正電路的主控芯片。優點是功率因數校正係數可達99.5%,缺點是外圍電路非常複雜且調試困難,方案二:采用MC33260作為有源功率有源功率因數校正電路的主控芯片。優點是外圍電路簡單,缺點是功率因數校正率與UC3854相比略低。
220VAC經工頻變壓器降壓為36VAC,經開機衝擊電流抑製電路輸入到功率因數校正電路中,再經高頻隔離變壓器給串聯在一起的LED燈供電,在LED燈處分別進行電壓、電流采樣,返回給PWM控製芯片和單片機,由單片機給定基準電壓來控製PWM控製芯片,進而達到控製LED燈恒流可調的目的。係統總體結構框圖如圖1所示。

圖1 係統總體框圖[page]
二、電路與程序設計
1 電源變換器主回路與器件選擇
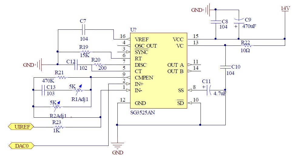
PWM 控製芯片采用SG3525。SG3525 的主要特點是:輸出級采用推挽輸出,雙通道輸出,占空比0 - 50%可調。每一通道的驅動電流最大值可達200mA,灌拉電流峰值可達500mA。
SG3525 的1、2 引腳分別為內部誤差放大器的反相輸入端和同相輸入端,反相輸入端接收反饋的電壓信號,同相輸入端為給定的電壓基準,一般接在16 引腳電壓基準的分壓上,由於題目要求恒流輸出時電流步進可調,故同相輸入端接單片機DAC 模塊產生的參考電壓。
負載的電流采樣由串聯在LED 負載與地之間的采樣電阻完成,經一級跟隨、一級同相放大之後分別給單片機和PWM控製芯片;電壓采樣由負載和電流采樣電阻上的電壓分壓完成,經一級跟隨分別給單片機和PWM 控製芯片。為完成恒壓與恒流模式的切換,分別在電壓采樣回路與電流采樣回路與PWM 控製芯片間各加入一個N 溝道MOSFET 作為電子開關,完成切換。為保證反饋的穩定性在MOSFET 後再加一級跟隨後將反饋信號傳遞給PWM 控製芯片。

圖2 PWM 控製模塊
2 控製電路與控製程序設計
由於本設計的控製部分並不需要很大的計算量,對計算速度的要求也不是很高,但需要ADC 與DAC 模塊進行電壓與電流的采樣和對PWM 控製芯片的控製,因此選用C8051F020單片機作為核心處理芯片,它擁有高速8051 微控製器內核,8 個12 位ADC和2 個12 位DAC,完全可以滿足設計的需求。
由於本LED 恒流電源工作時絕大部分時間處於穩定狀態,且對反應速度沒有過快要求,因此並不需要對電壓、dianliuxinhaojinxingtongshidecaiyang,erkeyifenbiecaiyang,moshiqiehuanhejizhundianyadetiaozhengyebuxuzaizhongduanfuwuzhongwancheng,zhiyoubujintiaozhengdianliudeanjianchengxuxuyaozaizhongduanfuwuzhongwancheng。
3 保護電路設計
過(guo)壓(ya)保(bao)護(hu)電(dian)路(lu)並(bing)不(bu)是(shi)單(dan)獨(du)設(she)計(ji)的(de),而(er)是(shi)整(zheng)合(he)在(zai)電(dian)流(liu)控(kong)製(zhi)電(dian)路(lu)中(zhong),由(you)恒(heng)流(liu)控(kong)製(zhi)回(hui)路(lu)與(yu)恒(heng)壓(ya)控(kong)製(zhi)回(hui)路(lu)的(de)切(qie)換(huan)完(wan)成(cheng),當(dang)單(dan)片(pian)機(ji)檢(jian)測(ce)到(dao)負(fu)載(zai)上(shang)的(de)電(dian)壓(ya)高(gao)於(yu)36V 時,單片機控製將恒流控製回路切換為恒壓控製回路,將負載的電壓控製在略高於36V,當再次檢測到負載電流降低到設定的電流以下時,重新將恒壓模式切換為恒流模式,達到過壓保護的目的。

圖3 控製程序流程圖[page]
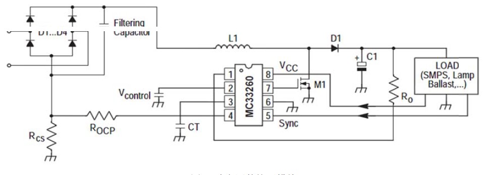
4 功率因數校正電路設計
選用小功率功率因數校正芯片MC33260,它工作在電流臨界模式。MC33260應用簡單可靠。通過電流檢測和電壓反饋,通過PI調節來保持電壓恒定。通過對開關管的PWM控製來得到所需要電壓。可實現0.998的功率因數校正和輸出穩定直流電壓的功能。

圖4 功率因數校正模塊
5 自動調光電路設計,開機衝擊電路與EMI抑製電路設計
自動調壓電路采用光敏電阻作為感光元件,利用比較強將光的強弱轉換為高低電平信號,使用單片機內置的ADC將這個電壓信號采回單片機,當光照強度較高時,單片機控製切換為恒流模式,設置的負載電流值為100mA,使LED的亮度隨光照強度的增大而減少。
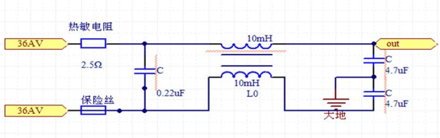
開kai機ji衝chong擊ji電dian路lu采cai用yong熱re敏min電dian阻zu串chuan聯lian在zai電dian源yuan輸shu入ru端duan,溫wen度du較jiao低di時shi電dian阻zu很hen大da,隨sui著zhe電dian阻zu發fa熱re溫wen度du升sheng高gao,電dian阻zu逐zhu漸jian變bian小xiao,達da到dao抑yi製zhi開kai關guan衝chong擊ji電dian流liu過guo大da的de目mu的de。
EMI抑製電路是利用電感和電容的特性,使平率為50Hz左右的交流電可以順利通過濾波器,但高於50Hz以上的高頻幹擾雜波被濾波器濾除,這就使開關電源產生的高頻諧波被濾掉而不會汙染電網。

圖5 開機衝擊電流和EMI抑製模塊
三、理論分析與計算
1 恒流控製方法和參數計算
將一個電阻值較小的采樣電阻串聯在LED負載與低之間,設流過LED的電流為I,則采樣電阻兩端的電壓:
![]()
其中R0為采樣電阻的電阻值,取R0=Ω。一級跟隨之後電壓不變,後為一級同相放大電路,放大倍數為:

後為一級跟隨,電壓不變,因此返回PWM控製芯片的電壓為:
![]()
單片機通過DAC給PWM控製芯片一個參考的基準電壓UREF,經過PWM控製芯片的調節占空比來調節副邊繞組的電壓進而實現調節負載電流。經過閉環負反饋的調節作用,使U0=UREF,此時流過負載的電流值為:

隻要時單片機DAC模塊的輸出電壓根據上麵的式子調整,就會使負載工作在某一個需要的恒定電流值上。
2 隔離變壓器的設計計算
功率因數校正電路輸出的電壓為55V,要求負載為10隻串聯的LED燈,實測正常工作時的電壓為34V左右,可得變壓器的變比約為:

由於PWM控製芯片輸出占空比範圍為0%~50%,因此實際取原邊45匝,副邊56匝,變比為1.24。
[page]
3 提高效率的方法
選擇合適的主回路拓撲,使用盡可能少的元器件,降低開關頻率;主電路選擇導通損耗小的開關器件;測量及控製電路在設計時盡可能使用工作電壓低的元器件;控製電路盡可能使用數字方法實現等都可以有效地提高係統的效率。
4 濾波參數計算
反激式電壓變換器需要輸出的為直流量,因此盡量應濾掉所有諧波,使用 LC 無源低通濾波電路即可滿足要求,反激式變換器的開關頻率為32kHz,設計濾波器的截止頻率應低於32KHz,即:

由於該係統為恒流係統,應取較大的L 值,並適當減小C 的值,據此設定L、C 值。選用470μF 的電解電容,根據計算得出電感值約為0.78mH,采用自製的工字型濾波電感。
四、測試方案與測試結果
1 測試儀器與設備
(1)工頻變壓器
(2)四位半數字萬用表DT9203
(3)安捷倫示波器DSO5012A
2 測試數據
(1)輸出電流跟蹤測試:

表1 輸出電流顯示跟蹤測試
(2)電壓調整率測試(設定電流為150mA):

表2 電壓調整率測試
從32V~40V 時電流變化範圍是149mA~150mA 調整率為0.6%,電壓調整率Su≤1%,達到要求。
[page]
(3)負載調整率測試
輸入電壓為36.23V,設定電流為300mA,負載從5 個LED 到10 個LED 時輸出電流波動範圍是209mA~300mA。調整率為0.4%。負載調整率SL≤1%達到要求。

表3 負載調整率測試
(4)效率測試
U2=36V、負載為10個LED、I0=300mA。

表4 效率η參數測試
(5)功率因數測試
測得功率因數為0.998,達到要求。

圖6 功率因數校正波形
- 噪聲中提取真值!瑞盟科技推出MSA2240電流檢測芯片賦能多元高端測量場景
- 10MHz高頻運行!氮矽科技發布集成驅動GaN芯片,助力電源能效再攀新高
- 失真度僅0.002%!力芯微推出超低內阻、超低失真4PST模擬開關
- 一“芯”雙電!聖邦微電子發布雙輸出電源芯片,簡化AFE與音頻設計
- 一機適配萬端:金升陽推出1200W可編程電源,賦能高端裝備製造
- 2026藍牙亞洲大會暨展覽在深啟幕
- 新市場與新場景推動嵌入式係統研發走向統一開發平台
- 維智捷發布中國願景
- 2秒啟動係統 • 資源受限下HMI最優解,米爾RK3506開發板× LVGL Demo演示
- H橋降壓-升壓電路中的交替控製與帶寬優化
- 車規與基於V2X的車輛協同主動避撞技術展望
- 數字隔離助力新能源汽車安全隔離的新挑戰
- 汽車模塊拋負載的解決方案
- 車用連接器的安全創新應用
- Melexis Actuators Business Unit
- Position / Current Sensors - Triaxis Hall

